镁合金由于良好的生物相容性和可生物降解性,密度和弹性模量与人骨相近,在生物医疗领域备受关注。此外,镁资源丰富,是人体所需的微量元素之一,开采价格低廉而被认为是最有价值的生物材料之一。然而镁的电极电位低(-2.37V),作为植入体,镁合金基体与第二相之间因电位差易发生电偶腐蚀,α-Mg为阳极,使得镁合金在骨愈合之前过早的丧失其结构和力学性能。因此提高镁合金的腐蚀性能是其在医疗领域获得良好应用的前提。在镁合金中添加增强体可有效提高镁合金的综合性能。石墨烯是由一层六边形蜂窝结构的碳原子杂化构成的,同时具有出色的抗渗透性,可以在基体与腐蚀介质之间形成保护膜,从而阻止腐蚀介质与材料基体界面处的电子交换,进而提高材料的耐腐蚀性能。因此利用石墨烯突出的抗渗透性有望提高镁合金的耐蚀性。
近几年来很多学者研究了固溶处理及石墨烯对镁合金耐腐蚀性能的影响。聂豫晋等研究了固溶处理对Mg-3Gd-1Zn合金在模拟体液中腐蚀性能的影响,随着固溶温度的升高,合金的电流密度先减小后增加,容抗弧半径先增加后减小,耐蚀性由强到弱的顺序为:T6-520>T6-510>T6-530>T6-460;朱劲峰等研究了固溶处理对NQZ310K生物镁合金力学与腐蚀性能的影响,结果表明,随着固溶温度的升高,NQZ310K镁合金在模拟体液中腐蚀速率加快,腐蚀方式由均匀腐蚀转变为点蚀,这与晶粒尺寸、析出相的含量和分布共同作用有关。KAVIMANI V等通过在镁表面制备还原氧化石墨烯和氧化钛的复合涂层,结果表明,图层的添加提高了纯镁的耐蚀性;CHEN Y等采用逐层组装法在AZ31表面制备了一种环保型氧化石墨烯和羧甲基纤维素复合膜,提高了AZ31镁合金的耐腐蚀性。
中北大学赵宇宏教授团队在2023年第43卷第4期《特种铸造及有色合金》期刊上发表了“石墨烯纳米片/AZ91D 镁基复合材料腐蚀行为”一文。文章研究了固溶处理后不同石墨烯纳米片(Gnps)含量的镁基复合材料在Simulated Body fluid(SBF)中的腐蚀行为。结果表明,随着Gnps含量的增加,镁基复合材料的固溶组织晶粒细化程度先增大后减小,耐腐蚀性也随着晶粒细化程度增加而增大。电化学试验结果表明当Gnps含量为0.6%时,耐腐蚀性能最好,腐蚀电流密度(icorr)降低至1.0610-4A/cm2。研究表明Gnps做为增强体对镁合金腐蚀性能的潜在价值。
【引用格式】
张露露,陈利文,李利民,等.石墨烯纳米片/AZ91D 镁基复合材料腐蚀行为[J].特种铸造及有色合金,2023,43(4):463-468.
ZHANG L L,CHEN L W,LI L M,et al.Corrosion behavior of graphene nanosheets/AZ91D magnesium matrix composites[J].Special Casting & Nonferrous Alloys,2023,43(4):463-468.
注:如需文献pdf版本,可联系本刊编辑部!
【研究方法】
采用半固态注射成型铸造技术制备了石墨烯/镁复合材料。以AZ91D镁合金为基体材料,Gnps作为增强体;AZ91D镁合金颗粒是由铸锭经过颗粒粉碎机粉碎制成,颗粒呈现不规则棒状,长3~6mm,长宽比约为5:1,表1为AZ91D合金的具体成分。石墨烯纳米片/镁(Gnps/ AZ91D)复合材料制备流程包括混料,填料,加热搅拌,高速注射成形等步骤。首先,分别将5kg的AZ91D镁合金颗粒和相应质量的Gnps(Gnps的质量分数分别为0,0.3%,0.6%,0.9%)加入V型混料机进行混料,混料机转速为20r/min,时间为30min。其次是将混合好的AZ91D镁合金颗粒与Gnps加入镁合金注射成型机的料斗中;然后混合料在料管的螺旋搅拌及料管不同区域加热下形成混合浆料;模温机对模具加热,待模具达设定温度后对其喷涂涂料,然后合模,合模压力达到设定值后,冲头将混合浆料高速射出,充满整个模具型腔,并保压;开模取出铸件后随室温冷却。将不同Gnps含量的铸件放在热处理炉中进行固溶处理,加热温度为400℃保温时间为24h。

在电化学腐蚀测试之前,用200~2000目SiC砂纸依次对试样的工作表面打磨,打磨后抛光,再用无水乙醇清洗工作面,再将工作表面以外的面用环氧树脂胶密封(工作面面积为1010 mm)。电化学测试为CS2350电化学工作站;采用标准的三电极体系进行,其中Gnps/ AZ91D复合材料作为工作电极,带有饱和KCl的甘汞电极作为参比电极,Pt片作为辅助电极。腐蚀液为Simulated Body fluid(SBF)模拟体液,腐蚀测试在37℃恒温水浴锅中进行。将工作电极浸泡在腐蚀液中,保持在开路电位的情况下浸泡预设时间后,进行动电位扫描,扫描速率为1 mv/s,扫描范围为相对于开路电位-(1000~1500) mv,即可获得其极化曲线。同样保持在开路电位情况下浸泡预设时间后进行阻抗-频率扫描,频率选择在10 kHz~100 mHz,获得电化学阻抗谱。
将试样表面用用200~2000目SiC砂纸依次打磨,再用无水乙醇清洗干净,在超声机中震荡洗涤30 min,再用无水乙醇清洗干净后浸泡于SBF模拟体液中,30 min后取出试样,用无水乙醇冲洗干净后,吹干表面。利用光学显微镜和JSM-IT800型电镜(SEM)观察微观组织形貌,利用SEM配备的Oxford能谱仪进行成分分析。
【研究结果】
2.1微观结构特征及腐蚀后形貌
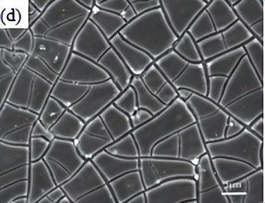
Gnps的添加使得复合材料的晶粒得到细化,随着Gnps含量的增加,细化程度先增加后减少。固溶处理后,晶界处的第二相基本融入基体内,在基体内还剩余少量的点状相。基体内点状第二相为富Al相,同时结合C能谱图可知,Gnps在基体中分布较为均匀。裂纹处为暴露的镁基体组织,是腐蚀发生的区域,其他区域为氧化未腐蚀区域。初步对比可以得出腐蚀程度由低到高为Gnps含量分别为:0.6%,0.3%,0.9%,0。




(a) 0 , (b) 0.3 % , (c) 0.6% , (d) 0.9 %。
图1 Gnps/ AZ91D复合材料的OM图和晶粒尺寸图
Fig.1 OM images and grain size diagram of Gnps/ AZ91D composites

(a)复合材料, (b) Mg, (c) Al, (d) Zn, (e) O, (f) C
图2 Gnps含量为0.6 %的AZ91D复合材料SEM形貌和EDS扫描




(a) 0 (b) 0.3%, (c) 0.6 %, (d) 0.9%
图3不同含量Gnps的 AZ91D复合材料腐蚀30 min后SEM形貌

(a) 复合材料SEM形貌(b) Mg, (c) Al, (d) Zn, (e) O, (f) C
图4Gnps含量为0.6%的AZ91D复合材料腐蚀后 SEM形貌和EDS扫描图
不同Gnps含量的复合材料的曲线相似,曲线中阳极极化端走势更加陡峭,电化学腐蚀过程中主要以阳极溶解为主。添加Gnps的复合材料的自腐蚀电位均发生正偏移,说明添加Gnps后复合材料的腐蚀倾向减弱,其中Gnps含量为0.6%的复合材料的正偏移程度最大,说明腐蚀倾向最弱,即耐腐蚀性能最好。Gnps的添加使得腐蚀电流密度和极化电阻均减小。随着Gnps含量的增加,腐蚀电流密度先减小后增大,极化电阻也是相同的变化趋势,Gnps的添加提高了复合材料的耐腐蚀性能,且在Gnps含量为0.6%时性能最好。

图5Gnps/AZ91D复合材料的动电位极化曲线


图6Gnps/ AZ91D复合材料的阻抗谱
镁合金腐蚀的机理是微电偶腐蚀。


(a) 5 min, (b) 10 min.
图7Gnps含量为0.6% 的AZ91D复合材料在腐蚀不同时间后的SEM图

(a)复合材料, (b) Mg, (c) Al, (d) Zn, (e) O, (f) C
图8Gnps含量为0.3% 的AZ91D复合材料腐蚀5min的SEM形貌和EDS扫描
AZ91D中的第二相为Mg17Al12相,其腐蚀电位为-1.233 V,高于镁基体相,在溶液中易与镁基体形成微电偶,导致微电偶腐蚀的发生。腐蚀裂纹的数量及分布也存在明显差异,Gnps含量为0.6%时点状第二相的数量最少,对应的腐蚀裂纹也最少,顺序从小到大依次为Gnps含量为0.6%,0.3%,0.9%,0这也对应着耐腐蚀性能的大小。这与电化学所得出的结论相一致。

(a) 复合材料, (b) Mg, (c) Al, (d) Zn, (e) O, (f) C
图9Gnps含量为0.3% 的AZ91D复合材料在SBF模拟体液中腐蚀30min后SEM和EDS扫描
Gnps的添加使得试样在固溶处理后未溶入的点状第二相数量明显减少,因此腐蚀性能得到提高。当Gnps含量为0.6%时,Gnps均匀分布与基体内,使未溶入基体的点状第二相明显减少,腐蚀发生的倾向减弱,腐蚀性能提高。




(a)复合材料, (b) Mg, (c) Al, (d) C
图10Gnps含量为0.9% 的AZ91D复合材料SEM形貌和EDS扫描