享受型户型分析
1.入门区
(1)享受型入门区一般考虑在5㎡左右;
(2)一个5 ㎡以上的玄关应依次增加以下功能:装饰(铁艺花架、镜架可充分展示居室的华美);储物(不单是衣物、鞋,就连雨伞、钥匙箱、擦鞋用品都有安放的位置);
(3)当然10㎡以上的玄关也大有“房”在,休息(在豪华玄关里,舒适的座椅或沙发都可能会出现)。
2.会客区
享受型户型的客厅在尺寸上相对享受型和经济型来说,又有所不同,从家具和电视试听功能等方面带来的视觉和听觉上的冲击更为震撼。

(1)U型摆放,沙发尺寸在3800~5000mm,客厅实墙利用在5700mm以上;
(2)开间上净尺寸在4500mm以上,保证电视到沙发之间视距在4200mm以上可享受55寸及以上电视带来视觉感受。
注:
·贵妃+单位+双位+茶几(脚踏)长度3800~5000mm;
·电视柜宽600~2400mm,深400~600mm;
·茶几长1000~1400mm,宽400~800mm,方形边长1000~1400mm。
3.餐厨区
(1)餐厅:16㎡以上
a.圆形餐桌摆放设计
享受型餐厅一般设计供10人以上餐桌,某些户型会有将早餐厅结合厨房设计,根据人的活动空间及餐桌摆放,靠墙利用在4000mm以上,保证通行畅通。

注:
·餐桌1500~1800mm
·座椅宽600mm,深450~600mm;
·人通行宽度大于760mm。
b.方形餐桌摆放设计
·方形餐桌摆放8~10人空间,餐厅尺寸利用一般在3600mm*4800mm以上。
·餐桌长2000~2500mm,宽800~1200mm;座椅宽600mm,深450~600mm。

(2)厨房:8m 2 以上
享受型户型厨房设计,形式多样,一般U、II、半岛型、岛型因其容纳器具,以及动线高效而运用较多。
a.U型厨房系列
U型厨房系列是高效的平面布置,既节省体力又节省时间。提供最大贮存空间和操作台面,适合方行厨房布局,但U型厨房的最小净宽要求2.4m以上,保证U型之间1.2m~1.5m空间,最小净长2.7m以上。
b.半岛型厨房系列
使厨房与餐厅部分自然过渡,伸出的台面可以用作早餐吧台,也可以成为家中主要的活动域之一。
c.岛型厨房系列
岛型平面只使用于大厨房,令“工作三角”更紧凑高效。小岛本身是一个独立操作台,可以用来贮物,安装灶具或水槽。客人可以小岛另一侧与在厨房操作的主人聊天。岛型厨房平面给人一种通透感厨房。
4.家政区
家政区一般设于住宅与公共交通空间交接处的边角部位,独立与主人的生活区域外,是住宅的主体空间完整。主要利用服务阳台设置水池、洗衣机、烘干机、等家务劳动的活动空间,保姆房紧邻家务间,便于服务人员的劳动动线与主人的活动动线交叉与重合,做到互不干扰
(1)享受型户型中一般会有保姆房,面积在5㎡左右,设置单独的卫生间;
(2)保姆房的设计主要考虑800~900mm的单人床;
(3)位置一般靠近厨房、生活阳台

5.享受型卫生间:6㎡以上

享受型户型公共卫生间一般可以考虑在6㎡左右,活动空间较为舒适;双公共卫生间的可以考虑另一个在4㎡左右。
具体尺寸:
·浴缸1200~1500mm
·盥洗槽宽1000~1200mm,深450~600mm;
·座便器宽350~500mm,深600~700mm,预留≥750mm宽度。
6.阳台
生活阳台1500mm以上;一般景观阳台1800mm,有些享受型户型将景观阳台做到2400mm。
7.书房
享受型户型中书房的设计同样可以安装卧室那样设计,面积在9㎡左右较为实用;当然一些户型中也不乏面积在20㎡以上的书房
8.家庭厅
家庭厅一般在面积较大的,或者跃层户型的上层,只供家人交流的空间,公私区域分离明确,增强享受整体空间的仪式感和礼序感,传递高品质的生活方式。其尺寸无须很大,一般在3.6m*3.6m就可以,尺度过大,家庭成员交流不便,亲切感不够的问题
9.次卧区

享受型次卧区较舒适型户型次卧区尺寸较大,部分户型在次卧设置衣帽间和卫生间,作为次主卧。对于享受型次卧,一般在14㎡以上,最低开间尺寸在3.6可保证梳妆台活动空间较为舒适面积允许下,可考虑次主卧,增加卫生间及衣帽间
对于儿童卧室可考虑增加电脑桌,进深在4200mm~4500mm及以上;其余次卧可以考虑12㎡以上。
10.主卧区
享受型卧室则是考虑:卧室空间尺度大;建筑层次的丰富,功能设备的齐全(包括睡眠区、休闲区、主卫区、更衣区)。

·主卧尺寸:进深净尺寸≥4200mm;开间净尺寸≥4200mm;
·进深方向:床2555mm+床头柜1200mm+预留300~600mm=4035~4335mm;
·开间方向:床2650mm+活动空间1000mm+电视柜500mm=4150mm。
a.主卧区(不含衣帽间,主卫):16㎡以上

·双人床:宽1810~2600mm,长2010~2700mm;
·衣橱:深550~600mm;门:宽900mm。
·座椅:宽550~650mm,深450~600m;
·电视柜:宽600~2400mm,深400~600mm;
·圆形茶几:直径500~650mm。
b.衣帽间:4㎡以上
120㎡以上舒适型和享受型户型,一般可设置衣帽间。衣帽间面积:最小在4㎡左右,面积较大户型还可以分别设置男士、女士衣帽间,进深600~800mm。
L型衣帽间:面积在4㎡左右时,净宽最少在1500mm,一般2500m*1500mm适合;
U或者II型衣帽间:面积在6㎡至8㎡左右的规则空间。
c.享受型主卫:6㎡以上
主卧卫生间,可设置双盥洗槽,淋浴区及浴缸,盥洗槽700mm每位。
享受型户型各功能房间指标小结(套内面积):

·享受型户型功能房间建议面积:

舒适型户型分析
舒适型的公共区域功能空间组成同经济型相同,只是在尺寸上有所差别。
1.入门区
(1)玄关的舒适指标:3~5㎡;
(2)三口之家,在玄关设置一个400~600mm宽、1500mm长的衣鞋柜组合,放置平时更换的外衣、鞋已绰绰有余;若五口之家,将柜子长度加到1800mm也足够了。这样,若面积是宽1200mm、长1800mm的话,玄关面积在3~5㎡,已经是舒适好用了
注:鞋柜宽 500~1500mm,深 300mm左右,高 900~1300mm
2.会客区
舒适型客厅的尺度相对经济型来说更为开阔,其尺寸的布局同样要考虑沙发及电视的视距问题。
客厅:20㎡以上
对于舒适型客厅,摆双位沙发+单位沙发+贵妃椅,尺寸在3400~4000mm,客厅实墙在4500mm及以上比较合适;开间:3900mm或者4200mm,视距在3600mm左右,市场液晶普遍尺寸46寸。

从家具角度考虑:
①沙发单人位长度680~900mm,深度850~950mm ;
②双人位长度1300~1600mm,深度800~950mm;
③三人位长度1700~2400mm,深度800~950mm;
④贵妃+单位+双位长度3400mm~4000mm;
⑤电视柜宽600~2400mm,深400~600mm;
⑥茶几长1000~1400mm,宽400~800mm。
3.餐厨区
(1)面积12㎡以上
舒适型户型餐厅考虑6~8人餐桌,使用面积在12㎡以上。

注:6~8人餐桌长1700~2000mm ,宽800~1200mm,人通行宽度在760mm。
(2)面积在6㎡以上
舒适型户型一般设计I型、L型、II型,面积一般在6㎡左右。
其他尺寸:
·冰箱1200mm+洗水槽800mm+烟道及空隙600mm=2600mm;
·水槽800mm+冰箱1200mm+烟道400mm=2400mm;
后期装修布局中,如果放置双开冰箱,相对较为紧凑,无太多空间。
Ⅱ型厨房系列:
有两排对应操作台,令长方形的空间利用的最为充分,中间留一个通道,通常是将灶台和水槽置于一边,容纳的厨房设备更多,厨房的最小净宽要求2.1m以上,最小净长3m以上
4.卫生间
舒适型户型公共卫生间尺寸一般在4㎡左右较为合适。对于三房以上的舒适型户型,双卫中公共卫生间,可以考虑3㎡以上,将主卫面积增大。

5.阳台
舒适型户型景观阳台进深1800mm,生活阳台进深1500mm
6.书房
舒适型及享受户型可考虑将书房按照次卧室尺寸那样设计,使书房达到舒适型,同时方便改为卧室,增加房间使用的灵活性。
(1)对于舒适型将卧室设计为书房,家具摆放等较为自由;
(2)单独的书房设计,面积一般可在7~9㎡
7.次卧区
舒适型次卧功能区域同经济型差不多,只是在尺寸上可以做到更为舒适。次卧尺寸一般12㎡以上。

(1)对于舒适型次卧,可以考虑增加影视区,最低开间净尺寸≥3000mm,在3300mm以上则活动空间更适合;
(2)进深方向,保证各类家具摆放后活动空间,最小进深尺寸在3600mm;
(3)家具:双人床:长2000mm~2020mm,宽1500~1520mm;衣橱:深550~600mm;门:宽900mm;床头柜500~600mm;电视柜:宽600~2400mm,深400~600mm。
(4)其余卧室房间可在10㎡左右,参照经济型主卧尺寸。
8.主卧区
舒适型户型,主卧区除了考虑睡眠区,可增加主卫区及休闲区,部分户型在更衣区设置衣帽间

(1)、主卧:14㎡以上

舒适型卧室可考虑设置梳妆台、休息区,进深增加可考虑在4.2米以上。舒适型卧室还可考虑增加主卫。
①双人床:长2000mm~2020mm,宽1500~1520mm,1800~1820mm;
②衣橱:深550~600mm
③门:宽900mm;
④床头柜500~600mm;
⑤梳妆台:800~1200mm,深400~550mm;
⑥座椅:宽550~650mm,深450~600m;
⑦电视柜:宽600~2400mm,深400~600mm;
⑧圆形茶几:直径500~650mm。
(2)主卫:4㎡以上
舒适型户型在考虑双卫生间时,一般主卫比公共卫生间面积更大主卫考虑放置浴缸,综合卫生间面积可以在7㎡以上,一般较多的舒适型户型,主卫面积在5~6㎡左右,其尺寸相对较为舒适。
舒适型户型各功能房间指标小结(套内面积):

·舒适型户型功能房间建议面积:

经济型户型
1.入门区
(主要指入门玄关即门厅的设计)
玄关原指佛教的入道之门,现在泛指厅堂的外门,也就是居室入口的一个区域 ,避免房间一览无余。
(1)玄关设计的三要素:鞋柜,衣柜,对景墙;
(2)对于小户型,玄关不需要占太大面积,一般宽度在1200mm。放置800~1000mm宽,300mm左右深鞋柜足以。

2.起居室
起居室是家庭群体生活的主要活动空间,包含门厅、客厅、餐厅。现在狭义上一般主要指客厅。
客厅是家庭的中心枢纽,是家人或家人与亲友共享的沟通、交往、休憩、娱乐空间。客厅的尺寸主要是根据沙发、茶几摆放和电视视距的考虑。

(1)经济型户型客厅面积最小在10㎡以上.;
(2)进深方向考虑三人沙发及一组单人沙发,至少大于3000mm;
(3)同时需考虑视觉效果,目前市场电视观看视觉为屏幕对角线3倍,以普通40英寸电视为例,合理视距为3000mm,除去沙发及电视与墙距离,净开间尺寸在3300mm。
·三人沙发长度深度分别为1700~2400mm,800m~900mm;
·双人沙发长度、深度分别1300~1600mm
·单人沙发长度、深度600~900mm, 850~950mm;
·电视柜深度400~600mm,
·常见的茶几长1000m~1400m,宽400~800mm,方形1200~1400mm。
3.餐厨区:即餐厅+厨房
餐厅是日常进食的主要场所,每套户型都应该设置独立的进餐空间。餐厅的设置方式主要有三种:独立餐室、客厅兼餐室、厨房兼餐室。

a.经济型的餐厅使用面积6㎡以上;
b.餐厅的空间尺寸需要考虑座登和人同行的活动空间:人通行宽760mm,人座位占用宽520mm;
c.可靠墙布局,靠墙面最小尺寸3000mm。
注:4~6人餐桌一般长度1000~1400mm,宽度600~1000mm
厨房的设计除考虑人体和家具的尺寸外,还应考虑家具的活动便捷、操作方便。
此外,厨房主要分为操作厨房(K型厨房)、餐室厨房(DK型厨房)、起居餐室厨房(LDK型厨房)3类,厨房布局形式包括I型 、L型、U型、II型、岛型。经济型厨房主要考虑I型、L型厨房,其余占用面积较大时不利于操作台布局。
(1)I型厨房系列
这类两点一线式厨房最适用于狭长的房间。占用面积较小,要想达到理想效果,一面墙不能短于3000mm。I型厨房储存中心的最小净宽要求1500mm以上,最小净长3000mm左右,经济型户型厨房操作台最小尺寸2100mm。
其他:冰箱宽:580~630mm,双开门900mm;
水槽宽:770~820mm;灶台宽:700~750mm
微波炉宽:480~520mm。
(2)L型厨房系列
这类厨房的橱柜沿着两面相邻的墙布置,非常适用而高效,舒适型厨房中较为实用,L型厨房的最小净宽要求1800mm以上,最小净长3000mm以上。
4.卫生间
卫生间作为家庭的洗理中心,是每个人生活中不可缺少的一部分。一个完整的卫生间,应具备入厕、洗漱、沐浴、更衣、化妆,以及洗理用品的贮藏等功能。
(1)座便器所占的面积为370x600mm;悬挂式洗面盆占用的面积为500x700mm,圆柱式洗面盆占用的面积400x600mm;正方形淋浴间的面积为900x900mm。
(2)浴缸
a.浴缸的标准面积为1500~1800×700mm,三角形1200~1500*1200~1500。
b.具体到安装上,浴缸与对面墙之间的距离最好有1000mm,想要在周围活动的话这是个合理的距离。
c.浴缸和其他墙面或物品之间至少要有600mm的距离。
d.安装一个洗面盆,并能方便的使用,需要的空间至少为900×1050mm,这个尺寸适用于中等大小的洗面盆,并能容下一个人在旁边洗漱。
e.那么两个洁具之间应该预留200mm,这个距离包括座便器和洗面盆之间或者洁具和墙壁之间的距离
5.阳台
景观阳台:一般在1.5~1.8m以上,做健身房在1.8m以上
生活阳台:1.3~1.5m,方便设置洗衣区域,摆放洗衣机后0.7~0.8m活动空间
6.书房
书房主要考虑书架、书桌和休闲沙发的摆放,无需摆放大床,设计尺寸并非较为严格。经济型可将赠送房间及较小房间设计为书房,或者与儿童房间结合。
书房:5㎡

经济实用书房主要考虑办公桌及书架设计,另外可增加休闲区域,一般5㎡左右房间即可布局。
从家具考虑:
·电脑桌:长800~1200mm,宽480~620mm
·书架:宽600~2100mm,宽较为灵活,深240~280mm
·双人沙发:宽1200~1700mm,深600~900mm。
7.次卧
经济型次卧主要考虑儿童房间布局、单人或者双人次卧。家具摆放无需较为复杂,根据不同使用功能,合理尺寸不同。
使用功能,合理尺寸不同。

经济型次卧受面积控制,单人次卧可考虑只放置床及衣橱,面积在6~8㎡之间。
单人床:长2000mm~2020mm,宽1200~1220mm;
床头柜:宽450~600mm;
衣橱:深550~600mm;门:宽900mm。
(1)儿童房:7.2㎡
对于经济型次卧儿童房布局,考虑到电脑及书架,衣橱等,在面积受限制下:开间最小净尺寸可≥2400mm;进深方向可≥3000mm。
具体尺寸:
①单人床:长2000mm~2020mm,宽1200~1220mm;
②衣橱:深550~600mm;门:宽900mm;

③书架:深240~280mm;
④电脑桌:宽800~1400mm,深480~620mm;
⑤座椅:宽450~650mm,深450~600mm。
(2)双人次卧:9㎡
双人次卧,增加一定舒适性及实用功能,卧室净开间尺寸≥3000mm,可设置梳妆台;进深方向减少一个床头柜,增加活动空间,进深净尺寸≥3000mm。

具体尺寸:
①双人床:长2000mm~2020mm,宽1500~1520mm;
②衣橱:深550~600mm;
③门:宽900mm;
④梳妆台:800~1200mm,深400~550mm;
⑤座椅:宽550~650mm,深450~600mm;
⑥床头柜500~600mm。
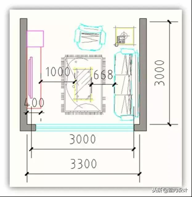
8.主卧
经济型主卧考虑床榻和更衣区,以及影视功能。
(1)主卧:10㎡以上

从家具方面考虑:
①净宽:床长度2000mm+卧室门1000mm,开间≥3000mm;
②进深:床宽1500mm+床头柜1200mm+衣橱600m,尺寸≥3300m
③从影视方面考虑,市场34~37寸液晶电视合理视距在2600mm~2850mm,结合建筑设计《必须遵循建筑模数协调统一标准》以300mm、600mm…作为水平模数,所以要求主卧开间在3000mm以上。
④其他尺寸:双人床:长2000mm~2020mm,宽1500~1520mm;衣橱:深550~600mm;门:宽900mm;床头柜500~600mm;电视柜:宽600~2400mm,深400~600mm。
(2)净进深增加到3900mm以上
可设置梳妆台800~1200mm宽,人的活动空间加大。

从家具方面考虑:
①双人床:长2000mm~2020mm,宽1500~1520mm;
②衣橱:深550~600mm;
③门:宽900mm;
④床头柜500~600mm;
⑤梳妆台:800~1200mm,深400~550mm;
⑥座椅:宽550~650mm,深450~600m;⑦电视柜:宽600~2400mm,深400~600mm。
·经济型户型功能房间建议面积:

如果觉得好一定要收藏转发+++评论转给朋友看,正能量的学习哦。
北京设计师,商家投稿,可关注此账号
近期想装修的朋友们可以单机了解更多提交需求哦