stm32 proteus仿真怎么设置 (stm32电子密码锁原理图)

大学里面这些是老师不会交给你的, STM3 2 的矩阵电子密码锁 Proteu s 仿真

本设计

STM3 2 的矩阵电子密码锁 Proteu s 仿 ( + 仿 + 原理 +PCB + 参考报 )

仿真图 protues 8. 8 及以上版本

程序编译器 keil 5

编程语言 C 语言

C10610_2

主要功能:

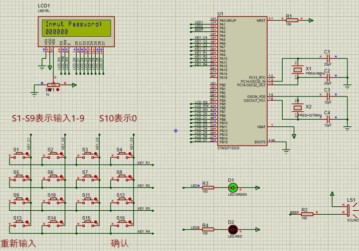
1. 液晶屏幕实时显示矩阵键盘输入的密码;

2. 4x 4 矩阵键盘可输 6 位密码并支持循环覆盖;

3. 有密码输入正确或错误的声光提示;

4. 带重新输入功能。

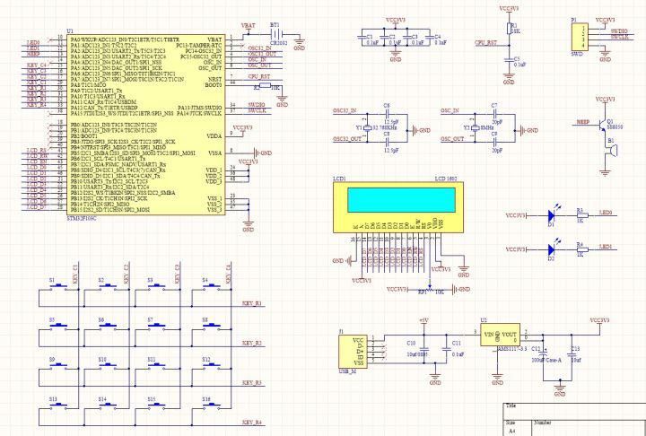
仿真图(提供源文件):

stm32指纹锁仿真图,proteus仿真stm32原理图

stm32指纹锁仿真图,proteus仿真stm32原理图

stm32指纹锁仿真图,proteus仿真stm32原理图

原理图(提供源文件):

stm32指纹锁仿真图,proteus仿真stm32原理图

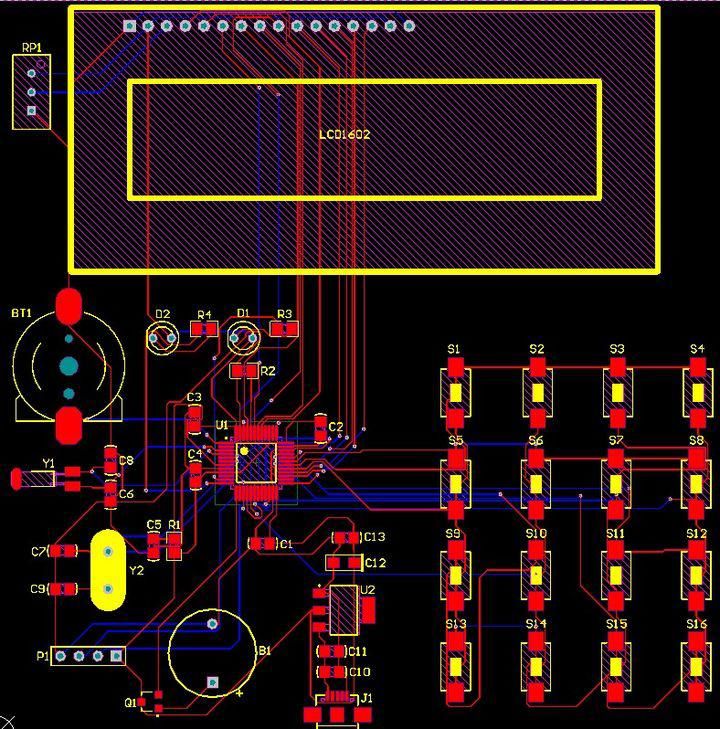
PC B (提供源文件):

stm32指纹锁仿真图,proteus仿真stm32原理图

程序(提供源文件源码):

stm32指纹锁仿真图,proteus仿真stm32原理图

资料清单:

stm32指纹锁仿真图,proteus仿真stm32原理图

温馨提示:

0 、拿到压缩包文件之后先解压,再运行!!压缩名称 的,要 删掉再解压;

1 、单片机芯片是通用的,无 5 1 5 2 、无 st c a t 都一样,引脚功能都是一样的,程序也是一样的;

2 、仿真原理图和硬件原理图会有着些许区别,如果要做硬件请参照硬件原理图,硬件原理图中 . Sch .pc b 等格式要 altium designer 打开;

3 、如果没有 KEI L 软件 .c . h 结尾的文件即为程序,可以选择记事本 Notepad+ + Source Insight 4. 0 、或其 C 语言软件打开,打开的就是程序了。其他后缀的文件是写程序编译时自动生成的,没什么用的,不用管;

4 、仿真时请打 .pdspr j 工程文件 .DS N 工程文件 .pdspr j proteus 8 版本画的 .DS N proteus 7 版本画的,版本是向上兼容的 proteus 8 可以打 .DS N 工程文件 proteus 7 打不 .pdspr j 工程文件;

5 、后 .he x 结尾的文件为烧录文件,仿真时一定要记得烧录程序 .he x )。

6 proteus 8 proteus 7 版本仿真文件的两个方法:

stm32指纹锁仿真图,proteus仿真stm32原理图

7 Unable to open HEX fil e 解决方法及如何生 HE X 文件:

stm32指纹锁仿真图,proteus仿真stm32原理图

注:请大家 kei l 安装在默认路径 C:\Kei l ,不要安装在其他盘上,以免重新配置工具文件路径。

说了这么多,大家记得留意下方评论第一条(或者私信我)有干 ~