555定时器的功能主要由两个比较器决定。两个比较器的输出电压控制RS触发器和放电管的状态。在电源与地之间加上电压,当5脚悬空时,则电压比较器C1的同相输入端的电压为2VCC/3,C2的反相输入端的电压为VCC/3。若触发输入端 TR 的电压小于VCC /3,则比较器 C2 的输出为 0,可使 RS 触发器置 1,使输出端 OUT=1。如果阈值输入端 TH 的电压大于 2VCC/3,同时 TR 端的电压大于VCC /3,则 C1 的输出为 0,C2 的输出为 1,可将 RS 触发器置 0,使输出为低电平。
555引脚

引脚功能

单稳态模式:
在单稳态工作模式下,555定时器作为单次触发脉冲发生器工作。当触发输入电压降至VCC的1/3时开始输出脉冲。输出的脉宽取决于由定时电阻与电容组成的RC网络的时间常数。当电容电压升至VCC的2/3时输出脉冲停止。根据实际需要可通过改变RC网络的时间常数来调节脉宽。
输出脉宽t,即电容电压充至VCC的2/3所需要的时间由下式给出:

虽然一般认为当电容电压充至VCC的2/3时电容通过OC门瞬间放电,但是实际上放电完毕仍需要一段时间,这一段时间被称为“弛豫时间”。在实际应用中,触发源的周期必须要大于弛豫时间与脉宽之和(实际上在工程应用中是远大于)。
双稳态模式:
双稳态工作模式下的555芯片类似基本RS触发器。在这一模式下,触发引脚(引脚2)和复位引脚(引脚4)通过上拉电阻接至高电平,阈值引脚(引脚6)被直接接地,控制引脚(引脚5)通过小电容(0.01到0.1μF)接地,放电引脚(引脚7)浮空。所以当引脚2输入高电压时输出置位,当引脚4接地时输出复位。
无稳态模式:
无稳态工作模式下555定时器可输出连续的特定频率的方波。电阻R1接在VCC与放电引脚(引脚7)之间,另一个电阻(R2)接在引脚7与触发引脚(引脚2)之间,引脚2与阈值引脚(引脚6)短接。工作时电容通过R1与R2充电至2/3VCC,然后输出电压翻转,电容通过R2放电至1/3VCC,之后电容重新充电,输出电压再次翻转。
无稳态模式下555定时器输出波形的频率由R1、R2与C决定:

对于双极型555而言,若使用很小的R1会造成OC门在放电时达到饱和,使输出波形的低电平时间远大于上面计算的结果。
为获得占空比小于50%的矩形波,可以通过给R2并联一个二极管实现。这一二极管在充电时导通,短路R2,使得电源仅通过R1为电容充电;而在放电时截止以达到减小充电时间降低占空比的效果。
2、555定时器产生方波原理电路图解
555定时器产生方波原理(一):占空比可调的方波发生器
CB555定时器的工作原理可列表说明:

空比可调的方波信号发生器电路图

图:利用CB555定时器设计方波电路原理图
占空比可调的方波信号发生器分析如图2所示,电路只要一加上电压VDD,振荡器便起振。刚通电时,由于C上的电压不能突变,即2脚电位的起始电平为低电位,使555置位,3脚呈高电平。C通过AR、D1对其充电,充电时间CRtA7.0充。压充到阈值电平2/3VDD时,555复位,3脚转呈低电平,此时C通过Dl、RB、555内部的放电管放电,放电时间CRtB7.0放。则振荡周期为放充ttT。

555定时器产生方波原理(二):555定时器的方波发生器
这是一个无线电信号线路和电视的最有用的方波发生器项目。方波是最适合用于测试信号的中频(IF)地带,将通过中频变压器没有任何衰减,不管是什么电路的调谐频率。555TImer是配置非稳态运行,这意味着它将触发本身作为一个多谐振荡器自由运行。计时元件电阻R1,R2和电容器(C1-6)在此图中显示的值,产生的六个频率1Hz的,10HZ,100HZ,1KHZ,如果你想产生一个可变频率10kHz到100kHz您可以用一个100K的迷你系列10K电阻微调电位连接,68K电阻。这方波振荡器的电子项目,可提供5至18伏直流输出电压从电源供电,但通常建议使用9伏直流电源。

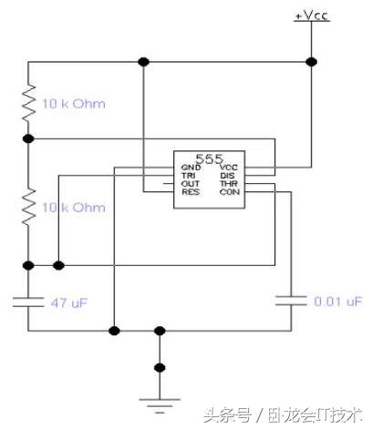
555定时器产生方波原理(三):秒信号的发生电路
秒信号发生电路由集成电路555定时器与RC组成的多谐振荡器构成。需要的芯片有集成电路555定时器,还有电阻和电容。下图为其电路图:

振荡电路是数字钟的核心部分,它的频率和稳定性直接关系到表的精度。因此选择555定时器构成的多谐振荡器,其中电容C1为47微法,C2为0.01微法,两个电阻R1=R2=10K欧姆。此时在电路的输出端就得到了一个周期性的矩形波,其振荡频率为:
f = 1.43 / [ ( R1 + 2R2 ) C ]
由公式代入R1,R2和C的值得,f=1Hz。即其输出频率为1Hz的矩形波信号
555定时器产生方波原理(四):555定时器实现波形发生器
555定时器的功能主要由两个比较器决定。两个比较器的输出电压控制RS触发器和放电管的状态。在电源与地之间加上电压,当5脚悬空时,则电压比较器C1的同相输入端的电压为2VCC/3,C2的反相输入端的电压为VCC/3。若触发输入端TR的电压小于VCC/3,则比较器C2的输出为0,可使RS触发器置1,使输出端OUT=1。如果阈值输入端TH的电压大于2VCC/3,同时TR端的电压大于VCC/3,则C1的输出为0,C2的输出为1,可将RS触发器置0,使输出为低电平。
多谐振荡器原理图

THR和TRI分别为基准电压为2VCC/3和VCC/3的两个比较器,当初始电容C1两端的电压值小于VCC/3时,输出端输出高电平,则在输出端和C1之间产生电位差,于是通过二极管D1给电容充电,在C1两端电压小于2VCC/3时输出端一直输出高电平;当电容两端电压由充电上升到2VCC/3时,555定时器输出端输出低电平,此时电容C1两端的电压高于输出端,于是电容放电,直到电容两端电压降到VCC/3,输出端电压变为高点平。于是产生稳定的方波。其中占空比和方波的频率由两个电位器来调节。充电的时间由电流的大小决定,即有充放电的电路中的电阻大小所决定,故可通过调节充电和放电电路中的电阻的大小来调节方波的占空比和频率。
积分电路
选择了通过运算放大器构成的反相积分器。如图

通过积分电路可将方波滤成三角波。
RC低通滤波

通过对电容C4的充电和放电,可将规则三角波滤成规则的正弦波。
文章来源:https://www.mianbaoban.cn/blog/3881047-405384.html