康佳三合一主板背光维修教程 (康佳led50r5100de怎么换背光灯)

康佳LED液晶彩电采用的是主板+电源+背光灯三合一组合35017677型板,与版本号为35018186、35018669的三合一板基本相同,只是LED驱动电路不同。该板应用于康佳LED47M3500PDE、LED47E350PDE、LED47F3550F、LEDE47M3500PDE等液晶彩电中。

一、实物图解和电路组成

见图1所示:

康佳led50r5100de怎么换背光灯,康佳led50m5580af背光灯更换流程

其中主板部分由主芯片MSD6I981BTC、调谐电路TDA18273、功放电路HSH9010等IC和其它器件组成,对TV、AV、HDMI、VGA、HDTV、USB等各种信号进行放大和处理,形成的图像显示信号送到显示屏,产生的音频信号送到扬声器,同时对整机各个系统和单元电路进行调整和控制;开关电源中的PFC驱动电路采用FAN7930,电源驱动电路采用FAN6755W,输出+24V和VCC12V电压,为主板和背光灯电路供电;LED背光灯升压驱动电路采用AP3041,将+24V电压提升到33V~50V左右,为LED背光灯串正极供电;LED背光灯串负极通过专用调流电路iW7023进行电流调整和控制。

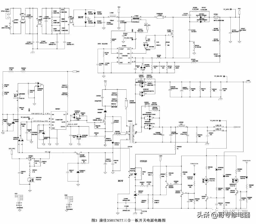
二、电源电路工作原理

康佳35017677三合一板的开关电源电路组成方框图见图2所示,电路图见图3所示,由抗干扰和市电整流滤波电路、PFC功率因数校正电路、开关电源电路三部分组成。

康佳led50r5100de怎么换背光灯,康佳led50m5580af背光灯更换流程

通电后AC220V市电经过抗干扰电路滤除干扰脉冲,全桥整流后,产生100Hz的脉动直流电压,该电压经过PFC电路储能电感和升压二极管在大滤波电容CF917/CF919两端形成+300V的直流电压,为开关电源供电,开关电源启动工作,输出较低的直流电压为主板控制系统供电,整机进入待机状态。遥控开机后,PFC电路启动工作,开关电源输出电压上升到正常值,背光灯电路和主板信号处理电路启动工作,整机进入开机状态。

1、保护电路

⑴市电过压保护电路

该保护电路由驱动电路NW907的1脚内外电路组成。NW907的1脚内设电压检测和保护电路。市电整流滤波后产生的VAC电压经RW901、RW903、RW902、RW904与RW905分压后,送到NW907的1脚。当市电电压过高或过低时,达到保护设计阈值时,NW907保护电路启动,开关电源停止工作。

康佳led50r5100de怎么换背光灯,康佳led50m5580af背光灯更换流程

⑵输出过压保护电路

过压保护电路由稳压管VDW954、VDW959、VW957、光耦NW958为核心组成。当开关电源输出的VCC12V电压达到13V以上时,将击穿13V稳压管VDW954;当+24V电压达到28V以上时,将击穿28V稳压管VDW959。二者迫使VW957导通,光耦NW958导通,其内部光敏三极管导通,从3脚输出高电平,经VDW909向NW907的1脚注入高电平,NW907据此进入保护状态,开关电源停止工作。

2、开关机控制电路

开关机控制电路由两部分路组成:一是由VW953、VW952组成的取样电压控制电路;二是由VW954、光耦NW953、VW901为核心组成的VCC-PFC控制电路。主板电路送来的POWER-ON控制电压对上述两个电路进行控制。

⑴开机状态

开机时,主板电路送来POWER-ON为高电平,一是使VW953导通,c极输出低电平,将VW952的b极电压拉低,VW952截止,对取样电压不产生影响,开关电源正常输出+24V和VCC12V;二是使VW954、光耦NW953、VW901导通,输出VCC-PFC电压,PFC电路启动工作,将开关电源供电提升到380V。

⑵待机状态

待机时,主板电路送来POWER-ON变为低电平,一是使VW953截止,VW952导通,将取样电压提升,开关电源输出电压降低,维持控制系统供电;二是使VW954、光耦NW953、VW901截止,切断VCC-PFC电压,PFC电路停止工作,开关电源供电电压降低到300V。控制电压和低电平PWM亮度调整电压,使背光灯电路停止工作,进入待机状态。

更多资料可关注维修公众号:维修人家