
底板钢筋绑扎施工
1.示意图和现场照片
底板钢筋绑扎示意图和现场照片分别见图5-9和图5-10。

图5-9 底板钢筋绑扎示意图

图5-10 底板钢筋绑扎现场照片
2.注意事项
①成型钢筋应按指定地点堆放,用垫木垫放整齐,防止钢筋变形、锈蚀、油污。
②妥善保护基础四周外露的防水层,以免被钢筋碰破。
③底板上、下层钢筋绑扎时,支撑马凳要绑牢靠,防止操作时被踩变形。
④基础底板在浇筑混凝土前,基础底板的墙、柱插筋应套好塑料管保护或用彩条布条、塑料条包裹严密,防止在浇混凝土时污染墙、柱插筋。
⑤严禁任意隔断钢筋,不能在钢筋上进行电弧点焊。如设备管线安装施工与结构钢筋有影响时,必须征求设计的同意,有正确的处理措施。
3.施工做法详解
施工工艺流程;弹钢筋位置线→绑扎、绑紧设置垫块→水电工种预留施工→设置马凳→插墙、柱预埋钢筋。
(1)弹钢筋位置线
按图纸标明的钢筋间距,算出底板实际需用的钢筋根数,靠近底板模板边的钢筋离模板边为50mm,满足迎水面钢筋保护层厚度不应小于50mm的要求。在垫层上弹出钢筋位置线(包括基础梁钢筋位置线)和插筋位置线。插筋位置线包含剪力墙、框架柱和暗柱等竖向筋插筋位置,谨防遗漏。剪力墙竖向起步筋距柱或暗柱为50mm,中间插筋按设计图纸标明的竖向筋间距分挡,如分到边时不到一个整间距时,可按根数均分,以达到间距偏差不大于10mm的要求。
(2)运钢筋到使用部位
按照钢筋绑扎使用的先后顺序,分段进行钢筋吊运。吊运前,应根据弹线情况算出实际需要的钢筋根数。
(3)绑底板下层及地梁钢筋
①先铺底板下层钢筋,根据设计、规范和下料单要求,决定下层钢筋哪个方向钢筋在下面,一般先铺短向钢筋,再铺长向钢筋(如果底板有集水坑、设备基坑,在铺底板下层钢筋前,先铺集水坑、设备基坑的下层钢筋)。
②根据已弹好的位置线将横向、纵向的钢筋依次摆放到位,钢筋弯钩应垂直向上。平行地梁方向在地梁下一般不设底板钢筋,钢筋端部距导墙的距离应两端一致并符合相关规定,特别是两端设有地梁时,应保证弯钩和地梁纵筋相互错开。
③底板钢筋如有接头时,搭接位置应错开,满足设计要求或在征得设计同意时可不考虑接头位置,按照25%错开接头。当采用焊接或机械连接接头时,应按焊接或机械连接规程规定确定抽取试样的位置。
④钢筋采用直螺纹机械连接时,钢筋应顶紧,连接钢筋处于接头的中间位置,偏差不大于1P(P为螺距),外露螺纹不超过一个完整螺纹。检查合格的接头,用红油漆做上标记,以防遗漏。
⑤进行钢筋绑扎时,如单向板靠近外围两行的相交点应逐点绑扎,中间部分相交点可相隔交错绑扎,双向受力的钢筋必须将钢筋交叉点全部绑扎,如采用一面顺扣应交错变换方向,也可采用八字扣,但必须保证钢筋不产生位移。
(4)地梁绑扎
对于短基础梁、门洞口下地梁,可采用事先预制,施工时吊装就位即可,对于较长、较大基础梁采用现场绑扎。
①绑扎地梁时,应先搭设绑扎基础梁的钢管临时支撑架,临时支架的高度达到能够将主跨基础梁支离基础底板下层钢筋50mm即可,如果两个方向的基础梁同时绑扎,后绑的次跨基础梁的临时支架高度要比先绑基础梁的临时支架高50~100mm(保证后浇的次跨基础梁在绑扎钢筋穿筋时方便为宜)。
②基础梁的绑扎先排放主跨基础梁的上层钢筋,根据设计的基础梁的间距,在基础梁的上层钢筋上用粉笔画出箍筋的间距,按照画出的箍筋间距安装箍筋并绑扎(基础底板门洞口地梁箍筋应满布,洞口处箍筋距离暗柱边50mm)。如果基础梁上层钢筋有两排钢筋,穿上层钢筋的下排钢筋(先不绑扎,等次跨基础梁上层钢筋绑扎完毕再绑扎),下排钢筋的临时支架使得下排钢筋距上排钢筋50~100mm为宜,以便后绑的次跨基础梁穿上层钢筋的下排钢筋。
③穿主跨基础梁的下层钢筋的下排钢筋并绑扎,穿主跨基础梁的下层钢筋的上排钢筋(先不绑扎,等次跨基础梁下层钢筋下排钢筋绑扎完毕再绑扎),下层钢筋的上排钢筋的临时支架使得上排钢筋距下排钢筋50~100mm为宜,以便后绑的次跨基础梁穿下层钢筋的下排钢筋。
④排放次跨基础梁的上层钢筋的上排筋,根据设计的次跨基础梁箍筋的间距,在次跨基础梁的上层钢筋上用粉笔画出箍筋的间距,按照画出的箍筋间距安装箍筋并绑扎。如果基础梁上层钢筋有两排钢筋,穿上层钢筋的下排钢筋并绑扎。
⑤穿次跨基础梁的下层钢筋的下排钢筋并绑扎,穿次跨基础梁的下层钢筋的上排钢筋(先不绑扎,等主跨基础梁的下层钢筋的上排钢筋绑扎完毕后再绑扎)。
⑥将主跨基础梁的临时支架拆除,使得主跨基础梁平稳放置在基础底板的下层钢筋上,并进行适当的固定以保证主跨基础梁不变形,再将次跨基础梁的临时支架拆除,使得次跨基础梁平稳放置在主跨基础梁上,并进行适当的固定以保证次跨基础梁不变形,接着按次序分别绑扎次跨基础梁的上层钢筋的下排筋、主跨基础梁的上层钢筋的下排筋、主跨基础梁的下层钢筋的上排筋、次跨基础梁的下层钢筋的上排筋。
⑦绑扎基础梁钢筋时,梁纵向钢筋超过两排的,纵向钢筋中间要加短钢筋梁垫,保证纵向钢筋间距大于25mm(且大于纵向钢筋直径),基础梁上下纵筋之间要加可靠支撑,保证梁钢筋的截面尺寸;基础梁的箍筋接头位置应按照规范要求相互错开。
(5)设置垫块
检查底板下层钢筋施工合格后,放置底板混凝土保护层用垫块,垫块的厚度等于钢筋保护层厚度,按照1m左右距离梅花形摆放。如基础底板或基础梁用钢量较大,摆放距离可缩小。
(6)水电工序插入
在底板和地梁钢筋绑扎完成后,方可进行水电工序插入。
(7)设置马凳
基础底板采用双层钢筋时,绑完下层钢筋后,摆放钢筋马凳。马凳的摆放按施工方案的规定确定间距。马凳宜支撑在下层钢筋上,并应垂直于底板上层筋的下筋摆放,摆放要稳固。
(8)绑底板上层钢筋
在马凳上摆放纵横两个方向的上层钢筋,上层钢筋的弯钩朝下,进行连接后绑扎。绑扎时上层钢筋和下层钢筋的位置应对正,钢筋的上下次序及绑扣方法同底板下层钢筋。
(9)插墙、柱预埋钢筋
①将墙、柱预埋筋伸入底板内下层钢筋上,拐尺的方向要正确,将插筋的拐尺与下层筋绑扎牢固,便将其上部与底板上层筋或地梁绑扎牢固,必要时可附加钢筋电焊焊牢,并在主筋上绑一道定位筋。插筋上部与定位框固定牢靠。
②墙插筋两边距暗柱50mm,插入基础深度应符合设计和规范锚固长度要求,甩出的长度和甩头错开百分比及错开长度应符合本工程设计和规范的要求。其上端应釆取措施保证甩筋垂直,不歪斜、倾倒、变位。同时要考虑搭接长度、相邻钢筋错开距离。
4.施工总结
①墙、柱预埋钢筋位移:墙、柱主筋的插筋与底板上下筋要加固定框进行固定,绑扎固定,确保位置准确。必要时可附加钢筋电焊焊牢。混凝土浇筑时应有专人检查修整。
②搭接长度不够:绑扎时对每个接头进行尺量,检查搭接长度是否符合本工程的设计要求;浇筑混凝土前应仔细检查绑扣是否牢靠,防止混凝土振捣造成钢筋下沉使上层甩筋长度不够。
③绑扎对焊接头未错开:经闪光对焊加工的钢筋,在现场进行绑扎时,对焊要按接头面积的50%和≥35d错开接头位置。
④所有埋件不得和受力钢筋直接进行电弧点焊。
剪力墙钢筋安装及要求
1.示意图和现场照片
剪力墙钢筋接头示意图和现场照片分别见图5-11和图5-12。

图5-11 剪力墙钢筋接头示意图
注:laE—受拉钢筋抗震锚固长度;d—剪力墙钢筋直径

图5-12 剪力墙钢筋接头现场照片
2.注意事项
①绑扎钢筋时严禁碰撞预埋件,如碰动应按设计位置重新固定牢靠。
②应保证预埋电线管的位置准确,如发生冲突时,可将竖向钢筋沿平面左右弯曲,横向钢筋上下弯曲,绕开预埋管。但一定要保证保护层的厚度,严禁任意切割钢筋。
③大模板板面刷隔离剂时,严禁污染钢筋。
④各工种操作人员不准任意蹬踩钢筋,改动及切割钢筋。
⑤为防止浇筑混凝土时顶部主筋钢筋位移,在墙模板顶端部位设置水平定位筋,并在其上再绑扎不少于两道水平筋。
3.施工做法详解
施工工艺流程:弹线→调整钢筋位置→绑扎钢筋→设置拉钩及垫块→设置拉钩及水平筋→验收检查。
(1)在顶板上弹墙体外皮线和模板控制线
将墙根浮浆清理干净到露出石子,用墨斗在钢筋两侧弹出墙体外皮线和模板控制线。
(2)调整竖向钢筋位置
根据墙体外皮线和墙体保护层厚度检查预埋筋的位置是否正确,竖筋间距是否符合要求,如有位移时,应按1:6的比例将其调整到位。如有位移偏大时,应按技术洽商要求认真处理。
(3)接长竖向钢筋
预埋筋调整合适后,开始接长竖向钢筋。按照既定的连接方法连接竖向筋,当采用绑扎搭接时,搭接段绑扣不少于3个。采用焊接或机械连接时,连接方法详见相关施工工艺标准。
(4)绑竖向梯子筋
①根据预留钢筋上的水平控制线安装预制的竖向梯子筋,应保证方正、水平。一道墙设置2~3个竖向梯子筋为宜。
②梯子筋如代替墙体竖向钢筋,应大于墙体竖向钢筋一个规格,梯子筋中控制墙厚度的横挡钢筋的长度比墙厚小2mm,端头用无齿锯锯平后刷防锈漆,根据不同墙厚画出梯子筋一览表。
(5)绑扎暗柱及门窗过梁钢筋
①暗柱钢筋绑扎:绑扎暗柱钢筋时先在暗柱竖筋上根据箍筋间距划出箍筋位置线,起步筋距地30mm在每一根墙体水平筋下面)。将箍筋从上面套入暗柱,并按位置线顺序进行绑扎,箍筋的弯钩叠合处应相互错开。暗柱钢筋绑扎应方正,箍筋应水平,弯钩平直段应相互平行。
②门窗过梁钢筋绑扎:为保证门窗洞口标高位置正确,在洞口竖筋上划出标高线。门窗洞口要按设计和规范要求绑扎过梁钢筋,锚入墙内长度要符合设计和规范要求,过梁箍筋两端各进入暗柱一个,第一个过梁箍筋距暗柱边50mm,顶层过梁入支座全部锚固长度范围内均要加设箍筋,间距为150mm。
(6)绑墙体水平钢筋
①暗柱和过梁钢筋绑扎完成后,可以进行墙体水平筋绑扎。水平筋应绑在墙体竖向筋外侧,按竖向梯子筋的间距从下到上顺序进行绑扎,水平筋第一根起步筋距地应为50mm。
②绑扎时将水平筋调整水平后,先与竖向梯子筋绑扎牢固,再与竖向立筋绑扎,注意将竖筋调整竖直。墙筋为双向受力钢筋,所有钢筋交叉点应逐点绑扎,绑扣采用顺扣时应交错进行,确保钢筋网绑扎稳固,不发生位移。
③绑扎时水平筋的搭接长度及错开距离要符合设计图纸及施工规范的要求。
④剪力墙的水平钢筋在端部锚固应按设计和规范要求施工,做成暗柱或加U形钢筋。
⑤剪力墙的水平钢筋在“丁”字节点及转角节点的绑扎锚固。
⑥剪力墙钢筋与外墙连接:先绑外墙,绑内墙钢筋时,先将外墙预留ф6拉结筋并理顺,然后再与内墙钢筋搭接绑牢,内墙水平筋间距及锚固按专项工程图纸施工。
(7)设置拉钩和垫块
①拉钩设置:双排钢筋在水平筋绑扎完成后,应按设计要求间距设置拉钩,以固定双排钢筋骨架间距。拉钩应呈梅花形设置,应卡在钢筋的十字交叉点上。注意用扳手将拉钩弯钩角度调整到135°,并应注意拉钩设置后不应改变钢筋排距。
②设置垫块:在墙体水平筋外侧应绑上带有钢丝的砂浆或塑料卡,以保证保护层的厚度,垫块间距1m左右,梅花形布置。注意钢筋保护层垫块不要绑在钢筋十字交叉点上。
(8)设置墙体钢筋上口水平筋梯子筋
对绑扎完成后的钢筋板墙进行调整,并在上口距混凝土面150mm处设置水平梯子筋,以控制竖向筋的位置和固定伸出筋的间距,水平梯子筋应与竖筋固定牢靠。同时在模板上口加扁铁与水平梯子筋一起控制墙体竖向钢筋的位置。
(9)墙体钢筋验收
对墙体钢筋进行自检。对不到位处进行修整,并将墙脚内杂物清理干净,报请工长和质检员验收。
4.施工总结
①水平筋位置、间距不符合要求:墙体绑扎钢筋时应搭设工具式高凳或简易脚手架,以免水平筋发生位移。
②下层伸出的墙体钢筋和竖直钢筋绑扎不符合要求:绑扎时应先将下层墙体伸出的钢筋调直理顺,然后再绑扎或焊接。如果下层伸出的钢筋位移大时,应征得设计同意,并按1:6进行调整。
③门窗洞口加强筋位置尺寸不符合要求:认真学习图纸,在拐角、十字节点、墙端、连梁等部位钢筋的锚固应符合设计和规范要求。
④箍筋的抗震加密、接头加密。
现浇框架结构钢筋绑扎施工
1.示意图和现场照片
框架结构中间层节点示意图和框架结构钢筋绑扎现场照片分别见图5-13和图5-14。

图5-13 框架结构中间层节点示意图

图5-14 框架结构钢筋绑扎现场照片
2.注意事项
①柱子钢筋绑扎后,不准踩踏。
②楼板的弯起钢筋、负弯矩钢筋绑扎好后,不准在上面踩踏行走。浇筑混凝土时派钢筋工专门负责修理,保证负弯矩位置的正确性。
③绑扎钢筋时禁止碰动预埋件及洞口模板。
④钢模板内面涂隔离剂时不要污染钢筋。
⑤安装电线管、暖卫管线或其他设施时,不得任意在主筋上引弧或焊接,不得切断和移动钢筋。
3.施工做法详解
施工工艺流程:柱钢筋绑扎→梁钢筋绑扎→板钢筋绑扎→楼梯钢筋绑扎。
(1)柱钢筋绑扎
①弹柱位置线、模板控制线。
②清理柱筋污渍、柱根浮浆。
③根据柱皮位置线向柱内偏移5mm弹出控制线,将控制线内的柱根混凝土浮浆用剁斧清理到全部露出石子,用水冲洗干净,但不得留有明水。
④修整底层伸出的柱预留钢筋。根据柱外皮位置线和柱竖筋保护层厚度大小,检查柱预留钢筋位置是否符合设计要求及施工规范的规定,如柱筋位移过大,应按1:6的比例将其调整到位。
⑤在预留钢筋上套柱子箍筋。按图纸要求间距及柱箍筋加密区情况,计算好每根柱箍筋数量,先将箍筋套在下层伸出的搭接筋上。
⑥绑扎(焊接或机械连接)柱子竖向钢筋、连接柱子竖向钢筋时,相邻钢筋的接头应相互错开,错开距离符合有关施工规范、图集及图纸要求,并且接头距柱根起始面的距离要符合施工方案的要求。
⑦采用绑扎形式立柱子钢筋,在搭接长度内,绑扣不少于3个,绑扣要向柱中心,如果柱子主筋采用光圆钢筋搭接时,角部弯钩应与模板成45°,中间钢筋的弯钩应与模板成90°角。
⑧标识箍筋间距线。在立好的柱子竖向钢筋上,按图纸要求用粉笔画出箍筋间距线(或使用皮数杆控制箍筋间距)。柱上下两端及柱筋搭接区箍筋应加密,加密区长度及加密区箍筋间距应符合设计图纸和规范要求。
⑨在柱顶绑定距框。为控制柱子竖向主筋的位置,一般在柱子预留筋的上口设置一个定距框,定距框距混凝土面上150mm设置,定距框用ф14以上的钢筋焊制,可做成“井”字形,卡口的尺寸大于柱子竖向主筋直径2mm即可。
⑩保护层垫块设置。钢筋保护层厚度应符合设计要求,垫块应绑扎在柱筋外皮上,间距一般为1000mm(或用塑料卡卡在外竖筋上),以保证主筋保护层厚度准确。
(2)梁钢筋绑扎
①画主次梁箍筋间距。框架梁底模支设完成后,在梁底模板上按箍筋间距画出位置线,箍筋起始筋距柱边为50mm,梁两端应按设计、规范的要求进行加密。
②放主次梁箍筋。根据箍筋位置线,算出每道梁箍筋数量,将箍筋放在底模上。
③穿主梁底层纵筋及弯起筋。先穿主梁的下部纵向受力钢筋及弯起钢筋,梁筋应放在柱竖筋内侧,底层纵筋弯钩应朝上,端头距柱边的距离应符合设计及有关图集、规范的要求;梁下部纵向钢筋伸入中间节点锚固长度及伸过中心线的长度要符合设计、规范及施工方案要求。框架梁纵向钢筋在端节点内的锚固长度也要符合设计、规范及施工方案要求。
④穿次梁底层纵筋。在主、次梁所有接头末端与钢筋弯折处的距离,不得小于钢筋直径的10倍。接头不宜位于构件最大弯矩处。受拉区域内HPB300级钢筋绑扎接头的末端应做弯钩;螺纹钢筋可不做弯钩。搭接处应在中心和两端扎牢。接头位置应相互错开,当采用绑扎搭接接头时,同一连接区段内,纵向钢筋搭接接头面积百分率不大于25%。
⑤穿主梁上层纵筋及架立筋。底层纵筋放置完成后,按顺序穿上层纵筋和架立筋,上层纵筋弯钩应朝下,一般应在下层筋弯钩的外侧,端头距柱边的距离应符合设计图纸的要求。框架梁上部纵向钢筋应贯穿中间节点,支座负筋的根数及长度应符合设计、规范的要求。框架梁纵向钢筋在端节点内的错固长度也要符合设计、规范及施工方案要求。
⑥绑主梁箍筋。主梁纵筋穿好后,将箍筋按已画好的间距逐个分开,隔一定间距将架立筋与箍筋绑扎牢固。调整好箍筋位置,应与梁保持垂直,绑架立筋,再绑主筋。箍筋在叠合处的弯钩,在梁中应交错绑扎,箍筋弯钩为135°,平直部分长度为10d(d为箍筋直径),如做成封闭箍时,单面焊缝长度为10d(d为箍筋直径)。
⑦穿次梁上层纵向钢筋。按相同的方法穿次梁上层纵向钢筋,次梁的上层纵筋一般在主梁上层纵筋上面。当次梁钢筋锚固在主梁内时,应注意主筋的锚固位置和长度符合要求。
⑧拉筋设置。当设计要求梁设有拉筋时,拉筋应钩住箍筋与腰筋的交叉点。
⑨保护层垫块设置。框架梁绑扎完成后,在梁底放置砂浆垫块(也可采用塑料卡),垫块应设在箍筋下面,间距一般为1m左右。
(3)板钢筋绑扎
①模板上弹线。清理模板上面的杂物,按板筋的间距用墨线在模板上弹出下层筋的位置线。板筋起始筋距梁边为50mm。
②绑板下层钢筋。按弹好的钢筋位置线,按顺序摆放纵横向钢筋。板下层钢筋的弯钩应竖直向上,下层筋应伸入到梁内,其长度应符合设计的要求。
③水电工序插入。预埋件、电气管线、水暖设备预留孔洞等及时配合安装。
④绑板上层钢筋。按上层筋的间距摆放好钢筋,上层筋通常为支座负弯矩钢筋,应横跨梁上部,并与梁筋绑扎牢固;上层筋的直钩应垂直朝下,不能直接落在模板上;上层筋为负弯矩钢筋,每个相交点均要绑扎,绑扎方法同下层筋。
⑤设置马凳及保护层垫块。如板为双层钢筋,两层筋之间必须加钢筋马凳,以确保上部钢筋的位置。钢筋马凳应设在下层筋上,并与上层筋绑扎牢靠,间距800mm左右,呈梅花形布置。在钢筋的下面垫好砂浆垫块(或塑料卡),间距1000mm,梅花形布置。垫块厚度等于保护层厚度,应满足设计要求。
(4)楼梯钢筋绑扎
①绑扎楼梯梁。对于梁式楼梯,先绑扎楼梯梁,再绑扎楼梯踏步板钢筋,最后绑扎楼梯平台板钢筋。钢筋绑扎要注意楼梯踏步板和楼梯平台板负弯矩筋的位置。楼梯梁的绑扎同框架梁的绑扎方法。
②画钢筋位置线。根据下层筋间距,在楼梯底板上画出主筋和分布筋的位置线。
③绑下层筋。板筋要锚固到梁内。板筋每个交点均应绑扎。绑扎方法同板钢筋绑扎。
④绑上层筋。绑扎方法同板钢筋绑扎。
⑤设置马凳及保护层垫块。上下层钢筋之间要设置马凳以保证上层钢筋的位置。板底应设置保护层垫块以保证下层钢筋的位置。
4.施工总结
①浇筑混凝土前检查钢筋位置是否正确,振捣混凝土时防止碰动钢筋,浇完混凝土后立即修整甩筋的位置,防止柱筋、墙筋位移。
②梁钢筋骨架尺寸小于设计尺寸:配制箍筋时应按内皮尺寸计算。
③梁柱端、柱核心区箍筋应加密,应熟悉图纸按要求施工。
④箍筋末端应弯成135°,平直部分长度为10d(d为箍筋直径)。
⑤梁柱主筋进入支座长度要符合设计和规范要求,弯起钢筋位置应准确。
⑥板的弯起钢筋和负弯矩钢筋位置应准确,施工时不应踩到下面。
⑦绑板的钢筋时用尺杆划线,绑扎时随时找正调直,防止板筋不顺直。
⑧绑纵向受力筋时要吊正,搭接部位绑3个扣,绑扣不能用同一方向的顺扣。层高超过4m时,搭专用架子进行绑扎,并采取措施固定钢筋,防止柱、墙钢筋骨架不垂直。
⑨在钢筋配料加工时要注意,端头有对焊接头时,要避开搭接范围,防止绑扎接头内混入对焊接头。
钢筋电渣压力焊连接施工
1.示意图和现场照片
电渣压力焊接头示意图和现场照片分别见图5-15和图5-16。

图5-15 电渣压力焊接头示意图
注:1—钢筋;2—压力焊接头3—焊剂;3—焊剂盒

图5-16 电渣压力焊接头现场照片
2.注意事项
接头焊毕应停歇20~30s后才能卸下夹具,以免接头弯折或发生冷脆变化。
3.施工做法详解
施工工艺流程:检查设备→钢筋端头制备→选择焊接参数→安装焊接夹具和钢筋→试焊、做试件→施焊→质量检查。
(1)检查设备、电源
全面彻底地检查设备、电源,确保始终处于正常状态,严禁超负荷工作。
(2)钢筋端头制备
钢筋安装之前,应将钢筋焊接部位和电极钳口接触(150mm区段内)位置的锈斑、油污、杂物等清除干净,钢筋端部若有弯折、扭曲,应予以矫直或切除,但不得用锤击矫直。
(3)选择焊接参数
钢筋电渣压力焊的焊接参数主要包括:焊接电流、焊接电压和焊接通电时间,当采用HJ431焊剂时应符合表5-1的要求。不同直径钢筋焊接时,按较小直径钢筋选择参数,焊接通电时间延长约10%。
表5-1 钢筋电渣压力焊的焊接参数

(4)安装焊接夹具和钢筋
①夹具的下钳口应夹紧于下钢筋端部的适当位置,一般为1/2焊剂罐高度偏下5~10mm,以确保焊接处的焊剂有足够的淹埋深度。
②上钢筋放入夹具钳口后,调准动夹头的起始点,使上下钢筋的焊接部位位于同轴状态,方可夹紧钢筋。
③钢筋一经夹紧,严防晃动,以免上下钢筋错位和夹具变形。
(5)安放引弧用的钢丝圈(也可省去)
安放焊剂罐、填装焊剂。
(6)试焊、做试件、确定焊接参数
①在正式进行钢筋电渣压力焊之前,参与施焊的焊工必须进行现场条件下的焊接工艺试验,以便确定合理的焊接参数。
②试验合格后,方可正式生产。
③当采用半自动、自动控制焊接设备时,应按照确定的参数设定好设备的各项控制数据,以确保焊接接头质量可靠。
(7)施焊
①闭合电路、引弧:通过操作杆或操纵盒上的开关,先后接通焊机的焊接电流回路和电源的输入回路,在钢筋端面之间引燃电弧,开始焊接。
②电弧过程:引燃电弧后,应控制电压值。借助操纵杆使上下钢筋端面之间保持一定的间距,进行电弧过程的延时,使焊剂不断熔化而形成必要深度的渣池。
③电渣过程:随后逐渐下送钢筋,使上钢筋端部插入渣池,电弧熄灭,进入电渣过程的延时,使钢筋全断面加速熔化。
④挤压断电:电渣过程结束,迅速下送上钢筋,使其断面与下钢筋端面相互接触,趁热排出熔渣和熔化金属,同时切断焊接电源。
(8)回收焊剂及卸下夹具
接头焊毕,应停歇20~30s(在寒冷地区施焊时,停歇时间应适当延长)后,才可回收焊剂和卸下焊接夹具。
(9)质量检查
在钢筋电渣压力焊的焊接生产中,焊工应认真进行自检,若发现偏心、弯折、烧伤、焊包不饱满等焊接缺陷,应切除接头重焊,并査找原因,及时消除。切除接头时,应切除热影响区的钢筋,即离焊缝中心约为1.1倍钢筋直径的长度范围内部分应切除。
4.施工总结
①在钢筋电渣压力焊生产中,应重视焊接全过程中的任何一个环节。接头部位应清理干净;钢筋安装应上下同轴;夹具紧固,严防晃动;引弧过程,力求可靠;电弧过程,延时充分;电渣过程,短而稳定;挤压过程,压力适当。
②电渣压力焊可在负温条件下进行,但当环境温度低于-20℃时,则不宜施焊;雨天、雪天不宜进行施焊。必须施焊时,应采取有效的遮蔽措施。焊后未冷却的接头,应避免碰到冰雪。
钢筋直螺纹连接施工
1.示意图和现场照片
钢筋直螺纹连接示意图和现场照片分别见图5-17和图5-18。

图5-17 钢筋直螺纹连接示意图

图5-18 钢筋直螺纹连接现场照片
2.注意事项
①锁母与套筒在运输和储存时应防止锈蚀和污染,套筒应有保护盖,盖上应标明套筒的规格。现场分批验收,并按不同规格分别堆放。
②对加工好的丝头,应用专用的保护帽或连接套筒将钢筋丝头进行保护,防止螺纹被磕碰或被污染。
③钢筋应按规格分别堆放,底部用木方垫好,在雨季要采取防锈措施。
④施工作业时,要搭设临时架子,不得随意蹬踩接头或连接钢筋。
3.施工做法详解
施工工艺流程:钢筋下料→冷镦扩粗→切削螺纹→钢筋接头工艺检验→连接施工→质量检查。
(1)钢筋下料
钢筋下料时,应采用砂轮切割机,切口的端面应与轴线垂直,不得有马蹄形或挠曲。
(2)冷镦扩粗
钢筋下料后在钢筋镦粗机上将钢筋镦粗,按不同规格检验冷镦后的尺寸。
(3)切削螺纹
钢筋冷镦后,在钢筋套丝机上切削加工螺纹。钢筋端头螺纹规格应与连接套筒的型号匹配。
(4)丝头检查带塑料保护帽
钢筋螺纹加工后,随即用配置的量规逐根检测,合格后,再由专职质检员按一个工作班10%的比例抽样校验。如发现有不合格螺纹,应全部逐个检查,并切除所有不合格的螺纹,重新镦粗和加工螺纹。对检验合格的丝头加塑料帽进行保护。
(5)运送至现场
运送过程中注意丝头的保护,虽然已经戴上塑料帽,但由于塑料帽的保护有限,所以仍要注意丝头的保护,不得与其他物体发生撞击,造成丝头的损伤。
(6)钢筋接头工艺检验
钢筋连接工程开始前及施工过程中,应对每批进场钢筋进行接头工艺检验,工艺检验应符合下列要求:
①每种规格钢筋的接头试件不应少于3根;
②对接头试件的钢筋母材应进行抗拉强度试验;
③3根接头试件的抗拉强度均应满足现行国家标准《钢筋机械连接通用技术规程》(JGJ 107)的规定。
(7)连接施工
①钢筋连接时连接套规格与钢筋规格必须一致,连接之前应检查钢筋螺纹及连接套螺纹是否完好无损,钢筋螺纹丝头上如发现杂物或锈蚀,可用钢丝刷清除。
②对于标准型和异型接头连接:首先用工作扳手将连接套与一端的钢筋拧到位,然后再将另一端的钢筋拧到位。
③活连接型接头连接:先对两端钢筋向连接套方向加力,使连接套与两端钢筋丝头挂上扣,然后用工作扳手旋转连接套,并拧紧到位。在水平钢筋连接时,一定要将钢筋托平对正后,再用工作扳手拧紧。
④被连接的两钢筋端面应处于连接套的中间位置,偏差不大于一个螺距,并用工作扳手拧紧,使两钢筋端面顶紧。
⑤每连接完1个接头必须立即用油漆作上标记,防止漏拧。
(8)质量检查
①外观质量检查:在钢筋连接生产中,操作人员应对头数的10%进行外观质量检查。应满足钢筋与连接套的规格一致,外露螺纹不得超过1个完整扣,并填写检查记录。如发现外露螺纹超过1个完整扣,应重拧并查找原因及时消除,并用工作扳手抽检接头的拧紧程度。若有不合格品,应全数进行检查。
②单向拉伸试验。接头的现场检验应按批进行。同一施工条件下采用同一批材料的同等级、同型式、同规格接头,以500个为一个验收批进行检验和验收,不足500个也作为一批;对接头的每一验收批,必须在工程中随机截取3个试件做拉伸试验;当3个试件单向拉伸试验结果均符合国家现行标准《钢筋机械连接通用技术规程》(JGJ 107)的规定时,该验收批评为合格。
4.施工总结
①钢筋在套丝前,必须对钢筋规格及外观质量进行检查。如发现钢筋端头弯曲,必须先进行调直处理。
②钢筋套丝前,应根据钢筋直径先调整好套丝*定位机**尺寸的位置,并按照钢筋规格配以相对应的滚丝轮。
③钢筋镦粗时要保证镦粗头与钢筋轴线不得大于4°的倾斜,不得出现与钢筋轴线相垂直的横向表面裂缝。发现外观质量不符合要求时,应及时割除,重新镦粗。
④现场截取抽样试件后,原接头位置的钢筋允许采用同等规格的钢筋进行搭接连接,或采用焊接及机械连接方法补接。
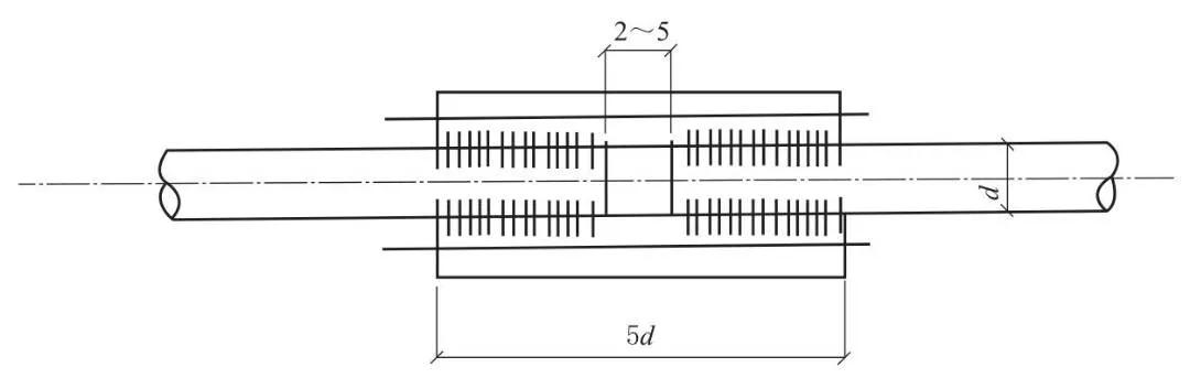
六、钢筋电弧焊连接施工
1.示意图和现场照片
焊缝尺寸示意图和电弧焊现场照片分别见图5-19和图5-20。

图5-19 焊缝尺寸示意图

图5-20 电弧焊现场照片
2.注意事项
注意对已绑扎好的钢筋骨架的保护,不乱踩乱拆,不粘油污,在施工中拆乱的骨架要认真修复,保证钢筋骨架中各种钢筋位置正确。
3.施工做法详解
施工工艺流程:检查设备→选择焊接参数→试焊、做试件→施焊。
(1)检查设备
检查电源、焊机及工具。焊接地线应与钢筋接触良好,防止因起弧而烧伤钢筋。
(2)选择焊接参数
根据钢筋级别、直径、接头形式和焊接位置,选择适宜的焊条直径、焊接层数和焊接电流,保证焊缝与钢筋熔合良好。
(3)试焊、做模拟试件(送试/确定焊接参数)
在每批钢筋正式焊接前,应焊接3个模拟试件做拉力试验,经试验合格后,方可按确定的焊接参数成批生产。
(4)施焊
①引弧:带有垫板或帮条的接头,引弧应在钢板或帮条上进行。无钢筋垫板或无帮条的接头,引弧应在形成焊缝的部位,防止烧伤主筋。
②定位:焊接时应先焊定位点再施焊。
③运条:运条时的直线前进、横向摆动和送进焊条三个动作要协调平稳。
④收弧:收弧时,应将熔池填满,拉灭电弧时,应将熔池填满,注意不要在工作表面造成电弧擦伤。
⑤多层焊:如钢筋直径较大,需要进行多层施焊时,应分层间断施焊,每焊一层后,应清渣再焊接下一层,应保证焊缝的高度和长度。
⑥熔合:焊接过程中应有足够的熔深。主焊缝与定位焊缝应结合良好,避免气孔、夹渣和烧伤缺陷,并防止产生裂缝。
⑦平焊:平焊时要注意熔渣和铁水混合不清的现象,防止熔渣流到铁水前面。熔池也应控制成椭圆形,一般采用右焊法,焊条与工作表面成70°。
⑧立焊:立焊时,铁水与熔液易分离。要防止熔池温度过高,铁水下坠形成焊瘤,操作时焊条与垂直面形成60°~80°角使电弧略向上,吹向熔池中心。焊第一道时,应压住电弧向上运条,同时作较小的横向摆动,其余各层用半圆形横向摆动加挑弧法向上焊接。
⑨横焊:焊条倾斜70°~80°,防止铁水受自重作用坠到下坡口上。运条到上坡口处不作运弧停顿,迅速带到下坡口根部,作微小横拉稳弧动作,依次匀速进行焊接。
⑩仰焊:仰焊时宜用小电流短弧焊接,熔池宜薄,且应确保与母材熔合良好。第一层焊缝用短电弧作前后推拉动作,焊条与焊接方向成80°~90°。其余各层焊条横摆,并在坡口侧略停顿稳弧,保证两侧熔合。
[插图]钢筋与钢板搭接焊:钢筋与钢板搭接焊时,HPB300级钢筋的搭接长度l不得小于4倍钢筋直径。HRB335和HRB400钢筋的搭接长度l不得小于5倍钢筋直径,焊缝宽度b不得小于钢筋直径的0.6倍,焊缝厚度S不得小于钢筋直径的0.35倍。
[插图]在装配式框架结构的安装中,钢筋焊接应符合下列要求:两钢筋轴线偏移较大时,宜采用冷弯矫正,但不得用锤敲击。如冷弯矫正有困难,可采用氧气乙炔焰加热后矫正,加热温度不得超过85℃,避免烧伤钢筋。
[插图]钢筋低温焊接:在环境温度低于-5℃的条件下进行焊接时,为钢筋低温焊接。低温焊接时,除遵守常温焊接的有关规定外,应调整焊接工艺参数,使焊缝和热影响区缓慢冷却。当环境温度低于-20℃时,不宜施焊。风力超过4级时,焊接应有挡风措施。焊后未冷却的接头应避免碰到冰雪。
4.施工总结
①检查帮条尺寸、坡口角度、钢筋端头间隙、钢筋轴线偏移,以及钢材表面质量情况,不符合要求时不得焊接。
②搭接线应与钢筋接触良好,不得随意乱搭,防止打弧。
③带有钢板或帮条的接头,引弧应在钢板或帮条上进行。无钢板或无帮条的接头,引弧应在形成焊缝部位,不得随意引弧,防止烧伤主筋。
④根据钢筋级别、直径、接头形式和焊接位置,选择适宜的焊条直径和焊接电流,保证焊缝与钢筋熔合良好。
⑤焊接过程中及时清渣,焊缝表面光滑平整,焊缝美观,加强焊缝应平缓过渡,弧坑应填满。