行政工作很重要,它既是企业管理的基础性工作,又是企业运转必不可少的服务保障环节。在许多企业里,行政部门包括了公文、固定资产、车辆、前台等工作内容。这些工作基础复杂且繁琐,有许多重复性的、枯燥乏味的工作内容,许多人干的时间久了,难免粗心大意,工作就出了纰漏。
如何保证行政工作及时有序不出错呢?工作表格就是最好的助手之一。每一位行政工作者新入职时都不免画几个表格开展工作,日积月累几年下来,手上的表格也能堆成一座小山。那么,我们常说的固定资产、车辆、考勤等工作,都需要哪些表格支撑呢?
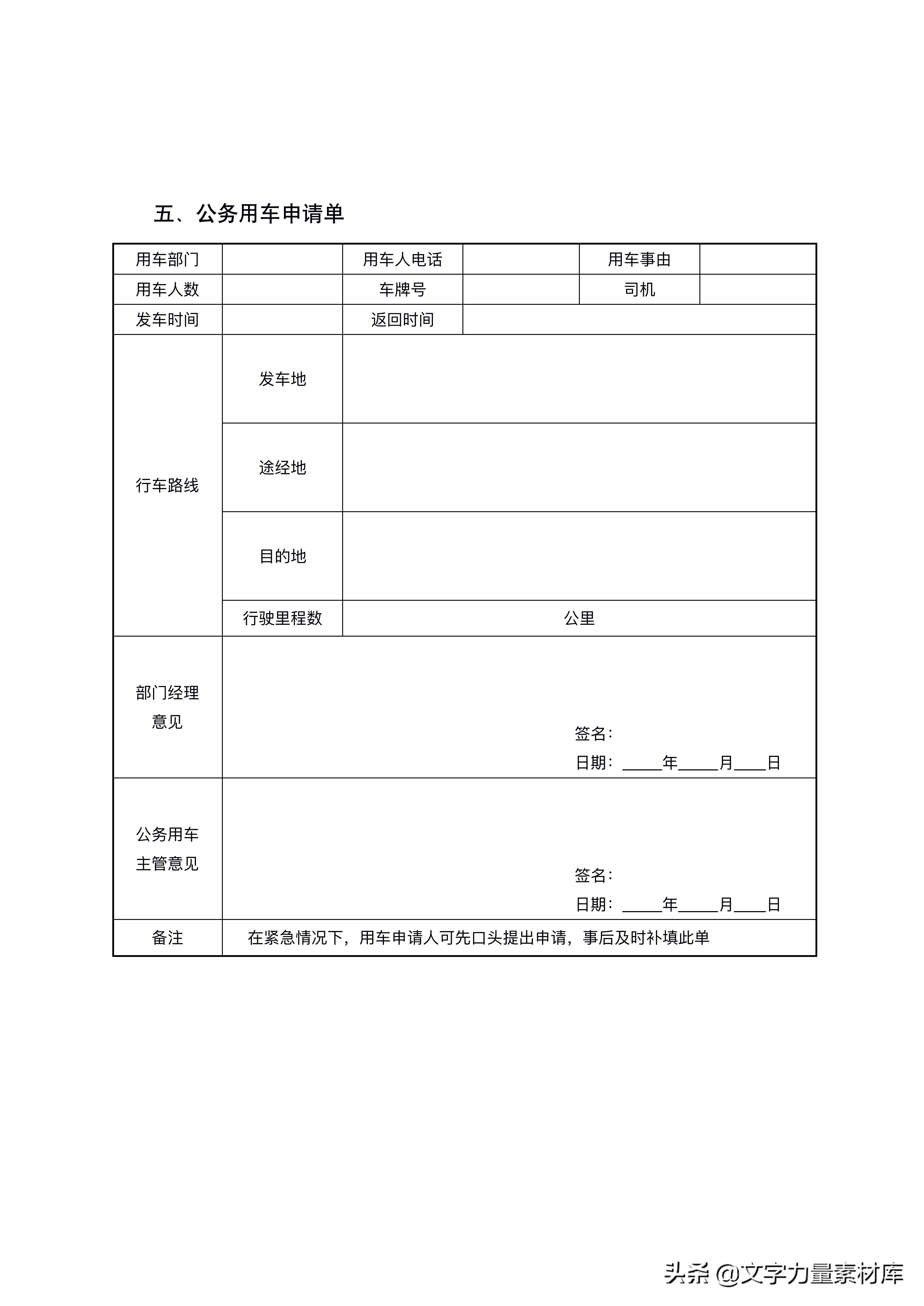
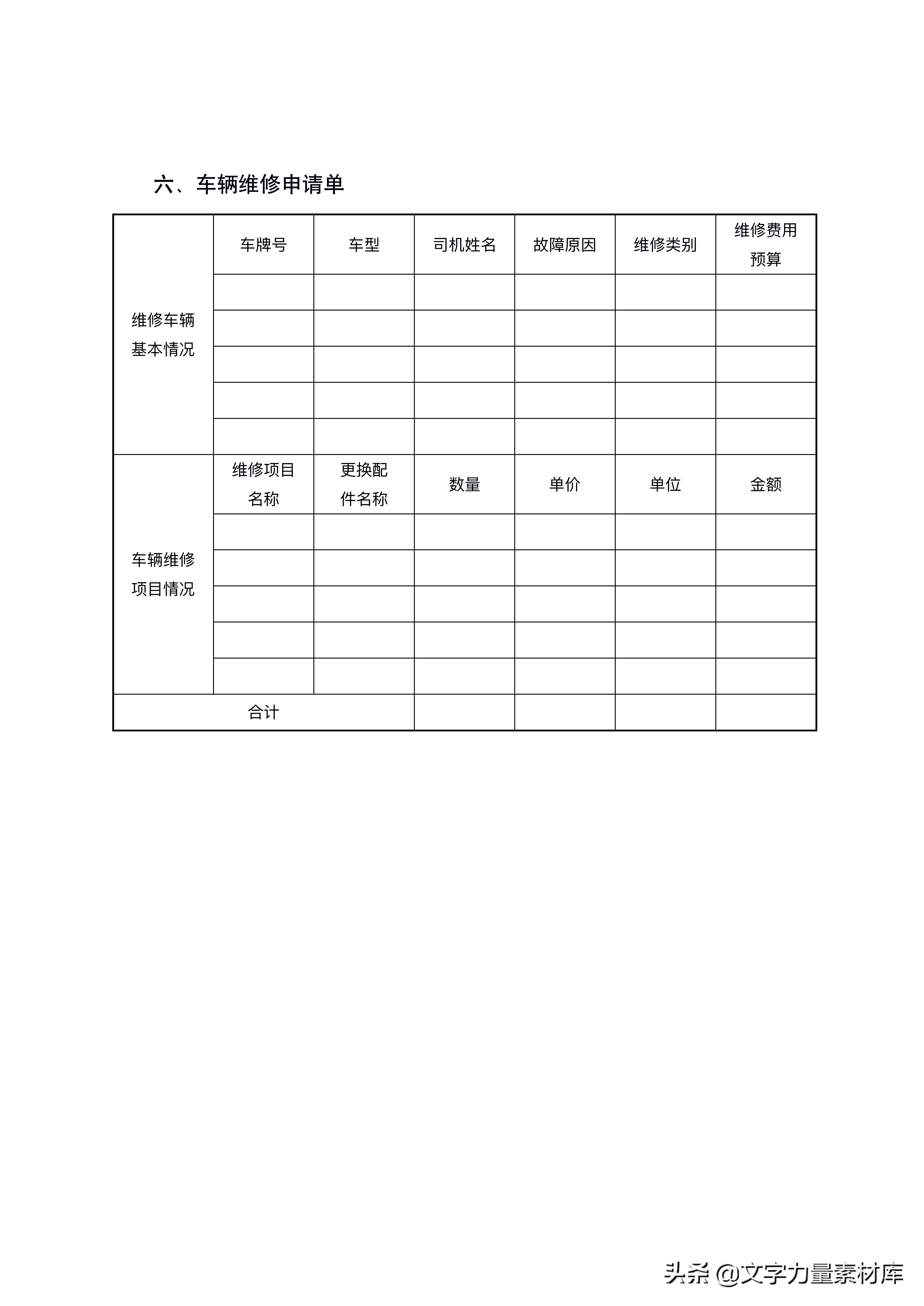
今天我就给大家带来五张标准表格范本,分别是:《员工考勤登记表》《年度考勤汇总表》《员工出差申请表》《物品登记表》《公务用车申请单》《车辆维修申请单》,供大家参考使用。也欢迎大家关注交流、私信我。





