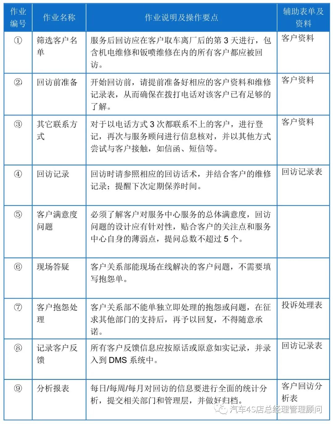
概述
维修/保养等服务完毕,客户提车后的3天内,4S店客户关系部人员应主动联系客户,运用有针对性的话术,了解该客户对4S店所提供的服务、包括整个服务经历是否满意,了解客户的意见或建议。同时,4S店须对回访结果的价值进行充分挖掘。
目的
通过对客户定期回访,来查找我们工作中的失误和问题产生的原因,减少或消除客户的误解、抱怨并使客户感觉到被关心和尊重,从而与客户建立更牢固的合作关系,以增加客户对XX汽车品牌品牌的忠诚度。
l 让客户感受到我们的持续关注与重视。
l 客户反馈的意见和建议,是促进我们持续改善的宝贵财富。
客户期望
l 4S店能够长期与我保持良好的联系,了解我的需求和车辆使用情况,随时解决我对车辆养护、维修方面的疑惑和需要。
l 用我喜欢的习惯,及时回访我对于这次服务经历的看法,征求我的改进意见。
维修回访流程图:

维修回访流程图解

流程操作说明:
1、客户回访专员:
l 专业的电话语术和沟通技巧。
l 齐全的客户档案,专业的回访问卷。
l 安静的电话回访环境,仔细听取客户建议。
l 对所有的客户进行回访,全面、客观地记录客户的谈话。
l 通过定期(3天回访、7天跟踪)回访的结果进行统计分析,完成《客户回访分析表》
2、服务经理:
l 监督回访中发现的客户抱怨,进行分类,交由有关人员制定处理措施并督促执行。
l 根据回访结果完成回访分析报告,并向总监或总经理汇报。
l 服务经理具有现在问题处理定夺权。
流程操作重点:
l 如客户提出是否可以不预约服务,给予客户解释预约服务的必要性,可以得到更好的服务体验。
l 完善的回访解释话术工作执行。
l 如客户对于服务中有问题提出,对于提出问题及时解决并做出解释。
l 亲切回访:XX汽车品牌客户回访专员在与客户沟通前,进行客户信息准确了解,用客户喜欢方式回访;对于回访的客户表达感激和尊重,询问客户车辆使用情况及服务流程中是否有不妥地方需要完善等,结束时感谢并希望客户用车愉快。
l 处置及时:XX汽车品牌客户回访专员在得到客户意见时,必须进行仔细沟通;采用亲切方式和客户进行互动讨论,不让客户有任何不公正感觉出现,及时处理抱怨内容。
辅助资料:
l DMS系统、
l 满意度统计表
l 客户回访分析表
l 投诉处理表
话术与技巧:
1、话术技巧:
A服务3日回访话术参考:
XX 先生/ 女士/ 小姐:
您好,我是** 客户关系专员XXX。我们现在想用2~3分钟的时间做个回访服务。您现在方便吗?
如果回答“方便”,(如果回答“不方便”,则另约时间,并感谢对方);
首先非常感谢您上次来我们这里做维修/保养;
X月X*您日**在我们这里做了(工单上的维修项目),请问车辆的故障排除了吗?
如果回答“没有解决”:
非常抱歉!请问你什么时候有时间回厂,我帮您做个预约,好让我们的技师再做个检查(接预约话术);
如果回答“是”:
请问您对这次的维修经历是否感到“非常满意”呢?
如果“是”:
非常感谢您对我们工作的支持,如果您以后有任何需求或有什么我们能为您效劳的,请随时跟我们联系。若您接到XX汽车的电访,能否回答“非常满意”!非常感谢,再见。
如果“不满意”或一般:
能否告诉我们有哪些需要改进的地方?
记录下客户的问题或原话。
非常感谢您的支持,如在车子的使用过程中遇到任何问题,请拨打XXXXXXXX(客户关系部热线),我们非常乐意为您服务,祝您驾车愉快。再见!
B现场回访:
在所有流程完成、客户即将离店之前,在征得客户同意后,由客户关系部专员在4S店服务现场对客户进行访谈,并确保客户离店时带走的是非常满意,而不是带着问题或抱怨离店。
XX先生\女士,您好!欢迎您加入XX汽车品牌大家庭,我是服务经理XXX,递上名片。我将为您介绍您XX汽车品牌专有的互动式接待流程。通过互动式接待,您可以与我们资深的服务顾问一起来最全面地了解您的爱车,同时,您的需求都将由我们最及时地处理。若您在今后的用车过程中有什么需要,也请随时拨打我们的服务热线XXXXXXXX(指出名片上的号码)。我们将非常乐意为您服务,谢谢!
2、抱怨/投诉记录与处理:
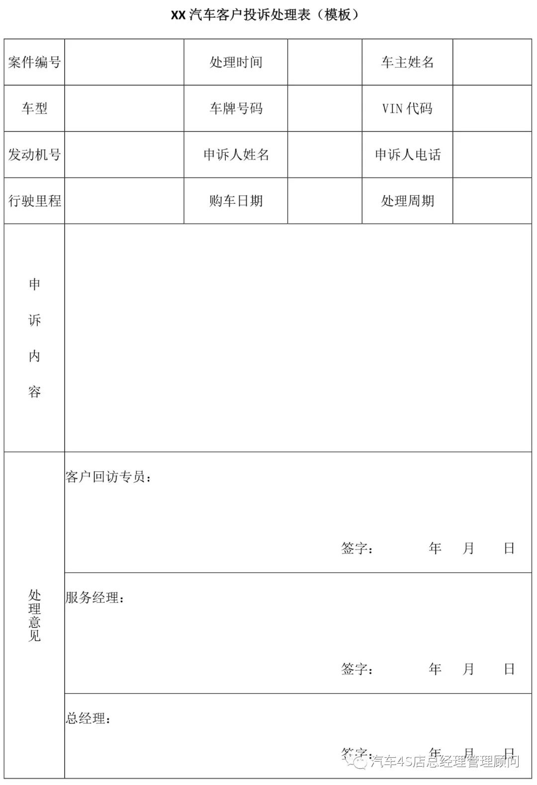
- 回访中遇到客户抱怨/投诉要用《客户投诉处理表》进行登记;
- 现场能约定来店检查时间的就现场预约时间,否则另行处理;
- 将抱怨/投诉问题转入相关部门,进入抱怨/投诉处理流程
3、维修回访并结果记录:
- 满意度调查可以分两种方式进行,一种是简单的调查,另一种是固定格式的调查;
- 简单调查一般针对快速修理的客户,只问“**是否非常满意?”,如果回答“否”,再接着问原因;
- 固定格式调查一般是事先制定好满意度问卷,然后按问卷逐一调查,一般针对维修项目较多的事故及一般维修客户将调查结果进行记录;
- 在电话结束前,提醒客户下次保养的日期与里程,如果近期有活动也一并提醒,并告知会有活动电话或短信再次提醒及预约;
- 回访结束后,感谢客户,待对方挂断电话后,再挂电话。
4、回访结果整理分析:
- 编制《维修回访汇总及措施》报告,报总经理及相关主管;
- 在月度例会上进行研讨回访报告,对服务工作进行改善,提升服务水平;
- 对抱怨/投诉处理进行跟踪,对处理结果进行回访;
- 维修回访结果整理入档。
管控方法:
- 客户关系部经理维修回访措施:
- 直接向4S店的总经理汇报;
- 编写3日回访的电话语术;
- 培训客户关系部专员,提升客户关系部专员的沟通能力;
- 要求客户关系部专员掌握车辆保养知识;
- 与客户联系并解答客户所关心的问题和抱怨;
- 通过DMS维护准确的客户保养信息;
- 详细记录客户的反馈,持续关注客户车辆使用状况并电话提醒客户。
使用工具:
服务后3日回访记录表(DMS操作模板)

服务后3日回访分析表(模板)

XX汽车客户投诉处理表(模板)


免责声明:
本号相关内容源自网络,版权归原创作者所有;
文中观点仅供分享交流,不代表本公众号立场;
图片如涉及版权等问题,请告知以便及时处理。
汽车4S店管理顾问 汽车经理人智囊智库
每天分享有价值的汽车管理、运营干货
汽车人的共享、学习、交流平台