一、壁挂式变频空调器的电路分析
1.变频空调器的总体框图
分体壁挂式变频空调器的总体框图如图8-13所示。

2.室内机控制电路
美的系列变频空调器室内机控制系统采用高性能微处理器μPD780021,实现对室内温度、蒸发器温度、遥控器信号的接收、室内机风扇电机、导风叶片电机、蜂鸣器、显示面板的控制以及与室外机的通信。
(1)交直流供电电路
图8-14所示是交直流供电电路。220V交流电压经保险丝FSl、压敏电阻ZNR1、滤波电容C2、互感滤波器LF01和电容C1滤除噪波和干扰后,分别为室内机风扇电机和整流稳压电路供电。
T1是将220V电压变成低压的降压变压器,它输出两组约13V的交流低压,分别送到两个整流电路中。DBO1是桥式整流电路,它的输出经C8、C35滤波后为换气电机供电。换气扇电机受微处理器2脚的控制。室内机风扇电机受微处理器1脚的控制。该脚的输出信号经Q4去驱动晶闸管IC11中的发光二极管,晶闸管导通,220V交流电压经IC11的7、8脚为风扇电机供电。微处理器通过对晶闸管导通角的控制实现对风扇速度的控制。
图8-15所示是+12V、+15V供电电路。来自变压器Tl次级的13V交流电压加到桥式整流堆DB02上,DB02的输出电压经C9、C33滤波后加到三端稳压器IC4 (7812)的1脚,经稳压后由3脚输出+12V电压,给继电器、电机等供电。12V输出电压再经5v 三端稳压器IC5 (7805)处理后输出5v电压,为微处理器、复位电路等部分供电。


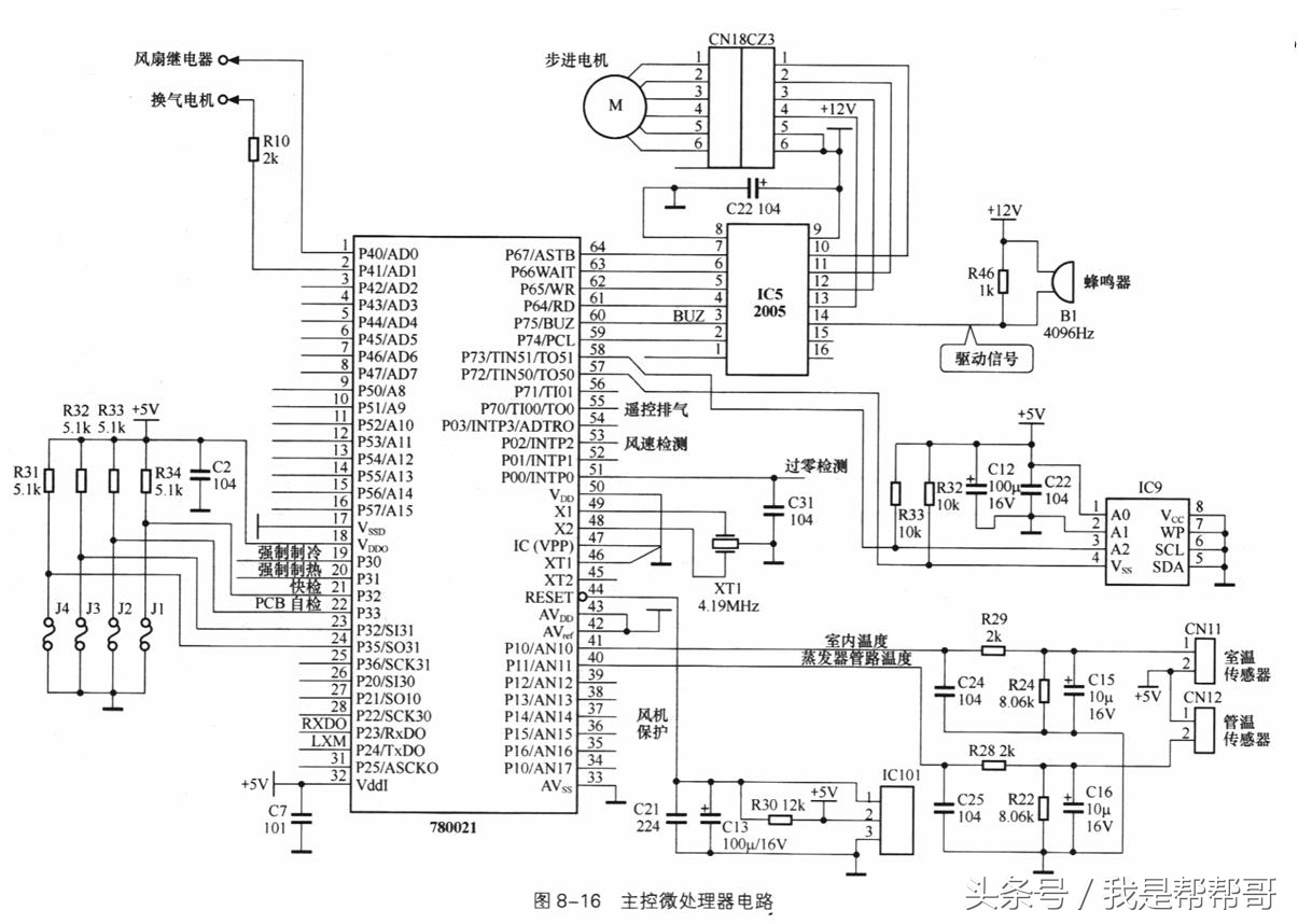
(2)主控微处理器电路
图8-16所示是主控微处理器电路。780021是一款具有64个引脚的大规模集成电路。
(3)温度检测电路
室内温度及室内机蒸发器管路的温度传感信号送到主控微处理器芯片的41、40脚,如图8-16所示。

(4)遥控接收和显示电路
图8-17所示是遥控接收和显示电路。遥控器发射出红外信号后,由室内接收头接收遥控信息并送入微处理器的55脚,微处理器确认收到的信号正确后输出脉冲信号,蜂鸣器响一次。
在遥控器开机过程中,蜂鸣器会响两次作为应答声。图8-16所示电路中的B1为蜂鸣器,经微处理器的60脚由驱动器IC5 (2005)反相驱动后工作。
该系列空调器的状态显示电路由5个LED组成,这5个LED(见图8-17)由微处理器的9、10、11、14、15脚直接驱动。

(5)室内电机控制电路:
室内电机控制电路由调压控制电路、同步信号检测电路以及转速反馈检测电路等组成。
①调压控制电路:由图8-14可知,调压控制电路是通过调整室内电机的输入电压来调节其转速的,由IC11中的双向晶闸管完成室内电机输入电压的调整。微处理器的1脚发出脉冲信号,经反相器Q4反相后去驱动IC11中的发光二极管。
②同步信号检测电路:用晶闸管调压必须解决同步触发的问题,这样就必须获得同步信号。在图8-14中,同步信号的获取电路由R43、R45、Q3、R7及C36组成。其工作原理是:由电阻R43、R45分压后的正弦交流信号经晶体管Q3检波后,在Q3的集电极上得到周期为1Oms的脉冲,然后将其送入微处理器的51脚,作为同步信号。
③转速反馈检测电路:室内电机霍尔传感器输出的脉冲信号送至微处理器的53脚进行计数,以得到电机的转速信号,微处理器根据设定转速与反馈转速的差值来调整晶闸管的触发导通角。

(6)复位电路
在图8-16中,微处理器780021的44脚为复位信号输入端,正常工作时该脚为高电平。当微处理器的工作电压低于4V时,IC101的1脚输出低电平,使微处理器强行复位。
(7)步进电机继电器驱动控制电路
微处理器的61~64脚为控制导风叶片步进电机的外接端口,微处理器芯片输出的脉冲信号经IC5反相放大后,驱动步进电机工作,如图8-16所示。
(8)换气电机电路
为了让室内保持清新的空气,预防空调器病,该空调器设计了换气功能,与室外进行空气交换。微处理器2脚的信号通过晶体管Q1反相放大后,驱动换气电机工作(参见图8-14)。
(9)晶体振荡电路
微处理器的48、49脚与晶体振荡器XT1产生4.19MHz的主频信号,如图8-16所示。用示波器测量48脚时,可以看到4.19MHz的正弦波形。
(10) 通信电路
室内机和室外机各有一块微处理器控制板,为了使整个系统能协调运行,室内机和室外机必须交换信息,此项功能是由通信电路完成的。由图8-18可知,微处理器的29脚为通信电路的接收端,30脚为通信电路的发送端,电路上的光电耦合器IC1、IC2起隔离作用。
为了简化线路,把为室外机供电的零线用作了通信线,另一根与室外机相连的通信线通过CN7接出,因此在连接室外机电源线时,相线和零线不得接反,否则会出现通信联系不上的现象。

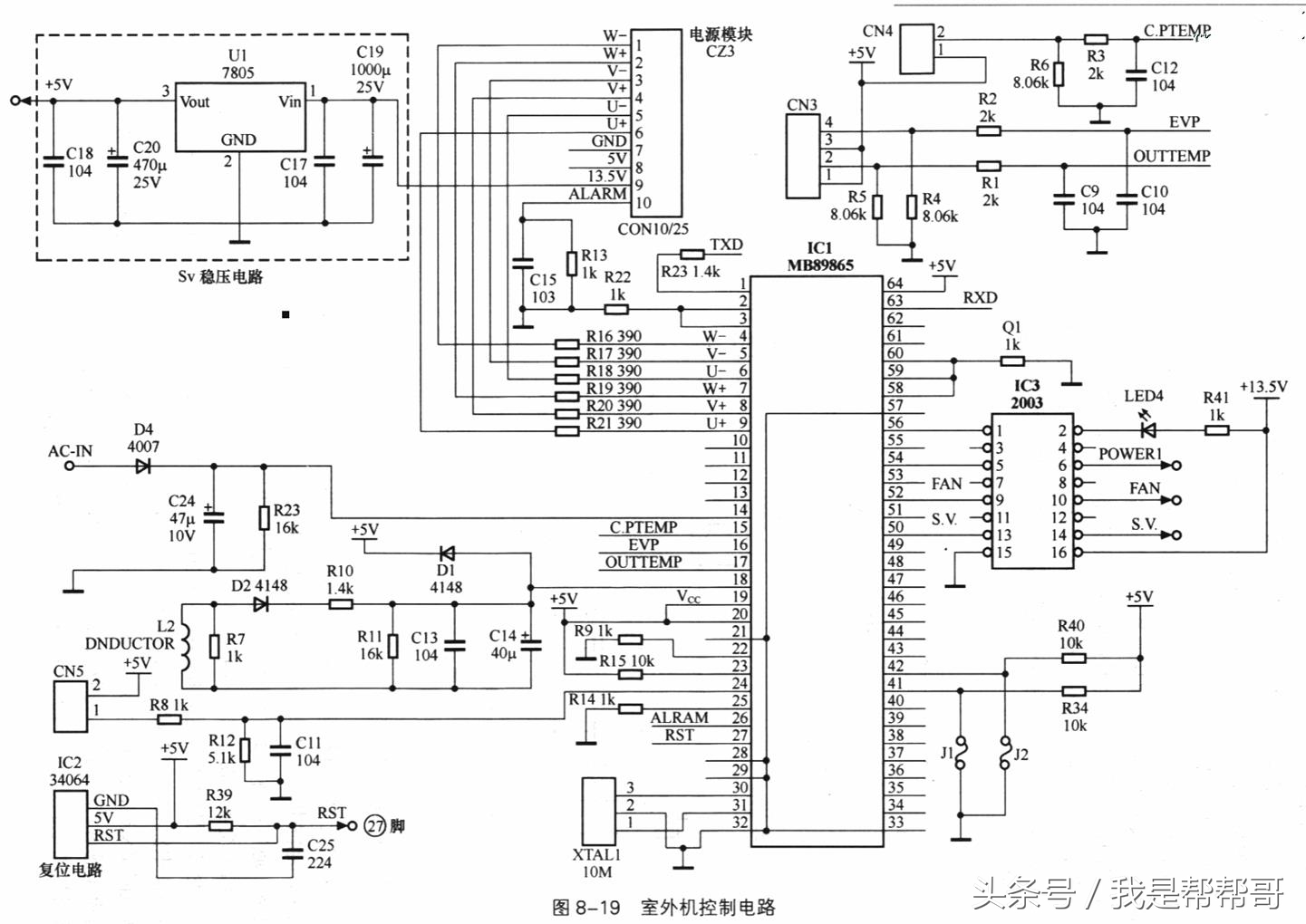
3.室外机控制电路
美的变频空调器室外机控制电路主要包括交流电源滤波及保护电路、驱动板保护与控制电路、复位电路、晶体振荡器电路、E2PROM和运行参数控制电路、微处理器引脚功能控制电路、通信电路、驱动电路等。
(1)交流电源滤波及保护电路
交流电源滤波及保护电路如图8-20所示。220V交流电压由T1、C1、C5、C2组成的交流滤波电路抑制共模噪声,以减小变频电路对电网的干扰,同时也对电网电压进行滤波。压敏电阻ZNR1、ZNR2实现对电网电压的过电压保护。AS1为耐压值为3600V的放电管,可对雷击感应产生的电压进行有效的保护。PTC1电阻和继电器RL3构成放电回路,以避免室外机接通电源后,因直流回路中电解电容的充电电流过大而损坏整流模块。
由图8-20可知,整流模块DB1把220V电压转换成脉动的直流电压,由电解电容对脉动的直流电流进行滤波。滤波电感T2用以改善滤波效果,减小动态电流突变时直流电源的波动。微处理器的14脚作为电压检测端,18脚作为电流检测端。


( 2) 驱动板保护与控制电路:
变频模块用于驱动压缩机运转,它接收室外主控板发出的指令信号,具有自身过热保护、过电流保护以及欠电压保护功能。6路PWM控制信号一旦发生欠电压、过电流或高温等故障时,其控制接口将输出低电平,微处理器可即时*锁封**PWM控制信号。
(3) 复位电路:
微处理器MB89865的27脚为复位信号输入端,当电源供电电压超过4V时,复位电路输出复位信号,正常工作时为高电压。复位电路是为主芯片的上电复位(复位是指将微处理器内部程序初始化,重新开始执行)及监视电源而设的,其主要作用为:一是上电延时复位,防止因电源波动而造成微处理器频繁复位,具体延时时间的长短由电容C25决定:二是在微处理器工作过程中实时监测其工作电压(+5V),一旦工作电压低于4.6V,复位电路的输出端(1脚)就输出一个低电平,使微处理器停止工作,待再次上电时重新复位。
复位电路的工作原理为:
电源电压Vcc通过IC2MC34064的②脚与复位电路内部的—个电平值作比较,当电源电压小于4.6V时,①脚电压被强行拉低,芯片不能复位。当电源电压大于4.6V时,电源给电容C25充电,从而使①脚电压逐渐上升,在芯片的对应脚上产生一上升沿信号,触发芯片复位、工作。
在检修时一般不易检测复位电路的延时信号,可用万用表检测各引脚在上电稳定后能否达到规定的电压要求,在正常情况下上电后①、②、③脚的电压分别为5v、5v和0v。如复位电路损坏,则表现为压缩机启动后即复位、压缩机不启动或室外机不工作。
(4)晶体振荡器电路:晶体振荡器电路用于为系统提供一个基准的时钟序列,以保护系统正常、准确地工作。晶体振荡器XTALI的①和③脚接MB89865的31和30脚,XTALI的②脚接地,这样便可提供一个10MHz的时钟频率,否则整个空调器就不能正常工作或者出现紊乱。
判断晶体振荡器的好坏可以使用示波器测量,也可以用万用表检测其电压,在正常情况下晶体振荡器3个引脚的电压分别为2V、0v和2V。晶体振荡器损坏时,故障现象为上电后室外控制板不工作,系统无法正常启动和工作。
(5)驱动电路
①压缩机驱动电路。该电路是由MB89865的④~⑨脚引出至IPM模块的控制电路,其主要作用是通过MB89865向IPM模块发出控制命令,采用脉宽调制(PWM)方式,改变各路控制脉冲的占空比,从而使压缩机实现变频控制。
②四通阀通断控制电路。若室内机发出制热命令,则室外机微处理器的50脚输出高电平,反相驱动器的14脚输出低电平给继电器,四通换向阀吸合,制冷剂改变流向,蒸发器和冷凝器互换角色,使空调器制热。
③室外机风扇电机驱动电路。室外机微处理器的52脚输出控制信号,经反相器反相后驱动继电器控制风机的开和关。
(6)电压检测电路
在空调器的设计中,为了保护空调器不致因为外界电压的变化而影响使用甚至烧毁,在空调器的控制基板上设计了一种检测电路来检测供电电压是否异常,如出现过电压或欠电压,空调器将自动显示故障代码并进行保护。
220V交流电压经电压互感器输入,然后电压互感器输出一交流低电压,经D4半波整流以及R23、C24滤波之后,由微处理器进行检测,电压高于260V或低于160V时,空调器将进行报警。
(7)电流检测电路
电流检测电路是用来检测压缩机供电电流的。当电流过大时,可能会损坏压缩机,甚至会烧毁电机线圈。利用电流检测电路对供电电流进行检测,如发现供电电流异常,空调器将会自动显示故障代码并进行保护。
当继电器吸合时,电流互感器L2感应出电流信号,然后经D2整流、R10和R11分压以及C13滤波之后,输入到MB89865的18脚。二极管D1作为钳位二极管,将直流电压钳位在5v。
由于电流检测电路在保护空调器方面很重要,因此熟悉这方面的电路对维修非常有用。如电流检测电路出现故障,就有可能由于突然的大电流而导致电路损坏。这时可以用万用表的欧姆挡检测电流互感器的初级,看其是否开路。如果初级开路,则说明电流互感器损坏,应进行更换。如果初级正常,可用万用表的欧姆挡检测电流互感器的次级线圈,在正常情况下次级线圈的电阻为560Ω。如测得的电阻值偏大或偏小,都可能会引起空调器的电流检测值异常。
(8)温度传感器电路
温度传感器电路是空调器控制电路的输入电路部分,室外温度传感器是用来检测室外环境温度、系统的盘管温度、压缩机的排气温度的。通过对不同传感器的感应,将不同点的温度转换成电信号并传递给微处理器进行处理。经过微处理器的处理,再输出相应的控制信号至执行电路,以调整空调器的工作。
温度传感器电路在空调器控制方面非常重要,如传感器本身或者相关电阻出现异常,就可能导致空调器温度检测不准,导致空调器的开关机时间及各种保护有一定的误差。此时可以用万用表电阻挡测量一下分压电阻和传感器的阻值,如电阻值不在正常范围内,应该马上进行更换。
(9)微处理器的主要引脚功能
现将微处理器MB89865(见图8-19)主要引脚的功能介绍如下。
4~9脚:可输出6路三相PWM控制信号,通过CZ3与IPM模块连接。
11~13脚:分别经lkΩ电阻连接发光二极管,可用于5v电源指示、IPM模块故障显示及除霜工作状态显示。
14脚:输入交流电压显示信号,根据电网电压的波动,对PWM信号的脉宽进行调整,以保障压缩机按正常的V/F曲线运行,满足电压和频率的协调控制。
15~17脚:分别为压缩机温度、盘管温度和环境温度的检测端,把检测到的温度信号传递给室内机,由室内机协调处理,实现系统的模糊控制。同时,室外机微处理器根据压缩机温度信号实现压缩机的保护运行,根据环境温度、盘管温度信号实现除霜功能及室外机风速的变化调节。
18脚:为电流检测端,保证在规定的最大电流值以下正常运行。超过限值时,则自动降频以减小运行电流;超过限值1.2倍时,微处理器必须*锁封**PWM脉冲,发出停机信号。
27脚:接上电复位电路,IC2 (34064)为监视5v控制电压的看门狗集成电路,电压低于4.6V时主芯片复位。
30、31脚:外接10MHz晶体振荡器电路,为微处理器提供时钟基准信号。
50、52、54、56脚:接功放驱动芯片IC3 (2003),驱动室外机风扇电机及四通阀工作。
1和63脚:分别用作串行通信发送端和接收端。通信电路如图8-21所示。

二、柜式变频空调器的电路分析
海尔柜机KFR-50LW/BP的室内机和室外机有各自的控制电路,两者通过电缆和通信线相联系。室内机控制电路采用的微处理器芯片型号为47C862AN-GC51,室外机则使用9821K03。
1.室内机微处理器47C862AN-GC51
室内机控制电路采用变频空调器专用微处理器芯片47C862AN-GC51,该芯片内部除了写入空调器专用程序外,还包含程序存储器、数据存储器、输入/输出接口和定时/计数器等电路,可对输入的人工指令和传感信号进行运算和比较,然后发出指令,对相关电路的工作状态进行控制。
微处理器芯片47C862AN-GC51的主要引脚功能如下。
35、64脚:为微处理器的供电端,其典型的工作电压为5V。
32、33、34、39、45、60脚:为接地端。
31脚:是蜂鸣器接口。微处理器每接到一个用户指令,该脚便输出一个高电平,蜂鸣器鸣响一次,以告知用户该项指令已被确认。若整机已处于关机状态,遥控器再输出关机指令时,蜂鸣器不响。
36、37、38脚:是温度传感端,其中36、37脚为室内机蒸发器管路温度检测输入端,38脚为室内温度检测输入端。
62脚:为开关控制端(多功能端口),低电平有效。62脚为低电平时,56脚输出一个高电平,点亮电源指示灯LED1,同时微处理器执行上次存储的工作状态指令。若为初次开机加电,且用户没有输入任何指令,则电路执行自动运行程序,即空调器在室内温度高于27℃时按抽湿状态运行。按下电源开关,使该脚保持3s以上的高电平,蜂鸣器连响两下,空调器即可进入应急运行状态。
56、57、58脚:是显示端口,高电平有效。其中,56脚为电源指示灯端口,57脚为定时运行指示端口,58脚为运行指示端口。室内机正常运行时,运行指示灯LED3点亮。
2、4、10、11、12脚:为驱动端,高电平有效。其中,2脚控制室外机供电继电器SW301:4脚控制步进电机,带动导风叶片,实现立体送风;10脚为室内机风扇电机低速挡控制端,11脚为中速挡控制端,12脚为高速挡控制端。

2.室外机微处理器9821K03
室外机控制系统采用海尔变频空调器专用的大规模集成电路9821K03(或98C029)。这种微处理器芯片具有温度采集、过电流、过热、防冷冻等保护功能,还可以输出30~125Hz的脉冲电压驱动压缩机,使空调器的制冷功率从1匹升高到3匹。应急运转时,输出60Hz驱动信号,使压缩机按这个频率定速运转,这时可以进行压力、电流测量等检修工作。9821K03的功能框图如图8-22所示。
9821K03安装在室外机控制电路中,收到室内机传送来的制冷、制热、抽湿、压缩机转速等控制信号后,经分析处理后内部程序发出指令,驱动室外机风扇电机、四通阀相应动作,并通过变频器调节压缩机电机的供电频率和电压,改变压缩机的运转速度,同时也将室外机的有关工作状态信息反馈给室内机。

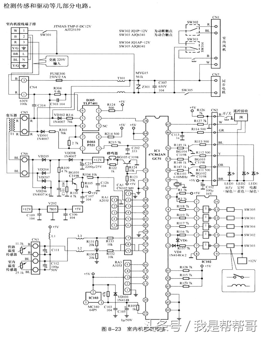
3.室内机控制电路的工作原理
室内机控制电路如图8-23所示。整个电路可以分成电源供给、微处理器芯片工作保证、检测传感和驱动等儿部分电路。
空调器工作时,220V交流电压加到室内机的接线端子排座CN5上。电源变压器T1的初级从CN5上得到220V交流电压,其次级输出13V交流电压,经二极管VD204-VD207整流和C214滤波后,得到12V的直流电压。该电压一路给IC102、微型继电器SW301-SW305和蜂鸣器供电,另一路经三端稳压器V202 (7805)稳压和C106滤波后,得到5v电压并加到微处理器IC1 (47C862AN-BG51)的64脚,作为工作电压。
微处理器的复位电路和时钟振荡电路是其正常工作的保障。复位电路由IC103(MC34064P5)等组成。在接通电源时,IC103的③脚产生复位信号,此复位信号送入IC1的22脚,IC1开始工作。电路正常工作后,ICI的22脚为高电位。
微处理器的时钟振荡脉冲由18、19脚外接的晶体振荡器CR11O1提供,脉冲频率为6.OMHZ。
当红外遥控器发出开机制冷指令后,遥控接收器JR将遥控信号送入微处理器IC1的46脚,IC1的31脚输出高电平脉冲,驱动蜂鸣器发出“嘀”的一声,确认信号已经收到。同时,输入机内的遥控器温度设定信号与38脚送入的室内温度传感信号进行运算比较,若设定温度高于室内温度,微处理器IC1将不执行制冷指令;若设定温度低于室内温度,微处理器IC1发出指令,空调器开始制冷。
空调器的室内送风强弱也由微处理器IC1控制。风速设定为高速挡时,IC1的12脚输出高电平并加到反相器IC102的7脚。反相器是继电器SW301-SW305的驱动器件,此时IC102的10脚输出低电平,SW303得电吸合,室内风扇即高速运转。与此同时,IC1的2脚输出高电平,送到IC102的5脚,经反相后从IC102的12脚输出低电平,SW301得电吸合,给室外机提供220V交流电压。IC1还向室外机发出制冷运行信号,绿色运行指示灯LED3点亮。设定功能后,IC1的4脚输出高电平并送到IC102的3脚,经反相后从lC102的13脚输出低电平,SW305得电吸合,驱动步进电机运转,实现立体送风。
海尔KFR-50LW/BP变频柜机室内机控制板的实际接线如图8-24所示。在使用时,注意不同部位使用的导线颜色,这样能很快弄清线路连接走向。

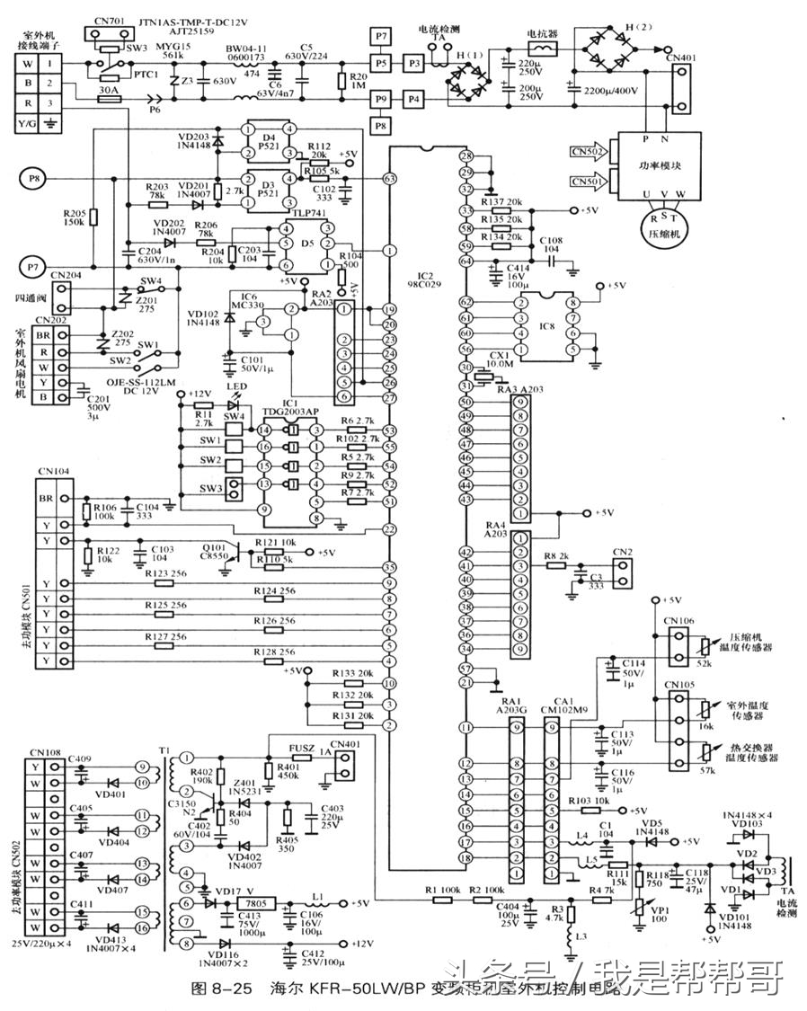
4.室外机控制电路的工作原理
海尔KFR-50LW/BP变频柜机的室外机控制电路如图8-25所示。
(1)电源电路
室外机电源由接线端子引入,220V交流电压经过压保护元件PTC1以及整流器H(1)、H (2)整流滤波后,得到280V左右的直流电压。该直流电压经电抗器、电容器滤波后,一路给功率模块提供直流电源,另一路加到插件CN401的正端(CN401的负端接地)。信号从CN401的正端(见图8-25左下角)输出后又分为3路:一路经R1、R2、C404、R3、L3、R4降压成约8V的直流电压(称为电源值班电压),并加到微处理器IC2的17脚,使IC2首先得电工作;另一路进入开关电源电路,经开关变压器T1的1~2绕组加到开关管N2 (C3150)的集电极:第三路经R402为开关管N2的基极提供偏置电流,使它导通。开关管N2一旦导通,通过T1绕组的反馈作用使电路产生自激振荡,并从T1的次级感应出稳定的高频交流电压。
开关电源提供的4路14V直流电压经插件CN108给功率模块供电。从T1的8端产生的电压经VD116、C412整流滤波后输出12V的直流电压,给微动继电器SW1-SW4和反相器IC1供电。
(2)微处理器工作保证电路
微处理器IC2的工作电压来自开关电源。T1的6端感应出的交流电压经VD17、C413、三端稳压器7805、C106等整流稳压后,得到5v稳定直流电压给IC2等供电。
IC6 (MC330)等组成复位电路,由它的1脚将复位信号送到微处理器IC2的27脚。IC2开始工作后,27脚为高电位。IC2的30、31脚外接石英晶体,构成时钟振荡电路,时钟脉冲频率为10MHz。

(3)检测信号及控制指令电路
控制电路工作时,首先检测室外温度、压缩机温度及室外热交换器的温度。如果检测数据不正常,则通过串行通信接口向室内机发出异常信息,并显示故障进行报警。如果检测数据正常,则接收室内机传来的制冷指令,从IC2的52脚输出高电平至反相器IC1的4脚,IC1的13脚变成低电平,使SW3得电吸合,电阻元件PTC1短路,给功率模块提供大的工作电流。
电路经延时后,IC2的55脚输出高电平并送到IC1的1脚,IC1的16脚输出低电平,使SW1得电吸合,室外机风扇电机得电工作,以低速运转。同时,IC2从④、⑤、⑥、⑦、⑧、⑨脚输出0~125Hz驱动信号给功率模块,使压缩机工作。
若设定温度与室内温度相差较大,室内机微处理器向各室外机发出满负荷运转信号,空调器压缩机的输出功率即由1匹变到3匹,同时室外机风扇电机自动变换成高速运转。
室内机发出制热指令时,IC2则从53脚输出高电平给IC1的3脚,IC1从14脚输出低电平,SW4吸合,电磁四通阀得电吸合,制冷剂改变流向,空调器以制热方式运行。与此同时,室外机电路板上的LED指示灯点亮。
空调器工作后,电流检测元件TA从压缩机供电线路中取样,检测压缩机的运转情况。电流检测信号送入IC2的18脚。若连续两次出现过电流信号,微处理器则判断压缩机电流异常,立即关闭室外机风扇电机和压缩机,并发送室外机故障信号到室内机,室内机关闭并显示故障进行报警。
在一般情况下,室外机风扇电机与压缩机同时启动,但延迟30s关闭。
5.室内,外机的通信
室外机微处理器IC2的63脚为通信信号输入端,1脚为通信信号输出端。这两个引脚的外接电路组成室外机通信接口,与室内机进行数据交换。
室内机与室外机之间采用异步串行通信方式。空调器工作时,以室内机为主机,室外机作为从机进行通信联系。若控制系统的微处理器连续两次收到完全相同的信息,便确认信息传输有效:若连续2min不通信或接收信号错误的话,微处理器就发出故障报警并关闭室外机和室内机风扇电机。
海尔KFR-50LW/BP空调器室外机控制板接线如图8-26所示,图中示出了空调器各主要控制板的连接关系。

变频空调器的制冷、制热原理与普通定速空调器基本相同,但变频空调器的电路及运行方式与普通定速空调器有本质上的区别,因此在检修时不能完全套用旧的思路,而应当结合变频空调器的特点及具体电路来进行检修。

