有很多关于绘制原理图符号的讨论。使你的原理图符号能够让人理解非常重要。有时用计算机辅助设计(CAD)软件包中预先做好的符号就可以了,但大多数符号并不太理想。请确保你的软件包能方便地创建符号,因为你可能得重新绘制每个单独元件,以及创建新的元件。CAD软件包含的上万种符号只是你重新绘制它们的基础。

好的原理图应该有可预测的信号流向。这个流向要求输入部分位于左边和上边,输出部分位于右边和下边。当然这并非铁板一块,但如果你希望其他工程师一眼就能理解你的原理图,遵循这个规则就非常重要。如果我高声对你喊叫,“区别什么有做这样?”这种语法结构显然让人难懂,但如果我按从右到左的顺序说,“这样做有什么区别?”那么你马上就能理解了。虽然许多半导体公司赚了很多钱,并提供很多支持,但很多时候他们专注于芯片内部,而做不到正确的原理图流向(图1)。

图1:目前许多公司画的原理图符号模仿的是元件的引脚图,而不是信号流向。
图1中的六反相器U1不是很实用。它将6个反相器合成在一个符号中,并且左边和右边都有输入输出。引脚长度也不需要那么长。U2这个符号稍微好一些,输入都在左边,输出都在右边。像我这样一把年纪的人不喜欢彩色背景,因为经过六次黑白拷贝黄色会变成黑色,从而让你无法看清任何东西。我创建的U3由不同元件组成(异构元件),包括6个相同的元件和表示电源与地的第7个元件。排阻RP1是非常愚蠢的画法,当这些电阻应该处于原理图上不同位置时很容易把原理图弄得一团糟。RP2显示了异构元件在这种时候的作用。
一些半导体公司采用ANSI符号画逻辑器件,这显然是由缺乏分析的线性思维的人发明的,而不是模拟工程师眼中的图形化思维(图2)。



图2:许多工程师都不喜欢ANSI/IEEE逻辑符号画法,这些符号简直是非徒无益,而又害之。显示实际的逻辑符号稍好一些。CAD软件包中附带的元件基本上是没有用的。较好的做法是将元件一分为二。更好的做法是将电源独立出来,这样就不会弄乱信号流向。模拟工程师最想要的是在元件内部稍微画一些能表示其功能的图案。
对于多元件封装来说(比如许多逻辑门),原理图符号需要分解开来,因为你很少会在原理图的同一个地方使用全部这些元件。这个原则同样适用于双路或四路运放。元件符号可以采用德·摩根等效符号(图3)。我非常敬佩那些能够通过布尔表达式来理解电路工作的工程师,但我还是喜欢图形化的表达方式——通过图形可以想象位于D锁存器中的比特,或者多路复用器中断言给定输入的引脚。

图3:早在1995年,OrCAD 9就允许用德·摩根等效符号表示与非(NAND)门。
Altium/CircuitStudio可以让用户给元件分配不同的“模式”完成相同的任务。如果你想画一个“引脚上负下正”模式的运放符号就非常方便。若是没有等效符号,如果你想垂直翻转一个元件,也会把正电源放到下边,把地放到上边去。通过调用绘制的德·摩根等效符号,你可以交换输入引脚,同时保持电源和地的位置不变。解决这个问题的另外一种方法是制作一个具有独立电源的异构元件(U6)。现在你可以垂直翻转运放,将负引脚放到上面来。
某个年代的原理图程序出现于这样一个时期:PCB上大约有40个14引脚的逻辑芯片,每个芯片配一个去耦电容,再加上一个卡缘连接器。在1985年,DOS OrCAD甚至不能画三角形。这是那个年代的局限,也是那个年代需要担心的事。当时许多公司觉得PCB上只有一个电源,即VCC(两个“C”代表“公共集电极”,因为所有这些逻辑门都馈送电源给许多晶体管的集电极)。因此PCB只需要VCC和地。CAD公司的程序员甚至认为不需要在芯片上显示电源引脚。他们只是发明了“零长度”引脚,然后版图设计程序会将所有相同名字的引脚连接在一起。程序员认为工程师使用最后生成网络表的原理图简直太蠢了。
说到地,“公共端”或“回流端”其实更贴切,除非你的电路连接到墙上插座的大地引脚(图4)。我承认这只是个人喜好,但我喜欢美国风格的电源和电阻符号,在晶体管和MOSFET上有个圆圈,且MOSFET清楚地指示了N沟道或P沟道类型。

图4:地、电源、电阻、晶体管和MOSFET等各种元件符号。
我碰到过一位教授,如果他看到你在汽车收音机原理图上有大地符号,会给你不及格的判定。汽车底盘是一种不同的符号,不管Altium叫它大地,还是你在大多数PCB上使用的三角符号,都意味着公共端或回流端。我个人的喜好是使用箭头代表电源,我也没遇到过哪一位工程师喜欢R1和R2那样欧洲画法的电阻,甚至Altium里的可变电阻符号R3也没有意义,除非它有三个脚,或者在封装上把两个脚短接在一起。我也喜欢晶体管上的圆圈、短引脚、字母N或P清晰地显示MOSFET的类型,以及有助于显示管子类型的栅极引脚,可以翻转的P沟道类型,以便源极位于上面,因为更多的正电源也在上面。我很欣赏Altium/CircuitStudio显示体二极管。
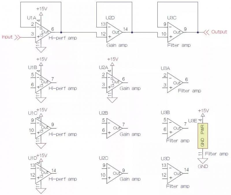
在现代设计中,电源和地引脚不可见带来的问题是,当版图封装的电源连接错误时电路经常会烧掉。经常会烧。这是一个很严重的问题,因为你可能有多个带电源的层,而重新做PCB甚至重新搭建原型是很困难的。基于这个理由,我们许多人会把电源引脚明确地画出来。对于像四运放这样的多元件封装来说有三种方法来实现(图5)。第一种方法是你可以将电源引脚画在每个元件上。第二种方法是只将电源引脚画在其中一个元件上,这时要确保将所有未用元件也都放到原理图上。第三种方法是将四运放设计成由5个元件组成的异构封装,包括4个独立的运放和一个单独的电源与地引脚元件。这种方法的优点是你可以将电源与地元件和所有去耦电容放在一起。缺点是你可能忘了放电源与地元件,由此带来的灾难是器件没有供电而不是接错电源。一个技巧是将电源引脚作为封装中的第一个元件,这样当你放置这个元件时第一个放的就是电源。不管怎样,你都应该将所有元件都放到原理图中去,以便给未用元件合适的偏置,防止它们发生振荡。

图5:电源和地不要使用零长度的引脚。
相反,最好在U1的每个元件上画出电源引脚。你也可以只在封装的某个元件上画电源引脚,但要确保所有元件都被放置,这样你就不会忘了连接电源(U2)。U3封装则是使用了一个单独的“元件”来画电源和地。这样做的优点是你可以翻转运放,根据电路需要灵活地将负引脚放在正引脚的上面或下面。
十几年前Cadence的OrCAD中就有这些异构元件了,这种方法还可以将连接器分解成若干块。这样做同样是为了保持原理图的信号流向,确保每根线连接正确的连接器(图6)。现在你可以确保你的原理图流向是从左到右的,使得其他工程师理解起来更加容易,也能让你在5年后再看时更加容易理解。
图6:如果你将连接器只画成一个元件符号,会使得原理图很乱(a)。通过使用OrCAD中的
异构元件功能,或Altium/CircuitStudio中的元件“模式”,你可以将连接器分解开来,以便原理图的流向更清晰更容易理解(b)。
另外一个考虑是如何将诸如开关电源芯片这样的复杂元件画清晰。即使你将输入移到左边,输出移到右边,仍然很难理解这种元件的工作原理。针对这种情况,你可以在符号框中画一个简单的图,用来暗示这个元件的功能。不一定是数据手册中的框图,只需简单的表述,以便提醒你和其他人这个元件是做什么的。
还有其它一些原理图符号的惯例,它们更多的是偏好,而不是好的设计原则。我很喜欢用圆圈将晶体管包围起来。需要重申的是,那些半导体工程师画的晶体管才没有圆圈。我认为圆圈非常有用。同样,我很喜欢当走线发生交叉时做一个小的跳接。这就引出了另一个重要规则:没有4向结点。我见过一个传真过来的原理图,怎么都看不出走线是否只是交叉而不是连接在一起。结果我猜错了,这浪费了我一天时间。如果所有原理图都用跳接,“没有4向结点”规则就没那么重要了。令我高兴的是,最新版本的Altium/CircuitStudio可以显示跳接,并能自动防止生成4向结点(图7)。
图7:像我这样的老人在走线间没有连接关系时喜欢采用跳接的方式。需要注意的是,4向
结点是原理图中的禁忌。Altium/CircuitStudio有产生跳接的选项,也有通过设置走线偏移消除交叉结点的功能,比如这个芯片的GND连接处所示。注意,库元件的左边是输出,右边是输入,与你想象的刚好相反。
我的做法是使用输入在左侧的规则重画元件符号(图8)。我还使用了独立的电源与地符号,以便减少杂乱现象,毕竟我们关心的是信号流向。大多数工程师理解555定时芯片内部的功能。但如果你不知道,或者你认为阅读该原理图的人不知道,那么你可以在元件内部画上一些或所有框图。Altium/CircuitStudio允许你在原理图符号上放置图片,因此我在网上找到一个很好的555定时器框图,经过一些细微调整后我将它放进原理图符号中。我不得不遵循它们的引脚输出结构,因此原理图上有些跳接(图9)。
