随着雾霾越来越严重,以及室内家具、装修、生活物品等引起的空气危害,不断影响着人们的健康生活,也随着人们对生活品质的提高,对室内生活的空气质量要求也愈发严格,对空气净化器的需求愈发迫切。作为空气净化器的主要传感器,粉尘传感器是净化器净化能力的反馈以及检验,市面上粉尘传感器多样化, 价格不一,误差率也各式各样,为选取低价格,准确率高的粉尘传感器,很多空气净化器厂家需要对不同粉尘传感器进行各类实验进行对比筛选,针对粉尘传感器的选型进行相关实验测试,提供相应的方法,例如一致性选型实验。以及对粉尘传感器的运用提供软件逻辑功能,并将实际运用过程中遇到的问题提供相应的解决方法。

目前,人们对室内空气质量倍受关注,室内空气质量对人体生活健康影响的问题日趋严重。影响空气质量的因素有很多,例如一氧化碳、二氧化碳、甲醛、可吸入颗粒等等,其中粉尘是大部分危害物的载体,如果需要清除大部分有害物,则需要有效清除空气中的粉尘。对于粉尘,其颗粒大小对于人体的伤害程度有所不同, 颗粒越大,危害越小,相反,颗粒越小,危害越大。目前城市雾霾频发,导致室内粉尘浓度超标,人体长时间处于该环境中,容易导致各类疾病。为此,迫切需要空气净化器进行对室内空气进行净化,空气净化器也逐步成为室内必须常用的家用设备。

为了检验空气净化器对颗粒物的净化效果,并实现空气净化器净化效果可视化,对于检测室内环境中空气可吸入颗粒的浓度指标的传感器,并实现空气净化器净化空气效果可视化,空气净化器内常常会采用粉尘传感器进行检测空气质量状况。准确检测空气中的粉尘浓度,对采取有效的措施进行空气净化,降低空气中粉尘浓度,有着非常重要的作用。
市场上粉尘传感器多样化,有激光粉尘传感器、红外粉尘传感器、静电式粉尘传感器等。运用最多的为光学粉尘传感器,具有安装简便、低成本、体积小等特点。通过内部的发光二极管和光电晶体管检测环境粉尘浓度,通过光电转换后变成电信号,因此主控只需检测电信号大小便可转换成空气环境中粉尘浓度的大小。其测量范围广,可区分测量环境中的烟和粉尘,且稳定可靠,为反馈空气质量具有重要意义,粉尘传感器的运用,可全面提高空气净化器的功能、稳定性、性能等,提高用户舒适性、安全性。
背景及现状
Background and current situation
应用在空气净化器中的光学粉尘传感器主要分为两类:激光粉尘传感器和红外粉尘传感器。相对于激光粉尘传感器,红外粉尘传感器成本上有明显的优势,但红外粉尘传感器的检测精度上误差大, 如有显示粉尘浓度的家用净化器,多台在同一环境中,浓度相差大,最大可达30 %的误差。一致性差,影响检测精度,影响用户体验。故需要在考虑成本的同时,也要通过对比各型号粉尘传感器的基本参数、检测精度、 检测范围、积灰清洁及补偿效果、一致性等,选择适合该净化器的粉尘传感器。

不同国家及地区,对空气粉尘浓度的质量指标要求时不一致,以中国与美国的空气质量检测要求对比,根据要求汇总如图所示。对于空气质量要求更严格的美国标准中,如果净化器使用指示灯颜色显示空气质量状况,如使用粉尘传感器在PM2.5<75 ug/m³时,精度为± 15 ug/m³(部分传感器精度误差达±30 ug/m³ )。所以就算在空气质量不变的情况下,因为粉尘传感器检测精度的问题,可能多台净化器在同一环境中指示灯显示颜色不一致,也可能存在同一台净化器空气质量指示灯不断跳边的问题。
虽然可以使用精度更高的激光粉尘传感器进行检测粉尘浓度可以避免这种情况,但是过高的成本,同样会使一些低端的空气净化器产品在市场上失去价格优势。因此在满足成本需求的前提下,尽量选择选择高精度、一致性好、 跟随性优的粉尘传感器用于空气净化器中,以提高产品竞争力的同时,提高用户体验。下面就以空气净化器种使用最广的红外粉尘传感器为例,来简单叙述下粉尘传感器的选型对比。
红外粉尘传感器选型
Infrared dust sensor selection
01 原理对比
目前用于家用的红外粉尘传感器主要是红外光散式粉尘传感器,主要分为如图所示的A、B两类。

如图中,A类主要原理为通过粉尘传感器中的发热电阻产生热气,通过上升的气流带动空气流动,传感器内部对角安装有红外线发光LED以及光电晶体管,红外线发光LED产生一束细小光线,当检测区域的流动气流有灰尘通过时,光电晶体管接收红外线发光LED产生的散射光,有散射光则产生脉冲信号,根据脉冲信号的时间判定粉尘浓度大小。
B类主要原理为通过气流循环使得环境空气从传感器穿流,此方式可运用净化器的风 扇吸力,将净化器外部环境空气吸入并通过粉尘传感器, 需要注意的是,粉尘传感器需要增加相关的海绵措施, 避免头发等大颗粒吸入,影响检测精度,传感器内部对角安装有红外线发光LED以及光电晶体管,红外线发光LED上电产生一束光照射中间灰尘流通孔,由于光线在灰尘作用下具有散射作用,粉尘浓度越大光电晶体管接受光强度越强,通过光强度转化为电压值判定粉尘浓度大小。
A类粉尘传感器主要检测的是粉尘的个数,而B类粉尘传感器直接检测粉尘的浓度,从原理上,直接输出粉尘浓度,B类粉尘传感器精度会更精确,且B类粉尘传感器无需内部电阻加热带动上身气流,响应更快。
02 一致性及检测范围对比
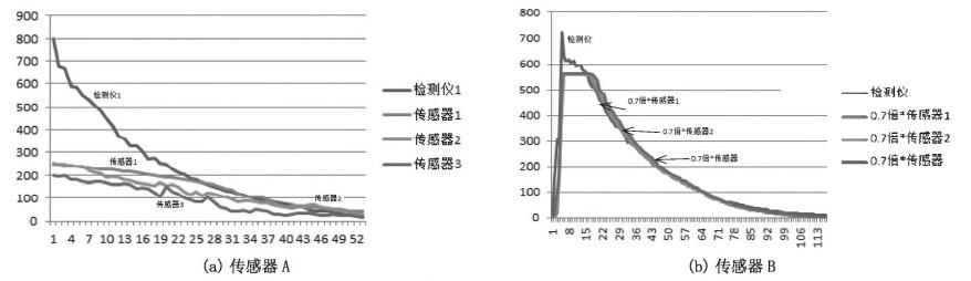
为满足不同市场需求,不同型号粉尘传感器的设计误差也会不一致,在空气净化器中使用时导致一致性不一致。需要根据实际运用做相应的一致性实验及跟随性实验。具体实验方式为:在标准的试验环境为30m³的净化舱,使用标准高精度粉尘浓度测试仪(例如TSI仪器),将使用不同传感器的净化器分别放置在测试仪同一采集点或是相邻近的位置, 确保所有实验品与测试仪保持采集空间范围接近。开启搅拌风扇,自动点烟机安装在远离采集点位置,记录各实验净化器粉尘浓度及测试仪的粉尘浓度值。传感器A、 B分别抽测三组,测试数据如图中所示。

根据图中所示的测试结果,传感器B的一致性,跟随性要好,使用0.7倍测试数据,测试结果基本接近于高精度的测试仪。传感器A的精度及一致性明显较差。点烟后与测试仪器的测试范围对比,根据实际测试数据显示,传感器B的测试范围要广。
03 积灰以及补偿功能对比
部分传感器有清洁窗口,提供清洗镜头,保持粉尘传感器检测准确,但此种方式操作不便,镜头内部也不易擦拭干净,也易因擦拭导致粉尘传感器镜头损坏的情况。在选型上,可选择具有积灰校准的传感器,此类传感器通过软件算法判别灰尘积累情况继而进行相应的补偿校准。通过实际实验测试,无校准需要擦拭镜头的传感器,清洗后,有一定改善,但无法达到原来的效果;具有校准的传感器,积灰后,连续运行24 h自动补偿后进行测试,测试值仍较为贴近初始值,补偿校准效果明显。
总结
Summarize
粉尘传感器的选型对空净产品来说尤为重要,即需要考虑成本,又需要考虑传感器性能、一致性。红外粉尘传感器具有价格较低、易安装、使用简便等特点,但也具有精度较差、 一致性较差等缺点,故而在粉尘传感器选型中,需要通过原理对比、一致性及检测范围对比以及积灰以及补偿功能对比,进行相应的实验,通过实验数据确定粉尘传感器的选型,选择性价比高的传感器运用于净化器中,以提高产品竞争力及用户体验性。此外, 在软件设计中,需要针对不同传感器选择不同的检测及运用方案,以及需要注意不同方案下,软件设计问题注意事项,避免产品有质量问题。粉尘传感器的选型方式以及软件设计方案及注意事项,为后续相关产品提供设计经验,可为相关产品开发提供开发方案。


排版 | 慧闻科技
文字图片 | 部分来源于网络(侵删)