01 开口式或闭口式电流互感器
材料要求:
● 互感器二次电流线应选用 1.5 平方或更高规格的多芯线;
●0型线鼻子用于二次电流线与互感器的连接;
●针式线鼻子用于二次电流线与仪表接线端子的连接;
●若仪表为接线柱可改用 U 型插针。
工具准备:
压线钳,号码管,剥线钳,螺丝刀,扎带,手枪钻等
工艺流程及规范:
互感器的安装固定:互感器一般有以下几种固定方式,请按照现场安装工环
境与互感器样式自行选择最方便牢固的安装方式。

互感器安装接线注意事项:
1. 电流互感器的安装必须牢固,互感器外壳的金属外露部分应可靠接地。
2. 同一组电流互感器应按同一方向安装,以保证该组电流互感器一次及二
次回路电流的正方向均一致,并尽可能易于观察铭牌。
3. 电流互感器二次侧不允许开路。
4. 电流互感器二次侧必须接地。
5. 图例:如右图所示,互感器分 P1 面与 P2
面,当一次电流由 P1 面流向 P2 面时,二次电流由 S1 端子流向 S2 端子。一次电流方向相反时,二次电流方向亦相反,请接线时务必注意。


6. 一次电流较小时(一般小于 100A)应注
意电流互感器的穿心扎数,若穿心扎数为 2 则一次电流线应经过互感器两次,依此类推。
开口式感器安装接线注意事项:
1. 开口电流互感器安装前必须将其二次与电表(或其他测量装置)接好,
确保互感器二次没有开路;
2. 将所有接好二次线的开口电流互感器放置现场,等待安装;
3. 若现场一次母线为电缆,可进行带电安装;若一次母线为铜排,则带电
操作对操作者要求熟练程度比较高,且要求做好绝缘防护措施;
4. 安装互感器时,铁芯切面处不得有杂质、灰尘等异物落入,以免影响互
感器性能

02 仪表安装:新装三相电能仪表
材料要求:
● 互感器二次电流线应选用 1.5 平方或更高规格的多芯线;
● 电压信号线应选用 1.5 平方或更高规格的单芯铜线;
● O型线鼻子用于二次电流线与互感器的连接;
● 针式线鼻子用于二次电流线与仪表接线端子的连接;
● 若仪表为接线柱可改用 U 型插针。
● 工具准备:压线钳,号码管,剥线钳,螺丝刀,扎带,手枪钻等
安装要求:
1.直接接通式低压三相及单相电能表安装的基本要求
(1)电能表安装的场所应干净明亮,不易受损受震及烟尘影响,无腐蚀气体侵蚀,同时要考虑抄表,校表,检查和更换方便。
(2)电能表的安装高度应使电能表水平中心线距地面距离,室外为 1.7~2.0m,室内为 0.8~1.8m。
(3)安装在电能计量柜内的电能表应垂直安装,不得前后左右倾斜。电能计量柜壳体倾斜不超过 3℃,电能表倾斜不超过 1°。电能表距计量柜外壳的距离不得小于 10cm。
(4)安装在非金属板的电能表、开关等设备的金属外壳,应可靠接地或接零。安装在计量柜(箱)内的电能表的辅助开关、保险盒等设备应垂直安装,上端接电源侧,下端接负荷侧。
(5)在装表接线时,布线应该合理、清楚、整齐、美观;必须严格按照电能表端子盒内的接线图接线,对无接线图的电能表,应先查明内部接线,注意电能表的电流线阇必须串入相线;三相电能表必须按正相序接线,三相四线电能表必须接入零线。
(6)按要求做好保证安全的组织措施和技术措施。
2.经电流互感器接入式低压三相电能表安装的基本要求
(1)高供低计的用户计量点到变压器低压侧的电气距离不宜超过 20m。
(2)低压电流互感器的安装应按下列原则进行:电流互感器的安装位置应便于检查及更换,安装必须牢固,其外壳的外露金属应良好接地;电流互感器不允许穿多匝(实际工作中,如果穿心式电流互感器的一次绕组多于 1 匝时,必须使用绝缘导线绕制,并且应在互感器铁芯上分布均匀);电流互感器二次侧不允许开路;对双二次电流互感器只用一个二次回路时,另一个次级绕组应短接并可靠接地;低压电流互感器的二次侧不接地;低压电流互感器的接线应该正确、牢固。
(3)计量用二次回路的安装应按下列要求进行:二次回路布线应该合理、清楚、整齐、美观;二次回路导线的绝缘不得有损伤,不得有断线、接头,导线与端子的连接必须接触良好;二次回路的电压回路与电流回路应分别进入电能表。
(4)按要求做好保证安全的组织措施和技术措施。
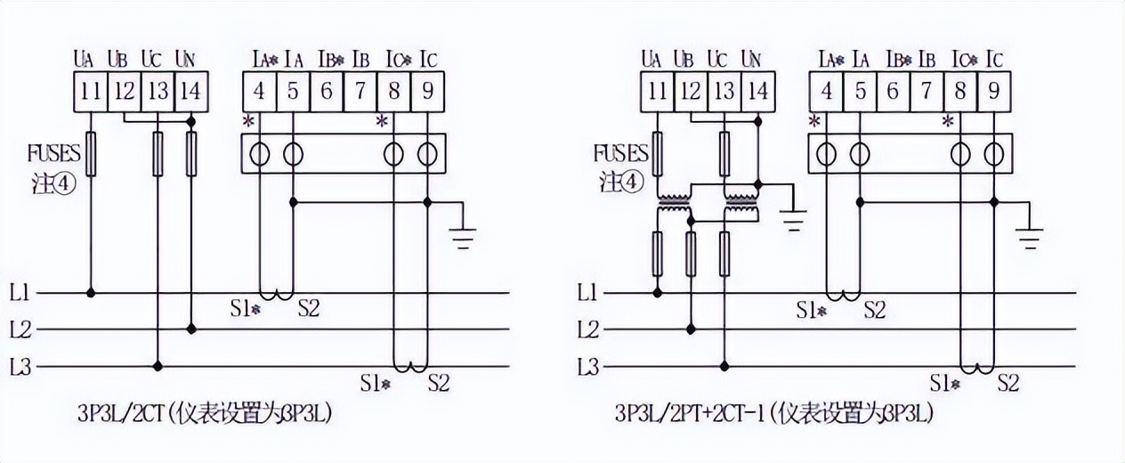
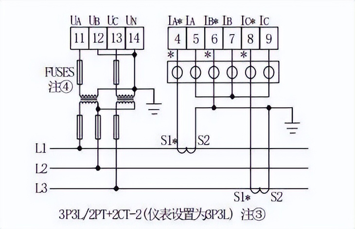
● 接线规范:
原则上电压信号线需经过保险端子后再接入仪表,电流信号线应经过电流实验端子后接入仪表。






仪表信号端子已实际为准


接线示意图
03 485通讯布线要求
线缆敷设要求:
1. 所有线缆放置于规定的线槽、地沟和线管内,不外露。
2. 除非与设备端或接线盒连接,所有线缆不续接。
3. 所有使用的标签为机器打印,不使用手写标签,标签具有防脱落、防水、防高温特性,标签上的编号应与图纸一致。
4. 所有设备端口都使用标签予以标识。
5. 485 通讯线缆采用手拉手接法,传输系统中屏蔽电缆屏蔽层与连接件屏蔽罩应可靠接触,屏蔽层应保持端到端可靠连接,进入中央控制室时应就近与机房等电位连接网连接,做到同一链路全程屏蔽、单端接地。

RS485 通讯接线示意图
6.建议最末端仪表的 A、B 之间加匹配电阻,阻值范围为 120Ω~10 kΩ。
7. 每条 485 通讯总线连接计量仪表不得超过 25 只,连接综保不得超过 4台。
8. 抽屉柜内仪表,仪表通讯线不得在抽屉柜插件上进行手拉手连接,应从插件上引出至接线端子后再手拉手敷设。
网线敷设要求:
1.网线的型式、规格应与设计规定相符。
2.网线在各种环境中的敷设方式、布放间距均应符合设计要求。
3.网线的布放应自然平直,不得产生扭绞、打圈、接头等现象,不应受外力的挤压和损伤。
4.网线两端应贴有标签,应标明编号,标签书写应清晰、端正和正确。标签应选用不易损坏的材料。
5.网线应有余量以适应终接、检测和变更。对绞电缆预留长度:在工作区宜为3~6cm,电信间宜为 0.5~2m,设备间宜为 3~5m;光缆布放路由宜盘留,预留长度宜为 3~5m,有特殊要求的应按设计要求预留长度。
6.网线的弯曲半径应符合下列规定:
● 非屏蔽 4 对对绞电缆的弯曲半径应至少为电缆外径的 4 倍。
● 屏蔽 4 对对绞电缆的弯曲半径应至少为电缆外径的 8 倍。
● 主干对绞电缆的弯曲半径应至少为电缆外径的 10 倍。
● 4芯水平光缆的弯曲半径应大于 25mm;其他芯数的水平光缆、主干光缆和室外光缆的弯曲半径应至少为光缆外径的 10 倍。
缆线终接应符合下列要求:
1. 缆线在终接前,必须核对缆线标识内容是否正确。
2. 缆线中间不应有接头。
3. 缆线终接处必须牢固、接触良好。
4. 对绞电缆与连接器件连接应认准线号、线位色标,不得颠倒和错接。
5. 终接时,每对对绞线应保持扭绞状态,扭绞松开长度对于 3 类电缆不应大于 75mm;对于 5 类电缆不应大于 13mm;对于 6 类电缆应尽量保持扭绞状态,减小扭绞松开长度。
光纤敷设要求:
1. 系统所用光缆必须使用单模光纤,熔接后的尾纤接头型号必须与设备匹配。(安科瑞提供的光纤通讯设备一般都是 sc 接口)

2. 光纤接头盒端口处应标示清楚光纤编号并确保对应端编号顺序一致。

3. 光纤接头盒应固定在机柜内或采集箱内,不得放置在无保护措施的位置。