1、适用范围
1.1本管理规定适用于XX集团所有项目标准层公共部分、住宅批量精装修工程的招投标及现场施工指导。
2.2若承包商对以下要求有任何异议,应立即向XX集团提出,由XX集团做最终决定,否则视为接受。
2、依据
2.1 国家、地方及行业相关规范、标准。
2.2 XX集团内部设计、工程标准。

3、 “四化”定义及内容分解
3.1 四化的定义
图纸深度标准化、材料加工工厂化、现场管理可视化、施工现场整洁化。
3.2 四化的内涵
( 1) 改进图纸深度以及与现场的匹配度,减少后期变更成本和出错概率。
( 2) 以集中加工方式解放生产力提高效率并稳定质量。
( 3) 固化批量装修工程的过程控制措施,避免因人而异带来的不稳定。
3.3 精装修四化的策划
3.3.1项目部必须在招标前编制本项目精装修四化策划书,策划书内容必须包括:集中加工区域平面布置图、
3.3.2各施工作业面的排版策划、品质提升措施等。确定施工单位后,由施工单位对四化策划书进行深化。

4 、图纸深度标准化
4.1 目的
为保证装修设计图纸的质量和完整性,统一装修设计及制图标准,给预算和施工提供准确依据,避免 不同专业施工冲突,方便现场组织实施,需要在项目现有施工图纸深度的基础上,结合装修施工实际情 况,对图纸进行深化。
4.2 实施条件
(1)装修施工图与样板房的核对已完成,图纸会审已完成。
(2)现场测量已经完成,甲方已确定标准尺寸。
(3)装修材料确认并封样。
(4)精装修分包单位已确定并已经提供分包专业图纸。

4.3 图纸深化的步骤
4.3.1 图纸深化原则
( 1) 立面图和测量尺寸数据、专业内门图纸、开关插座定位图、专业橱柜图纸叠加,融合生成调整后的 墙砖排版图,并重新生成开关插座定位图;
( 2) 墙砖排版图、重新生成的开关插座定位图、专业橱柜图、土建水电系统图叠加,融合生成调整后的水电定位走向图;
( 3) 吊顶天花图和专业空调系统图、水电定位走向图、灯具定位图叠加,融合生成吊顶龙骨排版图和石膏板排版图。
4.3.2 厨卫墙地砖排版施工图
测量分类后根据原设计排版图纸,按照设计墙地砖对缝原则进行排版。该排版图为 0 版图。
( 1) 墙砖排版根据橱柜图纸(考虑橱柜背板等不需贴砖的地方,节约成本)、开关插座位置(避免开关插座在砖缝)、给水点位(避免点位在砖缝)进行排版,墙砖排版时注意留铺贴缝隙1MM 。
( 2) 地砖排版:按照排好的墙砖对缝原则进行排版。
( 3) 压砖原则:按照视觉效果,考虑砖压砖走向,可以微调的灵活性及加工砖尺寸。
4.3.3 水电定位走向图
( 1)水管走向图
根据土建现场预留的点位、龙骨吊顶排版图(水管走天花时)绘制水管走向图。
( 2)电路定位图
根据开关插座面板在墙砖的位置、开关插座面板与空调面板下口平齐绘制电路定位图。
4.3.4 吊顶龙骨、石膏板排版施工图
( 1) 龙骨排版:根据顶面天花图、灯具定位图、空调定位图、空调管线图、暖气片走向图、上水管走向图、电线管走向进行排版,避免打架。
①主龙骨:离墙边主龙骨不大于300MM,间距≤ 1.2M
②副龙骨:间距≤ 300MM
③吊筋:间距≤ 1.2M
④空调四周和拐角部位均有主龙骨加强,空调风口四周有次龙骨收边,灯槽四周龙骨用L 型龙骨加细木工板加强(增加灯带平直度、不易产生裂缝)。若遇到灯、空调与龙骨碰头,则移开龙骨,龙骨间距大于 450MM ,增加一根次龙骨加强。
⑤龙骨吊筋在转角、空调风口边、灯槽边300mm 范围内必须布置一道,以防龙骨变形下垂。
( 2) 石膏板排版:根据龙骨排版图,按照副龙骨间距在石膏板上弹线,错缝排版。双层石膏板吊顶时,转角石膏板衔接处第二层石膏板与第一层的石膏板需错缝搭接排版。

4.3.5 厨卫墙地砖排版施工图( 1 版图)
( 1) 先放水平线(厨卫粉刷已完成) ,根据 0 版排版图放墙地砖对缝线。
( 2) 收边墙砖作为活尺寸,现场根据 0 版图放墙砖线,再测量每户门窗边墙砖活尺寸,每户每个厨卫间单独出图,绘制 1 版排版图, 1 版排版图是由 0 版排版图调整后得出的。
( 3) 1 版排版图主要是对墙砖的具体排版,吊顶龙骨排版、 水电图不作调整,仍延用 0 版图中的排版图,局部设计变更在 1 版图中修改调整, 1 版图完成后,墙地砖的加工尺寸完成,可统一下料加工。
4.3.6 瓷砖、石材、石膏板加工图
在厨卫墙地砖排版施工图( 1 版图)基础上,统计各种规格尺寸的材料数量,通过排列组合,编制瓷砖加工图、石材加工图、石膏板加工图和尺寸数量总表,并形成每户材料配送表。

4.4 图纸深化内容
|
现有设计图纸 ( 设 计院标准蓝图 ) |
每一户型各备一张设计说明 , 材料表 , 平面布置图 , 立面图 , 顶面图 , 灯位定位图, 空调风口定位图 , 地面布置图 , 插座布置图 , 开关定位及控制图 , 厨卫立面图, 节点详图。 |
|
排版图设计 ( 装修 公司绘制 ) |
每一户型各备一张客厅、卧室顶面龙骨排版图 , 客厅、卧室顶面石膏板排版图, 卫生间顶面龙骨排版图, 卫生间顶面石膏 ( 铝扣 ) 板排版图 , 厨房顶面龙骨排版图 , 厨房顶面石膏 ( 铝扣 ) 板排版图 ; 每一户各备一张厨房地面排砖图, 厨房各面墙砖排版图, 卫生间地面排砖图, 卫生间各面墙砖排版图。 |
|
定位图设计 ( 装修 公司绘制 ) |
每一户型各备一张给水点及管线定位图, 给水系统图, 插座定位图(强电、弱电),电路系统图。 |
|
立面综合图设计 ( 装修公司绘制 ) |
每一户型各备一张客厅四面墙综合图, 厨房四面墙综合图, 卫生间四面墙综合图, 卧室四面墙综合图。 |
|
节点详图设计 ( 装 修公司绘制 ) |
每一户型各备一张客厅节点详图, 厨房节点详图, 卫生间节点详图, 卧室节点详图。 |
|
加工图设计 ( 装修 公司绘制 ) |
瓷砖加工图, 石膏板加工图、尺寸数量总表,每户一张材料配送表。 |

5、材料加工工厂化
5.1 目的
为了提高产品加工精度,提升施工效率,提升现场文明施工管理水平,对现场二次加工的材料在场外或现场集中加工完成,成品运输至施工现场。(鼓励材料定尺采购的方式)
5.2 适用范围
适于集中加工的材料及机械需求情况
|
材料名称 |
使用部位 |
加工车间名称 |
使用机械 |
加工成品 |
|
墙地砖 |
橱卫间、公共区域 墙地面等 |
墙地砖加工区 |
瓷砖切割机 |
按照瓷砖加工图加工,按照 尺寸分类堆放,按照墙地砖排版图每户统一配送 |
|
木门套、窗帘盒 基层 |
门套、窗帘盒 |
木加工区 |
木工圆盘锯 |
按 照 每 户 现 场 测 量 尺 寸 加 工,统一配送 |
|
吊顶吊筋、 龙骨 |
吊顶基层 |
吊顶加工区 |
切割机 |
按照排版图尺寸加工,按照 房型堆放,统一配送 |
|
石膏板 |
吊顶面层 |
吊顶加工区 |
切割片 |
按照石膏板加工图加工,按 照尺寸分类堆放,统一配送 |
|
石材 |
卫生间墙地面、 玄 关地面等 |
石材厂家场外加 工 |
红外线石材切 割机 |
按照石材加工图加工,按照 尺寸分类堆放,按照墙地砖 排版图每户统一配送 |
|
腻子 |
天花、墙面 |
油漆加工区 |
搅拌器 |
按照每天使用量集中加工, 统一配送。 |
5.3 实施条件
( 1) 加工场地搭设完成 .
( 2) 装修图纸( 1 排版)经过设计确认。
( 3) 装修材料确认并封样。

5.4 加工区场地布置
5.4.1 集中加工区搭建原则
选择施工现场空地采用集装箱或者板房搭建,或者在施工区域(如商铺)选择相对独立的空间布置、或者在地下室用双层彩钢板搭建。集中加工区的搭建主要考虑三大方面:
( 1) 实用性:区域规划充分考虑材料进出方便,生产环节操作流转灵活,如墙地砖加工区的原料仓库— 加工区—墙地砖成品堆放区,三个区域顺序相连,方便加工操作,同时也避免反复搬运造成材料破损或弄混乱等。
( 2) 舒适性:加工区可以按照工厂化管理方式,现场文明整洁,工作环境舒适;学习展示功能齐全。在加工区内配备专职清洁工,负责整个加工区内的场地和废料打扫清理工作。
( 3) 安全环保性:加工区内临时电分路排布,临电材料采用合格指定产品;木加工房间设灭火器;进门位置设 24 小时门卫;面砖加工区切割材料废水收集循环利用;防腐剂等化学材料集中使用管理,加工废弃材料分类收集。
5.4.2 集中加工区布置
①集中加工区场地包括如下区域:门卫室、集中加工区域、装饰总包仓库、甲分包单位仓库、材料样板间、成品保护样板展示间、建筑垃圾临时堆放区、原材料堆放区、卫生设施区等。
②集中加工区分为墙地砖加工区、木工加工区、吊顶加工区、油漆加工区等,主要用于材料集中加工;
③甲分包单位仓库主要给橱柜、木门、地板等甲分包材料堆放加工;材料样板间和成品保护样板间主要做样板展示。
( 1) 材料样板间
①为把好材料质量关,让监理人员、施工人员对材料有直观认识,同时明确材料标准,在材料进场时作为验收依据,在集中加工区设立材料样板间,并张贴样板材料清单。
②甲供材料、甲指乙供材料、乙供材料分类归放;其中甲供材料有设计、采购、项目相关人员签字,乙供材料有设计、项目、监理人员签字。

( 2) 成品保护展示间
为了促进现场工人对于各种成品保护的直观认识,确保施工现场成品保护做到标准统一、简洁有效,可以在集中加工区设立成品保护展示间,将成品保护标准具体化;同时将此作为工人学习培训的道具。

( 3) 材料加工区
①材料加工区包含原材料堆放仓库、材料切割与分装区、成品仓库;各区域按照生产流线顺序布置,布局合理,避免材料在库房内倒运;做到仿工厂化流水线作业。
②瓷砖切割采用大型切割机和倒角机;采用水切割,角部设置一个集水坑保证水循环利用;碎砖材料也充分利用。分装区对加工成品根据每户材料清单包装后转入成品仓库。


5.5 集中加工作业流程

5.5.1 集中加工区岗位设置与分工
( 1) 协调岗
集中加工区协调岗(加工车间负责人)负责收取铺贴班组领料单,安排集中加工组进行加工,并分派配送班组进行配送。
( 2) 铺贴班组领料员
铺贴班组领料员(班组长)根据本班组施工进度提前 2 天以上开领料单,开单需注明送料时间、铺贴房号、铺贴房间。
( 3) 集中加工组
①切割加工人员宜聘请墙地砖加工厂专职切割技术员。
②集中加工进度需集中加工区协调岗根据施工进度统一安排。
③集中加工区根据《总加工尺寸数量汇总表》分规格集中加工,并根据排版图中的编号在加工好墙地砖背面进行标注,并按品牌、相同规格有序排放。
( 4) 配送组
①配送班组负责配料、包装和送货。
②配送组按照领料单以及每户材料配送表配送材料,并认真核对铺贴房间、位置、尺寸规格和数量等,整块砖到仓库直接领取,在包装箱上写明送货房号、铺贴位置等;需加工的砖到加工区领取并打包,墙地砖用纸板进行包裹,并用封箱带固定。包装箱上注明材料品牌、送货房号、铺贴位置等。
③配送组需按照领料单上的送货时间,将包装好的材料送至指定房间。
5.5.2 运输器具
( 1) 垂直运输:根据现场勘测,由于施工前期湿作业如墙面粉刷、现浇地坪、铺贴墙砖等材料用量比较大,上下也较频繁,为提高施工效率及方便,宜采用室外土建总包人货电梯;后期饰面工程采用室内正式电梯,室内电梯使用前按照万科规定做好保护工作,并定期委派专人进行检查维护。
( 2) 平面运输:平面运输由施工底层至各楼层,该段瓷砖涂料等采用特制抗震小推车,砂浆等流体材料采用劳动车等。

5.6 集中加工管理原则
( 1) 按批加工原则:为提高加工效率,同种规格的材料集中加工;但同时需要兼顾操作面按套施工的需要。可以根据批量大小,将楼栋划分为若干批次(如五层一批),同批相同规格批量制作加工。
( 2) 定人定岗原则:为提高工作效率,不同岗位应安排专人作业,如划分为翻样岗、加工岗、包装岗、仓储岗、分发岗、运输岗等,以配合不同工作的需要;同时对专业人员给与必要的培训及实习,减少出错几率。
( 3) 按需供货原则: 根据施工进度情况派送材料。
楼栋长根据施工进度, 以及监理对施工界面验收情况,下达次日作业面送货计划,以便材料日供日清,控制材料及现场文明管理;同时便于监理对工作界面移交质量的控制。

6、现场管理可视化
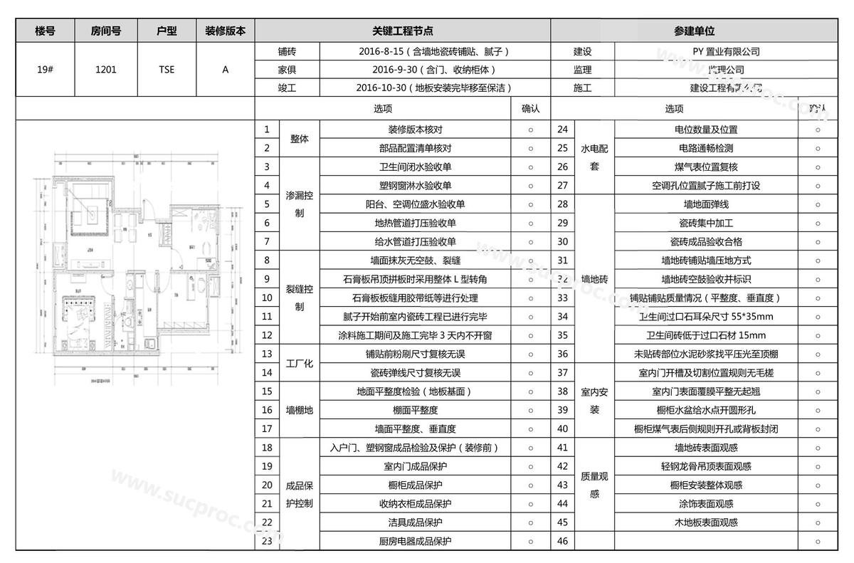
装修房施工现场品质、进度、工序过程进行可视化管理,设置清晰的过程控制表格,张贴在施工现场,包括《质量可视化表》、《进度可视化表》、《加工可视化图集》三种可视化表格,同《质量档案》一起建立一户一档质量管理资料。
6.1 质量可视化表
6.1.1使用对象:项目部、精装总包、监理
6.1.2用途:用于检查和监控每户关键工作节点的质量检测情况。
6.1.3使用场所:此表张贴在每户入门处。

6.2 进度可视化表
6.2.1使用对象:项目部、精装总包、监理
6.2.2用途:用于描述项目实施过程各单元主要工序动态完成情况,为项目进度管理提供充分依据。
6.2.3使用场所:此表张贴于各单元大堂内。

6.3 加工可视化图集
6.3.1使用对象:项目部、监理、精装总包单位各班组
6.3.2用途:明确集中加工各工序从设备要求、加工方法、包装要求、运输方法、安装过程到成品保护的全过程操作指引。
6.3.3使用场所:可张贴在现场加工区和安装区。

6.4 质量档案
6.4.1《每户质量档案》是装修房装修工程全过程工程检验记录(工程版)。具体情参照集团下发的《实量实测》制度附表内容《每户质量档案》,整理后归档于档案柜内。
6.4.2质量档案包含内容:
①材料设备验收:记录着所有进场材料、设备的品质。
②装修基础面验收:记录着装修工作面的土建施工标准。
③装修过程质量检验:记录着装修全过程中重要的工程点及隐蔽工程品质。
④装修竣工验收:记录着最终交付给客户的产品品质。

7、施工现场整洁化
施工现场整洁化按《XX集团安全文明技术标准》执行。
四化管理新增了一些合理化的措施,如下表:
|
序号 |
管理项 |
新增合理化措施 |
|
1 |
施工工序 |
要求实行以户为单位的单工种单工序流水施工 |
|
2 |
安全文明 |
建议使用大功率吸尘器 推广三箱,即垃圾箱、工具箱、水泥灰槽 |
|
3 |
成品保护 |
要求使用成品保护车。 |
|
4 |
现场管理责任划分 |
实施大总包管理 |
|
5 |
现场保洁 |
参照XX集团颁布的《装修房交付保洁 验收标准》 |
