摘 要
本文主要研究基于UG的三维CAD设计和CAM自动编程的过程。首先利用UG软件的CAD模块对要加工的零件进行实体建模,然后以零件的三维实体模型为依据,得到它的实体造型,并讨论了零件三维实体建模的方法、建模过程与处理技巧。
在零件形状结构分析的基础上,制定它们的加工工艺,分析数控自动编程的方法与特点,利用UG的CAM模块,完成粗加工、半精和精加工的NC编程,并对生成的操作进行切削仿真加工,检查操作的正确性。最后对生成的操作进行后置处理,生成数控机床可以识别的NC代码程序。
关键词:UG,CAD,CAM,自动编程
Abstract
This article introduces the process of how to design the part using the function of CAD and CAM basing on the UG software. First of all utilize UG software CAD module to adjust the spare parts which will be processed and carries on the entity model building. Afterwards the three dimensions physicals model with the spare parts are the foundation, Obtain its solid modeling, Moreover talk about three dimensions on the spare parts entity models building means, Model building process together with handle technique.
Be living on the spare parts forms shape structural analysis base, Draw up their process technology, Digital control programming means together with distinguishing feature are analyzed, Utilize the CAM’s module of UG, Rough machining completed, Semi picked and precision work NC’s programming, Moreover to the formation operation cuts imitation, Right quality that the check is manipulated. Place the handle afterwards finally being underway to the formation operation, NC’s code source program that the formation APT may be discriminated.
Keywords: UG;CAD;CAM;Automated programming
- 目 录
- 引 言............................................ 1
- 第1章 概述....................................... 2
- 1.1 CAD/CAM技术发展简史............................................. 2
- 1.2 CAD/CAM技术概要................................................. 3
- 1.3 本课题零件介绍................................................... 4
- 第2章 锻模零件工艺分析............................ 5
- 2.1锻模零件结构形状分析............................................. 5
- 2.2锻模零件工艺分析................................................. 5
- 第3章 锻模零件CAD建模............................ 6
- 3.1锻模零件实体建模方案............................................ 6
- 3.2锻模零件CAD建模过程............................................ 6
- 第4章 锻模零件CAM加工........................... 16
- 4.1 创建毛坯....................................................... 16
- 4.2 创建刀具、方法和几何体父节点组................................. 16
- 4.3 创建刀具轨迹并生成数控程序..................................... 21
- 结 论........................................... 34
- 参考文献........................................... 35
- 致 谢........................................... 36
引 言
随着电子技术在制造业的推广及应用, 传统机械加工方法正逐渐被先进的CAD /CAM (计算机辅助设计与制造) 所取代。应用传统的加工方法, 不仅生产率低, 且精度得不到保证, CAD /CAM软件在机械加工中的应用, 为我们开辟了一种新的设计、加工途径, 并使机械制造能力上了一个新的台阶。
UG/NX作为参数化CAD/CAM软件系统的代表,主要用于汽车、航空航天、机械电子、模具制造等行业,实现了产品零件或组件从概念设计到制造全过程设计的自动一体化,提供了以参数化为基础,基于特征实体造型,部件间的关联设计等技术。其核心技术是采用非均匀有理B样条(NURBS)作为曲面造型的基础,融线框模型、曲面造型、实体造型为一体。参数化和特征化的实体模型系统,系统是建立在统一的富有关联的数据库基础上,提供了工程上的完全关联性,使CAD/CAM/CAE各部分数据自由联动切换。
以基本特征作为交互操作的基础,利用特征技术,用户可以在更高层次上进行产品设计、模具设计、数控加工编程、工程分析,实现并行工程CAD/CAPP/CAM的集成与联动。系统采用统一的三维几何模型,使产品设计、模具设计、数控编程、工程分析等环节的修改自动映射到与其关联的环节,排除不协调,保证产品设计的统一性和唯一性。基于关联模型的产品定义包含产品的生命周期(设计、分析、制造、检测等)信息,产品数据定义规范化使产品生命周期的设计数据表达实现标准化,不仅有利于与CAD/CAM系统之间交换信息,而且支持产品及模具工装设计、工程分析、数控编程、生产管理等信息的共享。在UG/OPEN提供的二次开发函数据的基础上,用户可用C或C++语言进行二次功能开发,UG/NX提供的基于专家的模具设计、先进的数控加工编程功能使得模具设计与制造变得更为轻松可靠。
我们运用UG软件的建模和加工模块, 完成了零件模型建立——加工过程的设计——加工过程的仿真——加工参数修正——数控机床后置处理转换——生成数控程序——数控加工, 从而满足各项要求。采用这种方法不仅减少了编程人员的计算量, 还在一定程度上提高了产品的制造质量和生产效率。
第1章 概述
CAD/CAM技术是60年代兴起的一门新技术,它发展十分迅速,到80年代初,在工业发达的国家已经形成一个新的产业。CAD/CAM是实现产品设计和制造自动化的关键技术,在产品开发中,引入该技术进行产品概念设计、工程与结构分析,详细设计及数控编程,能大大提高产品质量,创造显著的效益。
CAD/CAM技术的不断发展和广泛应用,不仅在于它具有提高产品的设计质量,缩短产品的试制和生产周期等极具吸引力的优点,更重要的是,在计算机网络与数据库的支持下,它与制造自动化系统、质量保证系统以及管理信息有机组成计算机集成制造系统(CIMS ),将对社会劳动生产方式有根本性的影响,对传统产业的改造,对新兴技术和产业的兴起与发展,对增强国际竞争能力等方面都有巨大的推动作用。CAD/CAM技术的发展,促进我们对先进制造技术和生产模式的探索,我们己经从传统的生产模式转向数控加工,柔性制造乃至计算机集成制造(CIM)的生产模式上。
CAD/CAM 技术是计算机集成制造系统(CIMS )的基础技术,它的发展和应用水平己成为衡量一个国家科学技术和工业现代化的重要标志之一。
1.1 CAD/CAM技术发展简史
1963年,美国麻省理工学院的I.E.Suther land在他的博士论文中提出了SKETCHPAD系统,该系统的理论和技术奠定了CAD/CAM技术的基础。
随着交互式图形生成技术的发展,CAD/CAM技术也得到了长足的进步。60年代中后期,美国的一些大公司十分重视CAD/CAM技术,投入相当大的资金对CAD/CAM技术进行研究和开发,研制出一些CAD系统,如IBM的SMS, SLT/MST设计自动化系统,洛克希德的CAD/CAM,通用汽车的CAD-CDC公司开发了作为商品销售的Digigraphic CAD系统。此时的CAD系统基于大型计算机平台,规模庞大、价格昂贵,只有经济实力雄厚和技术力量强大的大型企业和科研单位才能研究和应用这一技术.
进入70年代后期,计算机硬件的性价比不断提高,图形输入板、大容量磁盘存储器和廉价的存储器的相继出现,以及数据库管理系统软件的开发,促使小型机和超级小型机为主的CAD/CAM系统进入市场并成为主流。出现了专门经营CAD/CAM 软硬件的公司,如CV (ComputerVision), Intergraph, Calma, Applicon等。与大型计算机CAD/CAM系统相比,其价格相对便宜,使用和维护也相对简单。因此CAD/CAM技术有了进一步的发展,应用范围相继扩大,主要集中在航空、电子和机械工业。同时对三维造型技术开始进行研究。
70年代末,32位工作站和微机的出现对CAD/CAM技术的发展起了极大的推动作用。工作站具有较高的响应速度,特别运用于CAD/CAM系统。而且,网络技术的支持使得资源可以共享,各台计算机能够发挥各自的特点.因此,可以根据需要和经济条件以及CAD/CAM技术的发展逐步投资,逐步发展和扩大CAD/CAM系统的功能和规模。
80年代中后期,工作站平台的CAD/CAM发展很快,到目前己经成为CAD/CAM 系统应用的主流。这种系统的制造商只提高硬件和系统软件,而具体的CAD/CAM应用软件由专门的公司研制和销售,现在活跃在市场上的公司有SDRC. PTC. UGS等,其产品种类多,各具特色。
随着微机的性能价格比的不断提高以及网络技术的迅猛发展,许多公司己将CAD/CAM系统移植到微机平台,可以预见,随着CAD/CAM领域的不断扩大,高性能、低价格、易维护的微机平台CAD/CAM 系统将成为主流。
1.2 CAD/CAM技术概要
计算机辅助设计和制造,简称CAD/CAM,指的是以计算机作为主要技术手段,处理各种数字信息与图形信息,辅助完成产品设计和制造中的各项活动。计算机辅助设计是人和计算机相结合,各尽所长的新型设计方法。设计过程包含分析和综合两个方面的内容.人可以进行创造性的思维活动,将设计方法经过综合、分析,转换成计算机可以处理的数学模型和解析这些模型的程序。在程序运行过程中,人可以评价设计结果,控制设计过程;计算机则可以发挥其分析计算和存储信息的能力,完成信息管理、绘图、模拟、优化和其他数值分析任务。人和计算机相结合,在设计过程中两者发挥各自的优势,有利于获得最优设计结果,缩短设计周期。
计算机辅助制造是利用计算机对制造过程进行设计、管理和控制.一般说来,计算机辅助制造包括工艺设计、数控编程和机器人编程内容。
计算机辅助设计和制造关系十分密切。开始,计算机辅助几何设计和数控加工自动编程是两个独立发展的分支。但是随着它们的推广应用,二者之间的相互依存关系变得越来越明显了。设计系统只有配合数控加工,才能充分显示其巨大的优越性。另一方面,数控技术只有依靠设计系统产生的模型才能发挥其效率.所以,在实际应用中二者很自然地紧密结合起来,形成了计算机辅助设计与制造集成系统。在CAD/CAM 系统中,设计和制造的各个阶段可利用公共数据库中的数据。公共数据库将设计与制造过程紧密联系为一个整体。数控自动编程系统利用设计的结果和产生的模型,形成数控加工机床所需的信息。CAD/CAM可大大缩短产品的制造周期,显著提高产品质量,从而产生巨大的经济效益。
CAD/CAM系统可以从不同的角度加以分类。
按系统的功能范围,CAD/CAM 系统可分为通用系统和专用系统两类。通用的CAD/CAM系统功能全面,适应范围较广,例如,CATIA, IDEAS,Pro/E, EUCLID, UG等系统均属此类。这类CAD/CAM系统通常包括线框、实体和曲面造型模块、绘图模块、装配与零件设计模块、有限元分析模块、数据交换与传输模块和NC加工模块.专用的CAD/CAM系统指的是那些为特定的应用而开发的系统。这类系统通常只能适用于一定的专业,或用于解决某一类问题.例如,冲模CAD/CAM 系统和注塑模CAD/CAM系统皆属此类。
按运行方式,CAD/CAM系统可分为交互式系统和自动化系统。虽然人们正在研究以人工智能方式为基础的CAD/CAM系统,但在目前的技术发展水平方面计算机尚难以自动完成设计和制造中的全部工作。因此,绝大多数CAD/CAM系统属于交互式系统。这种系统以交互方式进行,由于计算机检索数据,分析计算,并将运算结果的图形或数据的形式显示在屏幕上,利用键盘和图形板等交互设备输入参数,选择方案、修改设制、控制运行的进程。
另外,CAD/CAM系统从硬件角度可分为主机系统、工作站系统和微机系统;按软件的开放性可分为交钥匙系统(Tum-key System)和可编程系统(Programmalbe system).
1.3 本课题零件介绍
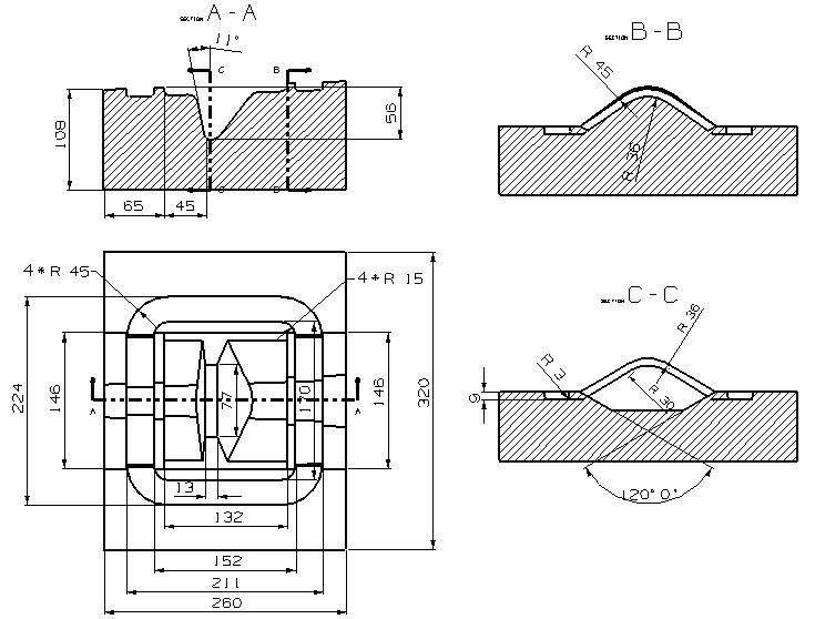
锻模材料为5CrNiMo,如图1.1是锻模零件图。

图1.1 锻模零件图
第2章 锻模零件工艺分析
2.1锻模零件结构形状分析
这是一磨擦楔块锻模零件,零件中间凹,两边有凸台,而且是一个2°的斜台,四周有一圈深6mm的飞边(跑料)槽,中间凹下去的部分是零件最核心的型腔部分,Z-56最深处的形状是个矩形,它的四周是四个不同角度的斜面,这是整个锻模零件最核心的部分。为了避免应力集中,整个锻模曲面的交接处和四周角落都倒有3mm的过渡圆角。
2.2锻模零件工艺分析
这是一磨擦楔块锻模零件,材料为5CrNiMo,该材料具有优异的韧性和良好的冷热疲劳性能,毛坯外形为已加工成形。为提高加工效率,先采用较大的θ32R6的圆鼻刀(硬质合金可转位刀具)对锻模零件进行粗加工(型腔铣),生成IPW“过程毛坯”(In Process Workpiece),然后换φ10mm的立铣刀进行残料加工。粗加工之后,采用固定轴曲面轮廓铣中区域铣削驱动方式,用φ8mm的球头刀对跑料槽和型腔进行半精加工,用同样的驱动方式对锻模左右两凸台面进行半精加工,然后复制上述两个半精加工刀具轨迹,通过修改切削参数的方式,把半精加工的刀具轨迹修改成精加工刀具轨迹。最后用θ20mm的立铣刀对锻模的分型平面进行精加工。工艺方案见表2.1

第3章 锻模零件CAD建模
3.1锻模零件实体建模方案
图样中确定零件形状的关键截面有四个:主视图的左端面、右端面和中间的B-B、C-C截面。图样中提供的最关键的尺寸是C-C截面尺寸和2°倾斜角,根据这些数据我们可以推算出其余三个截面,最终根据这四个截面来造型。具体建模方案是:
(1) 做出四个截面。
(2) 根据左右二端的截面线做拉伸,得到整个造型的主体。
(3) 根据中间二个截面做拉伸切除,做出型腔中8.7mm部分。
(4) 根据Z-56深处的长方形和四周的斜度做出延伸到上面的截面并做拉伸切除,得到Z-56型腔。
(5) 做出6mm深槽的凸形,与已经做好的模型进行布尔运算。
(6) 倒出各圆角。
3.2锻模零件CAD建模过程
(1)生成底部截面线
进入建模界面后,选择【曲线】中【矩形】命令,在【点构造器】中,输入第一顶点坐标XC为【160】,YC为【130】,第二顶点坐标XC为【-160】,YC为【-130】。点击确定,完成底部的矩形截面线。

图3.1 生成底部截面线
为便于画出锻模关键的四个重要截面(左、右端面,B-B、C-C端面),我们需要切换旋转工作坐标系。先用【原点】命令移动坐标系原点,移动值YC【-65】,ZC【110】。再用【旋转】命令,选中【XC轴:YC--﹥ZC】,旋转【角度】输入【90】,点击确定,坐标系变换如图3.1所示。
(2)画出C-C截面内的图形
先进入绘制草图环境,先画出大概轮廓,再添加草图约束和标注尺寸如图3.2所示。
4

图3.2 C-C截面草图

图3.3 截面轮廓选取

图3.4 变换对话框
(3)画出其他三个面的辅助面
先选择【隐藏】命令,在【分类选择】中点击(类型),在【类型选择】中点选【基准】,点击确定,回到上层菜单,再点击(选择所有的),最后点击确定,把草图中基准全部隐藏起来。
作左端面的截面辅助线:选择【变换】命令,点击(类型),在【类型选择】中选择【曲线】,点击确定后选择如图3.3所示草图中所作的几条线段,点击确定出现【变换】对话框,如图3.4所示。在其中选择(平移),再点击(增量),在ZC中输入【65】后用(复制)方式完成左端面辅助线。
用同样的方法把C-C截面的图形平移到B-B截面和右端面,分别在ZC中输入【-197】和【-63】后用(复制)方式完成变换操作,如图3.5所示。

图3.5 平移复制效果图

图3.6 作2°的直线
(4)作出2°的直线
先在【工作坐标系】的【旋转】命令中选择【XC轴:YC--﹥ZC】。旋转【角度】为【2】。然后在【曲线】中【基本曲线】命令中选择画(直线)方式,在【点构造器】中第一点ZC输入【70】,第二点ZC输入【-210】。如图3.6所示。
(5)作出左端面线
用【基本曲线】命令中(直线)方式捕捉上方圆弧象限点和下方直线中点画直线。然后用【变换】命令中(平移)方式,捕捉刚作的直线上方顶点和交点,复制出左端面等距圆弧线如图3.7所示。
再用【基本曲线】命令中直线方式,画等距圆弧与两端点的切线,删除上方一圆弧和两直线。
最后用【基本曲线】命令中(直线)方式画出左端面线,先以一端上方端点为起点,过程中点选【平行于】栏中XC,再捕捉左下角端点,自动生成平行线端点,再把两点相连,用同样方法作出另一端的线段,最终如图3.8所示。
9

图3.7 左端面等距圆弧线

图3.8 作左端面线
(6)作出右端面线
作右端面线可参照第5步中的方法,将右端面的等距线完成。其中平移圆弧线可参照第5步中的方法,连接端面线可参照第5步中的方法,最终如图3.9所示。

图3.9 作出右端面线

图3.10 B-B剖视截面图
(7)作出B-B剖视截面图
作B-B剖视截面线可参照第5步中的方法将B-B剖视截面的等距线完成。其中平移圆弧线可参照第5步中的方法,连接端面线可参照第5步中的方法,最后结果如图3.9所示。
(8)作B-B剖视中8.7等距部分的截面图
用【曲线】命令中的【偏置】,选中B-B截面上端的圆弧以及圆弧两端的切线,使偏置方向朝下,偏置距离为【8.7】。再用曲线编辑中的裁剪,把两端多余的偏置部分修剪掉,完成结果如图3.10所示。
(9) 作C-C剖视中8.7等距部分的截面图
步骤与上面第8步的绘制相同,其中需要用点选曲线来选择要偏置的三条线,作出后如图3.11所示。
(10)拉伸得出整个主体

图3.11作C-C剖视中8.7等距部分的截面图
在【层设置】的【工作】栏中输入【2】,使2层为工作层。用【自由形式特征】中【通过曲线】命令,选择左端面的截面线为第一曲线,右端面的截面线为第二曲面。选择过程中起点和箭头方向要一致,如图3.12所示。其余参数按默认设置,最后可得出整个主体,如图3.13所示。

图3.12 选取左右端面线

图3.13 拉伸出主效果图
(11)拉伸出8.7部分的型腔
选择【工作坐标系】的【原点】命令,在【点构造器】的YC中输入【50】。
用【曲线】中【基本曲线】命令的(直线)方式,在【点构造器】中输入第一点的XC为【80】,第二点的XC为【-80】,如图3.14所示。
选择【编辑】中【变换】命令,把刚作出的直线进行(平移)和(复制),其中选择(增量)方式,在ZC中输入【-132】,最后结果如图3.15所示。
下面作裁剪体的两个截面:用【曲线编辑】中【裁剪】命令,在【过滤器】栏中选择(曲线),勾选(裁剪边界对象)选项,以C-C截面左下角的直线段为第一边界、无第二边界,选取C-C截面上方直线左端为裁剪(延伸)对象;再以C-C截面右下角的直线段为第一边界、无第二边界,选取C-C截面上方直线右端为裁剪(延伸)对象。
用同样的方法将B-B截面中的上方直线延伸,此时结果如图3.16所示。

图3.14 生成顶部直线

图3.15 平移复制顶部直线

图3.16 分割曲线

图3.17 选择曲线
please contact Q 3053703061 give you more perfect drawings
4.3.10后处理NC程序输出
确认加工刀具轨迹正确后,再次选中【操作导航器-程序次序】下拉菜单中加工程序图标,然后点击【加工操作】中
(UG/后处理操作),弹出图4.20所示后处理对话框,在【可用机床】中选【MILL_3_AXIS】机床,确认输出路径后点击确定,生成NC程序。其中如图4.42和4.43分别是粗加工和跑料槽及型腔半精加工NC数控程序。

图4.40 选择加工面

图4.41 分型平面的精加工刀具轨迹

图4.42 粗加工NC程序

图4.43 跑料槽及型腔半精加工NC程序
结 论
论文对一锻模零件进行了分析和研究,通过对实例建模和加工的全过程研究,让自己对于UG的CAD和CAM功能都有了进一步的认识,同时也深刻体会到UG的CAD/CAM功能在对零件设计和加工中的高效率、高便捷。