图形















【文末免费领取电工/PLC学习全套资料】
【文末免费领取电工/PLC学习全套资料】
【文末免费领取电工/PLC学习全套资料】
电工电路图符号大全












电气元件符号大全
序号 元件名称 新符号 旧符号








【文末免费领取电工/PLC学习全套资料】
【文末免费领取电工/PLC学习全套资料】
【文末免费领取电工/PLC学习全套资料】




关于电路图的图形符号
一、电气制图采用的国家标准
GB/T 6988.1-2008《电气技术用文件编制 第1部分:规则》
2008标准对简图的定义术语是:“主要是通过以图形符号表示项目及它们之间关系的图示形式来表达信息。”(1997标准中定义为:采用图形符号和带注释的框来表示包括连接线在内的一个系统或设备的多个部件或零件之间关系的图示形式。)
对电路图的定义术语是:表达项目电路组成和物理连接信息的简图(1997标准中定义为:表示系统、分系统、装置、部件、设备、软件等实际电路的简图,采用按功能排列的图形符号来表示各元件和连接关系,以表示功能而不需要考虑项目的实体尺寸、形状或位置。)
关键字:图形符号、物理连接
二、GB/T 6988.1-2008标准中关于选用图形符号的规则
在5.12.1节(符号的选择)中指出:
符号应遵照有关国家标准或I EC、ISO、IEC/ ISO标准,例如:
——GB/T 4728 用于电气项目的简图和安装图,……。
当符号有其他形式时,应选择适合于所要表达目的的形式。
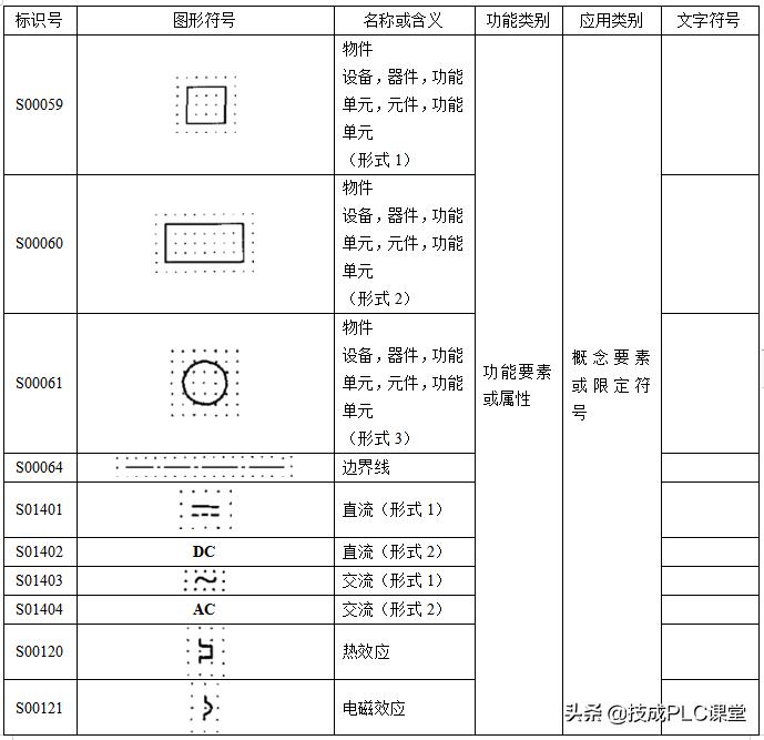
当没有适当的符号可用时. 可使用GB/T 4728 一般符号SO0059,S00060 或S00061 ,或使用按GB/T 4728 和ISO 81714-1,1999 的规定创建的符号,见本部分规范性附录A。
符号可由GB/T 4728 中的一般符号S00059,S00060或S00061 之一组合下述符号构成:
一般符号中可作为限定符号的符号;
一般符号中描述性的文字。
注意图10的例子。

图10 用一般符号代替一个符号示例 DC
此例说明图形符号的非唯一性,关键是能正确地表达信息,但存在优先选用的问题。
• GB/T 4728.1-2005《电气简图用图形符号 第1部分:一般要求》的规定:
• 郭汀的解读:“进行电气设计时,首先应了解标准,包括国家标准、行业标准,应该选用标准符号。表示同一含义,只能选用同一种符号,如果标准中有所需符号(含示例符号),应直接使用;如果标准中没有,应根据符号的功能组图原则,用符号要素、一般符号加限定符号组合。如因符号不全或组合的符号太大与图纸幅面不协调时,才可根据组图原则考虑用复合组件符号或设计新符号。”
三、符号的功能组图原则
1、有关术语
① 符号要素 图形符号的组成部分。
说明:符号要素是有确定意义的简单图形,不能单独使用,必须同其他图形组合才能构成事物或概念的完整符号。
② 限定符号 附加于一般符号或其他符号之上,以提供某种确定或附加信息的图形符号的组成部分,不能单独使用。一般符号也可作为限定符号使用。
③ 一般符号 表示一类事物或其特征。是同一类产品中各种产品的通用符号,可单独使用,可加限定符号组成一特定产品的图形符号,还可作限定符号。
2、符号选用及组合
符号的组合方法主要参考:GB/T 6988.1-2008标准提供的规范性附录A。
附录A包括:一般规定、微型断路器图形符号组图示例和PLC示例,应着重理解其组合的方法。
总的说来,基本的组合方法是按基本概念选用一个符号,再将其与一个或多个适当的补充符号组合。而GB/T 4728.1 2005指出:“已有符号组合生成的符号和依据GB/T 16901.1 和GB/T 16901.2 的规则生成的符号可认为符合国家标准。”
过于复杂的复合组件,可采用围框加注释的方法构成图形符号,例如附录A中的PLC,以及变频器等。
在PLC示例中,没有给出端子,GB/T 4728.1 2005的规定是:“大多数符号不带明显的端子符号,一般来说元件符号上不必加端子、电刷等符号,少数情况下,数据库中端子是符号的一部分,这时简图中端子应画出。”但器件的引出线往往是从端子引出的,因此须标明端子代号。
表1 GB/T 4728的部分符号








表2 YL-235A电气器件图形符号示例



时间继电器
时间继电器是一种从得到输入信号(线圈的通电或断电)开始,经过一个预先设定的时延后才输出信号(触点的闭合或断开)的继电器。根据延时方式的不同,可分为通电延时继电器和断电延时继电器。

(来源:百度文库收集整理,如有侵权,请联系删除!)
