文/小伊评科技

想要解释清楚什么样的充电时正确的,首先我们还是应该搞清楚什么样的行为对于手机锂电池是有害的。(锂电池虽然没有想象中那么娇弱,但是良好的习惯还是可以有效地增长锂电池的寿命)
锂电池的寿命是以充放电周期来衡量的,也就是充满一次,耗尽一次总电池容量就是一次完整的充放电周期,正常的锂电池的寿命大体是500-800次充放电周期,以目前消费者对手机的使用和充电频次来看,一天完成一次充放电周期是普遍的水平,也就是说,正常一块锂电池的寿命也就是一年半到两年,这是物理特性而决定的,只要正常使用大体都能达到这个周期。
那么锂电池最怕什么?主要有四个:
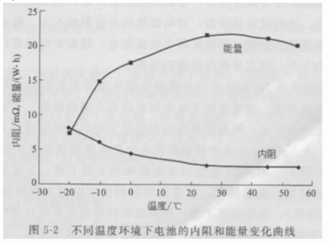
1.高温:高温是锂电池的第一大杀手,温度过高会导致锂电池中锂离子加速反应从而产生内部的短路现象,影响锂电池的寿命。目前锂离子电池的正常工作温度范围为0-40摄氏度这个区间,高于45度就会破坏电池内的化学平衡,导致不可逆的损伤。这是有科学根据的,如下图所示,超过50度,能量就开始下降了,如下图所示,在环境温度超过45度的时候,锂电池能量是在下降的。(相较于低温,高温的影响是更加不可逆的,低温更多的是造成暂时的影响,并不会造成永久性的损伤,当然了长期暴露在超低温的环境中肯定也是有害无利)

2.过充:所谓过充就是一直给锂电池充电,而充电的容量大于其所承受的极限,这个时候不光会损坏锂电池,甚至可能造成锂电池BOOM,不过,现阶段的手机锂电池都配备了非常齐全的防过充的装置,在电池内部,充电器上都会有类似的保护装置,所以这种现象几乎不会发生在我们日常生活中。(哪怕长时间插着充电器也不会造成实际损伤)
3.过放:所谓过放,就是把电池中所有的电量都完全释放完毕,过度放电会导致锂电池负极碳片层结构出现塌陷,而塌陷会造成锂电池充电过程中锂离子无法插入;以及锂电池过度充电使过多的锂离子嵌入负极碳结构,从而造成能量密度的损失,简单来说就是电池越来越不耐用了,这个问题我们日常生活中很容易会遇到。
4.过高的电流和电压:过大的电流和电压同样也是锂电池的杀手,不过在日常使用手机的时候,只要所使用的是原装或者正常合规的充电器,一般很难遇到这个情况,因为电池和充电器都会有限流装置。
好了,在弄清楚什么行为对于锂电池有害之后,对于我们普通消费者来说,日常最需要注意的就是两点——

(1)不要在玩游戏的时候给手机充电:在玩游戏的时候,手机的机身温度都会不同程度地提高,而充电本身也会导致手机电池温度的提升,如果一边玩游戏,一边还充电,其结果就是导致温度超标,从而影响锂电池的实际寿命,造成不可逆的损害,这种损害当然不是立竿见影的,而是一个积累的过程,长此以往,慢慢的你就会发现,手机还没用多长时间,电池就不耐用了。
(2)不要频繁地把手机电量用到自动关机,也不要频繁地让电量保持在10%以下的水准,最好在20%左右就给手机充电:过放对于手机锂电池的损害是非常明显的,长期高频词的过放,会导致锂电池的活性衰减,从而导致能量密度下降,影响手机电池的耐用性。笔者手中的iPhone12,就是因为经常低电量运行,导致电池收到不可逆的伤害,这才不到一年,电池健康就只剩88%了。

如何正确的充电:随用随充。
最正确的充电方式就是随用随充,只要手机空闲,有充分的充电条件就给手机进行充电,这样做的好处是可以避免手机电池位于低位,同时也避免了突然遇到紧急情况的时候手机没电的窘境。目前绝大多数手机所支持的快充在充电的前半段一般都会拥有更大的功率,充电速度也会很快。
end 希望可以帮到你