1 哪里都有你—信号
信号?用手机,你就有机会说“信号”了。在楼房里,你可能会说“信号差”;手机的信号条没有了,你会说“手机没信号”。
什么是信号?
交通灯是信号,一个眼色、一个手势也可以是信号。生活中处处都有信号。
手机信号是“无线电波”、“无线电信号”,它看不见,摸不着。

2.1信号差,难以通话
通常可以用示波器、频谱分析仪等设备来检测无线电信号。可用频率、幅度、相位等参数来描述无线电信号。对于一般的维修人员来说,很少关注信号的相位。
1.1 信号的频率
频率,指单位时间内信号发生周期性变化的次数。频率的国际单位是赫兹(Hz)。
简单地理解—若信号在1秒内只周期性变化一次,则信号的频率为1Hz;若信号在1秒内只周期性变化两次,则信号的频率为2Hz,如图所示。

2.2 1Hz与2Hz信号示意图
无线电信号很多,频率相当于无线电信号的名字。通过频率可以区分、检测、识别、分离不同的无线电信号,也可以区分不同的信号、电路与无线应用。
赫兹(Hz)是频率的基本单位。在实际应用中,还有千赫兹(kHz)、兆赫兹(MHz)、吉赫兹(GHz)等,它们的换算关系如下所示:
1000Hz = 1kHz 1000kHz = 1MHz 1000MHz = 1GHz
1.2 信号的幅度
幅度指信号波形的最大上升值和最大下降值,它指明信号的强度,通常用电压(伏,V, Voltage)来表示。
在图2.3所示的信号波形图中,信号A和信号B在单位时间内的变化次数是一样的,即,信号A和信号B的频率相同。但信号A的幅度比信号B的幅度大。

2.3 模拟信号幅度说明示意图
1.3 信号的增益与损耗
信号经过电子元器件或电路后,其强度(幅度)会发生变化。
如果一个器件或一个电路的输出信号比输入信号大,那么,它所表现出的就是“增益”(gain),如图所示。我们称这个器件或电路是放大器(Amplifier)、放大电路。

2.4 增益示意图
如果一个器件或一个电路的输出信号比输入信号小,那么,它所表现出的就是“损耗”(loss),如图所示,可称为经历衰减或被衰减。

2.5 损耗示意图
2 绕不开的“地”
电路中有“地”。“地”是电子技术中一个很重要的概念。电路中有模拟地、数字地,有音频地、IO地,等等。
一般的维修人员不必理会那么多。从维修的角度看,电路的“地”就是零电位的参考点。在实际电子电路中,电路板上大片的铜皮或金属屏蔽罩,通常都是“地”。测试电路中的电压等信号时,通常将万用表的黑表笔或示波器的探头接地线连接到“地”。
在电路图中,常见的“地”的电路图形符号如图1所示。一个机器的电路可能有多种不同的“地”,如图2
所示。这些不同的“地”通常是通过零欧姆的电阻、磁珠或其他低阻抗的器件连接在一起的。

2.6 电路图中用来表示“地”的一些图形符号

2.7 电路板中不同的“地”是连接在一起的
不要将上面所述的设备外壳的接地与电路中的“地”等同起来,也千万不要将上面所述的设备外壳接地与220V交流电中的“零线”等同起来。否则,将对人员带来致命的伤害。
3 电流流动的反对者—电阻器
“请让我通过。”
“抱歉,我不想让你过去。”

2.8 电阻会阻碍电流流动
任何物质都有阻止电流流动的特性,物质的这种阻挡电流的特性被称为电阻。交流信号与直流信号都可以通过电阻,但会有一定的衰减。
不同的物质对电流的“阻力”大小不同。导体对电流的“阻力”小,如铁和铜;绝缘体对电流的“阻力”大,如木头和橡胶。
3.1 基本概念
在电路中,电阻通常用图(a)或图(b)的图形符号来表示。通常用字母“R”来标识电阻。

2.9 电阻的电路图形符号
在电路图中,常用“R”+“数字”来标识每一个具体的电阻器,例如R1、R2…R10或R101、R102…R110。字母“R”是电阻的姓,“R”后面的数字就是每一个电阻的名。
这种表示方法对于电容、电感、二极管、三极管、集成电路等都是适用的。
电阻器的种类很多,分类方法也很多。现今的电子设备中大多使用表面安装器件(SMD)电阻。SMD电阻的封装尺寸有多种,如0402、1206、2010、0805、0603、0201等。
手机中的电阻基本上都是SMD电阻,采用0603、0402封装的比较多。如图所示的就是几个实际的SMD电阻。SMD电阻基本上都是两端为银白色,是电阻的焊接点,中间大部分为黑色。

2.10 SDM电阻
3.2 欧姆
电阻器阻碍电流流动的“阻力”用欧姆来表示,符号是“Ω”。常用的有千欧(kΩ)、兆欧(MΩ)。其换算关系如下:
1kΩ = 1000Ω
1MΩ = 1000kΩ
电阻与电压、电流之间的关系可用公式:R=U/I或U=IR、I=U/R来描述。这就是著名的欧姆定律(Ohm’s Law)。其中,U的单位是伏特,I的单位是安培。当电路两端的电压为1V,通过的电流为1A时,则该段电路的电阻值为1Ω。
欧姆定律表明:流过电阻的电流与其端电压成正比,而与本身的阻值成反比。
可以这样理解:电压一定时,电阻越大,流过电阻的电流越小;电阻越小,流过电阻的电流就越大。
3.3 电阻的连接
电阻在电路中以串联或并联的形式出现,或以串并联的形式出现。通过串联、并联,可得到需要的电路网络,或得到所需阻值的电阻器。
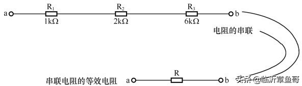
你知道“猴子捞月亮”这个故事吧?那一个个猴子就是以“串联”的形式。若几个电阻首尾相接,如图所示,就是电阻的串联。电阻串联后,可等效为一个电阻,总电阻阻值增大(a、b间的电阻),其阻值为所串联的电阻阻值的总和(R1+R2+R3=9kΩ)。
若有n个电阻串联在一起,则串联电阻的总电阻R总=R1+R2+…+Rn。

2.11 电阻的串联
在串联电阻电路中,流过每个电阻的电流一样;但每个电阻两端的电压不同。
若两个或几个电阻以头接头、尾接尾的方式连接,如图所示,则为电阻的并联。电阻并联后,可等效为一个电阻,其总电阻阻值减小(a、b间的电阻),其阻值的计算公式为:


2.12 电阻的并联
在并联电阻电路中,每个电阻器两端的电压一样;但流过每个电阻器的电流不同。
3.4 一般测量与对地电阻
可用万用表的欧姆挡来检测电阻器是否损坏,或测试其阻值。
调节万用表到欧姆挡,将万用表的两表笔(不分正负)分别与电阻的两端引脚相接,即可测出实际电阻值,如图所示。

2.13用万用表检测SDM电阻
在测试电阻时,特别是在检测大电阻值的电阻时,手不要触及表笔和电阻的导电部分。
需要检测电路中的电阻时,可将电阻从电路中焊下来,至少要焊开一个头,以免电路中的其他元件对测试产生影响,造成测量误差。
对地电阻指的是一种利用万用表的电路检测方法:
将万用表的黑表笔放置在电路板的屏蔽罩或大片铜皮地上,万用表的红表笔接触电路板上元件的某一引脚或某一个测试点,万用表显示的就是该点的对地电阻。
对地电阻有正向与反向之分,以上所述是正向对地电阻。反向对地电阻是指将万用表的红表笔接地,黑表笔接测试点时所检测到的电阻。
2.3.5 短路与开路
电阻值可从零到无穷大(∞)。R=0与R=∞是两种极端的情况。
电路中,若一个电路元件的阻值接近零了,我们说出现了“短路”。
以图所示的图为例,R2的阻值本来是500Ω,但现在R2的阻值变为0Ω,我们说R2短路了。

2.14 短路示意图
短路是电路元件、电路线路之间电阻值趋向于零。短路会导致大电流产生,大电流会使器件温度瞬间急剧上升,烧毁器件(电路)。因此,在维修工作中应极力避免(特别是电源线路)短路发生。
短路现象可能是因器件损坏,可能因焊接不过关引起,也可能由于电路板漏电,机器装配不良,机器内有金属类异物而导致。
电路中,若一个电路元件的阻值接近∞了,我们说出现了“开路”。
以图所示的图为例,R2的阻值本来是500Ω,但现在R2的阻值变为∞,我们说R2开路了。

2.15 开路示意图
开路是电路元件、电路线路之间电阻值趋向于∞。开路现象可能是因器件损坏,可能因元件虚焊、脱焊,也可能由于电路板腐蚀、折断所致。在电脑电路板中,一些信号线断的情况比较多。
可利用万用表的欧姆挡或数字万用表的短路线测试挡来检查信号线是否开路。
4 没有变化?莫通过—电容器
“请让我过去。”
不行!”
“那为什么它可以通过?”
“我讨厌一成不变……”
通常所讲的电路中的电容实际上指电容器。除电阻器外,电容器是第二种最常用的电子元件。最简单的电容器可由两片靠的较近的金属片组成,即是早期的平行板电容器

2.16 电容只允许有变化的信号通过

2.17 平行板电容器
4.1 基本概念
电路图中,电容用字母“C”标识。图2.18所示的是常见的电容的电路图形符号,其中图中(a)为固定电容的电路图形符号,其余三个为电解电容的电形符号

2.18电容的电路图形符号
电容器存储电荷的能力用电容量来表示。电容容量的基本单位用法拉(F)表示,其他单位还有:毫法(mF)、微法(μF)、皮法(pF)、纳法(nF)。常用的是微法(μF)、皮法(pF)。它们之间的换算关系是:
1F(法拉)=1000mF(毫法)
1mF(毫法)=1000μF(微法)
1μF(微法)=1000nF(纳法)
1nF(纳法)=1000pF(皮法)
电容的分类方法很多,种类也很多。手机内的电容通常是SMD电容。图中所示的就是一些SMD固定电容与SMD电解电容。

2.19片式封装的薄膜电容
手机电路中的电容外观与电阻的外观有一点相似,两端的焊接点为银白色,只不过其中间的大部通常为灰色或者是黄色(也有淡蓝色)。

2.20 片式电解电容的极性标识
SMD电解电容的正负极的辨认很方便,通常电解电容的外观都是长方体,颜色以黄色和黑色最常见。电容的正极一端有一条色带,如图所示。(电容的色带通常是深黄色;黑色的电解电容的色带通常是白色)
4.2 电容的特性
电容器有许多特性。对于初学者或一般维修人员来说,记住下面两个重要的特性即可适当地分析电路。
电容通交流,隔直流。
电容通高频,阻低频。
通交流隔直流的特性容易理解(见图)—交流(有变化的)信号可以通过,直流(没有变化的)信号不能通过。
高频信号与低频信号都是交流信号。虽然交流信号可以通过电容通道,但电容对通过的信号有阻力,这个阻力被称为“容抗”。
电容量一定时,通过信号的频率越低,遇到的阻力就越大,通过的信号的损耗就越大(见图2.21);通过信号的频率越高,遇到的阻力就越小,产生的损耗就越小。

2.21电容通高频,阻低频
4.3 电容的连接
电容在电路中以串联或并联的形式出现,或以串并联的形式出现。通过串联、并联,可得到需要的电容网络,或得到所需容量的电容器。
若几个电容首尾相接,就是电容的串联,如图2.22所示。电容串联后,可等效为一个电容。串联的电容越多,总电容越小。若两个10μF的电容串联在一起,其总电容为5μF。
若两个或几个电容以头接头、尾接尾的方式连接,如图2.23所示,则为电容的并联。电容并联后,可等效为一个电容。并联的电容越多,总电容越大,其总电容计算公式为:C总=C1+C2。

2.22 电容的串联

2.23 电容的并联
4.4 电容的检测
在维修工作中,通常用万用表来检查电容是否被击穿短路。若怀疑某个电容失效或开路,通常做法是更换被怀疑的电容。
测试操作很简单:将万用表调节到比较大的电阻挡位,使万用表的表笔接触被测电容的两个引脚。若电阻很小或为0,说明电容损坏。若怀疑电路板上的某个电容,最好将该电容取下检测。
指针万用表检测电容有一定的优势。在检测容量较大的电容时,可参考以下几点:
❶ 万用表指针有一定偏转,但很快回到起始位置附近,说明电容器的质量较好。
❷ 万用表指针会有一定偏转,但停在刻度盘的某处,说明电容器有较大的漏电,指针处为漏电阻值。
❸ 万用表的指针偏转到零处不再回去,说明电容已击穿短路。
❹ 指针根本不偏转,则电容器已内部断路。
5 总是唱反调—电感
电流:“我要变大。”
电感:“我反对。”
电流:“那我变小吧。”
电感:“还是反对。”
电流:“为何总是反对呢?”
电感:“我讨厌变化。对于电流,阻止它变化是我的原则。”
电感器是电子电路常用的元件之一。将一根漆包线或沙包线绕在铁芯或磁芯上,或一个空心线圈就是一个电感。电感是利用电磁感应的原理进行工作的。

2.24 电感总是反对电流变化
5.1 基本概念
电路图中用字母“L”来标识电感,其电路图形符号如图2.25所示。图2.25(a)用来标识固定值的电感器。图2.25(b)用来标识有铁(磁)芯的电感。

2.25 电感器的电路图形符号
电感(量)的单位是亨(H)。常用的电感量单位还有毫亨(mH)、微亨(μH)、纳亨(nH),其换算关系是:
1H = 1000mH
1mH = 1000μH
1μH=1000nH
电感器种类很多。手机电路中通常采用SMD电感。图2.26所示的就是一些不同类型的SMD电感。片式射频电感有线绕、多层片式、薄膜片式、多层磁屏蔽片等多种

2.26 一些不同类型的SDM电感
机射频电路中的电感比较容易识别,大多数电感体的一部分是白色(也有淡蓝色),两端的焊接点是银白色,有些电感器还可以看到线圈,如图2.26所示。
5.2 电感的特性
电感器有许多特性。对于初学者或一般维修人员来说,记住下面两个重要的特性即可适当地分析电路。
电感通直流,阻交流。
电感通低频,阻高频。
通直流、阻交流的特性容易理解—直流(没有变化的)信号可以通过。交流(有变化的)信号可以通过,但有损失,损失的大小与交流信号的频率相关(参见下一个特性)。
高频信号与低频信号都是交流信号。虽然交流信号可以通过电感通道,但电感对通过的信号有阻力,这个阻力被称为“感抗”。
电感量一定时,通过信号的频率越低,遇到的阻力就越小,通过的信号的损耗就越小(见图2.27);通过信号的频率越高,遇到的阻力就越大,产生的损耗就越大。

2.27 电感通低频,阻高频
5.3 电感的连接
电感在电路中可以串联,也可以并联。通过串联、并联,可得到需要的电路网络,或得到所需的电感器。
若几个电感首尾相接,如图2.28所示,就是电感的串联。电感串联后,可等效为一个电感,总电感增大(a、b间的电感),其电感量为所串联的电感的总和。若有n个电感串联在一起,则串联电感的总电感L总=L1+L2+…+Ln。

2.28电感的串联
若两个或几个电感以头接头、尾接尾的方式连接,如图2.29所示,则为电感的并联。

2.29 电感的并联
5.4 检测电感器
一般情况下,可用万用表来对电感器做一般性质的检测。
将万用表置于R×1挡,用两表笔分别碰接电感线圈的引线脚。用万用表检测电感器时,其电阻应接近“0”。如果电感器的电阻非常大,应该是电感器内部断线。
由于大多数电感器的直流电阻很小(毫欧级),一般的万用表是无法检查电感器的绕线间是否出现短路的。如果使用毫欧表,或有毫欧量程的高精度数字万用表,可以对部分电感器是否有绕线短路现象予以检查判断。
可以对部分电感器是否有绕线短路现象予以检查判断。
当被测的电感器电阻值为0Ω时,说明电感线圈内部短路,不能使用。如果测得电感线圈有一定阻值,说明正常。电感线圈的电阻值与电感线圈所用漆包线的粗细、圈数多少有关。电阻值是否正常可通过相同型号的正常值进行比较。
6 单行道—二极管
“退回去!你走错道了。”
“¥#×¥×……%”
“不要乱找理由。单行道,只允许一个方向通行!”

2.30 二极管的电流只能是一个方向
6.1 基本概念
二极管是半导体器件,有两个电极,分别被称为正极(阳极)和负极(阴极)。图2.31所示为二极管的电路图形符号,其中三角箭头表示正向电流的方向,即正向电流从二极管的正极流入,负极流出。电路图中用以标识二极管的字母并不固定,常见的有V、D、Q等。
二极管的种类与分类方法很多。按材料分,可分为硅材料二极管、锗材料二极管。

2.31 二极管及其电路图形符号
在体积较大的二极管管体上,通常会标注二极管的型号,用一条色带来标识二极管的负极,或用二极管的电路图形符号来指明二极管的极性。
二极管的封装(外形、尺寸)是多种多样的,图2.32展示了一些二极管的封装及其代码。手机中的二极管基本上都是SMD器件,如图2.32中右边的四个。
需注意的是,在手机等电子设备中,常有一些二极管组件。这些二极管组件可能有3、4、5或更多引脚,其内部二极管的连接通常需要搜索相关的datasheet (数据表)来确认。

2.32基本二极管的封装及其代码
6.2 单向导电与偏置电压
单向导电性是二极管的重要特性。
当给二极管加上外接电源时,则我们说给二极管加上了偏置电压(或偏置)。
偏置电压有两种:正向偏置和反向偏置。
正向偏置:给二极管的正极接电源的正极,给二极管的负极接电源的负极。
反向偏置:给二极管的正极接电源的负极,给二极管的负极接电源的正极。二极管有一个反向偏压的耐压值,当反向偏压太大时,二极管会被击穿损坏。
二极管在正向偏置时与反向偏置时所表现出来的现象是不同的。
正向导通:当给二极管加上正偏电压时,二极管对外电路呈现较小的电阻,二极管流过比较大的电流,电流从二极管的正极流入,从二极管的负极流出。
反向截止:当给二极管加上反偏电压时,二极管对外电路呈现很大的电阻,二极管中的电流很小,几乎处于关断状态,二极管基本上不导电,这种状态称为二极管的截止。
正向导通,反向截止—这就是二极管的单向导电性。
可以用一个简单的比喻来描述一下二极管的正向导通,反向截止。

2.33 二极管电流只能由正至负
我们把二极管看作一道平时关闭的单方向向里开的门(见图2.34)。当没有外力作用时,相当于二极管没有加偏压,二极管是关断的;当给门一个向里推的力时,门开始打开,就像给二极管加上正向偏压一样,二极管开始导通;当给门一个向外拉的力时,门不能打开,就像给二极管加上反向偏压一样,二极管也不导通。

2.34 通过单向开启的门来理解二极管的单向导电性
二极管有一个反向偏压的耐压值,当反向偏压太大时,二极管会被击穿损坏,就像这道门一样,若给它向外的拉力大到一定程度时,门是会被拉开,但门也损坏了。
并不是随便给二极管加上一个正向偏置电压,二极管就可以导通。只有当二极管两端的正向偏置电压达到一定时,二极管才开始导通。使二极管刚刚能导通的电压被称为起始电压。
不同材料的二极管的起始电压不同,一般来说,锗材料二极管的起始电压为0.15~0.3V,硅材料的二极管起始电压为0.6~0.8V。
6.3 特殊二极管
特殊二极管比较多,如发光二极管、光敏二极管、变容二极管、开关二极管,等等。
发光二极管(LED)主要被用来作背景灯及信号指示灯。发光二极管的图形符号如图2.35所示。正常情况下,发光二极管的正向电压在1.5~3V之间。发光二极管只工作在正偏状态。

2.35 发光二极管
发光二极管的发光强度基本上与发光二极管的正向电流呈线性关系。但如果流过发光二极管的电流太大,就有可能造成发光二极管损坏。在实际运用中,一般在二极管电路中串接一个限流电阻,以防止大电流将发光二极管损坏。二极管电路中串接一个限流电阻,以防止大电流将发光二极管损坏。
稳压二极管是利用二极管被反向击穿后,反向电流在一定的范围内,二极管两端的反向电压不随反向电流变化的特点进行稳压的。图2.36所示的是稳压二极管的两种电路图形符号。

2.36 稳压二极管的电路图形符号
稳压二极管需要反向偏置才能发挥其作用,即稳压二极管的负极连接高电位,稳压二极管的正极连接低电位,如图2.37所示。通常,会在稳压二极管线路上串接一个限流电阻(图中的RD),以避免大电流损坏稳压二极管。

2.37 一个简单的二极管稳压电路
6.4 检测二极管
不论是数字万用表,还是指针式的模拟万用表,测试二极管的一个基本判断原则是:两次测试,其中一次测试万用表显示数值很小,另一次测试则显示数值很大。
调节数字万用表到二极管测试挡位。当数字万用表的红表笔接二极管的正极,黑表笔接二极管的负极时,数字万用表的读数通常在0.5~0.7(或0.15~0.3)。若反接万用表的表笔,则数字万用表的读数很大。否则,二极管性能不良,或二极管损坏。
也可在线测试二极管。如果电路处于加电状态,调节万用表到合适的电压挡。使万用表的红表笔接触二极管的正极,使万用表的黑表笔接触二极管的负极,万用表的读数通常在0.5~0.8(或0.15~0.3)。
7 放大与开关—三极管
7.1 基本概念
三极管是电子技术应用中很重要的半导体器件,三极管也被称为晶体管、晶体三极管、双极型晶体管(BJT)。
三极管有3个电极。这3个电极分别被称为基极(B)、发射极(E)、集电极(C)。
三极管有NPN和PNP两种结构形式,两者除了电源极性不同外,其工作原理都是相同的。
在电路图中,三极管通常用图2.38所示的图形符号来表示。图2.38(a)所示的两个图形都是NPN三极管的图形符号,图2.38(b)所示的是PNP三极管的图形符号,其中箭头方向表示发射极电流的实际流向。在电路图中,三极管没有固定的用来标识的字母。

2.38 NPN与PNP三极管的电路图形符号
三极管分类的方法很多:
按结构分,有NPN与PNP两大类。按所用材料分,有硅三极管与锗三极管两大类。按承受的功率大小分,可分为小功率三极管、*功中**率三极管、大功率三极管。按工作频率分,可分为高频三极管与低频三极管。按用途分,可分为普通放大三极管与开关三极管等。
单从三极管的外形看,三极管多种多样。三极管有3个电极的,有4个电极的;有采用有引脚封装的,也有采用无引脚片式封装的(SMD器件)。图2.39所示的就是一些三极管的实物图。

2.39 部分三极管实物图
7.2 三个电极
三极管的3个电极分别是基极(B)、集电极(C)、发射极(E)。我们可简单地用图2.40来模拟三极管的3个电极。
我们可简单地将三极管的基极B与集电极C之间看成一个二极管;将三极管的基极B与发射极E之间看成一个二极管。结合二极管的知识可知,在用万用表检测三极管的基极-发射极、基极-集电极时,其测试结果与二极管的测试结果基本一致。

2.40 用二极管模拟三极管的三个电极
当然,三极管绝不是两个二极管的简单组合。如此模拟,主要是为了便于初学者理解后面即将讲到的三极管的三个电极的电压关系,三极管的检测等。
7.3 放大作用
三极管与二极管的最大不同之处在于三极管具有放大作用。
所谓放大,就是输出的信号比输入信号在某一参数上变大了。
一个很生活化的例子是大会场使用的扩音机。扩音机就是一个放大器,它将输入的声音信号功率放大,以使整个会场的人都能听清楚作报告的人在说什么。三极管是一个电流控制器件。较小的基极电流变化可以引起集电极电流较大的变化。可以通过控制基极电流的变化,来改变三极管集电极的电流大小。也就是说,基极电流对集电极电流具有小量控制大量的控制作用。这就是三极管的电流放大作用。
用一个生活中的例子来类比说明三极管的放大作用:大家都知道“千斤顶”,通过千斤顶的手柄施加一个比较小的力,千斤顶可以产生很大的举力。千斤顶对输入的力进行了“放大”。
千斤顶的手柄好比三极管的基极,千斤顶的顶举件好比三极管的集电极,千斤顶的底盘好比三极管的发射极(接地),如图2.41所示。

2.41 千斤顶与三极管
人作用于千斤顶的力量就好比给三极管的基极所施加的电流;千斤顶所产生的巨大举力就好比三极管集电极输出的电流。
7.4 外部工作条件
可以说千斤顶是力的“放大器”,一旦通过手柄输入“力”,千斤顶内部系统就通过顶举件将放大了的“力”表现出来。
三极管不是放大器,它仅仅是一个元件。若仅仅三极管的基极有输入,三极管是不会有任何放大作用的。
必须给三极管以合适的外部条件,三极管才能实现放大作用。这个外部条件就是给三极管适当的偏置,即给各电极加上合适的电压。
三极管组成的放大电路多种多样,但无论三极管组成的放大电路形式如何变化,要使三极管具有放大作用,必须满足:发射极正偏,集电极反偏。
再结合图2.40与二极管的知识可知:
对于NPN三极管来说,要发射极正偏,就需基极的电压大于发射极电压;要集电极反偏,就需集电极电压大于基极电压,如图2.42(a)所示。
对于PNP三极管来说,要发射极正偏,就需基极的电压小于发射极电压;要集电极反偏,就需集电极电压小于基极电压,如图2.42(b)所示。图中的Rb被称为基极电阻,基极电源Vbb经Rb给基极供电;Rc被称为集电极电阻,集电极电源Vcc经Rc给集电极供电。

2.42 三极管的外部工作条件示意图
图2.42所示的是利用双电源给三极管供电,在实际应用中,通常采用单电源给三极管供电,如图2.43所示。为了使三极管3个电极的电压满足发射极正偏、集电极反偏,通常使Rb>>Rc。

2.43 单电源供电
若掌握以上三极管3个电极间的关系,就可以通过测试正常电路中三极管3个电极的电压,来判断这个三极管是NPN还是PNP三极管(参见后面测试判断)。
对于三极管来说,Vb指三极管基极与地之间的电压,Vbe则指三极管的基极与发射极之间的电压。
放大电路中,不同材料、不同类型的三极管的Vbe不同。Vbe类似于PN结、二极管的起始电压。硅材料的NPN型三极管的Vbe是0.6~0.8V,硅材料的PNP型三极管的Vbe是−0.8~−0.6V;锗材料的NPN型三极管的Vbe是0.15~0.3V,锗材料的PNP型三极管的Vbe是−0.3~−0.15V。
7.5 三极管放大电路
根据三极管放大电路输入、输出的公共端点的不同,三极管放大电路有三种基本的电路形式:共基极电路、共发射极电路、共集电极电路。
三极管共发射极放大电路是最常见的三极管放大电路。图2.44所示的就是三极管共发射极放大电路的原理示意图。

2.44 基本共发射极放大电路
其中,三极管Q是放大电路的核心器件,其发射极作为输入输出的公共端,连接到地。
C1是输入电容,又被称为输入耦合电容。C1一方面被用来隔断放大电路与信号源(或前级电路)之间的直流联系,另一方面又将输入的交流小信号耦合到三极管的发射结上,以起放大控制作用。
C2是输出电容,又被称为输出耦合电容。C2一方面用来隔断放大电路与负载(或后级电路)之间的直流联系,另一方面又将放大后的信号耦合到输出端,以供负载使用。
Rb是基极电阻,又被称为基极偏置电阻。Vbb是基极电源,又被称为偏置电源。Rb、Vbb与三极管的基极和发射极一起组成三极管的基极回路,使三极管的发射极处于正向偏置。Rb的阻值通常在几十千欧至几百千欧。若Rb为0,输入的交流信号将经电源Vbb短路到地,无法起控制作用,电路不能实现放大功能。
Rc是集电极电阻。Vcc是集电极电源。Vcc、Rc与三极管的集电极、发射极组成集电极回路,为集电极提供合适的偏置电压,使集电极处于反向偏置。Vcc不但为三极管提供工作电源,还为输出信号提供能量。Rc的阻值通常为几千欧至十几千欧。其中,Rc被用来将集电极电流的变化转化为电压的变化,借以实现电压放大,因此,Rc又被称为集电极负载电阻。
ui是输入信号(电压),uo是输出信号(电压)。
图2.44所示的是一个使用双电源的原理性电路,并不实用。在实际应用中,通常采用单电源供电的放大电路。图2.45所示的就是一个采用单电源供电的三极管供发射极放大电路,三极管的基极与集电极使用同一个电源,通常选取合适的Rb与Rc参数来使三极管的发射极正偏、集电极反偏。

2.45 单电源供电的三极管共发射极放大电路
在习惯的电路画法上,一般不画出电源的符号,仅标出它对地的电压值和对地的极性(+或−),例如,图中的“+Vcc”也可以是“+5V”、“−3V”、“VRF”,等等。
当放大电路无信号输入时,三极管电路各处的电压电流不变。当有输入信号进入,且在信号的正半周时,信号电压叠加在基极电压上,基极电压上升,基极电流上升,使三极管的集电极电流成倍地增长。集电极电流的增大使集电极电阻上的电压降(电阻两端的电压)增大,导致集电极电压(三极管集电极的对地电压)下降。
当输入信号处于负半周时,信号电压使基极电压下降,基极电流下降,使三极管的集电极电流下降。集电极电流的减小使集电极电阻上的电压降减小,导致集电极电压增大。由于集电极电流的变化量比基极电流的变化量大,所以集电极电压的变化量也比基极电压的变化量大,从而使基极信号被放大输出。
从上面的描述可以看到,集电极输出的信号波形与基极输入的信号波形是反向的,所以三极管共发射极放大电路又被称为反向放大器。
基于本书的目的,这里并不准备深入讨论放大电路。对于三极管放大电路,可以记住这样几个结论:
❶ 三极管需要合适的直流工作点,即三极管的各电极需要合适的偏压;
❷ 三极管是电流控制器件,三极管放大的是电流,通过集电极电阻,使三极管集电极电流的变化转化为电压的变化,从而实现放大电路的电压放大功能;
❸ 三极管共发射极放大电路输出的、放大后的信号电压极性与输入信号电压极性相反,因此,共发射极放大电路又被称为反向放大器。
7.6 三极管开关电路
三极管不仅可以用在放大电路上,在开关电路中也有非常广泛的应用。
在开关模式下,三极管的集电极(C)、发射极(E)通道相当于一个由基极输入信号控制的开关。
对于NPN三极管来说,输入的信号(Vbe)远小于起始电压时(低电平,0V),三极管的C、E通道断开(三极管截止);当输入的信号(Vbe)远远大于起始电压时(高电平),三极管的C、E通道闭合(三极管饱和),如图2.46所示。
PNP三极管输入控制信号相对应的开关状态则与NPN三极管相反,如图2.47所示。

2.47 NPN 三极管开关状态说明图

PNP三极管开关状态说明书
7.7 检测三极管
用万用表检测三极管很简单:
❶ 设置数字万用表到二极管测试挡。
❷ 对于NPN三极管:万用表的红表笔接三极管的基极,黑表笔分别接三极管的集电极与发射极,万用表的显示应为0.5~0.8(硅管)或0.15~0.3(锗管),否则,说明三极管损坏或性能不良。
❸ 对于PNP三极管:万用表的黑表笔接三极管的基极,红表笔分别接三极管的集电极与发射极,万用表的显示应为0.5~0.8(硅管)或0.15~0.3(锗管),否则,说明三极管损坏或性能不良。
❹ 万用表的红、黑表笔分别接三极管的集电极、发射极,显示应很大,否则,说明三极管损坏。
7.8 检修三极管电路
检修三极管电路时,主要是通过三极管三个电极的电压来分析判断。
正常情况下,放大电路中三极管的Vbe为0.5~0.8V(硅管)或0.15~0.3V(锗管)。否则,说明三极管放大电路不正常,应检查其周围的电阻电容是否损坏?检查三极管是否损坏。
测试Vbe时,将万用表设置为合适的电压挡,万用表的红、黑表笔分别接三极管的基极、发射极。
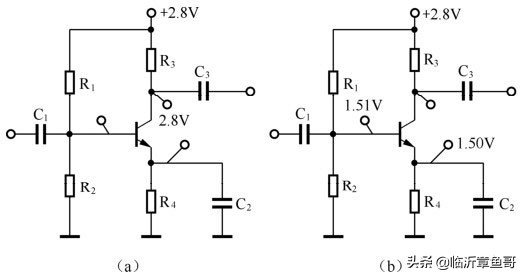
例如,在图2.48所示的三极管放大电路中,三极管是一个硅材料的三极管。用万用表所检测到三个电极的电压如图中所示。那么套用Vc>Vb>Ve,以及三极管的起始电压,可以判断图2.48所示的电路工作是正常的。

2.48 三极管电路判断示意图1
但假若检测到电路中的电压如图2.49(a)或图2.49(b)所示,说明放大电路工作不正常。

2.49 三极管电路判断示意图2
图2.49(a)所示情况的原因很多,可能是R1开路、R4开路、三极管损坏(三极管B、E极开路,或三极管C、E极开路)。图2.49(b)所示则相对简单,应该是三极管的基极与发射极之间短路。
对于阻容耦合的三极管放大电路来说,如果发现电路工作不正常,可将三极管取下,然后用万用表分别检查三极管电路中的电阻与电容即可。
三极管开关电路的检修是比较简单的。
对于三极管来说,若基极输入的是高电平,则三极管的集电极电压应该为低电平;若基极输入的是低电平,则三极管的集电极电压应该为高电平,否则,说明三极管损坏,或者是三极管的外围元件损坏。
对于任何三极管电路,可先检查其供电是否正常。若供电不正常,检查相关的电源电路,或相关电源的输送线路。
需注意的是,对于输入到基极的控制信号,除观察有没有信号外,还应注意信号的幅度(电压)是否正常。若信号的幅度不正常,也会导致开关电路的输出不正常。
8 过滤信号的筛子—滤波器
如何快速将混在一起的花生与绿豆分开?
没错,用合适的筛子。
如何将两个不同的信号分开?
没错,用滤波器。

2.50 滤波器—信号筛子
无线电收发设备无一例外地会用到滤波器。滤波器被用来选择性地通过或抑制某些信号。

2.51 几种滤波器的电路表示符号
在射频电路中,滤波器的运用是非常重要的。滤波器不仅能滤除不需要的信号,还能整形信号,提供电路之间的阻抗匹配。
所有的滤波器,不论它们是如何构造的,都可以归为4种:低通滤波器(LPF)、高通滤波器(HPF)、带通滤波器(BPF)、带阻滤波器(BSF),图2.51所示的是几种滤波器在电路图(或电路方框图)中的表示符号。
8.1 接收滤波器
在接收机中,低噪声放大器输入端、输出端的滤波器就是接收射频滤波器。
低噪声放大器输入端的接收射频滤波器主要起到选择工作频段、限制输入带宽、减少互调失真、抑制杂散信号、避免杂散响应、减小本振泄漏的作用,在FDD系统中还可起到频域双工器的作用。低噪声放大器输出端的射频滤波器通常起到抑制由LNA放大或产生的镜像干扰、进一步抑制其他杂散信号、减小本振泄漏的作用。图2.52所示的就是几个手机中的接收射频滤波器。

2.52 几个手机中的接收射频滤波器
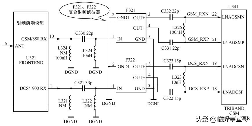
图2.53所示的是一个接收射频滤波器电路,其中的U1261、U1271、U1272是滤波器,它们只有一个输入端,一个输出端。三个滤波器分别提供900MHz、1800MHz、1900MHz频段的接收信号通道。

2.53松下A100手机中的接收射频滤波电器
图2.54所示电路中的滤波器有一个输入端,两个输出端。滤波器既对接收射频信号滤波,又将信号转换成一对差分射频信号。

2.54 松下X100手机的接收射频滤波电器
识别与查找接收射频滤波器、接收射频滤波器电路都是比较容易的。在手机电路板上,接收射频滤波器通常是靠近射频芯片,远离功率放大器。在手机电路图上,在接收射频滤波器的信号线路上总会有含英文字母RX、LNA、FL等的标注。
8.2 发射滤波器
在发射机中,调制器等电路输出的信号包含了有用信号与其他因调制器的非线性而产生的无用信号,发射滤波器对其滤波,仅有用的信号被送到功率放大器进行功率放大。
图2.55内的Z7543、Z7544就是发射滤波器。Z7544是复合器件,有两个输入信号端口,一个输出信号端口。射频滤波器既对发射射频信号滤波,又对信号进行组合。射频芯片输出差分射频信号,经Z7544滤波、转换后,输出最终发射信号到功率放大器电路。

2.55 诺基亚N97mini手机的WCDMA发射滤波器电路
Z7543相当于将两个Z7544集成在一起。
在手机中,发射射频滤波器与接收射频滤波器的外观比较相似,在识别时应予以注意:发射射频滤波器通常是靠近发射功率放大器,而接收射频滤波器远离发射功率放大器。
在手机电路图中,识别发射射频滤波器电路则比较容易:发射射频滤波器的输出端通常都是直接连接到,或通过电阻匹配电路连接到功率放大器的射频信号输入端口。