今天我们讲解一个小元件,那就是时间继电器,元件虽然很小但是能起到大作用,那就是小电流控制大电流,时间继电器一般都是跟接触器组合使用,时间继电器也是星三角接触器接线的必备元件
时间继电器工作电压有直流的,也有交流的,在我们控制星三角启动接触器一般应用的都是交流的,直流的跟交流的接线方法都是大同小异,就是工作电压不同,接触器工作电压,时间继电器也有显示,如下图就是个交流电压220伏
时间继电器调节时间的方法有按钮的也有旋转的,都是设置跳转时间的,在我们定好跳转时间以后,到时间时间继电器常开和常闭就会自动跳转,也就是常开变常闭,常闭变常开,对于时间调节我们一般都会,这里就不详细讲解了,今天我们就主要讲解一下交流时间继电器怎么看图接线,因为这是星三角启动必备的原件,以后我也会讲解星三角启动的接线方法,所以今天我们要先了解了时间继电器,为以后学习星三角启动接线做好基础
时间继电器侧面都有线路图,这是个24伏直流时间继电器,跟交流220伏交流时间继电器接线方法是一样的,在图中我们可以看到,2和7是时间继电器的工作电压电源,7是正极,2是负极,2和7要接24伏直流电压,然后134是是一组跳转触点,1和4是常闭触点,也就是延时以前一直是联通的,在我们定的延时时间到达的时候,1和4就从常闭变为了常开,也就断开了,这时1和三就联通了,这样就完成了跳转
所以134延时以前,1和4是常闭,1和3是常开,延时到达以后,1和4就变为了常开,1和3就变为了常闭,这组跳转触点就跟我们平常用的双控开关是一个原理,很好理解吧,然后856是另一组跳转触点跟第一组跳转触点是一个原理,这里就不多说了

所以时间继电器接线2和7接继电器工作电压,134是一组跳转触点,856是一组跳转触点,我们是利用这两组跳转触点来达到控制一个或者多个接触器的目的,这次讲解时间继电器就是为星三角启动做准备,星三角启动我们用的是通电延时继电器,下面我们详细讲解一下通电延时继电器
.时间继电器分为通电延时继电器和断电延时继电器,我们星三角启动应用的就是通电延时继电器,通电延时继电器也分为220伏和380伏的,我们用的是380伏通电延时继电器
2.通电延时继电器型号不同,厂家不同接线方法也不同,但是原理是一样的,通电延时继电器的意思就是通电以后开始计时,时间一到通电延时继电器的常闭触点变为常开触点,常开触点变为常闭触点
3.从上图我们可以看到一个88的数字,这里就是调节通电后延时时间,比如我们调到20秒,通电延时继电器就会在通电20秒后,通电延时继电器的常闭就会变为常开,常开就会变为常闭,所以这个功能就是调节延时时间
4.还有的是通过旋转按钮调节时间,但是道理都是一样的,都是调节延时时间的作用
5.380伏延时继电器一般会有8个接触点,两个接触点是通电延时继电器的电压,也就是说是电源,另外还有6个接触点分为了两组跳转,如下图:
6.从上图我们可以看到2和7是时间继电器的电源,1,3,4是一组跳转接触点,8.5.6是另一组跳转接触点,意思就是通电后继电器开始延时,这时1和3是常闭点,1和4是常开点,8和5是常闭点,8和6是常开点,等通电延时继电器延时时间到了以后,1和3就会断开,1和4开始闭合,下一组跳转点同理,我们可以把他理解为一个开关,很好理解吧

7.时间继电器平时不启动时只有一根电源是长待带电的,另一根通电就会开始延时,2是长带电,7是通电后开始延时,很好理解吧,7通电以后还要给1和8的电源,这样才能联通两组跳转点也就是开关,如上图,在电动机星三角启动中我们只需要一组跳转点就可以了,不同的时间继电器接线触点也不一样,我们要看下时间继电器的侧面有线路图,要看一下,那个触点是电源触点,那个是跳转触点,哪个是常闭和常开触点才能根据需要接线,品牌不同但是原理是一样的
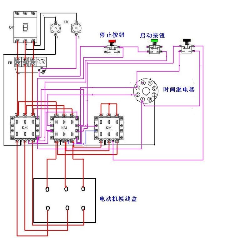
下图是时间继电器控制星三角启动的线路图,你们先看一下,以后我会讲解,上一篇讲解了接触器自锁你们可以看看,只要你看,一般都能学会



以后我会定时分享电工技能方面知识和接触器类知识,喜欢的朋友请加下关注,下一篇我会讲解接触器的双重互锁