本原件主要负责通讯电路,属于修E7故障升级版
■光电耦合器损坏维修工艺:
(TLP421、TLP521、PC817A、TLP371)光电耦合器在电脑板上用号:PC、IC标注。
■作用:用于室内和室外机主控制电脑板之间的通讯信号发射与接收传递。TLP421 和TLP521为接收元器件,TLP371为发射元器件。(用于需进行电隔离的两端电路间的信号传输)。
■光电耦合器基本结构:通常TLP521内部电路是有一只红外发光二极管和一只红外光电二极管。TLP371内部电路是有一只光电二极管和一只光电三极管封装在一起。
TLP741内部电路是有一只光电二极管和一只光电光控双向可控封装在一起。
■光电耦合器基本特性:当发光二极管的两端通过很小的工作电流(5-10mA),即可使得光电二极管或光电三极管或双向可控硅由截止转变成为导通状态,从而实现电-光-电的电隔离传输。常见外形及内部电路:①光电二极管;②光电三极管。
■检测方法:用万用表掷欧姆档,量程选择R×1KΩ测输入端时,再在万用表的表笔中串入1.5V电池检测。(采用MF30型机械万用表,欧姆档,量程选择R1KΩ检测参数仅供参考!)
①检测入端1脚和2脚间的正反向电阻,正常时应为一普通发光二极管特性。正向电阻值约为32KΩ,反向电阻值为无穷大。
②上图为例对于TLP521器件,内部为光电(二极管)三极管型,在输入端无电流时,输出端3和4脚(4脚和5脚)间应为一普通(二极管)三极管特性,当输入端通约5mA电流时,输出端的反向电阻明显减小。欧姆档检测输出端3脚和4脚正反向电阻值为无穷大。
③对于TLP371器件光电三极管型则测输出端(c、e)4脚和5脚间的电阻,当输入端无电流时,正反向电阻均很大,当输入端通约5mA电流时,其输出端c,e(黑表笔接4脚c和红表笔接5脚e)间的电阻应明显减小。欧姆档检测输出端6脚与4脚和5脚正向电阻值分别约为36 KΩ和13 KΩ。反向电阻值为无穷大。4脚和5脚(c,e结间)续流二极管的正向电阻值约13.5KΩ,反向电阻值为无穷大。
④对于光电控三极管型,在输入端无电流时,输出端(4脚和6脚)间的正反向电阻均很大,(表针基本不移动)在输入端通过约5mA电流时,输出端的正反向电阻均应明显减小。
使用工具:万用表,电烙铁
维修方法:用电烙铁从电脑板上焊下光电耦合器,再更换好的新光电耦合器。元器件引脚勿焊错!
■以变频空调室内机电脑板专用号0011800195F为例:见实物图
■IC1为光电耦合器(TLP371)用于室内机向通讯讯号的发射作用。
■IC2为光电耦合器(TLP421或PC817A)用于室内机接收室外机反馈回来的通讯讯号作用

变频空调室内机通讯电路原理分析:
■IC3单片机微处理器的Pin36(TX)为室内机向室外机主控电脑板发射通讯号引脚,由IC3微处理器Pin36脚产生的脉冲通讯讯号送入N1开关三极管(SS8050LT1)的基极,经N1用来驱动IC1(TLP371)光电耦合器内的光电二极管,VDD+5V电源经TLP371的1脚光电二极管导通,经N1集电极与发射极对地,通过光电二极管来光控触发TLP371内的光电三极管导通后,由CN23通讯讯号公共端红色COM经D1(1N4007)整流二极管整流后进入IC1(TLP371)的5脚后经4脚输出至IC2(TLP421)的1和2脚光电二极管导通后(触发IC2光电三极管接收室外机发回的通讯讯号送入IC3的35号脚),经LED1发光二极管(室内机通讯指示灯),通过R8到220V-N端子构成室内机与室外机之间通讯讯号的收发电路回路。通过室内机接线端子排1号与3号端子连续不间断地向室外机发射和接收室外机反馈通讯讯号,其不间断地脉冲交流电压约0-80VAC。当此电压低于AC30V以下,或室内机通讯指示灯常亮为室内机电脑板故障。
要点:室内外机通讯电路发射和接收电路为同一个回路上,室内、外机在互相发射的同时,也是同时在接收的通讯讯号。)

变频空调KFR-72LW/BCS21室内机通讯电路实物图为例(挂机参考)
■室内机电脑板上的红色LED通讯指示灯,通讯正常状态下,该指示灯按照1Hz/s的频率(每秒为闪烁3下的速率)不间断地向室外机发送通讯讯号(由室内机向室外机发送通讯讯号的同时接收室外机反馈回来的通讯讯号)。
■当观察室内机电脑板通讯讯号指示灯,出现闪烁间歇亮一下有周期性,则室内外机通讯故障。初判故障为连机线或室外机电路部分。
■当观察室内机电脑板通讯讯号指示灯常亮,则室内机电脑板通讯电路故障

变频空调室外机通讯电路原理分析:
■变频空调室外机主控电脑板示意图-红色方框内标注为室外机通讯电路元器件子件

变频空调室外机通讯电路原理分析:
■室外机向室内机接收与发射通讯讯号:IC5单片机微处理器Pin38为接收从室内机传输至室外机主控电脑板通讯讯号输入端引脚。Pin37为室外机主控电脑板向室内机主控电脑板发射通讯讯号输出端引脚。
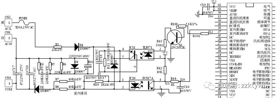
■IC5单片机Pin37向室内机发射的脉冲电压经隔离电阻R102、R100至N2(2SC2412K)开关三极管基极后导通,IC11(TLP371)的1脚接电源VDD+5V,光电二极管导通后经N2发射极对地(R43为N2集电极负载电阻也是光电二极管的限流电阻)。同时IC11光电三极管导通,CN2接口端(黑色或棕色)AC220V-L火线经以下电路元器件FUSE(T20A/250VAC)保险丝管、R3(22KΩ/2W)限流降压、D1(1N4007)整流、进入IC11(光电耦合器)的5脚由4脚输出后进入IC10(光电耦合器)1脚经2脚输出至R7和R8限流降压、经D2(1N4007)整流后至CN4(红的通讯公共端子)“COM”构成通讯回路。
检修要点:室内外机通讯信号不间断交流脉冲电压,检测室内或室外机接线端子排1和3之间约0-80V左右,2和3之间约0-140V左右。

变频空调室外机通讯电路原理分析:
■室外机向室内机接收与发射通讯讯号--续: IC5单片机Pin37继续不间断地向室内机发射脉冲通讯讯号,经隔离电阻R102、R100至N2开关三极管导通,IC11的光电二极管导通,(电源VDD+5V经IC11的1脚和2脚光电二极管导通后经N2集电极和发射极对地。同时IC11光电三极管导通,CN1接口端(白色或蓝色)AC220V-N零线经以下电路元器件D4(1N4007)整流、进入IC11的5脚由4脚输出后进入IC10的1脚经2脚输出至R7和R8限流降压、经D2(1N4007)整流后至CN4(红的通讯公共端子)“COM”构成通讯回路。
强调说明:在室内外机正常通讯时,发射或接收电路上的光电耦合器,发射和接收是在同一回路上,换句话说:室内外机通讯讯号的发射和接收都是在同时进行的。
■室内外机电脑板上通讯电路元器件常见故障:室内机显示屏故障报警“E7”,室外机电脑板故障灯LED闪烁15下。
室内、室外机电脑板通讯电路中的主要电子元器件有:N1(SS8050LT1)三极管、N2(2SC2412K)三极管,R8(6.8KΩ/2W)、R3(22KΩ/2W)、R7和R8(10KΩ/1W)、IC1和IC11(TLP371)、IC2(TLP421)和IC10(TLP817A)、整流二极管D1、D2、D4(1N4007)、隔离二极管D3(1N4007)、E10(22µF/450V)电解电容器、IC3和IC5微处理