电容是电路设计中最为普通常用的器件,是无源元件之一,有源器件简单地说就是需能(电)源的器件叫有源器件,无需能(电)源的器件就是无源器件。
电容的作用和用途一般都有好多种, 如:在旁路、去耦、滤波、储能方面的作用;在完成振荡、同步以及时间常数的作用……
下面来详细分析一下:
隔直流: 作用是阻止直流通过而让交流通过。

旁路(去耦): 为交流电路中某些并联的元件提供低阻抗通路。

旁路电容: 旁路电容,又称为退耦电容,是为某个器件提供能量的储能器件。
它利用了电容的频率阻抗特性,理想电容的频率特性随频率的升高,阻抗降低,就像一个水塘,它能使输出电压输出均匀,降低负载电压波动。
旁路电容要尽量靠近负载器件的供电电源管脚和地管脚,这是阻抗要求。
在画PCB时候特别要注意,只有靠近某个元器件时候才能抑制电压或其他输信号因过大而导致的地电位抬高和噪声。
说白了就是把直流电源中的交流分量,通过电容耦合到电源地中,起到了净化直流电源的作用。如图C1为旁路电容,画图时候要尽量靠近IC1。

图C1
去耦电容: 去耦电容,是把输出信号的干扰作为滤除对象,去耦电容相当于电池,利用其充放电,使得放大后的信号不会因电流的突变而受干扰。
它的容量根据信号的频率、抑制波纹程度而定,去耦电容就是起到一个“电池”的作用,满足驱动电路电流的变化,避免相互间的耦合干扰。
旁路电容实际也是去耦合的, 只是旁路电容一般是指高频旁路,也就是给高频的开关噪声提高一条低阻抗泄放途径。
高频旁路电容一般比较小,根据谐振频率一般取 0.1F、0.01F 等。
而去耦合电容的容量一般较大,可能是 10F 或者更大,依据电路中分布参数、以及驱动电流的变化大小来确定。如图C3为去耦电容

图C3
它们的区别: 旁路是把输入信号中的干扰作为滤除对象,而去耦是把输出信号的干扰作为滤除对象,防止干扰信号返回电源。
耦合: 作为两个电路之间的连接,允许交流信号通过并传输到下一级电路 。


【嵌入式物联网单片机学习资料】 整理了全套精华学习资料,除了教程外,还有一些大厂面经+笔试面试题,开源共享给大家。
点击加V自取:加微信领取资料

用电容做耦合的元件,是为了将前级信号传递到后一级,并且隔断前一级的直流对后一级的影响,使电路调试简单,性能稳定。
如果不加电容交流信号放大不会改变,只是各级工作点需重新设计,由于前后级影响,调试工作点非常困难,在多级时几乎无法实现。
滤波: 这个对电路而言很重要,CPU背后的电容基本都是这个作用。

即频率f越大,电容的阻抗Z越小。当低频时,电容C由于阻抗Z比较大,有用信号可以顺利通过;当高频时,电容C由于阻抗Z已经很小了,相当于把高频噪声短路到GND上去了。

滤波作用: 理想电容,电容越大,阻抗越小,通过的频率也越高。
电解电容一般都是超过 1uF ,其中的电感成分很大,因此频率高后反而阻抗会大。
我们经常看见有时会看到有一个电容量较大电解电容并联了一个小电容,其实大的电容通低频,小电容通高频,这样才能充分滤除高低频。
电容频率越高时候则衰减越大,电容像一个水塘,几滴水不足以引起它的很大变化,也就是说电压波动不是你很大时候电压可以缓冲,如图C2:

图C2
温度补偿: 针对其它元件对温度的适应性不够带来的影响,而进行补偿,改善电路的稳定性。

分析: 由于定时电容的容量决定了行振荡器的振荡频率,所以要求定时电容的容量非常稳定,不随环境湿度变化而变化,这样才能使行振荡器的振荡频率稳定。
因此采用正、负温度系数的电容并联,进行温度互补。
当工作温度升高时,Cl的容量在增大,而C2的容量在减小,两只电容并联后的总容量为两只电容容量之和,由于一个容量在增大而另一个在减小,所以总容量基本不变。
同理,在温度降低时,一个电容的容量在减小而另一个在增大,总的容量基本不变,稳定了振荡频率,实现温度补偿目的。
计时: 电容器与电阻器配合使用,确定电路的时间常数。

输入信号由低向高跳变时,经过缓冲1后输入RC电路。
电容充电的特性使B点的信号并不会跟随输入信号立即跳变,而是有一个逐渐变大的过程。
当变大到一定程度时,缓冲2翻转,在输出端得到了一个延迟的由低向高的跳变。
时间常数: 以常见的 RC 串联构成积分电路为例,当输入信号电压加在输入端时,电容上的电压逐渐上升。
而其充电电流则随着电压的上升而减小,电阻R和电容C串联接入输入信号VI,由电容C输出信号V0,当RC (τ)数值与输入方波宽度tW之间满足:τ》》tW,这种电路称为积分电路。
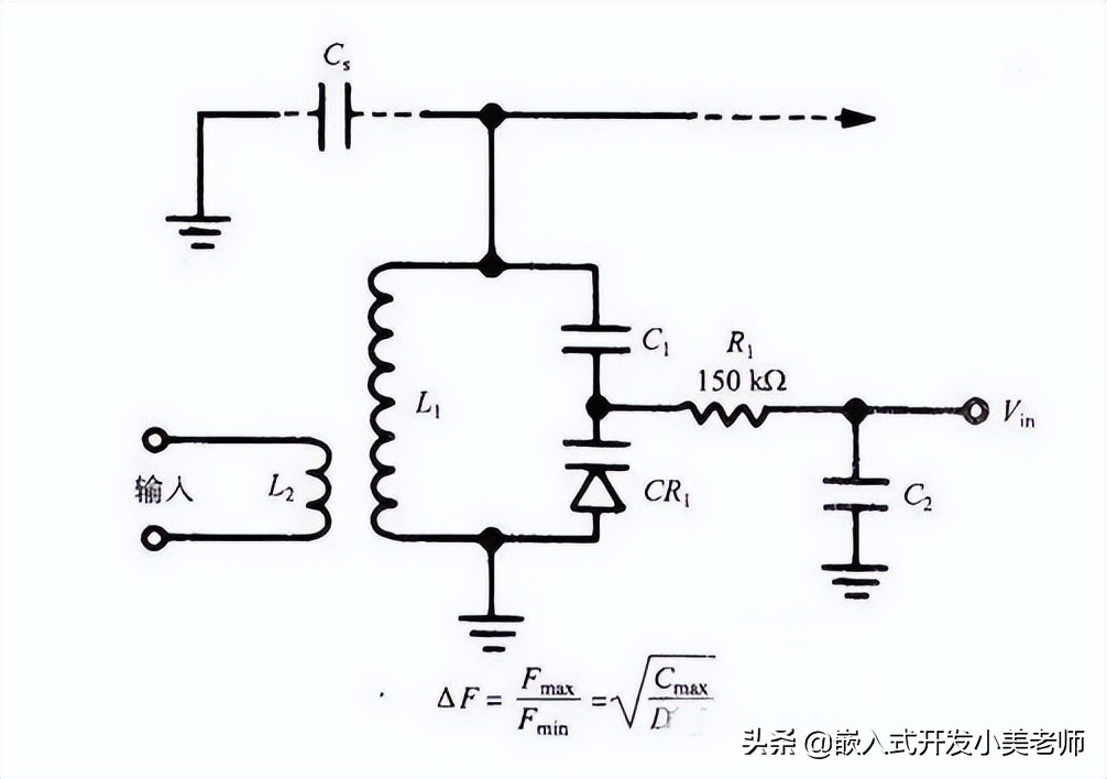
调谐: 对与频率相关的电路进行系统调谐,比如手机、收音机、电视机。

变容二极管的调谐电路
因为lc调谐的振荡电路的谐振频率是lc的函数,我们发现振荡电路的最大与最小谐振频率之比随着电容比的平方根变化。
此处电容比是指反偏电压最小时的电容与反偏电压最大时的电容之比。
因而,电路的调谐特征曲线(偏压一谐振频率)基本上是一条抛物线。
整流: 在预定的时间开或者关半闭导体开关元件。


储能: 储存电能,用于必要的时候释放。
例如相机闪光灯,加热设备等等。

一般地,电解电容都会有储能的作用,对于专门的储能作用的电容,电容储能的机理为双电层电容以及法拉第电容。
其主要形式为超级电容储能,其中超级电容器是利用双电层原理的电容器。
当外加电压加到超级电容器的两个极板上时,与普通电容器一样,极板的正电极存储正电荷,负极板存储负电荷。
在超级电容器的两极板上电荷产生的电场作用下,在电解液与电极间的界面上形成相反的电荷,以平衡电解液的内电场。
这种正电荷与负电荷在两个不同相之间的接触面上,以正负电荷之间极短间隙排列在相反的位置上,这个电荷分布层叫做双电层,因此电容量非常大。

原文链接:https://mp.weixin.qq.com/s/YnEdA-PaKVum7IO_H2S-TA
文章转载自:单片机爱好者
文章来源于:看完这篇文章,会让你对电容的作用更明白!
原文链接:看完这篇文章,会让你对电容的作用更明白!
版权声明:本文来源于网络,免费传达知识,版权归原作者所有,如涉及作品版权问题,请联系我进行删除