摘要:目前国产关键轴承与日本、欧美等先进国家相比,在使用寿命、可靠性、Dn值与承载能力等方面存在较大差距,成为制约中国装备制造业发展的瓶颈。首先介绍了国内外在航空航天、高速动车和其他工业用高端轴承质量上的差距和中国高端装备制造对高端轴承的需求。然后介绍了国外超纯化、多样化、定量化和低成本化的轴承材料的发展现状,以及大幅度提升轴承材料寿命的新型热处理和表面改性技术。最后指出未来中国轴承钢研发不仅需要传统轴承钢冶金质量的提升和新型轴承材料的创新研发,还需要进行2~5 GPa超高疲劳应力作用下轴承钢的组织演化、加工硬化和破坏机制等基础理论研究,以实现中国高端轴承钢的国产化,满足高端装备对高端轴承的需求。
关键词:高端轴承;轴承钢;长寿命;高可靠性;现状;发展趋势

关键基础件是各类装备的核心组成部分,直接决定着装备的性能、水平、质量和可靠性,是现代工业赖以生存和发展的基础。轴承是最重要的关键基础件之一,被称为“高端装备的关节”,广泛应用在矿山机械、精密机床、冶金设备、重型装备与高档轿车等重大装备领域和风力发电、高铁动车及航空航天等新兴产业领域[1]。轴承的破坏主要有2种形式,即最常见的接触疲劳破坏和占 次要地位的磨损破坏。由于要承受高的接触应力(一般高达2~5 GPa)、多次循环接触疲劳应力以及滑动磨损的工作环境,要求轴承具有高抗塑性变形、抗摩擦磨损、高旋转精度及尺寸精度、高尺寸稳定性、长的使用寿命和高可靠性;对于在特殊条件下工作的轴承,还必须具有耐冲击、高Dn值(轴承直径与转速的乘积)、耐高温和低温、防腐蚀和抗磁等性能[2]。
改革开放30多年来,通过引进、消化和吸收,实现了大部分高端装备的国产化,但对高端装备用的高端轴承的国产化一直停滞不前,无法满足中国高端装备国产化的需求,特别是新研发的高端装备完全采用国外轴承[3]。目前中国轴承已经形成行业销售额达到2000多亿元的经济规模,而且以每年12%~15%的速度增长,其中高速、精密、重载等高端轴承的增长速度将更快。但中国生产的轴承主要为中低端轴承和小中型轴承,与国外高端轴承和大型轴承等高附加值轴承相比存在较大差距,表现为低端过剩和高端缺乏[4]。特别是在航空航天、高速铁路、高档轿车及其他工业领域用的关键轴承上,中国轴承的使用寿命、可靠性、Dn值与承载能力等方面与先进国家存在较大的差距,成为制约中国高端装备制造和战略新兴产业发展的瓶颈[5 – 7]。
本文在对各行业所需轴承的国内外差距和国内需求分析的基础上,重点了介绍国外超纯化、多样化及特殊性能轴承材料的发展现状和大幅提升轴承性能的热处理及表面处理工艺的国外最新进展。文章最后提出了中国未来轴承钢发展应坚持传统轴承材料的质量提升及新型轴承材料开发并举的轴承材料研发思路,指出了进行轴承材料在高接触疲劳应力作用下的疲劳破坏机制等基础研究的重要性。
1 中国高端轴承的需求分析
对国内外高端轴承的应用调查表明,作为准高速铁路客车和高速铁路客车最为关键的部件之一的专用配套轮对轴承,全部需要从国外进口,严重制约了国内高速铁路客车产业的健康和持续发展[8];国外汽车变速箱轴承使用寿命最低50万km,而国内同类轴承使用寿命约10万km,且可靠性、稳定性差[9];风电用轴承的使用寿命要求达到20年,国内目前依然没有能力提供2MW以上风电机组的增速器轴承和主轴轴承[10]。国外高速精密机床主轴轴承高速性能指数 Dn 值可达到 4 × 106 r/min,而中国同类产品 Dn 值最高不超过 2.5 × 106 r/min [11]。作为航空发动机的关键基础零部件,国外正在研发推力比为15~20的第3代航空发动机轴承,准备在2020年前后装配到第5代战机,而中国则在进行第2代航空发动机轴承的研发[12]。
1.1 航空发动机轴承

国外v2500航空发动机
近半个世纪以来,美国航空发动机技术在快速发展,*用军**发动机的推重比从开始的2~3级提高到7~8级(第1代航空发动机)、10~12级(第2代航空发动机),再到正在研发的15~20级(第3代航空发动机)的发展历程[13]。作为航空发动机关键基础件的
主轴轴承和齿轮,其寿命与可靠性与国外相比存在较大差距,成为制约中国航空发动机的主要因素之一。轴承材料的性能,是决定轴承使用寿命和可靠性的关键因素之一。目前国外轴承采用的轴承钢从20世纪中期至今已发展3代[14],包括常温(小于150 ℃)使用的第1代,如轴承钢52100;中温(小于350℃)使用的第2代,如M50和 M50Nil(轴承钢内外圈)。近10年来美国研发了第3代航空发动机用轴承齿轮钢,其代表性钢种为耐500℃的高强耐蚀轴承钢 CSS-42L和耐350 ℃高氮不锈轴承钢 X30(Cronidur 30)。但目前中国仍然普遍使用第2代轴承钢。为了推动中国高功率、长寿命和高可靠性航空发动机的成功研发,需要对航空发动机用耐高温、耐腐蚀、长寿命和高可靠性的第3代耐高温耐腐蚀轴承钢进行深入系统的研究。
1.2 中高档轿车用轴承

第三代轮毂轴承单元
据有关资料统计[15],比例为40% 滚动轴承应用于汽车且约占轴承行业产值的1/3。近年来,随着汽车工业的发展和对汽车性能要求的不断提高,汽车轴承向着小型化、轻量化、高速化和高效率化及使用条件越来越苛刻的方向发展。中国汽车产量已从2005年的500多万辆增加到2015年的2400多万辆,预计2030年中国汽车产量将达到3500万辆,汽车用轴承的产值将达到近900亿元。但目前国产汽车用变速箱的寿命为10万 km,远远低于国外的50万km,导致中国高档轿车变速箱全部从国外进口。对于汽车轮毂轴承,中国目前处于广泛应用的第1代和第2代轮毂轴承(球轴承)和研发第3代轮毂轴承的阶段[16]。第3代轮毂轴承单元的主要优点是可靠、有效载荷间距短(刚性高)、易安装、无需调整、结构紧凑等。而第3代轮毂轴承单元在欧洲已广泛应用。目前中国引进车型大多采用这种轻量化和一体化结构轮毂轴承。另外随着现代汽车的节能需求,变速箱结构更简单、质量更轻、可靠性更高和噪声更低。而目前国产轿车用中高档自动变速箱及CVT无级变速箱等还主要依靠进口[17]。除了轴承设计和加工制造以外,像GCr15、S55C、42CrMo和G20CrNiMo等真空脱气轴承钢的夹杂物与碳化物的质量控制水平低,也严重影响了国产汽车用轴承的寿命与可靠性。
1.3 轨道交通用高端轴承

舍弗勒(Schaeffler )高铁轴承
轨道交通车辆主要包括高速铁路客车、重载货车及城市轨道车辆。目前世界高速铁路客车发展越来越迅速,运行速度越来越高(最高时速420 km/h)。因其能源消耗与环境污染是航空运输的1/5,是汽车运输的1/10,成为未来绿色环保的主要交通工具[18]。随着中国铁路货车单车载重达到70 t级、时速向120 km迈进和寿命达到150万 km的发展,铁路轴承需要更高的承载能力、更长的使用寿命和更高的可靠性。目前中国铁路重载列车用轴承全部采用国产电渣重熔G20CrNi2MoA渗碳钢制造,其成本远远高于国外采用超高纯 真空脱气轴承钢材料。另外目前中国电渣钢中的氧的质量分数最低仅仅达到 (15~30) × 10-6,导致电渣轴承钢中的夹杂物含量也远远高于氧的质量分数为 (4~5) × 10-6的国外超高纯真空脱气轴承钢。因此有必要开发超高纯真空脱气轴承钢以替代电渣钢,实现中国重载铁路货车轴承的低成本、长寿命和高可靠性。另外城市轨道交通进入史无前例的快速发展阶段,公共轨道交通已成为在城市和市郊区域的拥挤街道中代替汽车的主要选择。但目前国内地铁用轴承长期被国外SKF、NTN、FAG、TIMKEN、NSK等国际知名企业垄断。
目前国外(日本、欧洲与美国)对超高纯轴承钢(EP钢)的真空脱气冶炼技术、夹杂物均匀化技术(IQ钢)、超长寿命钢技术(TF钢)、细质化热处理技术、表面超硬化处理技术和先进的密封润滑技术等的研究比国内系统深入,而且已经应用到轴承的生产和制造,从而大幅度提升了轴承的寿命与可靠性。而中国所用电渣轴承钢不仅质量水平低于国外高端真空脱气轴承钢,而且成本也比真空脱气钢高出2000~3000元/吨,所以未来中国需要开发超高纯、细质化、均匀化与质量稳定的真空脱气轴承钢代替目前采用的电渣轴承钢,需要进行以真空脱气轴承钢为材料的轨道交通轴承的模拟设计、加工制造、密封润滑和应用研究,以实现高速铁路客车、重载货车及城市轨道车辆用轴承的低成本化与国产化。
1.4 大型精密高速数控机床用轴承

数控机床用角接触球轴承
中国高速电机主轴存在的主要问题是轴承寿命低。国外公司通过对钢材、滚动体、保持架、润滑和密封方面进行研究,推出了Dn值达到4.0×106 r/min的超高速角接触主轴轴承[19]。为满足磨削等一些恶劣环境的要求,一些公司还推出了带有非接触密封的精密主轴轴承以及密封元件等。国外一些公司可提供注入适量润滑脂的密封主轴轴承,用户使用时不需要清洗和加入润滑脂,便于装配,避免污染,达到长寿命。与国外机床轴承对比,国产轴承存在精度储备量低、精度不稳定、短期丧失原有精度;轴承温升高;因材质和热处理因素导致轴承寿命低;尺寸允差离散度偏大和配对角接触轴承的预载荷偏差量大等等一系列问题[20]。
可以看出,作为高端装备之母的机床轴承在模拟设计、加工制造、密封润滑以及轴承材料等方面全面落后于国外。在轴承用钢材质量控制技术方面,中国使用的高端真空脱气轴承钢的质量一般只能达到国外Z级钢的水平,迫切需要开发超纯净轴承钢(相当于EP钢)以及更高级别的SHX钢来满足高精度高速机床轴承的使用要求。要加速中国加工制造业的发展,高档精密机床用轴承的系统化研究应该成为中国高端装备基础技术研发的重中之重,这包括超高纯轴承钢冶炼技术研发、长寿命新材料技术(SHX)、高精度加工和先进热处理技术等。
1.5 大型薄板轧机设备用轴承

轧机轴承
轧钢机轴承,特别是轧机轧辊辊颈轴承,作为轧机设备中的关键零件,其可靠性和稳定性直接影响了轧机的使用寿命[21]。目前国产轧机轴承的寿命短,可靠性差,满足不了客户需求,这是国内轧机轴承存在的一个共性问题。日本NSK与NTN轴承公司分别开发了表面奥氏体强化技术,即通过增加表层奥氏体含量,开发出了TF轴承和WTF轴承,从而将轴承的寿命提高了6~10倍[22]。
大多数轧机辊颈轴承的损坏是由于轧制过程中轧制油和氧化皮侵入轴承内部引起的。未来发展方向就是如何通过材料选择、优化设计、表面处理来进一步提高轧机轴承的使用寿命、使用温度和运转精度。目前国内关键轴承选择采用电渣重熔渗碳轴承钢来保证轧机轴承的寿命与运转精度。未来需要进行轧机用GCr15SiMn和G20Cr2Ni4等轴承钢的超高纯真空脱气冶炼和轴承表层大奥氏体量控制热处理等技术的研发,以提高轧机轴承的寿命、精度和降低轧机轴承的成本。
1.6 风力发电装备用轴承

风电变速箱轴承
轴承属于风电机组的核心零部件。风电轴承的范围涉及从叶片、主轴和偏航所用的轴承,到齿轮箱和发电机用的高速轴承。由于风电设备使用环境恶劣、安装维修维护不便,对轴承零件的质量要求更严格。不但要求轴承具有足够的强度和承载能力,还要求其寿命一般不低于20年[23]。
目前国产风电轴承逐渐形成了规模化、系列化生产,但仅仅限于风电机组中技术门槛相对较低的偏航轴承和变桨轴承,而无法生产技术含量较高的主轴轴承和增速器轴承;目前中国3MW以下风电机组的批量生产能力达4.5万套以上,国产替代率已达到80%以上,但对主轴轴承和增速器轴承,基本还是依靠进口。3MW以上的风电机组配套轴承的国产化问题还没有解决[24]。
国外为了提高风电轴承的强度、韧性和使用寿命,采用了新型特殊热处理钢SHX(40CrSiMo),对于偏航和变浆轴承,通过表面感应淬火热处理控制淬硬层深度、表面硬度、软带宽度和表面裂纹(尤其是齿根部位)的控制;对于增速器轴承和主轴轴承采用碳氮共渗使零件表面得到较多的稳定残余奥氏体体积分数(30%~35%)和大量细小的碳化物、碳氮化物,大大提高轴承在污染润滑工况下的使用寿命[25]。

风电机组
材料质量是决定风电轴承的最重要因素,中国风电轴承与国外的差距,材料是主要因素,其次为风电轴承设计、工艺水平和工艺装备。未来中国风电主轴轴承和增速器轴承的国产化,需要对风电轴承材料、风电轴承的模拟设计等方面进行研究,解决中国风电机组用主轴轴承和增速器轴承的国产化问题。
2 国内外轴承钢质量控制的现状

角接触球轴承
众所周知,长寿命、高转速、高负载和高推力轴承涉及到材料、加工、制造及检测等多个环节,其中材料性能的好坏直接影响到轴承的性能。影响轴承钢质量的因素主要有4个[26]:一是轴承钢中的夹杂物含量、形态、分布和大小;二是轴承钢中的碳化物含量、形态、分布和大小;三是轴承钢中的中心疏松缩孔和中心偏析;四是轴承钢产品质量和性能的一致性。目前国外不仅在传统轴承钢质量控制水平方面大幅领先于中国,而且在新型轴承钢的开发力度方面也远远走在中国前面,形成了国外传统轴承钢的质量和性能提升的研究以及新型和特殊性能轴承材料研发并行的局面[27]。
轴承钢的夹杂物水平直接决定于原料的纯净度以及冶炼过程中氧含量的控制[28]。在20世 纪70年代以前,国内外主要是使用无脱气冶炼(无炉外精炼),钢中氧的质量分数高达( 30~40 ) × 10-6,20世纪70年代到90年代以真空脱气钢为主(应用炉外精炼),钢中氧的质量分数已经降到15 × 10-6左右,20世纪90年代后期到21世纪的今天,由于三脱工艺与真空脱气技术的联合应用,钢中氧的质量分数可以降到5 × 10-6甚至以下。可以看出,国外高品质轴承钢中氧的质量分数在20世纪90年代到现在基本维持在(4~6) × 10-6,没有进一步的大幅度提高[29]。由于氧含量的降低,钢中的夹杂物含量得到大幅度降低,分布更加均匀,尺寸更加细小。随着钢的高纯净度冶炼平台(分电炉与转炉2个系统)的完善和轴承钢纯净度的提高,轴承钢中的夹杂物水平得到很大改善,以至于钢中碳化物的含量、分布、大小成为制约轴承钢质量的主要因素,因此在高纯度冶炼平台下控制碳化物的水平显得越来越重要。可以说包括美国、欧洲和日本等轴承钢强国已经完成对轴承钢夹杂物控制的化学冶金的研究(从20世纪90年代到现在,钢中氧的质量分数稳定控制在(4~6) × 10-6的水平),目前主要进行以轴承钢中碳化物的控制、组织细化以及表面处理的物理冶金研究。
2.1 轴承钢中夹杂物及碳化物对性能的影响
以高碳轴承钢GCr15为例,轴承钢的冶炼质量要求很高,不仅要严格控制硫、磷、氢等的含量,而且要对非金属夹杂物和碳化物的数量、大小和分布状况进行控制。非金属夹杂物和碳化物的数量、大小和分布状况对轴承钢的使用寿命影响很大,往往轴承的失效是微裂纹在大颗粒夹杂或碳化物周围形成和扩展所致。研究指出,夹杂物的含量基本上决定了轴承钢的接触疲劳寿命,如图1(a)所示,轴承钢的接触疲劳寿命随着单位体积内夹杂物长度的增加而呈指数降低。一般认为,钢中夹杂物的含量和钢中氧含量密切相关,氧含量越高,夹杂物数量就越多,寿命就越短。随着炼钢洁净度水平的不断提高,国外真空脱气轴承钢中氧的质量分数已经可以稳定控制到4 × 10-6,夹杂物的数量、尺寸及其分布得到大幅度改善(夹杂物的最大尺寸已经可以小于11 μm,即最大夹杂物评级为0级)。
随着轴承钢纯净度的提高,轴承钢中碳化物的含量、分布及尺寸大小对轴承钢寿命的影响逐步成为影响轴承钢寿命与可靠性的关键因素。如图1(b)所示,轴承钢的接触疲劳寿命随着碳化物含量的减少而呈指数级提高。通过图1(b)还可以看出碳化物的含量对轴承钢的接触疲劳寿命起决定性作用(钢铁研究总院未发表的结果)。

图1 夹杂物(a)与碳化物(b)对轴承钢接触疲劳寿命的影响
另外研究结果还表明,夹杂物和碳化物的粒径越大、分布越不均匀,使用寿命也越短,如图 2所示。轴承钢的化学成分控制、夹杂物与碳化物的颗粒大小、分布状况与使用的冶炼工艺和冶炼质量密切相关。所以轴承钢的未来发展方向之一就是降低钢中夹杂物与碳化物的含量,减小夹杂物与碳化物的颗粒尺寸。钢中碳化物主要来自于轴承钢中的一次液析碳化物、二次网状碳化物和三次共析碳化物。随着高洁净冶炼水平的应用,一次碳化物基本上可以消除。二次碳化物主要在过共析钢中存在,需要通过控轧控冷或低温轧制加以消除或减轻。而影响性能的三次碳化物则需要通过球化处理来加以控制,使得碳化物的颗粒细小和均匀分布。

图2 夹杂物(a)与碳化物(b)的大小对轴承钢接触疲劳寿命的影响
2.2 国内外夹杂物的质量控制水平
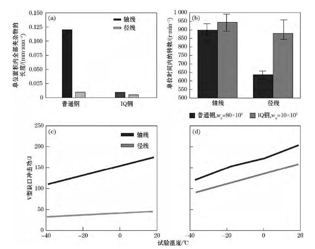
国外发达国家,例如瑞典、日本、德国、美国等国的轴承钢产量和质量都处于领先地位,其共同特点是设备先进、工艺技术成熟、质量稳定。世界上生产轴承钢最著名的厂家有日本的山阳特殊钢厂、瑞典OVAKO公司、美国Timken公司等轴承钢生产企业。以连铸轴承钢为代表的日本山阳 (SANYO)和以模铸轴承钢为代表的瑞典OVAKO,代表了目前国外轴承钢生产工艺及质量的最高水平。日本山阳轴承钢中氧的质量分数普遍控制在5 × 10-6以下,有的甚至达到 (2~3) × 10-6;最大夹杂物尺寸为11 μm;硫的质量分数达到 (20~30) × 10-6、钛的质量分数达到10-5以下,且化学成分波动范围小,有害元素含量小。接触疲劳寿命接近VAR方法冶炼的轴承钢的水平。山阳超高纯轴承钢,即extra puri-fied bearing steel (EP),代表了其轴承钢化学冶金质量的最高水平[30]。瑞典OVAKO是通过模铸冶炼的轴承钢,其普通级(B 级)轴承钢氧的质量分数控制在 (4~6) × 10-6,钛的质量分数在(8~12) ×10-6。OVAKO超高纯净轴承钢是它的各等向性轴承钢,即Identical quality bearing steel(IQ钢),其氧的质量分数在 (3~4) × 10-6,硫的质量分数在10-5,因其极限疲劳强度和韧性在轧向和径向等各个方向基本相同,故而称为各向同性轴承钢。·
通过对SANYO和OVAKO轴承钢的冶金质量对比可以看出,氧含量和钛含量是衡量轴承冶金质量的2个关键控制指标。从夹杂物的角度而言,日本轴承钢企业主要从降低氧含量着手,通过氧含量极低化来达到减少夹杂物含量和降低夹杂物尺寸的目的。而瑞典轴承钢企业则重在控制夹杂物的形状和分布。这2个国家的轴承钢生产状况代表了当今世界轴承钢生产质量的最高水平和中国未来轴承钢化学冶金的发展方向。国内以兴澄特钢、宝钢特材、东北特钢和江苏苏钢、南京钢厂等为代表的先进轴承钢生产企业,具有品质高(通过国际知名轴承公司SKF、FAG、Timken等国外轴承钢公司的认证)和产量大等特点,代表了中国轴承钢冶金质量的最高水平。虽然国内轴承钢厂的冶金设备、工艺和生产流程与国外先进的轴承钢厂基本一致,即高炉铁水+优质废钢→100t超高功率偏心底出钢直流电弧炉→100t LF精炼 炉→100t VD/RH 真空脱气炉→大方坯连铸→热送→热装→加热→连续轧制→抛丸→矫直→涡流探伤→超声波探伤。但在冶炼工艺、操作水平、控轧控冷工艺、参数控制及检验检测及自动化能力等方面存在较大差距,导致中国轴承钢在洁净度控制([O]含量、[Ti]含量、有害元素含量及夹杂物尺寸与分布)、碳化物控制(网状碳化物、带状组织、碳化物尺寸及其分布)及低倍组织(中心疏松缩孔和成分偏析)等方面与日本、瑞典、德国等国外轴承钢发达国家相比有很大的差距[31]。例如中国轴承钢的洁净度控制一致性差:不同炉次、批次的轴承钢氧含量波动范围大;成分控制的一致性差:中心疏松与中心偏析大;夹杂物与碳化物的均匀性差:夹杂物颗粒尺寸超大;另外中国轴承企业化学成分的窄范围控制水平较差,导致不同炉次轴承钢的性能一致性差。
2.3 国内外轴承钢碳化物质量控制的现状
未来中国轴承钢的努力方向,一是经济洁净度:在考虑经济性的前提下,进一步提高钢的洁净度,降低钢中的氧和钛含量,达到轴承钢中的氧与钛的质量分数分别小于6 × 10-6和15 × 10-6的水平,减小钢中夹杂物的含量与尺寸,提高分布均匀性。二是组织细化与均匀化:通过合金化设计与控轧控冷工艺的应用,进一步提高夹杂物与碳化物的均匀性,降低和消除液析、网状和带状碳化物,降低平均尺寸与最大颗粒尺寸,达到碳化物的平均尺寸小于1μm的目标;进一步提高基体组织的晶粒度,使轴承钢的晶粒尺寸进一步细化。三是减少低倍组织缺陷:进一步降低轴承钢中的中心疏松、中心缩孔与中心成分偏析,提高低倍组织的均匀性。四是轴承钢的高韧性化:通过新型合金化、热轧工艺优化与热处理工艺研究,大幅度提高轴承钢的韧性,从而提高轴承的可靠性。
与GCr15等过共析轴承钢相比,中碳轴承钢与渗碳轴承钢中的碳化物控制主要为带状铁素体的控制,即轴承钢中带状组织的控制。相对于过共析轴承钢,渗碳和中碳轴承钢无网状碳化物的问题,其工艺控制技术相对容易。也许这也可以理解为,除了通过渗碳轴承钢和中碳轴承钢提高轴承钢 的韧性外,渗碳轴承钢和中碳轴承钢的网状碳化物控制工艺技术相对简单,是国外发达国家渗碳轴承钢与中碳轴承钢的比例高达30%~50%的另一个原因[32]。为了提高过共析轴承钢的碳化物分布均匀性和降低碳化物颗粒的尺寸,一方面可以采用低温控轧控冷技术,以减少和抑制网状碳化物的出现,为后续的球化退火提供良好的组织预备;另一方面可以改进球化退火工艺,实现过共析轴承钢的碳化物细化和均匀化。目前国外利用循环感应球化退火技术,对热轧态的GCr15SiMn轴承钢进行球化退火,实现了在几分钟的时间内将轴承钢中的碳化物细化,大大缩短了轴承钢的球化退火时间,提高了轴承钢中碳化物的均匀 性与细 质化[33 – 34]。可见轴承钢的碳化物球化退火工艺尚存在很大的发展空间,未来需要进一步的研究。
2.4 特殊冶炼轴承钢的质量与性能
除了以上普通民用轴承钢采用电炉或转炉 (EAF、BOF) + LF + VD (RH) 的生产工艺外,国内外对于一些高端轴承钢和*用军**轴承钢还需要通过电炉冶炼+电渣重熔工艺(EAF+ESR) 冶炼,或采用真空感应+真空自耗的双真空 (VIM + VAR) 或多次真空自耗等工艺来进一步提高 轴承钢的冶金质量。其中真空冶炼可以大幅降低钢中夹杂物的含量,电渣重熔可以提高轴承钢中夹杂物分布的均匀性,而真空自耗则显著降低夹杂物的体积分数和控制夹杂物的分布及尺寸。随着航空发动机设计的进步和传递能量及转速的增大,功率的不断提高,推动比和功重比以及Dn值的不断增加,航空轴承的工作温度能达到350~500 ℃,这要求航空轴承材料具有高的耐温性能、高的表面硬度、高耐磨性能、良好的断裂韧性、冲击韧性和优异的耐腐蚀性能[35]。在国内外常用的航空发动机主轴轴承用钢中,GCr15使用温度低,M50韧性差,均不能满足未来航空发动机主轴轴承用钢的要求,而M50NiL和CSS-42L具有高强韧、耐温等优异的综合性能,能够满足新一代航空发动机的主轴轴承的使用要求[36],表1给出了几种航空发动机用轴承钢性能的比较。

表1 几种航空发动机用轴承钢性能的比较
3 国外高端轴承钢与热处理的研发现状
3.1 国外传统轴承钢的质量提升及新型轴承钢的开发
国外在传统轴承钢的基础上,经过超高纯冶炼工艺的改进,形成了超高纯轴承钢(EP钢)和 各 向同性轴承钢(IQ钢),取得了真空脱气轴承钢在冶金质量控制上的长足进展。另外国外针对轴承的长寿命、高精密、耐高温及其他特殊性能的要求,也相继开发了特殊热处理轴承钢(SHX钢)、低密度轴承材料(60NiTi)、耐高温轴承钢CSS-42L及高耐蚀轴承钢Cronidur30等新型轴承材料[37]。
日本山阳在最近10年里,相继开发了Z级高纯轴承钢和EP级超高纯轴承钢。二者最大的差别是轴承钢中的最大夹杂物尺寸与夹杂物含量[38]。图3给出了日本山阳的Z级轴承钢与 EP级轴承钢的夹杂物情况与对应的接触疲劳寿命情况。从图3可以看出,山阳EP级轴承钢中的最大夹杂物基本都小于11 μm,而Z级轴承钢的最大夹杂物尺寸在1.5 μm以上。从山阳的Z钢、EP钢和双真空钢的对比情况来看,山阳的Z级轴承钢基本达到了双真空钢的水平,而EP钢中的夹杂物质量已经远远超过了双真空钢。从接触疲劳寿命的测试结果来看,EP钢的接触疲劳寿命远远好于Z钢。说明未来高端轴承钢的发展方向依然是控制轴承钢中夹杂物的数量以及夹杂物的最大尺寸。瑞典OVAKO的轴承钢分为BQ和IQ两个级别。其中BQ级别属于普通轴承钢级别,与日本山阳的Z级钢接近。而瑞典OVAKO公司的各向同性轴承钢(IQ steel)则在轴向和径向具有基本一致的性能,即轴承钢的疲劳强度、韧性和夹杂物水平在各个方向基本相同,如图4所示。以GCr15轴承钢为例,瑞典OVAKO轴承钢在各个方向的旋转弯曲强度(σ – 1)为900~1000 MPa,夹杂物含量也降低到普通轴承钢的1/10。从OVAKO报道的结果来看,其IQ钢的性能也达到了双真空轴承钢的冶金水平。

(a) Z级轴承钢中氧化物颗粒的尺寸分布; (b) EP级轴承钢中氧化物颗粒的尺寸分布; (c) Z级、EP级及真空重熔的SUJ2钢最大夹杂物的直径及其数量对比; (d) Z级和EP级SUJ2钢的接触疲劳寿命对比。图3 山阳的Z级及EP级轴承钢的夹杂物水平及其接触疲劳寿命Fig.3 Levels of inclusion and contact fatigue lives of Z and EP degree bearing steels made by Sanyo

(a) 夹杂物的含量; (b) 旋弯疲劳性能; (c) 传统轴承钢轴向与径向的韧性; (d) IQ轴承钢轴向与径向的韧性。图4 OVAKO各向同性轴承钢的夹杂物含量、韧性及极限弯曲疲劳强度Fig.4 Content of inclusion, toughness and limit bending fatigue strength of isotropic bearing steel made by OVAKO
通过以上对山阳的EP钢和瑞典的IQ钢的夹杂物与性能结果来看,未来高端脱气轴承钢的质量和性能水平应该超过电渣钢,接近甚至达到双真空钢的水平。这表明目前国外真空脱气轴承钢的夹杂物质量控制已经接近轴承钢质量控制的极限水平。所以未来中国高端真空脱气轴承钢研发的关键是控制轴承钢中的氧含量、钛含量、夹杂物数量以及最大夹杂物尺寸,其指标要超过电渣重熔轴承钢,接近或达到双真空轴承钢的水平。
CSS-42L是美国拉特罗布特殊钢公司(Latrobe Special Steel Company)研制的表面硬化型轴承钢,属于第3代轴承材料,应用于宇航齿轮传动机构和涡轮螺旋桨主轴轴承等零部件[39]。渗碳后碳化物细小且分布均匀(图5 (a)),室温表面最高硬度可达到67~72 HRC,在430 ℃ 下的最高高温硬度为62 HRC,在480~500 ℃下的最高高温硬度58 HRC。芯部为高温回火的马氏体及均匀分布的细小碳化物基体组织(图5 (b)),其断裂韧性可达到100 MPA · m1/2。滚动接触疲劳寿命试验结果表明,它的L10是M50钢的约28倍,具有广泛的应用前景。所以利用CSS-42L替代M50和M50NiL等第2代轴承钢,可以大幅度提高轴承的寿命和可靠性,大大降低轴承的更换频率,提高安全性和降低发动机的维修成本。近几年中国对第3代轴承钢CSS-42L进行了跟踪研究、初步试制及应用工作,但刚刚起步且,有待于进一步推广应用。所以未来CSS-42L钢的工程化目标是要解决在航空发动机齿轮上进一步推广应用以及实现其在航空发动机轴承上的应用。

(a) 均匀细小碳化物的渗碳层组织; (b) 在高温回火马氏体基体上均匀分布的细小碳化物。图5 高温轴承钢CSS-42L渗碳层的组织Fig.5 Microstructures of high temperature bearing steel CSS-42L
欧洲的科研人员从表面氮化产品在污染环境中具有良好的寿命、耐磨性和防锈性能中得到启示,利用加压电渣重熔工艺(Pressurized electro-slag remelting-PESR),将氮加到钢中,取代碳,开发出了系列化的氮化轴承钢。其中超耐蚀轴承钢Croni-dur30氮的质量分数为0.4%左右,具有比440C高出100倍的耐蚀性能[40]。FAG称用这种钢制造的轴承具有高可靠性、超长寿命、低摩擦和低温升等特点,在水中其轴承寿命高出常规轴承钢5倍。近年来,钢铁研究总院联合抚钢、宝钢、洛阳轴承研究所、洛阳轴承厂等相关单位,开展了系列高氮不锈轴承钢的研究工作。在实验室研究了氮的质量分数为0.16%~0.42%的系列高氮不锈轴承钢,经淬火-低温回火后,室温硬度均大于58 HRC,同时经淬火-高温回火后的室温硬度也均大于58 HRC,具有优异的抗回火软化性能和尺寸稳定性;同时系列高氮不锈轴承钢在200 ℃的高温硬度均可大于56 HRC;另外钢中的碳化物(碳氮化物)均匀细小,开发的X30N高氮不锈轴承钢(马氏体基体氮的质量分数达到0.42%)中碳化物(碳氮化物)最大尺寸小于 5 μm;系列高氮不锈轴承钢的耐蚀性能也得到明显的提升,开发的高氮不锈轴承钢40Cr15Mo2VN(氮的质量分数为0.16%~0.25%)的盐雾腐蚀试片在120 h盐雾腐蚀过程中未发生点蚀等腐蚀破坏(440C试片8 h内就出现点蚀)。正是由于高氮系列不锈轴承钢具有比传统不锈轴承钢440C更加优异的质量和耐蚀性能,目前钢铁研究总院正在进行系列高氮不锈轴承钢在航空、航天、核动力等领域的应用研究工作,如航空发动机主轴承、火箭燃料泵轴承、核动力驱动机构用轴承等。
国外近年研制了其他多种新型轴承钢,例如,NSK公司经过多年研究,开发出了一种表面淬硬的SHX耐热轴承钢,SHX具有良好的耐温性能(可以耐温300 ℃)、抗卡死和耐磨损特性,并且寿命长(比SUJ2钢制造的轴承寿命长3~4倍)。在超高速运转时,通常认为内圈由于受到高的环向应力作用而易于断裂。通过使用SHX材料的内圈,其内部残余应力能抵消环向应力,从而避免了轴承内圈的断裂。目前用SHX材料制造的RO-BUST系列轴承已经应用于许多高速精密机床的主轴,其长寿命和高可靠性能也已经得到验证。最近的文献表明[41],美国NASA实验室正在进行超弹性轴承合金60NiTi的研究,准备用在航空发动机上。这种新型超弹性合金具有低模量、低密度、耐腐蚀、耐高温和无磁性等优异性能。最新的研究结果表明,60NiTi最高使用温度可以达到400 ℃,能承受的最大载荷也比传统轴承钢提高3倍以上。60NiTi轴承合金的这些优越性能有可能成为未来最具发展潜力的一种新型航空发动机轴承材料。高铬含量不仅提高了轴承钢的成本,也不利于轴承寿命的提高(研究结果表明,合金含量越高寿命越低),而且大幅减缓渗碳速度,所以国外在开发新型低成本耐高温的CrNiMov系轴承钢(低成本高温钢包括表面硬化型和全淬透型2种,其合金元素的质量分数小于7%,远远低于合金元素的质量分数为10%~20%的现有高温轴承钢(M50、M50NiL、Cronidur30、BG-42、Prewear675和CSS-42L等高温轴承钢)[42]。
3.2 国外轴承钢的新型热处理技术
在高洁净度冶炼技术的基础上,通过特殊热处理不仅可以细化晶粒,也可以细化碳化物,改善碳化物分布。这种细化组织的特殊热处理技术不仅可以提高轴承钢的强度和硬度,还可以将轴承的接触疲劳寿命提高3倍以上[43]。图6给出了NSK公司通过特殊热处理对GCr15组织细化的结果。可以看出,晶粒细化热处理后,GCr15轴承钢的晶粒尺寸从约15 μm细化到约5 μm的水平。目前中国对奥氏体化工艺对轴承钢组织结构及性能影响的研究不是特别深入,有必要深入开展热处理工艺对轴承钢接触疲劳寿命影响的研究,形成长寿命和高可靠性的轴承钢特殊热处理技术。同时轴承钢的组织细化热处理技术也说明了一个道理,那就是可以在一定洁净度的水平下,通过轴承钢组织的细化和均匀化来大幅度提高轴承钢的接触疲劳寿命,这为研发和生产经济性或低成本轴承钢提供了一个可能的方向。

图6 GCr15轴承钢的常规淬火组织(a)和经过双阶段热处理细化后的基体组织(b)Fig.6 Tradituonal quenched microstructure (a) and refined microstructure (b) precessed by double stage heat treatment of GCr15 steel

图7 轴承钢表面超高奥氏体含量热处理技术对性能的影响Fig.7 Effects of heat treatment technology of super large volume fraction of austenite at surface for bearing steels on the properties
常规淬火后的高碳铬轴承钢中一般含有体积分数为6%~15%的残余奥氏体,该残余奥氏体为软的亚稳定相,在一定的条件下(如回火、自然时效或零件的使用过程中)会失稳转变为马氏体或贝氏体。相变带来的后果是零件的硬度提高,韧性下降,尺寸发生变化而影响零件的尺寸精度,导致轴承无法正常工作。对尺寸精度要求较高的轴承零件,一般希望残余奥氏体越少越好,如淬火后进行补充水冷或深冷处理,采用较高温度回火等消除残余奥氏体。但残余奥氏体可提高韧性和裂纹扩展抗力,在一定的条件下,工件表层的残余奥氏体还可降低接触应力集中,提高轴承的接触疲劳寿命。因此通过材料的成分和工艺的改进,采取措施保留一定量的残余奥氏体含量并提高其稳定性,可以提高轴承的寿命与可靠性。目前国外成功开发了表面超高奥氏体含量的热处理技术,将轴承钢的疲劳寿命最高提高了10倍,由图7可知,相比于长寿命轴承钢,超长寿命轴承钢具有较高的残余奥氏体含量,然而其维氏硬度依然维持较高水平(图7 (a)),且疲劳寿命明显高于SUJ2与普通的渗碳轴承钢(图7 (b))。
高碳铬轴承钢一般是整体淬硬,淬后残余应力为表面拉应力状态,易造成淬火裂纹,降低轴承的使用性能[44-45]。根据表面超大量奥氏体可以提高轴承寿命和可靠性的研究结果,可以对全淬透轴承钢进行渗碳、渗氮或碳氮共渗,提高表层的碳、氮含量,降低表面层的Ms点,保证在淬火过程中表面层最后发生相变而形成表面压应力和保留大量稳定的残余奥氏体,来提高轴承钢的耐磨性及滚动接触疲劳性能。最近的研究还表明:高碳铬轴承钢经渗碳或碳氮共渗后还可提高轴承在污染条件下的接触疲劳寿命。一般在淬火加热时,通过控制气氛的碳(氮)势,可达到以上目的,但如果对高碳铬轴承钢进行超常渗碳(碳势2%),则必须加大加工余量,去除渗碳淬火后表层的粗大碳化物。
4 未来高端轴承钢的研发及其基础研究方向
为了适应未来轴承的复杂使用环境和更高性能的要求,轴承材料的研发不仅仅是传统全淬透轴承钢(以GCr15为代表的高碳铬低合金系列、以M50为代表的中合金系列和以9Cr18为代表的高合金系列)、渗碳轴承钢(以20CrMo为代表的CrMo系、以10CrNi3Mo和20CrNi2Mo为代表的CrNiMo系和20Cr2Mn2Mo为代表的CrMnMo系)和中碳轴承钢(以42CrMo为代表的表面感应轴承钢)的品质提升,还应该进行众多新型低成本、环境适应型和更高性能轴承钢的研发。
在传统轴承钢品质提升的研发方面,日本山阳和瑞典OVAKO等国外轴承钢企业相继开发了超高纯的EP钢和IQ钢,其冶金质量和使用性能远远超过了价格昂贵的电渣冶炼的轴承钢,达到了双真空冶炼轴承钢的水平。所以未来中国高端传统轴承钢的冶金质量与使用性能,应该通过冶金设备、工艺与流程的改进,使真空脱气轴承钢达到双真空冶炼的轴承钢的质量和性能水平,着力开发中国低成本真空脱气轴承钢的超纯化技术,达到国外EP钢和IQ钢等真空脱气轴承钢的冶金质量和使用性能。
在新型轴承钢的研发方面,国外相继开发了低成本中碳轴承钢SHX、耐高温不锈轴承钢CSS-42L、耐腐蚀轴承钢Cronidur30等为代表的新型轴承钢以及正在开发的超弹性低密度轴承合金60NiTi以及新型低成本耐高温CrNiMoV系轴承钢。未来在新型轴承钢及轴承材料研发方面,需要加大投入,进行长寿命、高可靠、低成本、低密度和耐高温等性能的新型轴承钢的开发,以适应高端装备用轴承材料的多样化和功能化的发展需求。
另外,鉴于轴承钢的接触疲劳破坏是在2~5 GPa疲劳应力下表层和亚表层的破坏行为,该应力已经达到或远远超过材料的疲劳强度(正常材料的疲劳强度一般不超过2 GPa),目前人们对于这种超高应力下的材料组织演化、加工硬化及其破坏行为的研究还比较少,这阻碍了人们对轴承钢疲劳破坏机制的更深层认识,也不利于未来新型轴承钢的开发。因此应该展开轴承钢在超高疲劳应力(高达2~5 GPa的接触疲劳强度)下的组织演化行为、材料的加工硬化行为及疲劳破坏机制等基础理论研究,弄清控制轴承钢疲劳破坏的主要与次要原因及解决措施,为传统轴承钢的改进和新型轴承材料的创新研发奠定理论基础。