
在电气工程中,大量的建筑电气设备是靠电动机拖动的,利用这些电气设备以实现工程上所要求的各种运行方式。对电动机以及其他用电设备都需要对其运行方式进行控制,从而形成了各种控制系统。常用的控制系统为继电器接触器控制系统。

继电器接触器控制系统广泛应用于工业生产的各个领域,创造了一系列控制系统的范例,并对一些典型的逻辑控制关系建立了固定的继电器接触器逻辑控制组合或控制单元。建筑电气中常用的继电器接触器控制系统可看成由输入电路、继电器控制电路、输出电路和控制对象组成,如图5-1所示。其中输入电路是由能够表征控制对象状态的按钮、行程开关、限位开关及各种传感器等组成。输出电路由接触器、电磁阀等执行元器件组成,用以控制电动机、阀门等装置。

图5-1 继电器接触器控制系统结构图
在控制电路中,不仅要有控制元件,还应有保护元件和信号元件,以防止电路或电气设备发生故障以及保证人身安全。由各种控制元件、保护元件等组成,对电动机及其他用电设备和运行方式进行控制的线路图,称为电气控制电路图,习惯上称为电路图。
电气控制电路图中的常用电器
电路图是由图形符号绘制,并按其原理及功能布局,表示电路中设备、元件的连接关系,从而构成的一种易读的简图,便于工作人员分析和计算。电路图不考虑施工过程中的实际位置,它可作为绘制接线图的依据。
在建筑设备电气控制中,为了满足生产工艺和生产的过程要求,就需要对电动机进行顺序启动、停止、正反转、调速和制动等电气控制,由此构成了很多基本环节(各种控制环节、各种保护环节、显示报警环节等)。电气控制系统无论其复杂与否都是由一些基本环节,即单元电路组成,而这些基本的单元电路又是由电器元件组成的。
低压电器用来接通或断开电路,同时起到控制、保护、调节电动机的启/停、正/反转、调速和制动等作用的电器元件。
由低压电器组成的,如刀开关、熔断器、控制按钮、接触器等,通常称为继电器接触器控制系统。这种系统通过机械触点的断续控制(开关动作,包括各种元件的断续闭合和断开)来控制目标。
为了更好地读懂继电器接触器控制系统的电气控制图,首先要掌握元器件的原理和功能。在识图时要清楚每个器件的结构、图形符号及接线方式。低压电器的种类繁多,按其用途、操作方式、执行机构的不同,可以有不同的分类方式。
1.按用途分类
按其用途进行分类可分为低压配电电器、低压控制电器、低压主令电器、低压保护电器和低压执行电器等。
(1)低压配电电器是用于供电系统中进行电能的输送和分配的电器,主要有低压断路器(俗称空气开关)、隔离开关、刀开关和自动开关等。
(2)低压控制电器是用来控制电路和控制系统的电器,主要有接触器、继电器、启动器和各种控制器。
(3)低压主令电器是用来发送控制指令的电器,主要有控制按钮、主令开关、行程开关和万能转换开关等。
(4)低压保护电器是用来保护电路及各种电器设备的电器,主要有熔断器、热继电器、电压继电器和电流继电器等。
(5)低压执行电器是用来完成既定的动作或传递能量的电器,即执行元件,主要有电动机、灯、电阻丝、电磁铁和电磁离合器等。
2.按操作方式分类
按操作方式的不同,可将低压电器分为自动电器和手动电器。
(1)自动电器主要是在外来信号或者本身的参数变化下自动完成其功能。如接触器和继电器在电信号的作用下吸合或分离;热继电器在大电流的情况下自动动作,切断电路;熔断器在过电流的情况下熔断而保护电路。
(2)手动电器主要通过人力的作用来完成其切换动作。常用的手动电器有控制按钮、刀开关和组合开关等。
3.按执行机构分类
按执行机构的不同,可将低压电器分为有触点电器和无触点电器。
(1)有触点电器主要通过触点的动作来执行信号,如接触器和继电器等。
(2)无触点电器主要是利用晶闸管等电力电子器件的导通和截止来反映信号。
控制电路图中的常用图形符号
电路图所使用的图形符号应按《电气图用图形符号》GB/T 4728所规定的原则选用和组合,《电气图用图形符号》详见书后附录A。本节主要介绍几种控制电路的常用电器,常用电器的图形符号及型号的含义如下。
1.控制按钮
控制按钮通常用来接通或断开控制电路,控制按钮所通过的电流很小,仅用于提供信号。它的作用是控制接触器、继电器等电器的动作。
控制按钮由按钮帽、弹簧、静触点和动触点组成。控制按钮的图形符号如图5-2所示。

图5-2 控制按钮的图形符号
控制按钮有一对动合触点或动断触点,也有两对动合或动断触点,还有多对触点。在设计和工程实践中,通常将两个或多个控制按钮单元做成一体、双体、三体和多提按钮,以满足电动机启停或其他复杂控制系统的需要在使用控制按钮是一般同一。,电路使用多个控制按钮,为了区分不同的控制作用,防止误操作,使用不同颜色的按钮帽,以示区别。按钮帽的颜色有红、白、蓝、绿、黑等。根据规范GB 4025《指示灯和按钮的颜色》的规定,“启动”按钮为绿色,“停止”按钮为红色等。
控制按钮还有自保持和自复位两种。自保持按钮内部有电磁或机械结构,当按下按钮后,在撤去外力时,按钮不能自动复位,继续保持。自复位按钮在外力撤去后,按钮在弹簧的作用下将恢复原位。控制按钮的分类见表5-1。
表5-1 控制按钮的分类

国内常用的按钮系列有LA和引进的LAY系列。控制按钮的型号含义如图5-3所示。

图5-3 控制按钮的型号含义
2.组合开关
组合开关也万能开关,可实现多组触头的组合。它可在机床中作为不带负载的接通或者断开电源,供转换之用;也可在小容量电动机的启动、停止和正反转,或直接作为电源开关。组合开关的图形符号如图5-4所示,文字符号为QS。
组合开关有单极、双极和多极三大类,具有结构紧凑、体积小和操作方便等优点。根据接线方式不同,可分为以下几种通断、两位转换、三位转换和四位转换等。组合开关的技术参数有额定电压、额定电流、操作频率和极数等。其中额定电流有10A、25A、60A以及100A等几个等级。
3.位置开关
位置开关常作为检测元件。在自动控制系统中,用于需要控制或检测运动器件的位置。位置开关按其结构分为机械式和电子式。机械式位置开关有行程开关和微动开关;电子式开关有接近开关、光电开关等。
行程开关和微动开关。行程开关装在运动部件到达的既定位置时,其上所安装的撞块会碰撞行程开关,在机械部件的作用下,行程开关动作。行程开关和控制按钮的原理相似,区别是行程开关的推杆或其他机械装置是在机械的碰撞下动作的,而控制按钮是在人的手动作用下动作。行程开关的种类很多,机械式的有直杆式、直杆滚动式、转臂式等。直杆式行程开关的图形符号如图5-5所示。

图5-4 组合开关的图形示意图和图形符号
(a)单极开关;(b)双极开关;(c)三极开关

图5-5 直杆式行程开关的图形符号
国内常用的行程开关有LX19、JLXK1、LX32等系列。
通常将尺寸很小的行程开关称为微动开关。微动开关体积小,灵敏度高,常用在定位精度比较高的地方。国内常用的微动开关有LXW5、LXW31等系列。
4.接近开关
接近开关是利用电感、电容来感应靠近的金属体或利用超声波来感知物体等方式控制物体的位置。
5.接触器
接触器是一种广泛应用的开关电器,主要用于频繁接通和断开的交、直流主电路以及大容量的控制电路中,具有失电压保护功能,并能进行远距离控制。接触器种类很多,根据使用电路不同分为直流接触器和交流接触器。在工业生产中,使用广泛的是电磁式交流接触器,简称接触器。下面主要介绍空气式交流接触器。
空气式交流接触器(以下简称交流接触器或接触器)用来接通或者断开主电路、电动机和大容量的控制电路。交流接触器每小时可开闭几百次,所以用来频繁地接通和断开负载,还可实现远距离控制,因此被广泛应用。

图5-6 交流继电器图形符号
交流接触器主要由电磁铁和触点两部分组成,接触器的文字符号为KM,其图形符号如图5-6表示。在识图时应注意,接触器原理图中线圈和各个触点可根据需要绘制在不同的位置,但文字符号是一致的以表示是同一,接触器。根据用途的不同,接触器的触点分为主触点和辅助触点,主触点可通过较大的电流,即可通过额定电流,应用在主电路中,可驱动电动机、电焊机等设备;辅助触点通过的电流较小,用以提供控制电路的信号。
在使用交流接触器时,注意接触器上采用的灭弧措施。接触器的主触点在断开期间,由于电场的存在,使得触头表面的自由电子大量溢出。同时,在高温和强电场的作用下,电子运动撞击空气分子,使空气电离而产生电弧,为防止电弧烧坏触点或使切断时间过长,在交流接触器上采用了灭弧装置。
灭弧措施要求快速拉大电弧的长度,使单位长度上的电弧电压降低,使自由电子和空穴复合的运动速度加快,散热面积加大,冷却速度加快。常用的灭弧装置有吹弧和栅片灭弧两种方法。
我国常用交流接触器有CJ系列和CJX系列。下面以CJ20系列的距离接触器为例,介绍其型号含义,如图5-7所示。

图5-7 CJ20系列交流接触器的型号含义
常用交流接触器的额定电流有5A、10A、20A、40A、75A、120A等,线圈的额定电压一般为工频220V和380V交流电。
直流接触器的工作原理和结构与交流接触器相似,常用的有CZ系列。
6.继电器
继电器是一种根据外界输入信号(电量或非电量)来控制电路自动切换的电器,实现信号的转换、传输和放大。它的输入信号可以是电流、电压、功率等电信号,也可以是温度、速度、压力等非电量信号。在这些信号的作用下,其输出均为继电器触点的动作(闭合或断开)。所以说,继电器在电路中起控制、放大和保护的作用。
继电器与接触器的主要区别在于,接触器的主触点可以通过大电流驱动各种功率元件;而继电器的触点只能通过小电流,所以继电器只能为控制电路提供控制信号。对于小功率器件(数十瓦),可直接使用继电器驱动,如信号灯、小电动机等。
继电器种类很多,按其输入信号可分为电流继电器、电压继电器、功率继电器、时间继电器、热继电器等;按动作原理可分为电磁式继电器、感应式继电器、电动式继电器等。
(1)中间继电器。中间继电器是在控制电路中传输或转换信号的元件,其特点是触点数量多,它对电路起到增加触头数量和中间的放大作用。中间继电器的工作原理与接触器相同,但种类繁多。除专用中间继电器外,额定电流小于5A的接触器通常也称为中间继电器。中间继电器的文字符号为KA,其图形符号如图5-8所示;其型号含义如图5-9所示。

图5-8 中间继电器的图形符号

图5-9 中间继电器型号含义
目前国内常用的中间继电器交流系列有JZ7、JZ8等;直流系列有JZ14、JZ15等。
(2)速度继电器。速度继电器是用来反映电动机等旋转机械的转速和转向变化的继电器。速度继电器通常和接触器等配合用于实现电动机的反接制动控制,所以也称反接制动继电器。速度继电器的图形符号如图5-10所示,文字符号为KS。
7.热继电器

图5-10 速度继电器的图形符号
热继电器是一种保护电器,用于电动机长期的过载保护。由于热元件具有热惯性,因此热继电器在电路中不能作为瞬时过载保护,更不能用于短路保护。但正是因为热元件的热惯性,使得电动机在启动或短时过载的情况下,热继电器无动作,从而保证了电动机的正常工作。热继电器的文字符号为KR,图形符号如图5-11所示。
目前,国内常用的热继电器的系列有JR15、JR16、JR20等。热继电器也广泛用于日常生活中,如电热水器、电冰箱压缩机的热保护装置以及电动机的热保护等。热继电器JRS1系列的型号含义如图5-12所示。

图5-11 热继电器的图形符号

图5-12 热继电器JRS1系列的型号含义
8.低压断路器
低压断路器也称空气开关,以下简称断路器。常用的断路器为塑料外壳式,其操作方式为手动。断路器由触点、灭弧系统、脱扣器(如电流脱扣器、欠电压脱扣器等)、操作机构和自由脱扣机构等组成。
断路器在正常工作时,可用来分断接通正常的负荷电流,当电路发生故障时,起保护作用。当其保护的电路严重过载或短路,断路器能自动断开电路,断路器还是一种可恢复的保护电路。低压断路器的作用相当于刀开关、熔断器、热继电器和欠电压继电器的组合,它既可进行手动操作,又能进行欠电压、失电压、过载和短路保护的控制电器。
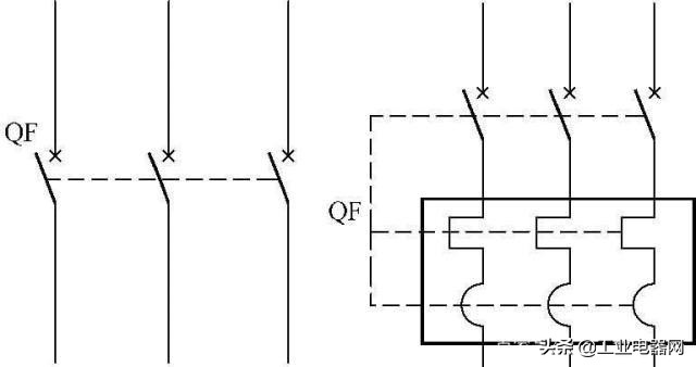
低压断路器的文字符号为QF,其图形符号如图5-13所示。
国内常用的塑壳的断路器有DZ5、DZ10、DZ15、DZ520等系列,DZ15断路器的型号含义如图5-14所示。

图5-13 低压断路器的图形符号

图5-14 DZ15断路器的型号含义
9.时间继电器
在控制电路中,特别是电力拖动和自动控制系统中,经常需要按一定的时间顺序进行电动机的接通或断开,有时需要一定时间的延时,才能完成相应的功能。具有延时功能的时间继电器即可完成此功能。
时间继电器种类繁多,常见的有电磁阻尼式、空气阻尼式及电动机式等时间继电器。按延时方式分,又分为通电延时型和断电延时型。通电延时型继电器:当信号输入即通电后,需经一段时间,触点才有动作,当输入信号消失时,触点立刻复位。断电延时型继电器:当断电一段时间后,触点才动作,通电后瞬时动作。
时间继电器的文字符号为KT,其图形符号如图5-15所示。

图5-15 时间继电器图形符号
国内常用的空气阻尼式时间继电器有JS7、JS16、JS23等系列,JS7系列时间继电器的型号含义如图5-16所示。

图5-16 JS7系列时间继电器的型号含义
来源:电子工程师小李
电气百科,工业视频,工业导航,工业科普,电的世界我最懂