
我们日常生活中经常会遇到这种情况,手机充电器使用一段时间之后,就经常听到其会发出滋滋的声音。这是神马情况?会不会损坏手机?会不会有安全隐患?会不会爆炸?越想越是吓死宝宝!
手机充电器用久了为什么会有异响呢?今天机农和大家一起探究一下充电器工作时产生异响的原因。
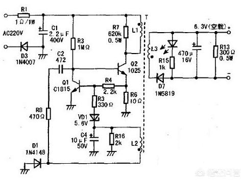
要解析异响问题,我们需要先看看手机充电器内部是 如何工作的。

手机充电器的工作原理是通过Q1和Q2产生震荡,产生交变的电流,利用电磁互感效应,实现电压在初级线圈L1和次级线圈L3的变化,经整流得到直流输出。我们知道变压器线圈是受力的,因为有交变电流经过线圈时会产生磁场,同时电流在磁场中又会产生作用力。

新出厂的充电器电感线圈一般使用漆封、环氧树脂、热缩胶带等方式进行固定,使线圈无法产生振动。但充电器使用时间长了这些封装材料可能老化会松动,线圈本身也会受热胀冷缩作用而产生缝隙,线圈受力就有可能产生振动,振动的频率落在人耳的听觉的范围内(20Hz-20KHz),就能够听到"嗞嗞"的声音。所以时间长了就会发出嗞嗞的声音。

机友们听到充电器发出嗞嗞的声音请不要过分惊慌,请确认手机是否可以充电,充电器有无严重发烫,或分散出烧焦味,若无则可以正常使用。如果还是担心有安全隐患,建议更换新的充电器使用。
