光波炉是一款新的家庭厨具产品, 通过卤素管发热对炊具进行加热,工作时 表面发热发红,有火的感觉,炒菜火力够大,与煤气灶的感觉没什么区别。下面以笔者以半球牌微电脑光波炉为例,介绍其工作原理与维修提示。
一、光波炉的结构

微电脑光波炉的实物图解

拆开外壳后内部图解
由图可见,由耐高温的黑晶面板、卤素管、聚光反光碗、主板、控制板、电风扇、上下盖板等组成。卤素管采用交流电供电方式,通电后产生热量和光波,通过控制主板上的双向可控硅的导通程度,进而控制卤素管的供电大小和有无,就可以控制卤素管加热温度和是否工作;反光聚光碗将卤素管下面 的光线和热量发射和聚光到面板上,提高光波和热量的利用率;耐高温的黑晶面板将卤素管和炊具隔离,由于黑晶板具有垂直传导光能,将光能和热量传递到炊具上。
二、光波炉的工作原理
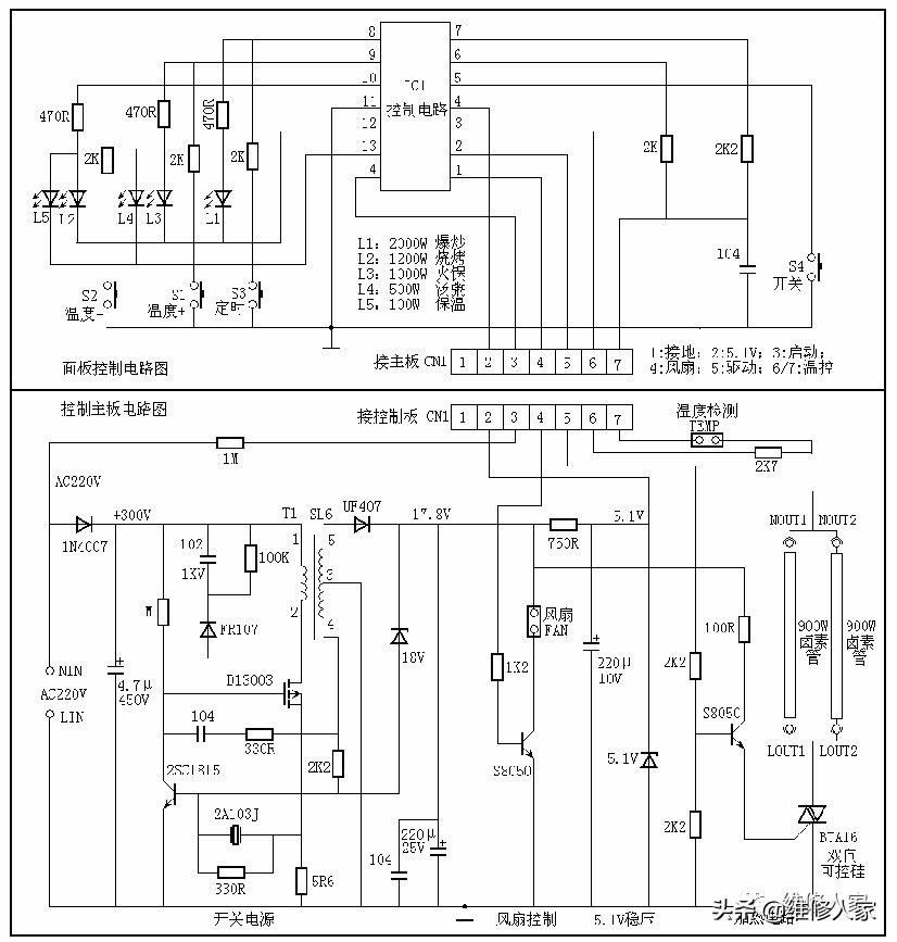
半球牌微电脑光波炉的控制电路主板正面及背面图解见下图;


操作控制板的正面及背面图解见下图;


根据实物绘制的原理图见下图,下部分为主板电路,上部分为操作控制电路,二者通过连接器CN1连接, 进行供电和驱动控制信号传递。

参见上图,主板电路主要由电源电路、 风扇控制电路、加热电路组成,操作控制板 电路主要由单片机IC1为核心组成。
1、电源电路
电源电路在图的左下部,它由市电整流滤波电路、开关电源电路、整流滤波电路、5.1V稳压电路组成。其中,开关电源由开关管D13003、三极管 2SC1815、开关变压器T1为核心组成。D13003是NPN型硅三极管,采用TO-92封装,内置阻尼二极管,开关速度快,其集电极与基极击穿电压VCBO为600V, 集电极与发射极击穿电压VCEO为400V, 集电极最大耗散功率PCM为20W, 集电极最大电流ICM为1.5A。
2、市电整流滤波电路
AC220V电 源经电源线输入从LIN和NIN连接点输入,NIN电压经二极管1N4007 整流、4.7μF/450V电容滤波后,形成约300V的直流电压。
3、开关电源电路
300V直流电压电压分为两路,一路经开关变压器T1的初级绕组(1-2绕组)加到开关管D13003的集电极,另一路经1MΩ 电阻为D13003的基极提供启动偏置电压,D13003开始导通,其电流在T1初级绕组产生电动势,其他绕 组产生感应电压。其中,3-4绕组的感应电 压 经330Ω电阻和104PF电容 正反馈到D13003的基极,使D13003迅速达到饱和导通状态,最终使开关管进入振荡状态。开关电源工作后,T1 3-4绕组感应的电压经VF407整流 ,220μF/25V电容滤波产生18V左右的直流电压。该电压一路经连接器FAN为电风扇电机供电;另一路经750Ω电阻降压 、220μ/10V电容滤波,5.1V稳 压管稳压后产生5.1V电压,经连接器CN1的2脚为操作控制电路供电。
4、稳压控制电路
稳压电路由18V稳压管和三极管2SC1815为核心组成。当开关电源输出的电压超过18.6V时,18V稳压管击穿导通,迫使2SC1815提前导通,致使开关 管D13003提前截止,T1存储的能量下降,开关电源输出电压下降到正常值,实现稳压控制。
5、过压保护电路
由2K2电阻和三极管2SC1815组成。开关电源输出电压升高时,开关变压器T1的3-4绕组输出的电压经2k2电阻限流使2SC1815导通,致使开关管 D13003截止,避免了开关管过压损坏。实际上,该电路只是限制了输出电压的升高。开关管过流保护电路;当开关管D13003过流,在5R6电阻两端产生的压降升高,经330R电阻限流使2SC1815导通,致使D13003截止,避免了D13003等元件过流 损坏,实现开关管过流保护。
6、风扇电路
风扇电路由单片机IC1、驱动管S8050 和风扇、电风电机组成。开机后,单片机IC1从1脚输出风扇控 制电压高电平,经连接器CN1的4脚和1k2 电阻使S8050导通,经连接器FAN接通风扇电机的供电回路,风扇电机带动风扇旋转, 实现散热功能。当按下启动/停止按键,光波炉停止加热时,炉内温度仍然较高,为了将炉内温度降低到安全状态,风扇继续工作一段时间, 直到炉内温度达到安全状态为止。
7、加热电路
加热电路由单片机IC1、驱动管S8050、双向可控硅BTA16和两根卤素管组成。卤素管是一种密封式的发光发热管, 属于红外线灯,内充卤族元素惰性气体,中间有钨丝分白、黑两种。卤素管具有热效率高、加热不氧化、使用寿命长、成本低、安装简便、环保、无污染等优点,广泛应用到各种小家电,如:光波炉、雅乐炉、电火炉、咖啡壶、电暖器、美容器、烘箱等。一般采用2~3根卤素管为发热源, 每根卤素管功率 在900~1200W左右。光波炉采用的卤素管见下图所示。

光波炉使用的双向可控硅BTA16如下图所示,采用TO-220AB封装形式,最大电流 IT (RMS) =16.0A, 最 大 电 压 VDRM≥600V,触发电流IGT≤18-25mA。

AC220V电压经过双向可控硅BTA16 控制后,加到两个卤素管的两端,卤素管发光、发热,通过黑晶板为炊具加热。控制板送来的驱动脉冲信号,经过连接器CN1的5脚输入后,利用2只2k2电阻分压,再经驱动管S8050倒相放大后,控制BTA16的导通时间,即控制两只卤素管的供电大小,达到调温的目的。