
灯光系统应该说是智能家居系统里面必不可少又用起来特别爽的系统了。一套设计合理的智能灯光系统,不仅科技感爆棚,实用性也极强,所以此系列文章从灯光系统说起。
首先,说智能灯光系统之前,要普及一些关于家庭灯光的基础知识。
基础知识
1、家庭灯光的供电
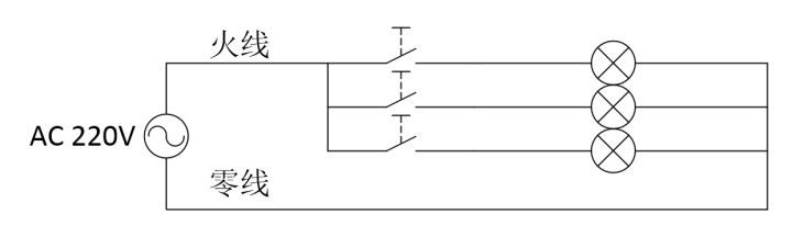
家庭灯光的供电应该是最为简单的电路了,火线通过墙壁开关然后通往灯具,灯具另一端接零线,如下图。

2、照明灯光分类
家居常用的灯光,大概可以分为三类:
白炽灯:就是靠钨丝发光的灯,爱迪生发明的那种,一般发出暖黄色光,色温低;发热严重,所以发光效率低,同等亮度功率比日光灯、LED等都要大很多,已经基本淘汰。之所以说基本淘汰,就是一般不用,偶尔也会用来烘托氛围,虽然费电,但是比蜡烛强很多,而且有一种复古的感觉,当然,现在有很多做成白炽灯样式的LED灯,看着好像也有灯丝,但是仔细一看,灯丝很粗,其实那时LED发光材料,不是普通白炽灯。当然,并不是说白炽灯一无是处,它调光方便,可以改变电压、电流或者串接电阻都可以调节亮度,非常方便。
荧光灯(日光灯、节能灯):这种灯具靠的是紫外线照射荧光剂发出荧光,当然,也可以使用不同的荧光剂来发出不同颜色的光。相比白炽灯,荧光灯光线显色性更强,发光效率更高,灯具发光面积也大,照明效果更好。坏处在于其结构也更复杂,需要镇流器,且不能简单的通过调节电压活着串接电阻的方式调节亮度。

LED灯:LED是发光二极管,靠的是半导体材料发光,当然可以发出各种不同颜色的光,其发光效率非常高,且体积小巧(大灯一般采用多个LED灯珠构成),可以做成各种不同的样式,非常灵活方便。坏处在于目前国内对LED照明的标准并不够明确,市场上有很多低端产品照明效果差,光谱不均匀,长时间使用对眼睛甚至会有所损伤。同时LED一般为恒流驱动,需要专门的驱动器,有专用的调光电路,不能单纯的通过改变电压或者串接电阻的方式调光。

三种灯具各具特色,一个家庭中很可能会用到一种或者多种。
3、墙壁开关

目前绝大部门民用的墙壁开关,都是接在火线上,这样在关闭灯光的时候火线断开,然后除了开关到电源的部分之外的其他部门,包括灯泡的火线和零线都是不带电的,如此安全性比较高。所以,几乎所有的家用墙壁开关的暗盒里都只有火线没有零线。
4、智能灯
这里所说的智能灯指的是本身具有智能功能的灯具,也就是可以通过WiFi、蓝牙、遥控器等方式可以控制的灯具,这种灯具可以用来组成智能灯光系统,但是智能灯光系统并不一定需要智能灯。大部分情况下,智能墙壁开关组件配合普通灯具也可以实现智能灯光系统,并且成本普遍要更低。
当然,智能灯也有智能灯的优势,比如有的智能灯可以调节不同的亮度和色彩,可以实现不同的色调和色温,这是传统灯光所不具备的。
有了以上的基础知识,就可以来说一下如何具体的改造方法了。
五种改造方法
1、单火线智能墙壁开关
这种开关可以直接替换现有的墙壁开关,用起来肯定是最方便的,但是受限于它的原理(我在之前很多文章中说过,这种开关在关闭时实际上是高阻状态,有一个很小的电流通过,从而让开关本身获得电源,所以其开通和关断并不是和继电器或者机械开关一样完全接通和断开),控制的灯具功率一般在5W~200W(因产品的不同而不同),再大的话会导致发热严重,而小于5W会导致灯具闪烁。
2、零火线智能墙壁开关
这种开关通过继电器控制,所以可以完全开通和断开,从而可以控制0W~1000W的几乎所有灯具,稳定性肯定是最好的,价格也比单火线开关更便宜。但是问题在于此种墙壁开关需要零线才能工作,也就是在暗盒中必须有零线,而普通的家装暗盒一般是不留零线的,所以只能用在装修时预留了零线的墙壁开关中,对于有条件的用户,我是非常建议采用这种方式的。
3、智能灯泡
智能灯泡就比较容易理解了,就是灯具本身具备智能控制的功能,只要闭合灯具开关,灯具自身就可以通过APP或者遥控器控制了,优势是对墙壁开关就没要求的;而劣势在于这样的话墙壁开关的控制作用就不太容易发挥了,因为如果墙壁开关关闭了,相当于这个灯具就只能再通过墙壁开关打开而无法使用APP或者遥控器打开。同时,这种灯具的价格是相对比较高的,所以对于全屋智能灯光的话,这种方式并不是很理想。
4、控制盒
控制盒本质上就是一个智能插座,通过继电器打开和关断,成本也很低,每一路灯光至需要几十元就可以搞定,但是问题和智能灯类似,就是无法再使用墙壁开关方便的控制灯具了,所以除非没有其他办法,我也不推荐这种方式。
5、学习灯光遥控器
这种方式适合本来家中灯光就具备射频遥控(灯具一般都使用射频遥控)功能的,只需要配合智能射频遥控组件,让这个组件学习灯具的遥控器就可以实现控制了,成本肯定是最低的,用起来也方便,当然,问题在于无法实时反馈状态,也就是说你发送了开灯的遥控信号,但是无法确定灯是否已经打开。
理论差不多了,下面来重点:智能灯光系统设计实例
户型实例
我们先来看下户型图,这是一套建筑面积110平米的普通多层住宅,两室两厅,主要灯光系统的布置如下。

灯光系统分析:
这是一种比较保守的灯光结构,普通家庭的常见灯光布置,结构相对比较简单,也比较典型,所以我选择此户型作为例子。为了配合灯光系统的控制,每个房间和区域增加了亮度和人体传感器,入户门安装门磁。灯光的自动控制主要依靠环境亮度和人体传感器来确定是否打开灯光,以上灯光系统采用零火线智能墙壁开关。具体每个房间的设置在设计要点中详细解释。
实现功能:
1、场景功能:根据情况自动开启/关闭部分灯光、打开/关闭所有灯光等。
2、环境光线昏暗的情况下,回家自动开灯。
3、卫生间在昏暗情况下有人自动开灯,起夜情况下开灯带,无人自动关灯。
4、厨房、阳台在昏暗情况下有人自动开灯,人离开自动关灯。
5、主卧次卧等各个区域在夜间检测到有人移动自动开启部分照明。
6、客厅和餐厅根据光线亮度和活动自动开启和关闭照明。
设计要点:
1、厨房的灯光只要检测到有人活动并且光线暗即可开启,人在厨房里一般是一直活动的,所以人体红外传感器的超时时间不需要太长,一般设置为2~5分钟没有人体活动即可关闭灯光。阳台情况和厨房类似。
2、卫生间的灯光一般分成两种情况,正常情况下检测到光线暗且有人,则打开吸顶灯和灯带,对于晚上入睡后的起夜,一般不开吸顶灯,因为太亮的光线非常刺眼,所以可以将自动方式设置为22:00——6:00时间段,客厅光线黑暗、主卧光线黑暗且检测到有人时打开灯带提供夜间照明,无人3~5分钟后自动关闭照明。
3、回家自动开灯的设置并不难,但是有点意外:门磁检测到门打开,门口玄关处人体红外传感器无人,光线暗,则开启客厅灯光。之所以如此设置是为了防止在离家时自动开启灯光,离家和回家的最明显区别就是开门的时候是否能探测到有人移动,如果是回家,则是在无人移动的情况下门打开,而出门则是有人移动的情况下门打开。
4、主卧和次卧的人体红外传感器建议安装在比较低的位置,如此当人入睡后不会触发人体感应,而起夜时候则会触发,同时可以点亮床下灯带进行照明。一般不建议直接点亮吸顶灯,因为夜间突然打开吸顶灯会过于刺眼。
5、对于夜间23:00—次日6:00,建议所有传感器设置为只触发少量射灯或者灯带提供微弱的照明。
6、客厅和餐厅灯光比较多,但是控制方式并不复杂。检测到有人活动且光线昏暗可以自动打开灯光,但是无人关闭灯光的延时要尽量时间比较长,因为人可能会在客厅坐着看电视长时间没有大幅度的移动,导致人体传感器无法探测到有人,所以这个延时一般要在10分钟以上。除此之外,还可以根据环境亮度的不同搭配不同的灯光方案,这一个与个人习惯有关,只需要根据各自习惯设置即可。
7、场景功能根据个人的需求随机搭配即可,难度比较小,这里就不多说了。
8、如果有条件,可以在靠近室外的区域设置一个亮度传感器来感受环境亮度,这样可以根据外界亮度来自动调节室内灯关的开启数量,实现更为准确的亮度控制。
成本核算:
一位智能墙壁开关:主卧1个,次卧1个,厨房1个,餐厅1个。
两位智能墙壁开关:客厅2个,餐厅1个,阳台1个,洗手间1个。
亮度和红外人体传感器:每个房间区域一个,共8个。
门磁:1个。
网关:1个(或2个)。
成本核算:一位智能墙壁开关取120元每个,两位智能墙壁开关取140元每个,亮度和红外人体传感器取60元每个,门磁50元每个,网关200元。
总成本为:
4*120+5*140+8*60+50+200=1910元
总结
本文介绍了智能照明系统的基本结构和改造的基本办法,并以一个相对常见的户型和灯光结构设计了智能照明系统,同时对具体功能设置进行了举例,最后核算了整套系统的成本。
可以看出,其实打造一套一百平米左右户型的全屋智能灯光的成本是非常之低的,设置也非常简单,而带来的舒适性将会非常大,所以建议朋友们可以从智能灯光系统开始折腾,感受智能家居的魅力。