在近代“门铃”不再是有钱人家的专项,“门铃”已在平民百姓人家广泛普遍应用。市场大多数的门铃我们可以归类为电子门铃,顾名思义,就是靠电来驱动和作用的,总体上有这几类:普通电子门铃,对讲门铃,可视门铃,感应门玲。下面小编就给大家介绍各种实用门铃电路图汇总,希望能对读者有所帮助。
门铃安装难?专家推荐各种实用门铃电路图
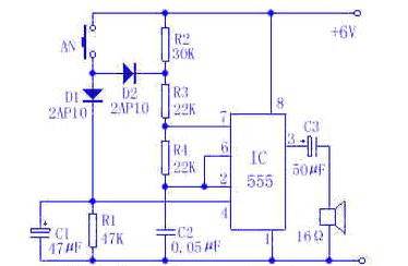
叮咚门铃电路图
下图是一种能发出“叮、咚”声的门铃的电原理图。它是利用一块时基电路集成块和外围元件组成的。它的音质优美逼真,装调简单容易、成本较低,一节6V迭层电池可用三个月以上,耗电量较低。

图中的IC便是时基电路集成块555,它构成无稳态多谐振荡器。按下按钮AN(装在门上),振荡器振荡,振荡频率约700Hz,扬声器发出“叮”的声音。与此同时,电源通过二极管D1给C1充电。放开按钮时,C1便通过电阻R1放电,维持振荡。但由于AN的断开,电阻R2被串入电路,使振荡频率有所改变,大约为500Hz左右,扬声器发出“咚”的声音。直到C1上电压放到不能维持555振荡为止。“咚”声的余音的长短可通过改变C1的数值来改变。
不用电池的双音门铃电路图
随着电话机的普及率越来越高,拥有住宅电话的家庭也越来越多,但大多数住宅电话使用率很低,利用电话入户馈线提供的48V(60V)直流馈电作电子门铃的工作能源是经济实用的。现介绍一款不用电池的双音门铃电路。电路原理如图所示,不难看出,图中电路是常规的电话机振铃电路的变型。a、b分别是电话机入户线的正、负两端。AN为常开型门铃按钮,在电话机候机时,按下AN,程控交换机提供的48V(或60V)电压,直流馈电经VD1、R1对电容C1充电,当C1端电压Vc达到IC1的起控电压时,IC1起振送出双音电子铃流使蜂鸣器B发声,告知主人有客来访。而当电话机正在使用时,则图中a、b之间的电压较低达不到IC1的起控电压,此时,即使按下AN门铃按钮也不工作,这是因为由于R1取值较大,远大于电话机的阻抗。故AN按下时对电话机的正常通话无影响。也对程控交换机无不良影响,仅在使用门铃时对其间打入的电话遇忙。

一种对讲门铃电路图的剖析及改进
有一种对讲门铃的电路如图,其工作原理如下:平时挂机时叉簧开关HS的1、2触点接通,用AC220V供电,V1有直流输出,此电压既对电池充电,也加到音乐IC的③脚。如按一下S,则音乐IC的②脚受触发,④脚有音乐信号输出,经V2放大后推动扬声器发声,同时经R5推动Y2、Y3。摘机后,叉簧开关HS的1、3接点接通,通话电路接通电源,这时可进行对讲。

本对讲门铃由于音频放大器IC2(LM386)的增益很高,容易使Y2、Y3产生啸叫声。经笔者实际验证,只要在Y2、Y3两端并联一只几pF的小电容,啸叫声即可消除。
不用按钮的音乐门铃电路图
本文介绍一种不用按钮的音乐门铃,来人只要站在门铃前,便可自动发出门铃声。
该音乐门铃电路原理如附图所示。IC1等元件组成红外发射电路,由IC1、RP、R1、C1构成多谐振荡频率,按图示元件数据,振荡频率约40kHz,输出电流为100--200mA,可驱动红外发光二极管D1发射出40kHz调制红外脉冲。IC2是红外接收芯片,灵敏度高、增益高、输出波形好,并具有鉴频功能。红外接收管D2接收到40kHz频率的红外脉冲后,转换为电信号,送入IC2第⑦脚,经放大和C5、L调谐以及IC2内部电路检波、整形后,由第①脚输出脉冲信号。

平时,IC2第①脚输出低电瓶,D3截止,音乐集成电路IC3无触发脉冲,不产生音乐信号输出,扬声器B不发声。当有人站在门前遮挡D1发射的红外信号时,IC2第①脚电位瞬间由低电平变为高电平,经D3触发IC3输出音乐信号,由V放大推动扬声器发声。
IC1选用NE555,IC2为μPC1373,IC3选用9300系列音乐集成电路。D1可用SE303A或LM66R型5mm圆形红外发光二极管,D2可用PH302方形红外接收二极管。V为9013NPN管,β≥100。B选用YD58--1型、8Ω/0.25W小口径扬声器。L用?0.08mm高强度漆包线,在小型晶体管收音机的中频变压器骨架上密绕30匝即可。
两种无按钮音乐门铃电路图
门铃均需安装按装,因而存在着安装麻烦和易于丢失损坏等问题。用复合开关管代替机械触发开关制作的音乐门铃,即可克服上述弊端。

图1为振动式。当有人用手敲门时,安装在门内侧的压电陶瓷片YD受到振动而产生相应的音频电压,使复合管开关BG1和BG2导通,音乐电路CIC受到触发即演奏一段乐曲。压电陶瓷片以采用直径较大的为宜,用502胶水将其粘合在门内偏上的中心位置即可。
图2为触摸式。当用手指触摸电路A点时,人体感应电压使复合管BG1和BG2导通,音乐电路CIC受到触发即演奏一段乐曲。触摸电极A可用一大小适中的金属片固定在门框上即可。
触摸式门铃电路图
本文介绍的触摸式门铃,用触摸方式代替机械开关,它简单可靠,实用有趣。
工作原理:电原理图如图所示。555时基集成电路工作在单稳状态,平时③脚和⑦脚均为低电平.当用手触摸一下金属感应片M时,人体的感应信号通过0.1μF电容加至555时基集成电路的②脚,使电路翻转进入暂稳态,这时③脚输出高电平直接加到门铃芯片的触发端,芯片被触发并通过三极管推动扬声器发声。同时⑦脚也变为高电平,电源通过100KΩ电阻对4.7μF电容充电,当电容上的电压充至2/3电源电压时,电路又翻转,暂稳态结束,③脚又变为低电平。待再触摸一次M时,上述工作过程周而复始。因此每触摸一次M,门铃就被触发一次。③脚上的0.01μF电容为抗干扰电容,可防止门铃被误触发。

元器件选择与制作:本电路的门铃芯片选用“叮咚”(HL9300)芯片,它每被触发一次,尽管③脚变为低电平后,它仍可连续发出三次“叮咚”声。如选用的是需要触发端一直为高电平才可发声的芯片(如音乐芯片),应适当调整⑦脚上的阻容时间常数来调整暂稳态的时间,使③脚的高电平足以使芯片发出一曲完整的音乐后才变成低电平。另外还应通电测量一下门铃芯片推动三极管的基极电位,如静态(不发声)时为低电平,则改用NPN型三极管作推动管,目的是防止静态动耗,延长电池使用寿命。触摸片的引线太长时最好使用屏蔽线并将屏蔽层接地。本电路制作简单,只要安装无误即可正常工作。本电路还可扩展为触摸开关、触摸报警器等实用电路。
简便电子双音门铃电路图
本文介绍一种采用时基集成电路构成的双音门铃,电路如下图所示,其核心部分是SL555时基电路。

两用声控门铃电路图
本文介绍一种简易声控电路。元器件较少,静态电流仅为1mA。该电路可用于声控门铃和声控玩具。
工作原理:这种声控电路的原理如下图所示。它由声控传感器、接收放大器、射极输出器、音乐集成电路、发光二极管、扬声器等组成。外界产生的声音控制信号,由驻极体电容传声器BM转变为电信号,并经电容C1耦合至三极管VT1进行电压放大。VT1的输出信号经二极管VD2驱动三极管VT2导通,使电源电压加到音乐集成电路IC的②脚(触发端),音乐IC③脚发出音乐信号,经VT3放大后,驱动扬声器BL发出宏亮的乐声。与些同时,发光二极管VD3、VD4随着音乐的大小而频频闪光,犹如洋娃娃两只闪亮的大眼睛。调节电路中电位器RP的阻值,可以改变BM的工作电压,从而起到改变声控灵敏度的作用。电容C2是防止误触发,避免浪涌电流冲击面设置的。

元器件选择:VT1~VT3选用9014高增益三极管,其穿透电流要小,β>80。BM可选用CN-15E或阻抗为1KΩ的其它驻极体传声器。音乐集成电路IC选用KD-152等工作电压为3V的高电平触发的音乐集成片。VD3、VD4选用工作电压低、导通电流小而发光效率高的发光二极管。其余元件均按图中标注的值选取,并无特殊要求。
安装与使用:
(1)如家有音乐门铃,则不必再制作电路外壳,可按图加装控制电路即可。
(2)驻极体传声器BM,装在外门框上,高度可视人高矮而定。为使BM保持清洁,可用一块小花布遮掩并标注“声控”二字,即可装饰,又引人注目。
(3)为防止外界声音的干扰而引起误工作,要调节RP,使BM具有适当的灵敏度,以人嘴离驻极体传声器BM为30mm左右能触发门铃为宜。
(4)发光二极管用于声控门铃时,只须一只发光管,将其装在门外显眼处。当人发声时,如发光管显示,则告诉外人,请放心电路工作正常。
(5)如作儿童玩具,选用一只空心塑料或毛绒绒的玩具,将VD3、VD4装入两只眼睛中,只要儿童发声,洋娃娃便会闪动着大眼睛唱歌,颇有情趣。
(6)儿童不玩时,取出电池。最好选用4.7K带开关的电位器,即可调节又能开关,这样可节省静态耗电。
触摸式音乐门铃电路图
KD-482常用于石英钟整点时,如在它的外部再加装几只电子元件,便可组成触摸式音乐门铃。电路工作电流为60mA,静态电流几乎为零。
该电路如下图所示。VT1、VT2组成触摸灵敏开关。当手轻触摸金属片A时,人体给VT1的栅极注入一感应信号,使VT1的漏极电流减小,其漏极与源极间电阻增大,C点变为高电位,VT2导通,发光二极管VD1亮。这时D点变为低电位,KD-482的SW端被低电平触发振荡工作,由VT3放大的信号驱动扬声器BL发声。手离开时A时,VT1的漏极电流变大,其漏、源极间电阻减小,C点变为低电平,VT2截止,VD1熄灭,D点变为高电位。BL播完一首乐曲后将会自动停止。

元器件选择:场效应晶体管VT1除3DJ6E外也可采用其它的结型场效应晶体管,但要求饱和漏极电流小于1mA。发光二极管VD1的型号可任意选择,为使效果更佳,VD1应选择工作电压在2~2.5V.发光效率高的发光管。金属片的面积为300mm左右。
调试:电路按下图接好后,先将电源的负极与SW端用一根金属线短接一下(KD-482为低电平触发),BL放出音乐即可。控制电路只稍加调整,未触摸A之前,将万用表打在直流1V档位,测量VT2的基极b与发射极e两端电压应小于0.7V,然后再用手轻触A,此时指针指示要大于或等于0.7V。如达不到该值,可适当改变一下R2或R3的阻值,两个电阻最好配合调整。
安装与调试:
由于该电路静态耗电流极微,故可省去电源开关。A与VT1的栅极之间的距离可根据实际情况而定,最好不要超过1m。发光二极管VD1最好与触摸片A装在门外显眼处,当门外人触摸到A时,VD1即刻发光显示,就表示电路工作正常。在触摸A时,有时偶尔会出现电路不工作情况,这时VT1与VT2应选择放大倍数大一些的管子。
该电路也可用于防盗,将VT1栅极的接触线安装在门拉手或门锁等金属部位,当盗贼的手一接触即可报警。该电路经改动后可用于触摸儿童玩具。KD-482的E、E’两端原来是接蜂鸣陶瓷片的,如加以改进接上两只发光二极管VD2、VD3(如下图所示),而发光二极管VD1装在前额中间尤如三只眼,这样不仅集声.光、色于一体新颖有趣,而且更会招来儿童们的喜爱。其中VD1是用于来控制明暗的,VD2.VD3是随音乐声的大小而频频闪烁的。
