零基础,如何在短时间内迅速提升自己的技术能力,让自己成为部门的一把手,让领导对我刮目相看?
有的技术员跟着师傅学了两三年, 对基本的电气一次系统图,原理图,接线图也看不明白,拿到图纸不太能看懂,遇到电气设备故障,也不会解决;平时最多的就是给人打下手,上个螺丝,安装个电气元件,打扫一下配电室等工作,时间久了,感觉自己什么也没学到,想学又不知从哪里开始,首先,第一步要先学会看懂电气图纸;
如何才能看懂电气原理图,接线图等呢?
电气图纸是工程技术的通用语言,它主要由电气元件的图形符号和文字符号等元素组成;要能够看懂电气图纸,首先先认识电气元件的图形符号和文字符号,其次还要了解电气元件的工作原理和作用,这些内容是必须要熟练掌握的,今天我们先来学习一下电气元件的符号、作用和工作原理;
断路器
断路器是指能够关合、承载和开断正常回路条件下的电流,并能关合、在规定的时间内承载和开断异常回路条件(包括短路条件)下的电流的开关装置。

断路器符号

漏电断路器
一旦发生过载或短路时,过流脱钩器将吸合而顶开锁钩,将主触头断开,从而起到短路保护作用。

结构原理

断路器辅助触点
双电源开关
ATSE是Automatic Transfer Switching Equipment的英文缩写,也就是常说的自动转换开关电器,也叫双电源自动转换开关。双电源自动转换开关主要用在紧急供电系统中,是将负载电路从一个常用电源自动转换到另一个备用电源的开关,以确保重要负荷连续、可靠的运行。

PC级双电源

CB级双电源
当常用电源是正常的时候,功能键处在自动档的时候,备用回路分、常用回路合,以保护常用电源接通负载。
微机控制电路会对两路电压进行检测,会对检测结果进行判断,当常用电源任意一相出现故障的时候,双电源自动转换开关就从常用电源转换到备用电源,并在常用电源恢复正常的时候,自动转换到常用电源进行供电。

工作原理
交流接触器
交流接触器是用来频繁接通和断开大电流电路,主要控制对象是电动机;同时具有欠电压、失电压保护功能。

接触器符号
接触器是利用电磁力来接通和断开大电流电路的一种自动控制电器

工作原理

交流接触器的结构原理
热继电器

热继电器符号
热继电器是利用电流的热效应而动作的电器,它是用来保护电动机使之免受长期过载的危害。
当主电路中电流超过容许值而使双金属片受热,它便向上弯曲,从而脱钩。
发热元件接入电机主电路,当电机正常运行时,热元件产生的热量虽能使双金属片弯曲,但还不足以使继电器动作。若长时间过载,双金属片被过量烤热。因双金属片的下层膨胀系数大,使其向上弯曲,杠杆被弹簧拉回,其常闭触头断开。

热继电器结构原理
控制与保护开关

控制与保护开关符号
主要用于交流50Hz 60Hz 、额定工作电压至690V、额定工作电流1A至125A、控制器整定电流0.4A至125A、控制电机功率0.12kW至55kW的电路中,能够接通、承载和分断正常条件下(包括规定的过载条件)的电流,也能接通、承载一定时间和分断规定的非正常条件下(如短路)的电流。
采用模块化的一体式结构,集成了断路器、接触器、过载继电器、起动器、隔离器等产品的主要功能。

工作原理
隔离开关
在无电流的电路上用隔离开关分断电路,形成明显的断口,将停电设备与带电部分隔离,构成明显可见的空气绝缘间隙,保证人身、设备安全。

隔离开关符号
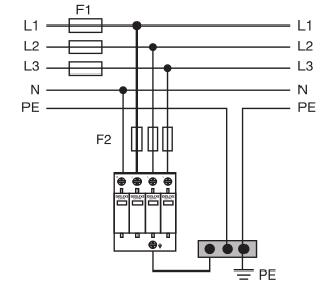
电涌保护器
无论是大气过电压,还是电路回路中的操作过电压,都有可能造成设备的提前老化,甚至直接损毁。
安装在被保护设备的前端,有效降低雷击环境下被保护线路的瞬间过电压。

工作原理
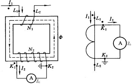
电流互感器

电流互感器符号
电流互感器的工作原理是电磁感应原理,电流互感器的作用是把大电流按一定的比例变为小电流(5A或1A),提供各种仪表用和继电保护用的电流,并将二次系统与高电压隔离。
一次绕组与被测电路串联,二次绕组与电能表的电流线圈串联。电流表的电流线圈内阻很小,所以电流互感器相当于二次短路运行的变压器。I1×N1=I2×N2

工作原理
电压互感器
将一次系统的高电压变换为二次侧的低电压(100V),提供各种仪表用和继电保护用的电压,并将二次系统与高电压隔离。

电压互感器的符号
当在一次绕组上施加一个电压U1时,在铁心中就产生一个磁通φ,根据电磁感应定律,则在二次绕组中就产生一个二次电压U2。改变一次或二次绕组的匝数,可以产生不同的一次电压与二次电压比,这就可组成不同比的电压互感器。

电压互感器工作原理
熔断器
熔断器广泛应用于低压配电系统和控制系统及用电设备中,作为短路和过电流保护,是电路中一种最简单、最普遍的保护装置。一般与开关配合使用。
熔断器俗称保险丝,是进行短路保护的电器。当电路发生短路,负载电流超过额定电流许多倍时,熔体立即熔断,保护电路及用电设备不遭损坏。

熔断器符号
熔断器是串联连接在被保护电路中的,当电路电流超过一定值一定时间时,熔体因发热而熔断,使电路被切断,从而起到保护作用。

电路中的应用
中间继电器

中间继电器符号
按钮
按钮,是一种常用的控制电器元件,常用来接通或断开‘控制电路’(其中电流很小),从而达到控制电动机或其他电气设备运行目的的一种开关。

按钮符号

按钮原理
信号灯
指示电气设备的运行、停止、故障、电源等状态

信号灯符号
插接件

抽屉插接符号
常见的触点符号

常见的触点符号