中国大唐集团科学技术研究院有限公司华中分公司的研究人员樊东方,在2019年第12期《电气技术》杂志上撰文,对一起船用万能式空气断路器运行中发生偷跳的故障进行分析。通过检测开关本体脱扣器、电磁线圈、动作电压等,对保护装置动作情况、控制回路中间继电器、控制电缆的抗干扰性、二次端子绝缘性能等进行检查,综合分析查找跳闸原因,并采取一定措施进行改造,以避免开关偷跳的再次发生。

低压空气断路器是工业生产中普遍采用的电气设备,受生产工艺及运行环境干扰因素的影响,运行中经常发生误动现象。本文介绍了一起电厂低压母线进线电源开关误动跳闸引起的锅炉灭火事故。
通过对大量空气断路器进行机械特性试验和在实验室对控制回路的抗干扰性模拟检测,发现引起空气断路器误动的主要原因是断路器分合闸弹簧机构性能下降和控制回路接线不合理造成的抗干扰能力下降。通过更换弹簧机构和改造控制回路,有效地减少了断路器的误动次数,提高了设备运行的可靠性。
1 事故经过
某厂机组带负荷运行,380V工作Ⅲ、Ⅳ段母线分别由3、4号工作变压器供电运行,并为12台给粉机提供电源,给粉电源Ⅰ路取自工作Ⅲ段,给粉电源Ⅱ路取自工作Ⅳ段,给粉电源Ⅰ、Ⅱ路各带6台给粉机。380V工作Ⅳ段电源开关突然跳闸,该母线段带的6台给粉机全部停止运行。3号炉一次风阀门电源切换时间与热工逻辑不匹配,造成3号炉锅炉主燃料跳闸(MFT)。
经检查,380V工作Ⅳ段进线电源442开关跳闸,4号工作变进线441开关为合闸状态,441开关保护装置无动作报警,其他设备无异常。故障开关系统图如图1所示。

图1 故障开关系统图
2 开关合闸和分闸的原理分析
该厂一期380V低压厂用电系统75kW以上电动机选用的是进口型号为AH系列,国产化型号为DW914系列。断路器由接触系统、操作系统和脱扣器3部分组成。接触系统中触头有主、弧触头两档,弧触头先于主触头接通,而迟于主触头断开,以便限制主触点的电磨损,当弧触头接点厚度小于原厚度1/3时可以方便地更换。三相触头用相间隔板分开,被固定于3个独立的带灭弧栅的封闭区内,具有良好的灭弧性能。
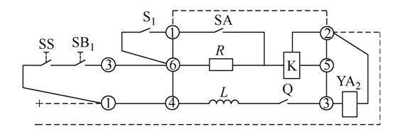
断路器的操作系统为电磁铁闭合方式。在85%~110%额定电压范围内断路器可靠闭合,分励脱扣器在70%~110%范围内可靠断开。断路器的辅助开关安装在左上方,一般均为5对常开接点和5对常闭接点。电磁铁合闸操作回路原理如图2所示。

图2 电磁铁合闸操作回路原理图
动作原理:在+、被接通电源后,按下SB1按钮,①、③接通,经过辅助开关S1和行程开关SA,线圈K通电,触头Q闭合,线圈YA2通电,动铁心快速吸合,断路器完成闭合。在线圈K通电后,SA常闭接点断开,故合闸按钮接通一次,只能闭合一次,以防止重合闸。
分闸操作电路原理如图3所示。

图3 分闸操作电路原理图
动作原理:在断路器闭合后,常开辅助开关S1闭合,在电源通电后,手动按下分闸按钮SB2,分励脱扣器YA1线圈通电,吸合脱扣器动作,断路器分闸。图标符号明细见表1。

表1 图标符号明细表
3 断路器预试试验
分别对同类型断路器和部分开关分闸线圈的通电进行试验。此类型开关分闸是依靠分闸线圈励磁产生的电磁力使铁心动作,铁心撞击开关机构的跳闸挚子,带动连杆动作,使机构脱扣分闸。分闸铁心是自复归式的,其动作时要克服复归弹簧的弹力。更换弹簧以增加弹簧的弹力,可提高开关的动作电压。
通过分别对同类型的15台断路器的试验数据进行统计可以看出,其中有5台断路器曾经出现过偷跳现象,故障率为33%。在对其中11台断路器的分闸线圈最低动作电压值进行检测后发现,有6台动作电压低于33V,不满足规程要求,不合格率为54.5%。对7台断路器的分闸线圈进行调整,调整后动作电压均超过43V,满足规程要求。
通过试验证明,该类型断路器分闸线圈动作电压偏低的主要原因是故障跳闸,可以通过增加分闸弹簧弹力的方法来提高动作电压值,以提高设备的抗干扰性。
4 模拟试验
该断路器的控制电缆和动力电缆存在交叉重叠敷设的情况,电源回路没有装设交流串直流监测装置,在控制回路中有可能串入交流电,使回路干扰电压抬升。若采用同时多条电缆并行敷设,鉴于电缆对地分布电容的存在,则距离较近的电缆同样会产生一定的感应电压,影响控制回路信号。实验室模拟过程如下。
被测电缆型号为ZR-RVVP,规格为4×1.0mm2,电缆长度为100m。
试验说明:电缆A和电缆B均为四芯电缆,两根电缆并排放置。试验电源取自双孔插座,试验时将需要加压的线芯接火线,零线被接在另一物体的某一点处作为公共端。测量某一线芯的电压即测量该线芯对公共端的电压。电缆A的剖面示意图如图4所示。

图4 电缆A的剖面示意图
试验前需准备的电缆A四芯电缆等效电容值见表3。

表3 四芯电缆等效电容值
针对6种不同接线方式分别测试四芯电缆的感应电压,其测试结果见表4。

表4 四芯电缆感应电压测试结果
测试时,将公共端与大地可靠相连,方案序号1和2的接线方式如图5所示。方案序号3—6中并联电阻R1和R2的接线方式如图6所示。

图5 发电机程控接线原理图
在发电机程控原理中,分别在DCS上远程合闸或者远程分闸时,接点V1、V2或者将V3、V4分别接通,电动机保护器K分别在断路器的合闸、分闸线圈上带电,执行合、分闸操作。
当导线V1—V4采用同一多芯电缆且V1和V2带电时,鉴于导线对地电容的存在,当屏蔽层可靠接地时V2和V4导线被感应到对地电压值可达到73.9V,此时在不执行分合闸操作时,分合闸线圈上所承受的电压已经达到线圈动作值,导致断路器误分或者误合。
从控制回路分别并入电阻前后的感应电压录波图(如图7和图8所示)中可以看出,感应电压明显有下降趋势。图7中的高幅值波形为施加的237V交流电压,低幅值波形为感性电压波形。

图6 发电机控制回路并联电阻等效电路图

图7 控制回路并联电阻前感应电压录波图

图8 控制回路并联电阻后感应电压录波图
通过试验发现:
- 1)当控制电缆的屏蔽层被可靠接地时,感应电压会明显降低。
- 2)当在电动机保护器输入端与公共端并联电阻时,可有效降低并联后的等效电阻值,等效电阻与导线间的耦合电容C之间形成串联回路,当等效电阻降低时,电阻两端分得的电压值下降。并联电阻越小,分得的电压越小。
结论
目前大多数高压电机均采用电动机保护器进行电动控制起停。鉴于控制回路动力电缆和控制回路存在混合敷设的情况以及控制电缆耦合电容的存在,控制回路可能存在的感应电压超过断路器最低动作电压值,造成断路器偷跳。经试验证实,跳闸原因有以下两个:
- 1)断路器运行时间过长,弹簧机构老化且弹力下降,引起分闸线圈动作电压值偏低。
- 2)断路器控制电缆采用多芯同轴电缆,鉴于电缆线芯间的耦合电容存在,动力电缆会造成控制电缆上的感应电压过大,从而引起断路器误动。
应采取如下措施。
- 1)更换分合闸弹簧以增加弹簧弹力,提高动作的电压值。
- 2)在电动机保护器分、合闸操作回路与公共端之间并联电阻,以减小等效阻抗,降低感应电压值。
- 3)尽量避免控制电缆与动力电缆采用同一根电缆。