一、 电阻的命名规则

电阻明明规则-组成

电阻明明规则-详细内容
如果某一电阻名字为RJ14S,名称解释如下:
R:电阻
J:金属膜
1:普通电阻
4:序号
S:小型
名称为:小型金属膜电阻
二、 电阻色环的识别

色环电阻的识别
最后一环的识别方法,最后一环与其它环之间距离较大。下图中棕色为最后一环。

最后一环的辨别方法
三、电阻的重要参数
1. 标称值
电阻值很多,不可能生产每一种电阻值,为了生产和使用方便,进行了标准化,所以叫做标称阻值。

E192系列

E96系列

E48系列

E24系列

E6系列
2. 误差
电阻制造的时候,都存在误差,上表中同时也表示出了误差,一种使用百分比的形式,另一种使用字母的形式。通常在电阻上印刷字母F来表示1%,或者用棕色色环表示1%的误差。
对一些精密电路通产要使用高精度电阻,比如测量电路等。
3. 额定功率
电阻使用时的最大额定功率,一般是在某一外部环境温度下测量值

上图为四川永星公司小型金属膜电阻的功率与环境温度的曲线,可见环境温度超过70度后,额定功率就下降了,通常我们为了设计的可靠性,一般使用额定功率的一半,比如通过计算某一电阻的功耗是1W,电阻选型的时候应该选用2W的电阻。
常见电阻额定功耗如下:
1/8、1/6、1/4、1/2、1、2、3、5、7、10、15、20、30、40、50、60、80、100(单位:W)
4. 温度系数
表示电阻值随温度变化的情况,温度系数越大,阻值随温度的变化越大。常见的温度系数有25、50、100(单位:10-6/℃)。
5. 极限电压
电阻器都有其最大的耐压程度,当实际电压超过此值时,即便满足功率要求,电阻器也要被击穿损坏。
1/4W的电阻通常极限电压为150V,因此如果在电阻两端施加超过150的电压,即使没有超过1/4W的额定功率,电阻也会损坏。
四、电阻使用实例
1. 分压

三极管分压电路
图中,电阻R1和R2起到分压作用,给三极管基极提供合适的电压。
2. 限流

发光二极管限流
图中RS对发光二极管VD的电流进行限制,发光二极管中电流过小,则发光管亮度不足,电流过大,亮度过高且可能损坏。普通发光管设置电流在3-5mA,高亮度发光管在1-3mA。
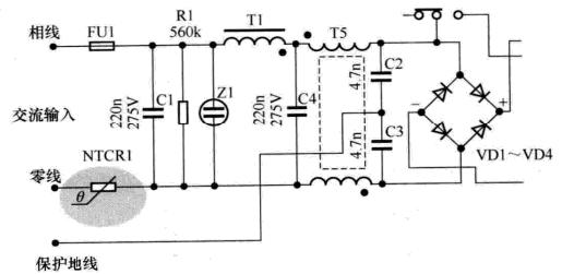
3. 热敏电阻使用实例

图中,当电源冷启动的时候,因为NTC阻值较大,由滤波电容从零电压充电引起的浪涌电流受到限制,当NTC工作一段时间,温度上升后阻值下降,对电路的影响将变得很小。
五、电阻的检测
1. 电阻常见故障
断路:阻值为无穷大
阻值变大:阻值变大,远超误差准许的范围
2. 电阻的检测
在板测量,直接在电路板上测量电阻值,如果发现异常,通常会把电阻脱离电路,再次测量是否有故障,如果有则更换,如没有,则是因为电阻在电路中的串并联引起的阻值变化。
对于敏感电阻要对照参数表进行一些特殊的测量。
欢迎评论和点赞,不喜欢的请拍砖!觉得不完美的请给出您的宝贵建议。
本文属于原创首发,未经授权,请勿用于商业用途!
头条号:非凡创客 QQ: 782659135