电压互感器(CT)TA 电流互感器(PT)TV
功能:使仪表、继电器、二次设备与主电路绝缘,扩大仪表、继电器等二次设备的应用范围。
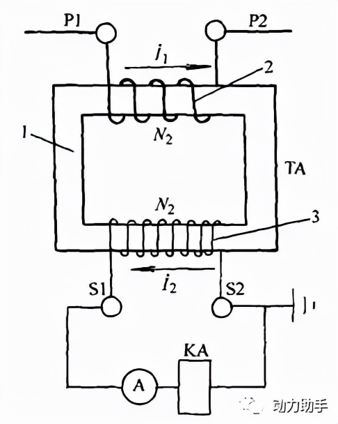
一、电流互感器
1、基本原理和特点
一次绕组导线很粗,匝数很少,二次绕组匝数多导线细。

图中 1 铁心,2 一次绕组,3 二次绕组
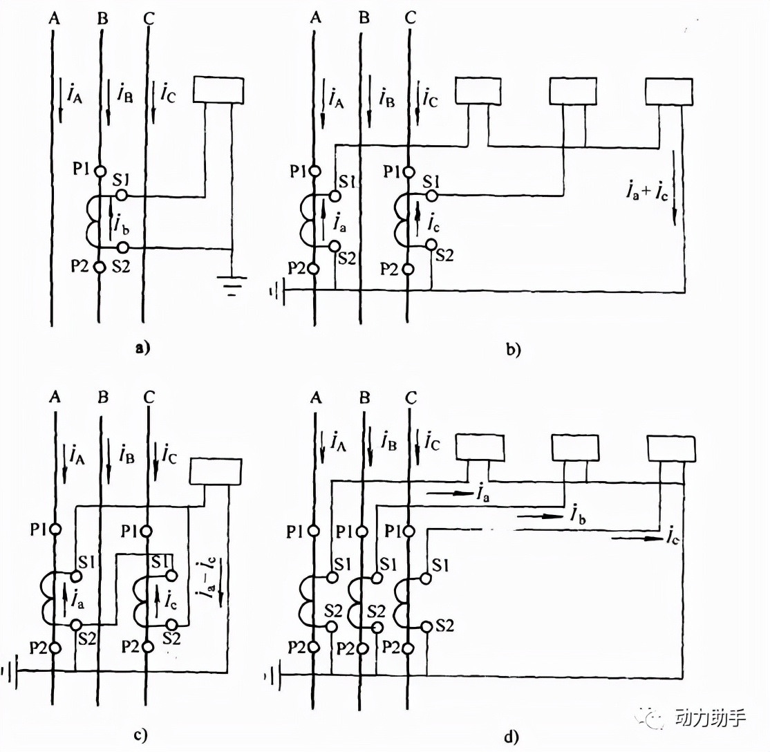
2、电流互感器常用接线方式:

图中
a)一相式接线
b)两相V形接线
C)两相电流差接线
d)三相星形接线
3、实际电流互感器

LMZJ1—0.5型电流互感器
1铭牌,2一次母线穿孔,3铁心,树脂浇注
4安装板,5二次接线端子
4、电流互感器使用注意事项
工作时二次侧 不得开路,
二次侧有一端 必须接地,
电流互感器在连接时,要注意其端子的 极性。
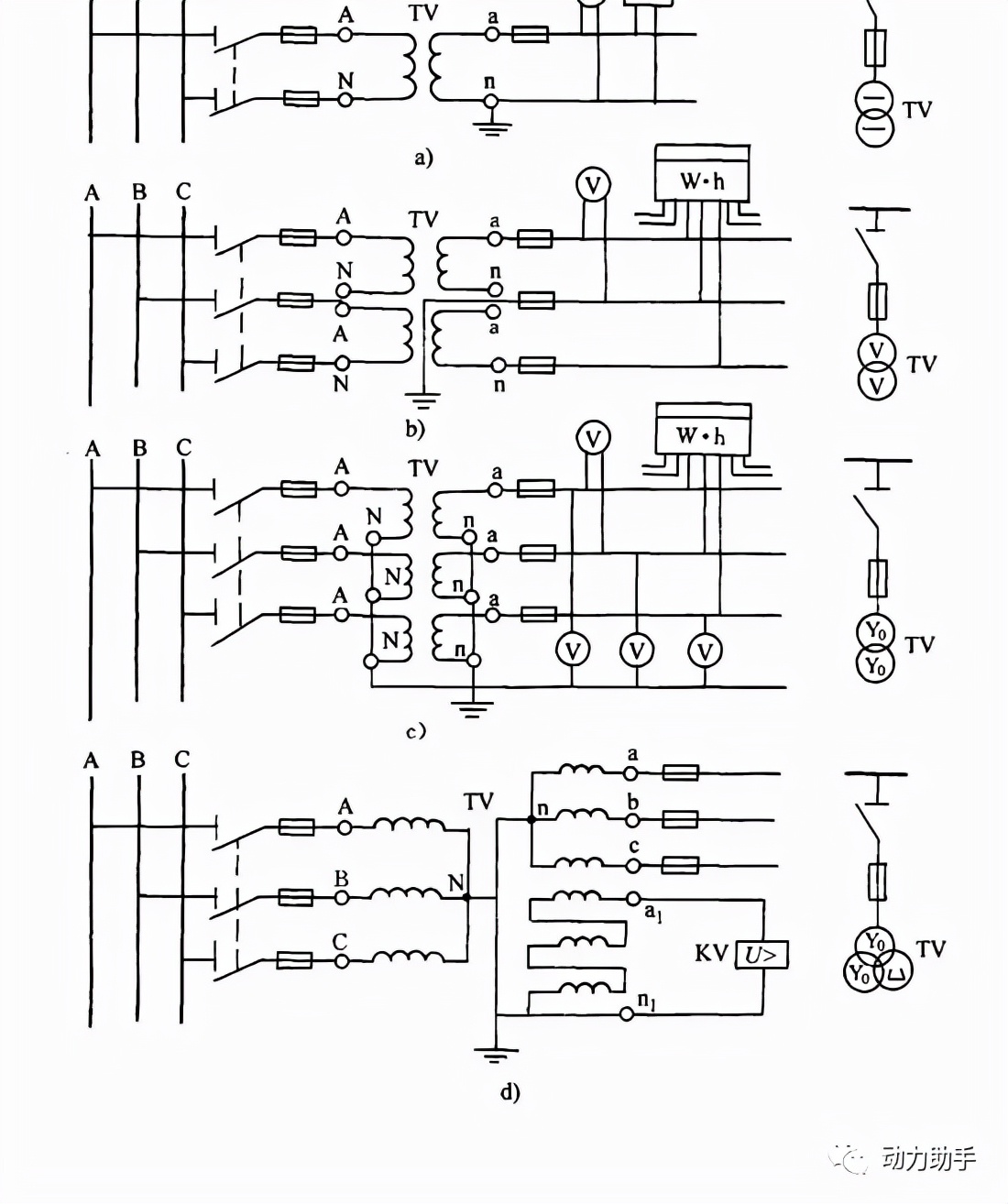
二、电压互感器
1、基本原理和特点
一次绕组导线很细,匝数很多,二次绕组匝数少导线粗。

图中 1铁心, 2一次绕组, 3二次绕组
2、电压互感器的使用注意事项
工作时二次侧 不得短路,
二次侧有端 必须接地,
互感器在连接时注意其端子的 极性
3、电压互感器的常用接线方式

a)一个单相电压互感器
b)两个单相电压互感器接成V/V形
c)三个单相电压互感器接成Yo/Yo形
d)三个单相三绕组或一个三相五芯柱三绕组电压互感器接成Yo/Yo/△(开口三角)形