一 常用电气电路的图形符号
一、电压、电流、电池的图形符号

二、信号灯、信号器件、按钮、旋钮开关和测量仪表的图形符号


三、负载开关的图形符号

四、熔断器的图形符号

五、继电器、接触器、接触器触点和操作器件的图形符号

六、开关触点的图形符号


七、敏感开关和传感器的图形符号

八、电磁离合器、电磁制动器、电磁吸盘的图形符号

九、避雷器、导线、连接器件和接地的图形符号

十、电动机和变压器的图形符号


十一、电子元器件的图形符号



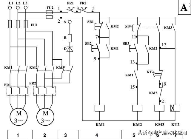
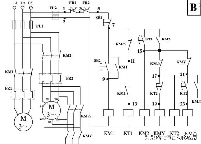
二如何看懂电气图
电气图定义:用电气图形符号、带注释的围框或简化外形表示电气系统或设备中组成部分之间相互关系及其连接关系的一种图。如何看懂电气图纸?下面将详细为朋友们介绍!


































总结:看图的一般方法是先看主电路,后看辅助电路,并用辅助电路的回路研究主电路的控制程序,看图的步骤首先是看主电路中有哪几种电气设备,每个电气设备的用途,接线方式和有关要求与联系.就以电动机为例,从种类上看是直流还是交流;是异步还是同步;从绕组上看是星形接线还是三角形接线;从起动方式上看是全压起动还是降压起动;釆用哪种控制方式,是正转还是反转的,等等.再全面了解其它电器组件的相互联系和作用,如电源开关,熔断器,继电器,接触器等,以及各种电器组件的电压等级,然后再看图中辅助电路的构成,并根据辅助电路的回路研究电路的动作情况,以及电路中各组件的相互关系和动作联系等.全面了解上述问题后,便可综合在一起看电路图了.