漏电保护器接线方法和线路图 (漏电保护器接线方法电路图)

漏电保护器接线图及方法,漏电保护器接线教程电工

家居装修中,电路问题是比较重要的,尤其是现在家居中使用的电器越来越多,所以漏电保护器是一定要的,能有很好的保护作用,那漏电保护器接线图是怎样的呢,漏电保护器接线方法以及注意事项有哪些,快随着小编去了解下:

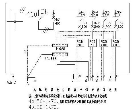
漏电保护器接线图:

漏电保护器接线图及方法,漏电保护器接线教程电工

漏电保护器接线方法:

1、根据不同的电气设备的供电方式选用不同的漏电保护器

单相220V电源供电的电气设备,应选用二极二线或单极二线式漏电保护器。

三相三线式380V电源供电的电气设备,应选用三极式漏电保护器。

三相四线式380V电源供电的电气设备或单相设备与三相设备共用的电路,应选用三极四线或四极四线式漏电保护器。

2、根据电气线路的正常泄漏电流,选择漏电保护器的额定漏电动作电流

选择漏电保护器的额定漏电动作电流值时,应充分考虑到被保护线路和设备可能发生的正常漏电流值。

选用的漏电保护器的额定漏电不动作电流,应小于电气线路和设备的正常漏电电流的最大值的2倍。

漏电保护器的额定电压、额定电流、短路分断能力、额定漏电电流、分断时间应满足被保护供电线路和电气设备的要求。

漏电保护器接线图及方法,漏电保护器接线教程电工

漏电保护器接线错误方式:

1、用于支线保护时,各支线应有各自的专用零线,且两相邻支线路的零线不得相连。如果将两分支线路相连,零线中的电流互流,破坏零序电流互感器内的工作电流平衡,使漏电保护器发生误动作。如果想就近利用动力分支线的零线作为照明分支线的零线,则会造成动力分支线的漏电保护器动作。

2、一个用电设备只能接在一条保护支路内,不得跨接在两条分支回路内,不得接在零序互感器的前面,也不得采取一线一地制供电,否则,会导致漏电保护器误动作。

3、装有漏电保护器和未装漏电保护器的用电设备,不得共用一个接地装置。例如,当电机M1的绝缘损坏而外壳带电时,电机M2的外壳也带电,由于电流没有经过漏电保护器,所以未起到漏电保护的作用。

4、单相负荷应尽可能均衡分配。如果分配不均(如一相的线路偏长,设备集中),则负荷较重的一相,其漏电电流偏大,因而干线的三相不平衡漏电电流增大,达到一定值时就会使干线首端的漏电保护器动作。

5、被保护的线路(包括工作零线)应全部穿过零序电流互感器和漏电保护器的贯穿孔,不得用三极漏电保护器代替四极三相四极、漏电保护器。如果是三相五线制,则保护地线不得穿过漏电保护器的互感器,而必须跨接到第一极漏电保护器前端(进线端)的零干线上或重复接地极上。

漏电保护器接线图及方法,漏电保护器接线教程电工

漏电保护器接法注意事项:

1、漏电保护器负载侧的中性线,不得与其他回路共用。

2、漏电保护器标有负载侧和电源侧时, 应按规定安装接线,不得反接。

3、安装带有短路保护的漏电保护器, 必须保证在电弧喷出方向有足够的飞弧距离。飞弧距离大小按漏电保护器生产厂家的规定。

4、安装时必须严格区分中性线和保护线, 三极四线式或四极式漏电保护器的中性线应接入漏电保护器。经过漏电保护器的中性线不得作为保护线,不得重复接地或接设备外漏可导电部分。 保护线不得接入漏电保护装置。

漏电保护器接线图、漏电保护器接线方法及注意事项就和大家分享到这里了,漏电保护器在家居中是必需的,这对我们在使用家中电器时有比较重要的保护作用。

1、热继电器

热继电器又称热偶。当负载电流流过发热元件(一种合金电阻片,通过电流时产生并发散热量)时,使它附近的膨胀元件受热。膨胀元件是由两种膨胀性能不同的金属片沿全表面焊接而成,称为双金属片。双金属片的下层金属片具有较大的膨胀系数。当通过超过特定电流时,发热元件的热量使双金属片向上弯曲,于是带动机构偏转,断开控制电路内的触点,从而使接触器的主触头断开,负载电路被切断。

漏电保护器接线图及方法,漏电保护器接线教程电工

2、控制按钮

控制按钮是一种结构简单、应用广泛的主令电器,是用来段时间接通或短开小电流电路的手动主令电器。

漏电保护器接线图及方法,漏电保护器接线教程电工

3、中间继电器

中间继电器(intermediate relay):用于继电保护与自动控制系统中,以增加触点的数量及容量。它用于在控制电路中传递中间信号。中间继电器的结构和原理与交流接触器基本相同,与接触器的主要区别在于:接触器的主触头可以通过大电流,而中间继电器的触头只能通过小电流。所以,它只能用于控制电路中。它一般是没有主触点的,因为过载能力比较小。所以它用的全部都是辅助触头,数量比较多。新国标对中间继电器的定义是K,老国标是KA。一般是直流电源供电。少数使用交流供电。

漏电保护器接线图及方法,漏电保护器接线教程电工

4、接触器

直流接触器的工作原理如下:当接触器线圈通电后,线圈电流产生磁场,使静铁心产生电磁吸力吸引动铁心,并带动触点动作:常闭触点断开,常开触点闭合,两者是联动的。当线圈断电时,电磁吸力消失,衔铁在释放弹簧的作用下释放,使触点复原:常开触点断开,常闭触点闭合。

与交流接触器工作原理相同,不同之处在于交流接触器的吸引线圈由交流电源供电,直流接触器的吸引线圈由直流电源供电,另外由于通入直流接触器线圈是直流电,直流电没有瞬时值,在任意时刻有效值都是相等的,没有过零点,因此直流接触器衔铁上不用加装防止过零点电压较低产生的吸合力较小,造成接触器震动声音大等现象的短路环。

漏电保护器接线图及方法,漏电保护器接线教程电工

5、万能转换开关

是一种多档位、多段式、控制多回路的主令电器,当操作手柄转动时,带动开关内部的凸轮转动,从而使触点按规定顺序闭合或断开。

万能转换开关主要用于各种控制线路的转换、电压表、电流表的换相测量控制、配电装置线路的转换和遥控等。万能转换开关还可以用于直接控制小容量电动机的起动、调速和换向。

常用产品有LW5和LW6系列。LW5系列可控制5.5kW及以下的小容量电动机;LW6系列只能控制2.2kW及以下的小容量电动机。用于可逆运行控制时,只有在电动机停车后才允许反向起动。LW5系列万能转换开关按手柄的操作方式可分为自复式和自定位式两种。所谓自复式是指用手拨动手柄于某一档位时,手松开后,手柄自动返回原位;定位式则是指手柄被置于某档位时,不能自动返回原位而停在该档位。

万能转换开关的手柄操作位置是以角度表示的。不同型号的万能转换开关的手柄有不同万能转换开关的触点,电路图中的图形符号如图2所示。但由于其触点的分合状态与操作手柄的位置有关,所以,除在电路图中画出触点图形符号外,还应画出操作手柄与触点分合状态的关系。图中当万能转换开关打向左45°时,触点1-2、3-4、5-6闭合,触点7-8打开;打向0°时,只有触点5-6闭合,右45°时,触点7-8闭合,其余打开。

漏电保护器接线图及方法,漏电保护器接线教程电工

6、低压断路器

低压断路器又称自动开关,它是一种既有手动开关作用,又能自动进行失压、欠压、过载、和短路保护的电器。它可用来分配电能,不频繁地启动异步电动机,对电源线路及电动机等实行保护,当它们发生严重的过载或者短路及欠压等故障时能自动切断电路,其功能相当于熔断器式开关与过欠热继电器等的组合。而且在分断故障电流后一般不需要变更零部件,一获得了广泛的应用。

结构和工作原理低压断路器由操作机构、触点、保护装置(各种脱扣器)、灭弧系统等组成。低压断路器的主触点是靠手动操作或电动合闸的。主触点闭合后,自由脱扣机构将主触点锁在合闸位置上。过电流脱扣器的线圈和热脱扣器的热元件与主电路串联,欠电压脱扣器的线圈和电源并联。当电路发生短路或严重过载时,过电流脱扣器的衔铁吸合,使自由脱扣机构动作,主触点断开主电路。当电路过载时,热脱扣器的热元件发热使双金属片上弯曲,推动自由脱扣机构动作。当电路欠电压时,欠电压脱扣器的衔铁释放。也使自由脱扣机构动作。分励脱扣器则作为远距离控制用,在正常工作时,其线圈是断电的,在需要距离控制时,按下起动按钮,使线圈通电,衔铁带动自由脱扣机构动作,使主触点断开。

漏电保护器接线图及方法,漏电保护器接线教程电工

7、隔离开关

隔离开关是高压开关电器中使用最多的一种电器,它本身的工作原理及结构比较简单,但是由于使用量大,工作可靠性要求高,对变电所、电厂的设计、建立和安全运行的影响均较大。刀闸的主要特点是无灭弧能力,只能在没有负荷电流的情况下分、合电路。主要作用是:

1)分闸后,建立可靠的绝缘间隙,将需要检修的设备或线路与电源用一个明显断开点隔开,以保证检修人员和设备的安全。

2)根据运行需要,换接线路。

3)可用来分、合线路中的小电流,如套管、母线、连接头、短电缆的充电电流,开关均压电容的电容电流,双母线换接时的环流以及电压互感器的励磁电流等。

4)根据不同结构类型的具体情况,可用来分、合一定容量变压器的空载励磁电流。

户外刀闸按其绝缘支柱结构的不同可分为单柱式,双柱式和三柱式。其中单柱式刀闸在架空母线下面直接将垂直空间用作断口的电气绝缘,因此,具有的明显优点,就是节约占地面积,减少引接导线,同时分合闸状态特别清晰。在超高压输电情况下,变电所采用单柱式刀闸后,节约占地面积的效果更为显著。

在低压设备中主要适用于民宅、建筑等低压终端配电系统。主要功能:带负荷分断和接通线路隔离功能。

漏电保护器接线图及方法,漏电保护器接线教程电工

看完之后觉得对大家有帮助的话麻烦多多转发,多多收藏,让更多的人能学到这些专业知识,非常感谢大家,如果有更好的建议意见麻烦评论区留言,我会挨个回复,谢谢大家。

请关注“装修工艺大师”每天推送关于装修文章,让您快速的了解装修,学会装修。