本文从 电芯放电能力、电芯寿命、成本和内阻、充电能力和自放电特性 等方面对如何设计一款电池包进行阐述,实际电芯选择过程还需要考虑更多因素,供大家参考。
确定电芯放电能力要求
面对一个特定车型的需求,需要选取怎样的电芯加以排列,才能恰到好处的满足车辆的全部工况需求呢?我们先来选对于工作表现最重要的电芯放电性能。放电特性可以主要的拆分成3个要点来看: 放电曲线趋势,放电倍率和脉冲特性 。
1.1 放电曲线趋势
放电特性曲线的趋势,主要关注 电芯放电曲线的斜率 。不同类型的电芯,基本的放电趋势是不同的。磷酸铁锂(LFP),在放电初期电压快速下降以后,电压在相当长的一段时间处于一个平台内,荷电量降低,电压变化很小;三元锂电池(NCM,NCA),则相对来说,放电期间电压下降速率较高,显示出明显的斜率。如下面三幅图所示。
具有倾斜放电曲线的电池所输送的功率在整个放电周期中逐渐下降 。这可能会导致高功率应用在放电后期结束时出现问题。对于需要稳定电源电压的低功率应用,如果斜率太陡,可能需要安装稳压器。这通常不适用于高功率应用,因为稳压器的损耗会消耗电池太多功率。

磷酸铁锂放电曲线

三元锂放电曲线

各种电池的常温放电曲线
温度因素影响
电池的放电特性,受到环境温度的影响极为明显 。如果车辆的目标销售地区最低温度在0℃以下,在某些含水电解液的电池中,电解液本身可能会冻结;即使有机电解液不会冻结,电池性能下降也非常明显,就需要考虑低温对电池的影响问题。如果是在环境温度极高的环境使用动力电池,电极活性材料在高温下容易与电解液发生反应,可能带来容量上的损失,还可能造成安全风险。
在电池能够承受的温度范围内,电池性能通常随温度的提高而提高,比如容量增大,内阻减小。每种电芯都有一个最适宜的工作温度,最理想情况是给电池创造出这个适宜的工作温度,偏高或者偏低的温度都会影响循环寿命,是已经被很多实验证明了的。从图中可以看到, 不同温度下的放电曲线会发生整体偏移,趋势基本平行或者斜率略微发生变化。

不同温度下的放电曲线
上图显示了随着工作温度下降,锂离子电池的性能如何下降。
环境温度超出电池合理工作温度范围时, 采取相应的热管理或者预热设计,或者选择低温性能好的电芯,比如钛酸锂。而系统参数限值的设置,比如加热启动温度等,也是需要首先参考电池的性能来确定的。
1.2 放电倍率
动力系统中,对电池放电性能的需求,取决于系统中的负载 。不同的系统,对放电倍率的需求不同。纯电动汽车,全部里程都需要电池提供能量,因此放电时间必然比较长,而放电倍率比较低,往往低于1C,适合选用能量型电芯。而像混合动力电动汽车(HEV),电池包规模较小,不太可能设计较大的并联数量,电池包容量较小,在需要时要求比较大的倍率放电,这时需要倾向于选择高比功率电芯。
放电倍率对容量的影响
放电倍率大小不同,在选择电池容量时,必须考虑放电倍率对电芯容量的影响,否则,在实际运行中将出现严重偏差。
低功耗消费类电子产品电池通常规定以低于1C倍率放电,而SAE使用20小时(0.05C)的放电量作为测量汽车电池Ah容量的标准条件。下图展示了在相同温度下,不同放电倍率下放出电量的对比关系。锂电池以外的其他类型的电芯,同样有类似现象,比如铅酸电池,倾向比锂电池更明显。

不同放电倍率下放出电量的对比关系
从该图中可以得出两个结论:
• 比较电池容量规格时应注意确保使用可比的放电倍率。
• 在汽车应用中,如果经常使用高电流率进行加速或爬坡,则车辆的行驶范围将会缩小。
Peukert方程
关于放电倍率与电池容量的关系,有人针对铅酸电池作出过定量的研究。Peukert方程是19世纪末被提出的,表征 铅酸电芯放电电流与放电容量关系的一个经验公式 ,它近似表示电池的可用容量如何根据放电倍率变化,方程形式如下:

式中“C”是以安培小时表示的电池的理论容量,“I”是电流,“t”是时间,“p”是Peukert常数,与电池结构尤其极板结构有关,对于指定的电池,p是常数。该等式表明,放电电流越大,电池中的可用电量越少。
Peukert常数表征了电池在连续大电流下的表现如何 。接近1的值表示电池性能良好; 数量越高,则当电池在高电流下放电时,容量损失越多。电池的Peukert常数由经验确定,铅酸电池的数量通常在1.3到1.4之间
天津力神崔立丰等人,针对自己的产品 磷酸铁锂电池 进行了类似研究,发现磷酸铁锂电池与铅酸电池的Peukert方程趋势存在差异性,于是根据实验结果对方程做出了修正,得到如下方程:

式中C0为电池1C放电容量,I为实际放电电流,C为以电流I放电能够放出的有效容量。
该研究也发现不同配方的电芯,放电倍率对放电量的影响并不一样,该方程无法有效描述其他配方的电芯。也就是说,锂电池也存在着这样的影响趋势,但定量描述还需要具体电池具体分析。
前面的Peukert方程和力神提出的针对磷酸铁锂的修正方程,都是在描述电池连续放电情形下的放电电流与有效容量之间的关系。而实际运行中的车辆,连续均匀放电并非常态。于是有人针对间歇放电情形进行了进一步的研究。

上面的图表显示,在非常高的连续放电率下,有效电池容量降低。然而,间歇使用时,电池在休眠期间有时间恢复,此时温度也将回到环境水平。由于这种恢复的可能性,如虚线所示,间歇使用电池,则有效容量有所回升,并且放电效率也更高。
这与在连续稳定负载下运行效率最高的内燃机行为相反。从这个角度看,用电池作为电源供电的车辆,解决实际中本来就是断断续续波动频繁额工况,电池电源是更好的解决方案。
Ragone曲线——描述比能量与比功率的关系
一般的,对于 能量密度 和 功率密度 ,同一种电池很难兼顾,即使有兼顾的比较好的产品,其成本也是商业化产品很难承受的,于是我们需要在能量密度和功率密度的选择上做出权衡,选出最为复合我们需求的电池。于是有人设计了一种展示方式,用以表达不同电池之间能量密度和功率密度的相对关系。Ragone图,横轴是功率密度,纵轴是能量密度。Ragone图通常基于对数坐标。
从下面的图示中可以看出,传统锂电池能量密度比较高,当功率达到一个临界值以后,随着功率的增加,能量密度迅速下降。具有钛酸锂阳极(Altairnano)的锂离子电池提供非常高的功率密度,但能量密度却在100以下。

能量和功率密度 - Ragone曲线
注:conventional Li-ion 传统锂电池;altairnano Li-ion 奥钛纳米技术锂电池
下面的Ragone图是另外一组数据对比,比较了一系列电化学装置的比能量和比功率性能。我们可以看到,超级电容器(超级电容器)可以提供非常高的功率,但存储容量非常有限。另一方面,燃料电池可以储存大量的能量,但功率输出相对较低。

Ragone图上的倾斜线表示将电荷输入或输出设备的相对时间。在一个极端情况下,功率可以在几微秒内从超级电容器中输入或者输出。这使它成为EV应用中捕获再生制动能量的理想选择。另一方面,燃料电池的动态性能非常差,需要数小时才能产生和输送能量。这限制了它们在EV应用中的应用,在EV应用中它们经常与电池或电容器结合使用来克服这个问题。锂电池介于两者之间,并在两者之间提供合理的折衷。
1.3 脉冲性能
输送高电流脉冲的能力是许多电池的要求。电池的载流量取决于电极的有效表面积。但是 电流限制是由电池内发生化学反应的速率决定的 。化学反应或“电荷转移”发生在电极表面上,载流能力随着靠近电极的化学物质转化进程而不同,初始速率可能非常高。但是,一旦电流上升,反应速率就会受到扩散速率的限制,这里的扩散指电极表面活性化学物质需要通过电解质扩散来补充的过程。脉冲电流因此可以明显高于标称的连续电流放电倍率。
因此,通过实验数据,详细了解电芯的脉冲能力,能够很好的扩大电池的功率适用范围,反过来说,你在选择电芯时,对比功率的一部分要求,可以落实到电池的脉冲能力上来。
车辆行驶工况
考虑电池包性能与车辆需求的匹配时,我们一般选取车辆的 额定功率 和 峰值功率 两个重点参数纳入考量。而车辆实际运行中的工况需求,却远远不是这样简单。这种偏差是造成设计里程与实际里程出现差异的一个原因。据此的改进做法,如果可以获得一个地区一种车型的典型工况,根据工况中的实际消耗功率与里程的关系,将能量消耗对时间积分,则可以获得更加精准可靠的里程估计结果。更加具体的考虑工况对电池放电能力的需求,也就能够更好的利用电池的短时脉冲能力。
确定电芯循环寿命
循环寿命,必然的是一个重要参数,除了与用车体验相关联,更是形成电池成本的一大决定性因素。循环寿命一般用下面图中的曲线来表示,电池 可用容量伴随循环次数的变化趋势 。 循环寿命,就是在一定的温度、充放电倍率和充放电深度条件下,电池容量下降到80%之前,能够进行的循环次数。

电池每次充电 - 放电循环以及它所带来的活性化学物质的相关转化循环伴随着电芯中的化学物质的缓慢劣化,使用者对这个过程几乎是无感的。这种恶化可能是电芯或晶体中不可避免的化学副反应或者锂枝晶生长,改变了构成电极颗粒的状态。这两个因素都可能会降低电池中活性化学物的量,从而降低电池容量,或增加电池的内部阻抗。
电池在规定的循环寿命结束时不会突然死亡,它会继续正常工作,并继续缓慢恶化,其容量将比新电池的容量显着减少。
1)电芯循环寿命的主要影响因素
①温度
50℃至60℃,是一般锂电池能够允许的工作温度范围上限。在较高温度下进行电化学反应,电解液活性较强,容易发生分解反应,分解产物与正极材料结合,是对正极材料的消耗;正极结构材料遭到腐蚀,晶格结构由于缺少足够材料的支撑发生坍塌,锂离子的空位减少,正极容纳锂离子的能力下降,使得电池容量遭受损失;
同时,正极材料反映的产物,游荡在电解液中,可能附着在正负极电极的表面。电极表面被不能参与充放电过程的物质覆盖,阻碍了电化学过程的顺利发生,电芯内阻增加。
研究表明, 高温过程对老化的影响,主要在正极发生,对负极的影响占比较小 。
环境温度达到0℃以下,锂电池的性能开始受到低温的明显影响。SIE膜,是电芯化成过程中,负极材料与电解液之间反应生成的一层钝化膜,对负极材料具有保护作用。
在低温工作过程中,SEI膜生长,消耗部分电解液中的活性锂离子,使得电解液中导电离子的浓度降低,电池可用容量遭到永久性损失。SEI膜的增厚,使得锂离子穿过膜层到达负极的困难增加,与导电锂离子的浓度降低问题叠加在一起,电芯内阻随之增大。
低温下充电,尤其是充电电流比较大时,负极还会发生另外一个副反应——锂单质析出。低温下,锂离子活性下降,勉强充电,使得过量的锂离子聚集在负极周围,来不及穿过SEI膜到达负极嵌入,就沉积在负极表面,形成纯锂层。这个过程在过低温度的充电过程中容易发生,并且不可逆转。随着使用循环的累积,锂单质也会持续积累,枝晶不断生长,使得刺破隔膜的风险也在不断累加。
研究表明, 锂电池低温工作,老化问题主要发生在负极,正极的副反应也存在,但影响不显著 。
②充放电倍率
以超过设计放电能力的电流放电,一方面, 电流的热效应 ,带来电池自身温度的上升,高温老化的副反应逐渐加剧;另一方面,大电流带来了过量的锂离子需要嵌入正极材料,对 材料的稳定性造成冲击 。而负极由于快速失去大量锂离子,表面的SIE膜结构遭到破坏,部分破裂,造成电解液与碳负极的进一步反应,消耗活性锂离子的数量。
大电流充电,同样存在发热问题和正极材料脱嵌稳定性问题。同时,过多的锂离子运送到负极,超过负极的扩散能力,使得锂单质沉积现象发生,大量活性锂离子被转化成锂单质堆积在一起,形成枝晶。锂离子的损耗,造成容量的永久性损失;而锂单质作为一种活性极强的金属,如果大量存在,则电池使用过程中的热失控风险必然上升,危害更严重。
③充放电深度
定义的循环寿命是在受控条件下比较电池的有用方式,但它可能无法给出实际操作条件下电池寿命的度量。电池很少在连续的完全充放电循环下运行,它们更可能在完全充电之前经受不同深度的局部放电。由于局部放电不会考验电池的极限能力,副反应较少,电荷转移的量也少,因此电池可承受更多的浅循环周期。比如,全充放循环的电池,其寿命有1000次,但对于在40%~70%SOC循环的电池来说,其循环次数可能达到20000次以上。这种使用周期对于具有再生制动的混合动力电动车辆是典型应用场景。充放电深度与循环次数的关系,从下面图中得到一些直观感受。

2)模组寿命
前面几点是具体到单体的老化原因,而动力电池包这个由千百个电芯组成的整体,它的老化的首要因素却是“ 一致性恶化 ”。已经有人针对这个问题作出了研究,发现电池组的老化程度比电池组中质量最差的那颗电芯的老化程度更差,一个电池组的总体容量,小于等于容量最小的那颗电芯的容量乘以模组内电芯数量。因此,只考察单只电芯的循环寿命,而忽视电芯之间参数的一致性,电池包的整体寿命估计会出现严重高估。
全生命周期衡量度电成本
全生命周期度电成本,就是在相同测试条件下,电池有效容量衰减至初始容量的80%以前,全部曾经充入过电池的电量的总和,或者电池曾经放出的全部电量的总和。数值上等于平均每次充入电池电量乘以充电次数。客观来看,这个参数才是用户实际使用了的电池。电池成本,一般按照每千瓦时电量多少钱。然而,对于终端用户而言,他们的感受里,除了能够跑多远这个空间指标,还有一个能够用多长时间的时间指标。同样10万元一辆车,用3年和用5年,每年的用车成本相差40%,这个差距不可谓不大。因此,落实到全生命周期度电成本上,才是最直观的成本评价方法。
全生命周期度电成本,与电池容量、电压和使用寿命三个因素有关,同样的造价,电池容量越大,电压越高,寿命越长,则该成本越低。作为设计者,这个指标虽然一时间并不会与我们的切身利益发生直接联系,但长远看,这是产品的重要竞争力。
确定内部阻抗要求
锂电池内阻,对电池包性能的影响主要体现在两个方面,其一是 库伦效率 ,其二是 温升 ,或者说是热管理系统设计。
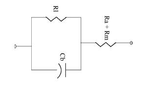
1)电池等效电路
下图显示了动力电池的一种等效电路。

Rm是通过电池的金属路径的电阻,包括端子,电极和内部连接;Ra是包括电解质和隔膜的电化学路径的电阻;Cb是形成电池电极的平行板的电容;Ri是电极与电解质之间的非线性接触电阻。典型的内部电阻在毫欧级别。
当电流流过电池时,电池的内部电阻上存在一个IR电压降,这会降低放电过程中电池的端电压,并增加电池充电所需的电压,从而降低其有效容量并降低其充/放电效率。较高的放电速率会导致较高的内部电压下降,这就解释了高C率下较低的电压放电曲线。
2)内阻是怎么产生的
宏观上看
电池的内阻包括 欧姆电阻 和 极化电阻 。在温度恒定的条件下,欧姆电阻基本稳定不变,而极化电阻会随着影响极化水平的因素变动。
欧姆电阻主要由电极材料、电解液、隔膜电阻及集流体、极耳的连接等各部分零件的接触电阻组成,与电池的尺寸、结构、连接方式等有关。
微观上看
内部阻抗受电解质物理特性的影响,电解质材料的粒度越小,阻抗越低。晶粒尺寸由电池制造商在电解质材料粉末加工过程中控制。
通常使用电极的螺旋结构来最大化表面积,进而减小内部阻抗。这种方法可以减少热量产生并允许更快的充电和放电速率。
低温下,电池内部材料活性差,因此在低温下可能非常低效,随着温度的升高,电池效率随之提高,内部反应速度加快。一个不良的影响是,电池自放电也随之增加。
由于活性化学物质大多数在放电即将结束时已经嵌入电极形成稳定形势,游离的活性物质越来越少,因此,电池的内阻也在放电末期有明显上升,也是放电末期电池电压迅速下降的主要原因。
极化电阻,加载电流的瞬间才产生的电阻 ,是电池内部各种阻碍带电离子抵达目的地的趋势总和。极化电阻可以分为 电化学极化 和 浓差极化 两部分。电化学极化是电解液中电化学反应的速度无法达到电子的移动速度造成的;浓差极化,是锂离子嵌入脱出正负极材料并在材料中移动的速度小于锂离子向电极集结的速度造成的。
3)内阻降低能量效率
电池内阻以I2R损耗的焦耳热效应会导致电池温度升高。
对于为移动电话供电的1000mAh电池,电压下降和I2R损失可能不明显,但对于100只200Ah电动汽车电池,压降它们可能是相当大的。1000mA锂电池的典型内阻约为100~200mOhm,汽车电池中使用的200Ah锂电池的内阻约为1mΩ。
以C速率运行时,每种情况下的电压降在两种情况下都将大约为0.2伏。手机的I2R损耗将在0.1到0.2瓦之间。然而,在汽车电池中,整个电池的电压降将是20伏,并且由于电池内的热量将为每个电池40W或整个电池组4KW,因此I2R功率耗散,是电池发热的最大热源。
内阻影响电池充放电效率 。内阻越高,充电和放电时的损耗就越高,特别是电流比较大的情形。这意味着电池放电率越高,电池的可用容量越低。小电流放电则可以获得更大的放电量。
随着电池老化,电解质的电阻趋于增加。老化还会导致电极表面恶化,接触电阻增大,同时电极有效面积减小,从而减小其电容。所有这些影响都会增加电池的内部阻抗,从而对其性能产生不利影响。比较电芯的实际阻抗和新电芯的阻抗,可以用来衡量电芯的老化程度或估计其有效容量。这种测量比实际电芯放电方便得多,并且可以在不破坏被测电芯的情况下进行测量。
确定电芯的充电能力
电池包的充电特性,尤其充电时间,是用户关注的一个焦点。而动辄充电几个小时,是传统车诟病电动汽车的一个重要槽点。但是,不同类型的车型应用,实际上并不需要全部都追求快充。比如清洁专用车,巡逻车等这类对车辆的机动性要求不高的车辆,耗费成本追求快充就是没有必要的。一般乘用车,如果在快充与慢充车型之间拉开价格差距,相信也会有一部分生活轨迹比较稳定的人会选择充电没有那么快的车型。
电池充电特性影响因素。
电芯自身因素。 从电池内部的微观过程看,充电过程,就是锂离子从负极迁出,嵌入正极的过程。过程中,活性锂离子的运动越顺畅,自负而正的运动动力越足,则充电的阻碍越小,允许的充电电流就越大。那么, 妨碍大电流充电的特性,总体上都体现为电池充电内阻 。在高倍率的工况下,电池内部极化电阻随着电流的增加而增大,电池端电压迅速达到截止条件,充电结束,使得电池可用容量减小。
电池包散热能力。 除了电池自身充电接受能力以外,电池包的散热能力也是限制电池充电倍率的一大因素。当电芯自身条件确定,单体电芯发热,热量的积累,造成电池包内环境温度上升。任其自由发展,则可能在充电并未完成时,电池温度已经触及允许上限。因此,给快充电池包配备相应的散热系统,是提高充电能力的一个前提条件。

一种磷酸铁锂电池不同充电倍率的温升曲线
充电内阻受到哪些因素的影响?
充电内阻同样包含 欧姆内阻 和 极化内阻 两个部分,他们都会受到温度的影响,温度越低,充电内阻总体表现越大,反之,则降低。具体的,欧姆内阻由电池内部导电部件的固有内阻构成,是一个比较稳定的组成部分,除了温度变化带来的影响,不会有太明显的变化。极化内阻直接受到充电电流的影响。
极化内阻包括浓差极化和电化学极化两个部分 。极化现象主要包含两部分,一种是由于电池电极表面生成各种的膜,比如氧化膜、钝化膜和吸附膜等,离子在穿过的时候产生一定的阻抗特性,同时由于电极界面与电解液界面之间形成一定的双电层电容,这种现象整体以电压变化的形式表现出来,即电化学极化电压;另一种是由于离子在充放电过程中,通过表面膜后进入电解液或者固相电极材料内部,然后在外电势和浓差作用下,进行对流扩散现象,对外表现出来的电压变化现象称为浓差极化电压。
①温度对极化电阻的影响 。在低温条件下,影响电池充放电特性的主要因素是电化学的极化特性,随着实验进行,浓差扩散阻抗逐渐表现出来;而在高温条件下,反应物的活性得到大幅提高,加快了电化学反应速率,使得电化学阻抗现象变弱,浓差极化成为充电阻抗的主要组成部分。
②不同SOC阶段对极化电阻的影响 。当 SOC处两极端时,极化阻抗值明显高于其他 SOC 状态下的数值,产生的结果相同,但是产生的原理具有差异性:当 SOC 处于低端时,正极具有较高的锂离子浓度,内部的锂离子要经过较长的固相扩散途径来源源不断地提供相应倍率的离子流,脱出的路径比较长,造成阻抗值大;而当 SOC 处于高端时,情况与低端正好相反,交流阻抗主要受限于负极的固相扩散系数和路径的大小;当 SOC 处于之间位置时,正好介于上述两种情况,锂离子的嵌入和迁出的路径都比较短,相对容易实现,表现出来的阻抗值较小,具有较强的嵌入和迁出能力,可以实现在较短的时间内,进行高倍率的电流充放电。

一种磷酸铁锂电池不同 SOC 下的电池伯德图
③充电模式的影响 。不同的充电模式对电池温度和端电压的影响比较大,均值相等的电流在恒流模式下温度上升比较高,而且端电压也处于较高状态,表明电池内部电极附近的阻抗特性比较大,离子的嵌入和迁出过程中阻抗大,难以实现高倍率充放,即电池持续提供高倍率等效电流的离子速率比较困难。因此,有人研究各种充电电流加载方式,以期降低充电极化带来的不利影响。比如脉冲充电,甚至反向脉冲充电等。

一种磷酸铁锂电池不同方式充电温度变化曲线(左)和充电电压变化曲线(右)
确定自放电特性(K值)
比较而言,锂电池自放电率并不算高,因此,考虑自放电,并非是担心能量损失,而是电芯的自放电率,是电芯制造质量的重要标志。可能对自放电性能带来影响的因素主要包括下面几个方面。
在这些因素中,过于明显的副反应,内部短路和隔膜缺陷的存在,化成后SEI膜存在严重缺陷,根据程度不同,说明了电芯质量所在档次不同。
1) 影响自放电率的先天因素
开路放置的电池为什么会损失电荷?先天的影响主要来自于电池内部电化学材料损失和电芯内部短路。电芯材料的损失为不可逆反应,造成电芯容量的损失,损失的多少,是容量恢复性能的体现;短路造成的电量损失,消耗了当前电量,容量不受这部分反应的影响。
容量损失带来的电量损失(不可逆)与单纯的电量损失(可逆)的和,是自放电量。
电化学材料的副反应
材料副反应主要发生在三个部分,正极材料、负极材料和电解液。
正极材料,主要是各类锂的化合物,其始终与电解液存在着微量的反应,环境条件不同,反应的激烈程度也不同。正极材料与电解液反应生成不溶产物,使得反应不可逆。参与反应的正极材料,失去了原来的结构,电池失去相应电量和永久容量。
负极材料,石墨负极原本就具备与电解液反应的能力,在化成过程中,反应产物SEI膜附着在电极表面,才使得电极与电解液停止了激烈的反应。但透过SEI膜的缺陷,这个反应也一直在少量进行。电解液与负极的反应,同时消耗电解液中的锂离子和负极材料。反应带来电量损失的同时,也带来电池最大可用容量的损失。
电解液,电解液除了与正负极反应,还与自身材质中的杂质反应,与正负极材料中的杂质反应,这些反应均会生成不可逆的产物,使得锂离子总量减少,也是电池最大可用容量损失的原因。
内部短路
电池在生产制造过程中,不可避免的混入一些灰尘杂质,这些杂质属性复杂,有些杂质可以造成正负极的轻微导通,使得电荷中和,电量受损。
集流体的尺寸偏差和加工毛刺,也可能导通正负极。在电芯生命初期,只表现为自放电较高,而时间越长,其造成正负极大规模短路的可能性越大,是电池热失控的一个重要成因。
隔膜缺陷
隔膜本来的功能是隔离正负极,使得只有锂离子通过而电子无法通过。如果隔膜质量出现问题,屏障的作用不能正常发挥。一点微小的缺陷,也会对自放电率产生明显的影响。
2) 影响自放电率的后天因素
不同的使用环境,应用状态以及生命阶段,电池的自放电率也会有所不同
温度
环境温度越高,电化学材料的活性越高,前文汇总提及的正极材料、负极材料、电解液等参与的副的反应会更激烈,在相同的时间段内,造成更多的容量损失。

外部短路
开路放置的电池,其外部短路主要受到空气污染程度和空气湿度的影响。正规的电池自放电特性测试实验,都会严格要求实验室环境以及湿度范围,就是这个原因。高的空气湿度会导致导电率上升。而空气污染主要指,污染物中可能含有导电性颗粒,空气的导电率会因此上升。
荷电量
研究人员专门对比过荷电量对自放电率的影响,总体趋势是,荷电量越高,自放电率越高。最基本的理解,荷电量越高,表示正极电势越高,负极电势相对越低。这样正极氧化性越强,负极还原性越强,副反应就越激烈。
时间
在同样电量和容量的损失效率下,时间越长,损失的电量和容量也就越多。但自放电性能一般是用作不同电芯进行比较的指标,都会比“自放电率”,也就是相同前提条件,相同时间下,进行比较,所以时间的作用只能说是影响“自放电量”。
SEI膜的缺陷
随着电池循环使用的不断增加,SEI膜的均匀性和致密性都会有所改变。逐渐老化的SEI膜对负极的保护逐渐出现漏洞,使得负极与电解液的接触越来越多,副反应增加。出于相同的原因,不同质量的SEI膜,在电池生命初期也会带来不同的自放电率。
因此,把自放电率作为SEI膜质量的一个表征,常常在生产中应用;而改善自放电率的手段之一,就是增加添加剂,提高SEI膜质量。
【每日分享一点知识,有益点赞收藏关注】
锂电笔记:用心总结梳理分享锂电行业产品、材料、工艺、设备、管理相关知识及技能。一起学习成长 ,每天早上06:06准时更新!