第一节 二次回路及其操作电源
一、概述
二次回路(即二次电路):是指用来控制、指示、监测和保护一次电路运行的电路,亦称二次系统,包括控制系统、信号系统、监测系统、继电保护和自动化系统等。
按用途分:断路器控制(操作)回路、信号回路、测量和监视回路、继电保护和自动装置回路等。
按电源性质分:直流回路、交流回路
二次回路的操作电源是供高压断路器分、合闸回路和继电保护和自动装置、信号回路、监测系统及其他二次回路所需的电源。因此对操作电源的可靠性要求很高,容量要求足够大,尽可能不受供电系统运行的影响。
第二节 高压断路器的控制和信号回路
高压断路器控制回路:指控制(操作)高压断路器分、合闸的回路。电磁操作机构只能采用直流操作电源,弹簧操作机构和手动操作机构可交直流两用,但一般采用交流操作电源。
信号回路:指示一次电路设备运行状态的二次回路。按用途分,有断路器位置信号、事故信号和预告信号等。
断路器位置信号用来显示断路器正常工作的位置状态。一般是红灯(符号RD)亮,表示断路器在合闸位置;绿灯(符号GN)亮,表示断路器在分闸位置。
事故信号用来显示断路器在事故情况下的工作状态。一般是红灯闪光,表示断路器自动合闸;绿灯闪光,表示断路器自动跳闸。此外还有事故音响信号和光字牌等。
预告信号是在一次设备出现不正常状态时或在故障初期发出的报警信号。值班员可根据预告信号及时处理。
一、采用手动操作机构的断路器控制和信号回路
WC控制小母线,WS信号小母线,R1、 R2限流电阻,QM手动操作机构辅助触点

合闸时,推上操作机构手柄使断路器合闸。这时断路器的辅助触点QF3—4闭合,红灯RD亮,指示断路器已经合闸。由于该回路有限流电阻R2,跳闸线圈YR虽有电流通过,但电流很小,不会动作。红灯RD亮,还表明跳闸回路及控制回路的熔断器FU1、FU2是完好的,即红灯RD同时起着监视跳闸回路完好性的作用。
分闸时,扳下操作机构手柄使断路器分闸。断路器的辅助触点QF3—4断开,切断跳闸回路,同时辅助触点QF1—2闭合,绿灯GN亮,指示断路器已经分闸。绿灯GN亮,还表明控制回路的熔断器FU1、FU2是完好韵,即绿灯GN同时起着监视控制回路完好性的作用。
在断路器正常操作分、合闸时,由于操作机构辅助触点QM与断路器辅助触点QF5—6都是同时切换的,总是一开一合,所以事故信号回路总是不通的,不会错误地发出事故信号。
二、采用电磁操作机构的断路器控制和信号回路
电磁操作回路的控制开关采用双向自复式并具有保持触点的LW5型万能转换开关,其手柄正常为垂直位置0°。顺时针扳转45°,为合闸(ON)操作,手松开即自动返回(复位),保持合闸状态。反时针扳转45°,为分闸(OFF)操作,手松开也自动返回,保持分闸状态。图中虚线上打黑点(·)的触点,表示在此位置时该触点接通;而虚线上标出的箭头(→),表示控制开关手柄自动返回的方向。

WC控制小母线,WL灯光信号小母线,WF闪光信号小母线,WS信号小母线,WAS信号音响小母线,WO合闸小母线
合闸时,将控制开关SA手柄顺时针扳转45°,这时其触点SA1—2接通,合闸接触器KO通电(其中QF1—2原已闭合),其主触点闭合,使电磁合闸线圈YO通电,断路器合闸。合闸后,控制开关SA自动返回,其触点SA1—2断开,切断合闸回路,同时QF3—4闭合,红灯RD亮,指示
分闸时,将控制开关SA手柄反时针扳转45 °,这时其触点SA7—8接通,跳闸线圈YR通电(其中QF3—4原已闭合),使断路器QF分闸。分闸后,控制开关SA自动返回,其触点SA7—8断开,断路器辅助触点QF3—4也断开,切断跳闸回路,同时触点SA3—4闭合,QF1—2也闭合,绿灯GN亮,指示断路器已经分闸,并监视着合闸线圈KO回路的完好性。
由于红、绿指示灯兼起监视分、合闸回路完好性的作用,长时间运行,因此耗能较多。为了减少操作电源中储能电容器能量的过多消耗,因此另设灯光指示小母线WL(+),专用来接入红、绿指示灯。储能电容器的电能只给控制小母线WC供电。
当一次电路发生短路故障时,继电保护装置动作,其出口继电器KM触点闭合,接通跳闸线圈YR回路(其中QF3—4原已闭合),使断路器自动跳闸。随后QF3—4断开,使红灯RD灭,并切断跳闸回路,同时QF1—2闭合,而SA在合闸位置,其触点SA5—6也闭合,从而接通闪光电源WF(+),使绿灯GN闪光,表示断路器自动跳闸。由于断路器自动跳闸,SA在合闸位置,其触点SA9—10闭合,而断路器已跳闸,其触点QF5—6也闭合,因此事故音响信号回路接通,又发出音响信号。当值班员得知事故跳闸信号后,可将控制开关SA的操作手柄扳向分闸位置(反时针扳转45 o后松开),使SA的触点与OF的辅助触点恢复“对应”关系,全部事故信号立即解除。
第三节 电测量仪表与绝缘监视装置
一、电测量仪表
电测量仪表:对电力装置回路的电力运行参数作经常测量、选择测量、记录用的仪表和作计费、技术经济分析考核管理用的计量仪表的总称。
电测量仪表按其用途,分为常用测量仪表和计量仪表两类。前者是对一次电路的电力运行参数作经常测量、选择测量和记录用的仪表,后者是对一次电路进行供用电的技术经济考核分析和对电力用户用电量进行测量、计量的仪表,即各种电能表(又称电度表)。
1.对常用测量仪表的一般要求 2.对电能计量仪表的一般要求 3.变配电装置中各部分仪表的配置见《电力装置的电测量仪表装置设计规范》
二、绝缘监视装置
绝缘监视装置用于小接地电流的电力系统中,以便及时发现单相接地故障,以免单相接地故障发展为两相接地短路,造成停电事故。
6~35kV系统的绝缘监视装置,可采用三个单相双绕组电压互感器和三只电压表进行测量,也可以采用一个三相五芯柱三绕组电压互感器测量。当一次电路某一相发生接地故障时,电压互感器二次侧的对应相的电压表指零,其他两相的电压表读数则升高到线电压。由指零电压表的所在相即可得知该相线发生了单相接地故障。但是这种绝缘监视装置不能判明是哪一条线路发生了故障,因此它是无选择性的,只适用于出线不多的系统及作为有选择性的单相接地保护的一种辅助装置。
第四节 供电系统的自动装置与远动化
一、电力线路的自动重合闸装置
由运行经验可知,电力系统的故障特别是架空线路上的短路故障大多是暂时性的,这些故障在断路器跳闸后,多数能很快地自行消除。如果采用自动重合闸装置(简称ARD,或ZCH),使断路器在自动跳闸后又自动重新合闸,大多能恢复供电,从而大大提高了供电可靠性。
一端供电线路的三相ARD,按自动重合闸的方法分,有机械式和电气式;按组成元件分,有机电型、晶体管型和微机型;按重合次数分,有一次重合式、二次重合式、三次重合式等。
工厂供电系统中采用的ARD,一般都是一次重合式(机械式或电气式),因为一次重合式ARD比较简单经济,而且基本上能满足供电可靠性的要求,其原理如图所示。

YR跳闸线圈,YD合闸线圈,KO合闸接触器,KAR重合闸继电器
手动合闸时,按下SB1,使合闸接触器KO通电动作,从而使合闸线圈YO动作,使断路器合闸。
手动分闸时,按下SB2,使跳闸线圈YR通电动作,使断路器分闸。
当一次电路发生短路故障时,保护装置动作,其出口继电器KM触点闭合,接通跳闸线圈YR回路,使断路器QF自动跳闸。与此同时,断路器辅助触点QF3—4闭合;而且重合闸继电器KAR起动,经整定的时限后其延时闭合常开触点闭合,使合闸接触器KO通电动作,从而使断路器重合闸。如果一次电路的短路故障是瞬时性的,已经消除,则重合成功。如果短路故障尚未消除,则保护装置又要动作,其出口继电器KM触点闭合,又使断路器跳闸。由于一次ARD采用了防跳措施(图上未示出),因此不会再次重合闸。
二、备用电源自动投入装置
在要求供电可靠性较高的工厂变配电所中,如果在作为备用电源的线路上装设备用电源自动投入装置(简称APD或BZT),则在工作电源线路突然断电时,利用失压保护装置使该线路的断路器跳闸,而备用电源线路的断路器则在APD作用下迅速合闸,使备用电源投入运行,从而提高供电的可靠性,保证对用户的不间断供电,其原理如下图所示。

假设电源进线WL1工作,WL2为备用,其断路器QF2断开,但其两侧隔离开关是闭合的(图上未绘出)。当回路WL1断电引起失压保护动作使QF1跳闸时,其常开触点QF1的3-4断开,使原来通电动作的时间继电器KT断电,但其延时断开触点尚未及断开,这时QF1的另一常闭触点1—2闭合,从而使合闸接触器KO通电动作,使断路器QF2的合闸线圈YO通电,使QF2合闸,投入备用电源WL2,恢复供电。WL2投入后,KT的延时断开触点断开,切断KO的回路,同时QF2的联锁触点1—2断开,防止YO长时间通电。
第五节 二次回路的接线和接线图
一、二次回路的接线要求
按《电气装置安装工程盘、柜及二次回路接线施工及验收规范》规定,二次回路的接线应符合下列要求:
1、按图施工,接线正确。
2、导线与电气元件间采用螺栓连接、插接、焊接或压接等,均应牢固可靠。
3、盘、柜内的导线不应有接头,导线芯线应无损伤。
4、电缆芯线和导线的端部均应标明其回路编号,字迹清晰且不易脱色。
二、二次回路接线图的绘制要求与方法
二次回路的安装接线图主要用于二次回路的安装接线、线路检查、维修和故障处理。在实际应用中,安装接线图通常与原理电路图配合使用。
1、二次设备的表示方法
二次设备是从属于某一次设备或电路的,而一次设备或电路又从属于某一成套装置,所有二次设备都必须按规定,标明其项目代号。项目代号的段别和符号如表7—1所示。项目是指接线图上用图形符号所表示的元件、部件、组件、功能单元、设备、系统等,例如电阻器、继电器、发电机、放大器、电源装置、开关设备等。
例如,仪表的项目代号为P,现有有功电能表、无功电能表和电流表,可分别标为P1、P2和P3,也可按规定,分别标为PJ1、PJ2和PA。而这些仪表又从属于某一个一次电路,线路的项目代号为W,因此不同线路可分别标为W1、W2、W3等。假设无功电能表P2属线路W5,则此无功电能表的项目代号可标为“+W5-P2”,或简化为“-W5P2”。假设线路W5的断路器柜为3号开关柜A3,则该无功电能表的项目代号可更详尽地表示为“=A3+W5-P2”;其第4个接线端子则可表示为“=A3+W5一P2:4”。不过在不致引起混淆的情况下,作为高压开关柜二次回路的接线图,这无功电能表的项目代号可只用种类代号P2或PJ2表示。
2、接线端子的表示方法
盘、柜外的导线或设备与盘、柜内的二次设备相连时,必须经过端子排。端子排由专门的接线端子板组合而成。
在接线图中,端子排中各种型式端子板的符号标志如下页图所示。端子排的项目代号为x,端子前缀符号为“:”。实际上,所有设备上都有接线端子,其端子代号应与设备上端子标志一致。如果设备的端子没有标志时,应在接线图上标示端子代号。

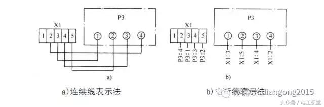
3、连接导线的表示方法
接线图上端子之间的连接导线有两种表示方法:
1)连续线表示法 表示两端子之间连接导线的线条是连续的
2)中断线表示法 表示两端子之间连接导线的线条是中断的
在线条中断处必须标明导线的去向,即在接线端子出线处标明对方端子的项目代号,这种标号方法,称为“相对标号法”或“对面标号法”。

想获取更多视频资料请关注微信公众号:电工365(diangong365)电工之家(diangong2015)