集成稳压器集成稳压器是将串联型稳压电路、过热、过流等保护电路都集成在一块半导体硅基片上。集成稳压器具有体积小、稳压性能好、可靠性高、安装方便、接线简单,使用灵活等优点。集成稳压器可分为固定式和可调式之分,有正稳压器和负稳压器之分。
1、固定式集成稳压器: 固定式集成稳压器有输入端、输出端和公共端三个引出端,所以又称三端固定式稳压器。三端固定式稳压器常用的有CW7800系列正稳压器和Cw7900系列负稳压器。国内的三端固定式集成稳压器的命名方法如下例:CW78(79)L XXC国家标准
W-稳压器78:输出固定正电压79:输出固定负电压表示输出电流:
L为

XX用数字表示输出电压值05、06、09、12、15、18、24三端固定式稳压器管脚排列图如图所示。

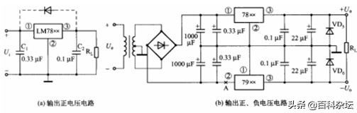
CW7800系列正稳压器与Cw790系列负稳压器的各引脚在功能上有较大的差别,在用时务必要弄清楚,要仔细对照原理图上引脚的标号进行安装,否则很容易烧毁稳压器。

为了保证三端固定集成稳压器正常的工作,输入与输出电压之间应有一定的电压差,具体见表

2、可调式三端集成稳压器 固定式稳压器的输出电压不能连续可调,只能固定在某一数值上,这是它的缺点。对于可调式三端集成稳压器,如果在变压器的二次侧取36V电压则可对输出电压在1.2~37V间连续可调。同固定式集成稳压器一样,可调式集成稳压器也有输入端、输出端及调整端三个引出端,也有输出正电压集成稳压器和输出负电压集成稳压器之分。其中集成稳压器调整端用于调节输出电压的大小。我国可调式集成稳压器的命名方法如下Cw 3 17(37)LC国家标准
W稳压器
3(1:为*用军**品;2为工业品 半军工3:为一般民用)17为输出正电压、37为输出负电压用字母表示输出电流:L为0.1A;M为0.5安无字母为1.5安M为0.5A;无字母为1.5A

注意:可调式三端集成稳压器的引脚随型号的不同而其引脚亦不同,这里我们只提供了常用的几种,读者在应用时应加以确认。
3、集成稳压器的检测方法
在通电状态下检查,检查前应将实物与电路图进行对比,从而确定电压的输入引脚和输出引脚,以及相关的电压值,若输入电压正常,输出电压不正常,那就说明三端稳压器本身损坏了。