
步进电机
步进电机是一种将电脉冲转化为角位移的执行机构,通俗一点讲的就是步进驱动器接收到一个脉冲信号,它就驱动步进电机按设定的方向转动一个固定的角度(即步进角)。你可以通过控制脉冲个数来控制角位移量,从而达到准确定位的目的;同时你也可以通过控制脉冲频率来控制电机转动的速度和加速度,从而达到调速的目的。
步进电机在结构上有三种主要类型:反应式(Variable Reluctance,VR)、永磁式(Permanent Magnet,PM)和混合式(Hybrid Stepping,HS)。
虽然步进电机已被广泛地应用,但步进电机并不能像普通的直流电机,交流电机在常规下使用。它必须由双环形脉冲信号、功率驱动电路等组成控制系统方可使用。因此用好步进电机却非易事,它涉及到机械、电机、电子及计算机等许多专业知识。步进电机的需求量与日俱增,在各个领域上都有应用。
比如3D打印机

3D打印机
什么是3D打印机呢,对于了解过3D打印机的人来说,这个是熟悉的名词。3D打印机又称三维打印机,就是把数据和原料放进3D打印机中机器会按照程序把产品一层层造出来。

打印出来的样件
不过现在不是讲3D打印机,是将3D打印机里的零件——步进电机,常见的普通家用型3D打印机里,步进电机在3D打印机里是一项非常重要的动力部件。3D打印机里步进电机负责机器升降的Z轴(也就是负责机器层厚)来做个精度的解释和技术算法。
因为它的定位精度高、无累积误差、控制简单等特点,除了运用在3D打印机,还运用在喷绘机、刻字机、医疗设备上等。

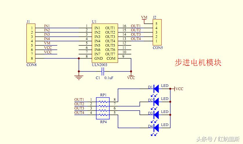
接下来主要讲用ULN2003驱动24BYJ48步进电机。
ULN2003是大电流驱动阵列,多用于单片机、智能仪表、PLC、数字量输出卡等控制电路中。可直接驱动继电器等负载。

24BYJ48步进电机、ULN2003

ULN2003示意图

电路图
注意24BYJ48步进电机的5条线颜色。注意顺序。
下列是简单的C代码,实现正反转。


更多有趣又好玩的视频或文章尽在“红纳里斯”。