
目 录
第一章 建筑施工企业规章制度
第一节 概述
第二节 建筑施工企业经理负责制
第三节 建筑施工企业岗位责任制
第二章建筑施工企业经营制度
第一节 建筑施工企业经营决策制度
第二节 建筑施工企业合同管理制度
第三节 建筑施工企业计划管理制度
第四节 建筑施工企业预结算制度
第三章 建筑施工企业施工管理制度
第一节 施工准备工作制度
第二节 开工报告制度
第三节 施工调度制度
第四节 现场管理制度
第五节 竣工验收制度
第四章 技术管理制度
第一节 技术管理责任制度
第二节 施工技术管理基本制度
第五章 质量管理制度
第一节 质量管理责任制度
第二节 施工现场质量管理制度
第六章 安全管理制度
第一节 安全责任制度
第二节 安全生产教育制度
第三节 施工现场安全管理制度
第二节 安全生产事故报告处理制度
第五节 施工现场环境管理制度
第六节 安全生产检查制度与验收评价标准
第七章 人力资源管理制度
第一节 人员聘用制度
第二节 考勤、请假、休假制度
第三节 员工绩效考核与奖惩制度
第四节 员工调动、晋升、辞职、解聘制度
第五节 员工薪金、福利制度
第六节 员工教育培训制度
第八章 施工现场料具管理制度
一、 施工现场材料管理规定
二、 材料入库验收制度
三、 施工现场材料发放制度
四、 施工现场领料制度
五、 施工现场材料使用制度
六、 施工现场材料节约制度
七、 施工现场周转材料管理制度
八、 施工现场危险品保管制度
九、 施工现场成品、半成品保护制度
第九章 机械设备使用管理制度
一、 机械设备使用管理规定
二、 机械设备走合期制定
三、 机械设备交接班制度
四、 机械设备使用“三定”制度
五、 机械设备安全管理制度
六、 机械设备检查制度
七、 机械设备事故处理制度
八、 机械设备报废制度
机操工人员登记表
机械安全技术交底记录表
现场中小型机械安全检查表
第十章 财务管理制度
第一节 资金预算制度
第二节 财产管理制度
第三节 会计管理制度
第四节 成本、费用管理制度
第十一章 行政办公管理制度
第一节 会议管理制度
第二节 印章管理制度
第三节 办公室管理制度

第一章 建筑施工企业规章制度
第一节 概述
一、企业规章制度的概念
规章制度是企业职工参与生产经营活动应遵守的行为准则,主要包括企业各
项工作的要求、规则、规程、程序、方法、标准等。
建筑施工企业规章制度是在大量实践经验基础上总结出来的一种规范化的管理方法,具有以下特征:
(1)规范性。用规章制度管理企业,要求按统一的标准、方法、程序工作,
不允许按个人的想法随意变动。规章制度具有规范性这一特点决定了它不可能用于一切管理活动,只能用于经常发生的例行工作。
(2)稳定性。规章制度一出台,就不能随意改动。经常变化的规章制度,谈不上规范职工的行为。当然,稳定也是相对的,并非一成不变。规章制度执行一段时间后,应根据企业工作内容和环境的变化进行修订。
(3)强制性。如果一项制度可这样理解,也可那样理解,甚至可执行也可
不执行,那么企业管理工作就无规范可言,而这也违背了规章制度管理企业的根本宗旨。所以,规章制度具有强制性的特点。
二、企业规章制度的作用
(1)使企业工作规范化。随着管理科学的发展,人们发现,单凭个人经验无法管理好企业,只有总结管理工作的规律,制定出工作规范,人人都按章程办事,减少工作中的随意性,才能使经营管理走向现代化。
(2)协调企业各部门的工作。通过规章制度,可以使企业各部门的关系固定化,达到协调一致的目的。各部门都按规章制度办事,相当于在一个统一标准约束下工作,进而避免各行其是的现象发生。
(3)维持正常工作秩序。有了规章制度,职工就有了行动准则,从而可以避免各种混乱,建立正常的工作秩序。
(4)提高工作效率。有了规章制度,职工在工作中遇到类似问题,就可照常办事,避免事事请示汇报,研究对策,延误时间,从而提高工作效率。
三、企业规章制度的种类
企业规章制度可分为两类。一类是国家或主管部门制定的规章制度,包括各项有关的政策、法令和规定,又称作社会性的规章制度;另一类是企业自行制定的规章制度。它是根据国家有关的规定和企业经营管理的需要而具体制定的。
建筑施工企业规章制度种类繁多,一般按其作用和性质可分成三大类。
1、 基本制度
建筑施工企业基本制度是企业带方向性的根本性制度。如经理负责制;企业
*党**组织的工作制度;职工代表大会民主管理制度。
2、 工作制度
建筑施工企业工作制度主要包括经营工作、技术工作、管理工作等方面的制
度,是指企业为搞好经营管理而制定的各种规定、标准、办法、条例等。
企业经营管理制度
经营决策制度。包括企业重大决策问题的工作方法、程序、职权的规定。
合同管理制度。包括工程承包,工程合同的签订、履行、解除,总分包合
同管理等方面的规定。
计划管理制度。包括企业中长期计划、年季计划的编制、实施、检查评价
等工作的规定。
预结算制度。包括预算编制、更改签证、竣工结算等工作的规定。
施工管理制度。包括施工准备、施工计划(施工组织设计、施工作业计
划)、工程任务单、施工调度、现场管理制度等。
技术管理制度。包括技术资料管理办法、图纸会审制度、施工组织设计
编制和审批制度、技术交底制度、计量制度、材料检验制度、技术操作规程等。
工程质量管理制度。包括技术标准、施工质量检验办法,隐蔽工程验收
办法、质量事故处理和报告制度等。
安全生产管理制度。包括安全操作规程、环保防护制度、现场消防制度、
安全事故处理报告制度等。
人力资源管理制度。包括定员、定额管理制度,职工考勤制度,职工培
训制度,职工调配制度,职工的工资、奖励、升级、退休离休等各项制度。
材料管理制度。包括材料消耗定额管理制度,物资采购、验收制度,仓
库保管制度,材料领发制度,余料退库、废料回收制度,周转材料租用制度等。
(8)机械设备管理制度。包括装备计划、购置、验收、保管、保养、维修、使用及操作等管理制度。
(9)财务管理制度。包括会计制度,成本核算办法、固定资产、流动资金、现金出纳、经济活动分析等管理制度。
(10)其他管理制度。
3、责任制
责任制是根据社会化大生产分工协作要求而制定的制度,规定企业内部各级组织、各类人员在本职上应承担的任务和责任。主要包括:
岗位责任制。包括各级领导岗位责任制、职能机构和职能人员岗位责
任制、生产工人岗位责任制等。
管理业务责任制。包括生产(施工)责任制、技术责任制、经济责任
制等。
交接班责任制。包括工序之间的交接责任制、工作班之间的交接班责
任制等。
四、企业规章制度的管理
1、规章制度的制定
制定规章制度应贯彻实事求是的原则。因为并不是所有的管理工作都能用规章制度管理,应根据客观条件分别采用不同的管理方法来管理。一般讲,只有例行性工作才适合用规章制度。因此,制定规章制度前首先应分析工作的性质和条件,当具备了条件后再制定。另一方面,制定规章制度一定要符合客观实际情况,否则行不通。
规章制度的执行
建筑施工企业规章制度的贯彻执行应遵循以下规定:
(1) 规章制度既经建立,就要严格执行,任何人不许随意违背。各级领导要带头遵守,带头执行。
(2) 加强对职工的思想教育,宣传遵守规章制度的重要性,对违背规章制度的行为要及时处理,使职工知法守法。
(3) 提高职工技术业务水平,使之掌握执行规章制度所必须具备的技术业务知识,同时要为贯彻执行规章制度提供必要的物质条件。
(4) 要有经常性的监督检查。对于执行不认真、贯彻不力的单位和个人,应当批评、教育;对不负责任、违反制度造成的损失的,或屡教不改的,应根据情节轻重和损失大小给以相应处分。
(5) 制定规章制度时要经过群众讨论,重要的规章制度要在职代会上通过。对不合理的规章制度要及时修改和废除。坚持提高职工遵守的自觉性。

第二节 建筑施工企业经理负责制
极力负责制是全民所有制建筑企业最 基本的领导制度。所谓经理负责制,就是在企业建立以经理为首的生产经营管理系统,由经理对企业生产经营活动全面负责的一种企业领导制度。
一、实行经理负责制的意义
(1) 解决了*党**组织和行政的分工问题。明确杂企业以经理为中心建立生产经营指挥中心,经理是行政系统的最高领导,*党**委不再参与行政事务工作,主要起政治领导核心和保证监督作用。
(2) 形成了高度统一的生产经营指挥系统。在现代大工生产条件下,分工协作越来越复杂,一项工程的建造往往要经过若干道工序,使用多种材料、工具、机械,由众多的人协调劳动才能完成,必须建立统一指挥的系统。
(3) 解决了权责统一问题。权责相统一,是科学管理的基本准则。谁拥有一定权力,就应承担相应的责任;谁承担了一定责任,就应拥有相应的权力。实行经理负责制有效地解决了这一问题,经理对企业生产经营活动全面负责,同时《中华人民共和国公司法》(以下简称《公司法》)又赋予经理相应的经营管理权限。
(4) 明确了企业法人代表的地位。企业是一个具有法人资格的经济实体。谁来对这个经济实体的经营效果负责,会来代表这个经济实体履行法律责任,是企业能否在社会经济活动中正常运行的重要问题。实行经理负责制,经理成了企业法人的当然代表,担负了对企业经营效果和法人地位负责的重任。
二、建筑施工企业经理的产生
建筑施工企业经理有以下几种产生方式:
(1) 政府主管部门委任。既由政府主管部门直接向企业委派经理(委任前应广泛征求职工代表的意见)。
(2) 政府主管部门组织招聘。即由政府主管部门出面,在广泛征求职工代表意见的基础上,组织公开招聘。
(3) 企业职工代表大会选举。即经政府主管部门批准,由职工代表大会选举产生经理。
三、建筑施工企业经理的免职
建筑施工企业经理的免职有以下几种方式:
(1) 政府主管部门委任的经理,由委任机关免职,但免职前应征求职工代表的意见。
(2) 政府主管部门组织招聘的经理,在征求职工代表意见后,由招聘机关免职。
(3) 职工代表大会选举产生的经理,在报政府主管部门批准后,由职工代表大会罢免。
(4) 建筑施工企业经理的职权
根据《公司法》的规定,建筑施工企业经理在企业生产经营管理工作中,可行使下列职权:
(1) 依照法律和国务院规定,决定或者报请审查批准企业的计划。
(2) 决定企业行政机构的设置。
(3) 提请政府主管任免或者聘任、解聘副厂级行政领导干部。法律和国务院另有规定的除外。
(4) 任免或者聘任、解聘企业中层行政领导干部。法律另有规定的除外。
(5) 提出工资调整方案、奖金分配方案和重要的规章制度,提请职工代表大会审查同意。提出福利基金使用方案和其他有关职工生活福利的重大事项的建议,提请职工代表大会审议决定。
(6) 依法奖罚职工;提请政府主管部门奖惩副厂级行政领导干部。
第三节 建筑施工企业岗位责任制
一、各级领导岗位责任制
1、总经理岗位在责任制
(1)认真贯彻执行*党**和国家的各项路线、方针和政策;主持建筑施工企业全面工作;负责处理建筑施工企业的日常行政、人事、安全、生产管理等事务。
(2)严格执行国家政府职能部门制定的对建筑行业有关建筑施工工程作业方面的各项法规、决议和决定。
(3)加强对员工的安全、服务意识教育,牢固树立安全和文明生产观念。
(4)负责组织制定和审批公司各项管理制度、管理办法和各项作业流程,健全和完善企业各部门岗位职责。
(5)负责组织制定企业的发展规划、编报公司年度工作计划和工作总结,指挥、督促并检查下属各部门完成各项工作。
(6)负责确定企业部门的设置、定编、定员、定岗。
(7)对本企业各部门主管级(含)以上管理人员有任免权,并进行绩效考核,有权对考核结果进行处理。
(8)负责组织、领导本企业所有员工的业务、技能培训工作,提高员工的专业素质和工作绩效。
(9)负责贯彻实施质量管理体系文件内容,按要求做好相关工作的落实与检查工作。
(10)负责审核企业资金使用、费用开支、财务预算方案。
(11)负责对企业各种生产、生活物资采购计划进行审核。
(12)负责组织、参与项目竞标工作;负责与各项目经理签订相关经理责任合同,并督促检查合同执行情况和施工完成情况。
(13)了解和掌握国家对建筑业有关的新政策、新举措和行业动态,注重科学管理,抓好质量安全工作,实行“经理负责制”,不断提高企业的经理效益和社会效益,扩大企业知名度。
(14)定期组织召开企业部门负责人工作例会,总结、研究企业现阶段生产、经营及管理情况。
2、副总经理岗位责任制
(1) 协助、配合企业总经理的日常行政、生产和经营管理工作;组织编报年度工作、生产、经营计划及成本费用、利润指标等;直接对总经理负责。
(2) 协助总经理组织研究企业经营、市场开发方面的发展规划。
(3)组织拟报企业业务、经营管理的各种规定、制度,内部机构的设置。
(4)组织编制并按时向总经理汇报;每月经营合同签订、履行情况及指标完成情况。
(5)负责协调经营处与财务处、行政部门及其他部门的协作关系。
(6)组织收集市场销售信息、用户反馈信息等。
(7)负责组织、推行、检查和落实经营部门销售统计工作及统计基础核算工作。
(8)组织开展市场统计分析和预测工作。
(9)负责组织开展和督导本企业的质量管理体系相关工作。
(10)完成总经理交办的其他临时性工作。
3、项目经理岗位责任制
(1)建立项目管理班子,调集施*力工**量,组建相应的工程管理人员班子,组织编制作业计划,并下达施工任务,签订队组承包合同。
(2)组织财会人员对国家财经政策、财经法规、专业知识、公司管理制度的学习与培训,对其进行思想品德和职业道德教育,对应聘上岗人员业绩进行考评,提高会计人员综合素质。
(3)不断引进、吸收先进的财务管理工作经验,促进公司建立科学、合理的财务管理办法,积极推进公司财务现代化管理与会计工作的达标升级。
(4)调查了解建筑项目的特征、工程概况和性质,弄清设计规模、结构特点、工艺流程,掌握主要设备性能、设计概预算,摸清工程的总工期及工程分期分批施工的配套交付顺序要求、交付图纸时间,工程施工的质量要求、技术难点。
(5)调查掌握施工场地及当地的自然条件、地形与环境条件、地质条件、地震级别、工程水文地质情况、气象条件。
(6)调查当地的技术经济条件,了解供水、供电、供热、供气(氧气、乙炔)等的能力及交通运输条件,地方材料供应情况和当地协作条件及主要设备的供应条件。
(7)调查社会生活条件,摸清周围可为施工利用的房屋情况,附近的机关、企业、居民分布情况,生活习惯和交通情况,副食供应、医疗、商业、邮电、治安条件。
(8)必须搞清建设单位施工准备落实情况,场地三通一平落实情况,障碍物的处理情况,按合同规定应提供的材料、设备的到货情况。
(9)组织材料、构件、半成品的订货、生产、储运及材料,机具设备的租赁、进场、堆放等管理工作。
(10)根据材料预算,组织施工编制材料采购计划,由采购员了解市场价格后,由施工员审核、项目负责人批准后,方可选择供货单位订货。
(11)根据施工组织设计要求,组织相关人员提前储备冬、雨期施工使用的材料和专用材料。
(12)根据建设单位提供的水泥、电源等,接通施工给水、排水、电器、照明、通讯、通气线路,结合永久性路基,铺设施工用循环道路。
(13)根据施工总平面布置图,组织相关人员搭建临时生产设施和生活设施。
(14)履行项目部安全、消防第一责任人的所有职责。
(15)完成总经理室交办的其他工作任务。
4、项目副经理岗位职责
(1)认真执行公司的质量方针及作业指导书,严格按照质量保证体系和质量管理体系实施贯彻,确保工期进度、质量、安全、创建文明工地目标的实现。
(2)负责工地施工进度计划的编制及施工方案和质量计划的实施。
(3)全面负责项目部各分部分项工程的施工,严格按照施工规范、操作规范进行施工,合理安排工序,确保产品质量。
(4)负责劳动力、机械、材料等资源的调配与供应,有计划地安排施工机械和材料的进出场。
(5)负责按相关规定认真签写施工日志。
(6)全面负责项目部的安全生产活动,落实安全保证措施。
(7)协助项目经理做好与分包单位、建设单位、监理公司等单位的配合工作。
5、总工程师岗位责任制
(1)负责建筑公司所有施工工程质量和技术工作的总体控制。
(2)积极开展合理化建议活动,大力提倡采用新技术、新材料应用。
(3)负责对重大工程项目《施工组织设计》的审批。
(4)负责小型设备施工安拆方案技术内容的修改和方案审批。
(5)负责对工程组织基础、主体分部和单位工程的质量验收。
(6)领导投标工作,负责各个项目投标方案的编报、对工程技术文件的审核工作。
(7)负责审批针对产品中严重不合格项的纠正措施,并评审实施效果。
(8)参加各工程项目重要部位和施工工程竣工验收会议。
(9)负责对顾客投诉进行处理并及时反馈各相关信息。
(10)负责组织对重大质量事故的鉴定和处理;不定期对施工现场进行检查,随时监控工程质量,发现问题及时召集项目部、生产技术处等相关部门负责人进行处理。
(11)负责对“四新技术”的推广与应用
(12)完成上级领导安排的临时性、重要性工作。
6、工程部负责人岗位责任制
⑴负责工程部领导工作,在行政上对项目经理负责并向其汇报工作。
⑵负责中标后工程进场前的施工准备工作
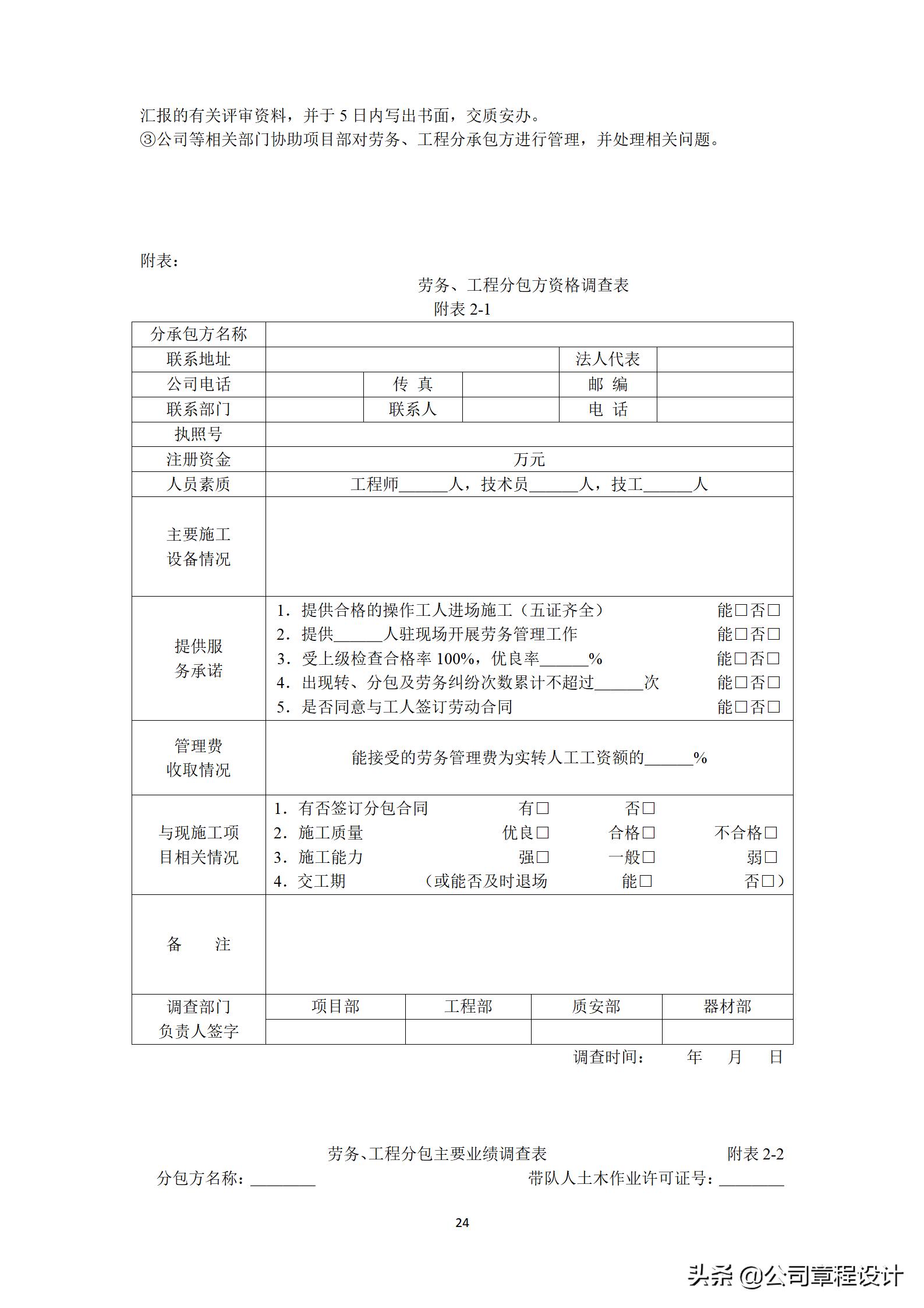
⑶负责审批落实项目各分承包合同的谈判和签订工作,对工程分承包方进行评价和选择,建立合格分承包方名册,并负责分承包队伍的管理。
⑷在生产副经理的领导下,负责施工过程中的过程控制,包括落实年、月生产计划,并负责考核计划的完成情况。
⑸随时掌握工程进展情况,进行综合平衡,统筹安排,以加快施工进度,缩短施工工期,并负责工程部阶段性和年度的工作总结。
⑹喜蛛总经理对在施工程的现场监督管理,安全文明施工,以及环境职业健康安全运行管理涉及的其他方面的监督检查工作。
⑺负责工程施工的成品保护检查,以及项目工程产品保护措施执行情况的监督检查工作。
⑻对部门内所有上报的申请、报告、报表、工程进度等文件的质量负责。
⑼负责及时、真实、准确地向项目部有关部室提供与工程有关的数据;并对向项目部有关部室提交的工程有关数据的及时性、真实性和准确性负责。
⑽负责组织在施过程管理、搬运、储运、防护、和交付管理,顾客、相关方满意度测评及服务管理,工程分承包管理,以及环境、职业健康安全运行的管理。
⑾在投标、施工及交付的服务过程中,及时通过主动走访、电话、信件及交谈等方式收集顾客及相关方的满意信息并向项目分公司进行施工交底。
⑿对在施项目负责组织制订年度工程回访计划和进行顾客满意度调查,受理顾客投诉,组织回访、保修和服务工作,并将来自顾客的信息传递到相关部门。
⒀负责与部门内业务有关的环境因素、主要环境因素、危险源、主要危险源的测定和监督。
⒁本部门管理范围内的程序文件和其他管理文件的拟定、更改、受控发放、登记、标识、收回等工作。
⒂负责与公司项目部有关法律法规的收集和信息传递。
⒃定期召开部署会议,提出改进工作的目标和措施。
⒄承担项目经理交付的其他工作。
7、技术负责人岗位责任制
⑴学习、宣传、贯彻执行国家的安全、技术、质量管理标准,促进施工现场综合管理水平的全面提高。
⑵负责技术管理达标和文明施工管理。
⑶参加定期的综合检查和专项检查,做好检查日志记录。
⑷组织有关技术人员参加图纸会审,为预算、材料、财务提供会审资料。组织编制施工组织设计,审批分包单位小型单位工程施工方案,编制季节性的施工方案和措施并组织实施。编制重要质量和安全技术措施,并密切结合施工现场处理技术问题。
⑸及时传达上级的技术文件,协助或参加分包单位、施工现场有关的技术工作,提供所需资料。
⑹每周必须召开一次工作例会。
⑺参加现场生产协调会,在会上报告工序程序施工情况和施工组织设计落实情况。
⑻每天做好工作日报。
8、质量负责人岗位责任制
⑴负责质检部行政领导工作。
⑵负责项目部工程质量管理工作的实施、验证和改进,建立健全质检部管理制度。
⑶负责制订《质量策划管理程序》、《监视和测量管理程序》、《不合格品管理程序》并组织实施。
⑷负责公司质量目标的分解和落实,制订公司的年度工程质量创优目标和质量计划,参与制订质量的年、季、月质量技术措施计划。
⑸负责组织质量检查,参加工程的基础、主体验收、和、竣工验收和交接验收,提出工程质量评定意见,核定质量等级,负责监督检查验收和移交过程中出现的问题,负责对分部分项工程的检查状态进行标识、检查、监督,负责收集质量检查、验收中的相关数据,在工程质量抽查中发现不合格过程,要开具〈不合格物资评审记录〉通知有关人员按照评审权限进行评审。
⑹参与审核各项工程的设计交底和图纸会审,参与审核各项工程的施工组织设计、施工方案和施工措施,并对施工项目施工组织设计(或专项质量计划)的实施进行监督检查。
⑺组织质量专业会议,总结推广质量管理方面的先进技术;定期汇总公司总体质量目标的实现情况、质量动态和趋势,对可能发生的偏离制定预防措施,并予以纠正;参与特殊技术、特殊工艺、特殊材料和创新开发的项目工程施工组织设计编制。
⑻负责识别本部门的环境因素和危险源,填写〈环境因素调查表〉、〈危险源调查表〉,反馈给技术部和安保部,加强本部门的环境保护和职业健康安全管理;接受内部审核,参加管理评审会议,与各部门和项目部进行交流、沟通。
注:篇幅限制,余下展示部分内容截图








企业管理百宝箱

全站内容电子版