中央空调工程施工较为繁杂,涉及到空调设备安装工程,水地源打井施工工程,水系统管道、阀件安装工程、新(排)风及净化风系统管道制作安装、风阀安装工程,空调管道防腐与绝热保温工程,空调电气制动、自控、监控安装工程,空调系统调试等。
国家对空调工程的各项安装、验收都制定了相应的技术标准和工艺验收规范作为现场施工管理者和具体施工人员,正确了解和掌握空调安装技术和工艺制作要求非常重要。否则,一个空调工程下来,就无法保证使用性能和使用安全,达不到竣工要求,因安装质量问题造成由此引发的工程索赔、整改等事件,使公司蒙受重大损失。
一、空调末端设备及水系统安装
(一)、末端风机盘管设备及水系统安装的技术工艺流程图

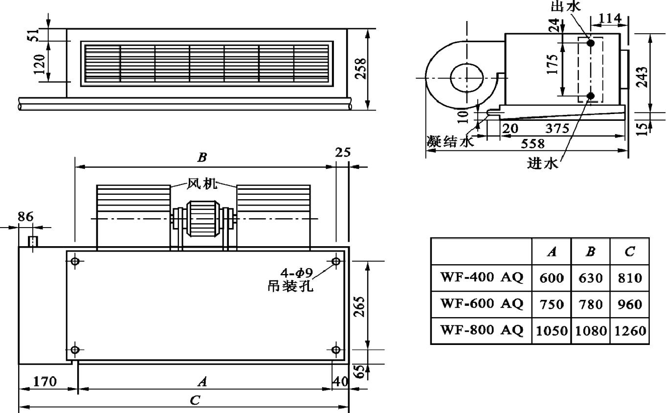
(二)、风机盘管安装
风机盘管选型定位:
按图纸要求确定风机的规格型号及设置位置,检查安装的风机盘管表面有无破损,涡轮转动与蜗壳有无摩擦,电机有无抖动和异常噪音。
质量控制管理把握以下几点:
A、设备规格与设计一致,位置与图纸无冲突,型号不符或有问题的风盘要更换后再吊装
B、 定位位置考虑与风机连接的软接和阀件能否合理布置,检修空间要满足
风机盘管固定安装:
卧式风机盘管安装固定方式有两种,吸顶吊装和悬挂吊装;
明装风机盘管安装固定多采用托架或吊架;
明装立式风机盘管采用坐式固定安装;
质量控制把握以下几点:
A、无论采用哪种模式,固定胀栓必须生根牢固、禁用毛栓等非标膨胀件
B、悬挂吊装风机盘管采用的吊筋丝杆直径宜采用直径不低于∮8的镀锌材质,截取长度不能超过吊装水平线的3cm,以风盘校正水平紧固后露出4-5丝最佳;
C、风盘吊装时要在风盘吊挂孔上下加紧固螺母且在下方加装0.5-1.0cm厚橡胶减震垫,采用的紧固螺母必须是与吊杆匹配的国标件;上下螺母要紧死
D、风机吊装后,风机涡轮后要留有20-25cm的检修空间,吊装后的风盘从外观看不能左右偏斜,上下倾斜现象;
E、吸顶吊装时采用的膨胀螺栓长度不低于8cm,膨胀紧固要到位;
F、采用托架或吊架安装的风机盘管,拖吊架材料最低选用L3*30的角钢型材,且要做好防腐处理;
G、风机盘管与提前加装的柔性风管、风口连接处应严密、牢固。
附:卧式安装风机盘管悬挂吊装大样图



(三)、 管道预制工艺
室内末端水系统安装采用的管材一般为冷冻水选用热镀锌钢管、PP-R塑料管,冷凝水选用冷镀锌管、U-PVC给水管材,无论采用那一种材质其壁厚、承压均要满足设计和使用安全的要求镀锌管材的连接采用丝扣连接,PP-R管材的连接采用热熔连接,U-PVC管材的连接采用粘接。
质量控制管理把握以下几点:
1、镀锌管材的丝扣采用机械套丝前,要检查套丝板牙的规格应与管材相符,校正板牙深浅后再进行,管径小于或等于DN32m套丝一次成型,管径大于DN32m的管材要分两次进行套出的管道螺纹要规整、不能有断丝和缺丝现象,丝扣的长度掌握与管件连接后露出2-3丝为宜。
管道连接的管件要求必须是与管材材质一致的热镀或冷镀管件
管道与管材连接时按旋转方向一次到位,不能倒向旋转
丝扣的填料采用白厚漆和麻丝,涂抹均匀白厚漆的丝扣,用薄而均匀的麻丝自螺纹的第二
丝沿螺纹方向均匀缠绕。填料缠绕要适当,拧紧管件时不得把厚漆、麻丝从管端下垂挤入管腔,堵塞管路。杜绝采用短管套丝作为连接配件
2、PP-R管材的连接时要把握好热熔温度,温度过低影响管材与管件的密合度不够,温度过高,用力时会使管材溶胶涌入管件。堵塞管路或缩小管径。以下为常用规格的PP-R管材热熔工艺要求:

管材下料时要充分考虑管材与管件的熔接深度,管件的接口方向
管件与管材热熔前要清理好热熔表面的毛刺、下料渣及灰尘
3、U-PVC管材的粘接要掌握以下几点
A、粘接部位的管壁要清理干净、管材与管件涂胶要同时进行、涂胶均匀
B、选用的胶粘剂应和管材是同一个品牌,严禁乱用不同品牌的胶粘剂
C、管材与管件弥合后不得旋转,要一次到位
D、在主支管材长度超过3m以上时要与管段间增加透气孔以利于管道内冷凝水排泄畅通
(四)、管道放线定位
目前我公司进行室内管线施工时,由于施工队缺乏专业人员,对管道放线工作极不重视,以至于安装后的管线坡度、水平度、垂直度出现问题,影响了管道安装工艺外观,对以后的使用埋下隐患,在施工技术管理中应重点落实
1、管线放线的工艺流程如下图所示:

2、质量控制管理把握以下几点:
A、放线的参照点要选择土建1m线或50线标高,不能参照房顶标高进行
B、管道放线由总管到干管再到支管放线定位,放线前逐个房间进行细部测算,使各管线互尽量不交叉,同时留出保温及其它操作空间。
C、空调水管道在室内安装以建筑轴线定位,同时又以墙柱为依托。定位时,按施工图确定的走向和轴线位置,在墙(柱)上弹画出管道安装的定位坡度线,冷热水及凝结水管道坡度按照图纸标注执行;坡度线宜取管底标高作为管道坡度的基准。
(五)、管道套管制作安装
1、管道穿越墙体、楼板及屋面处,要设置钢套管。按设计或规范要求,预埋套管管径比管道规格大1-2号
2、穿越墙体的套管长度要以和墙体两面(含抹灰面)齐平为标准;穿越楼板的套管底端要与楼板下表面(含抹灰面)齐平,套管顶端要高出楼板上表面(含找平层、抹灰面)50mm
3、穿越屋面的套管除要按穿越楼板的套管要求外,还要求防水层要沿套管涂敷严,并使之与其它防水层部分连为一体
4、套管预埋使用膨胀水泥固定,穿楼板的套管要在地面找平、抹光之后作围水试验,以24小时不渗不漏为合格。穿管后其缝隙要用石棉绳等材料填实,水管穿防火墙处设阻火圈。
(六)、支、吊架制作、安装
支、吊架的制作安装直接影响管线的坡度走向、管道的水平度和垂直度,现场施工在确定管线布局走向的前提下,确定管道固定的支、吊架形式,并按管线的坡度走向确定支、吊架的下料尺寸,并绘出草图按坡度对支架进行编号,按管材的材质、规格确定支、吊架的位置做好标识,安装时按编号进行。
纵观我公司各施工队的施工,这项工作基本上是颠倒进行,一般都是先安装管道,再进行支吊架安装,这是一种非常不规范的安装方式,在实际施工中应尽快纠正。
1、支、吊架制作安装的工艺流程

2、支、吊架安装工艺
A、支、吊架安装程序:管道支架的选择考虑管路敷设空间的结构情况、管内流通介质种类、管道重量、热位移补偿、设备接口不受力、管道减震、保温空间及垫木厚度等因素选择固定支架、吊架。
B、支架的位置确定:固定支架的安装位置原则上按设计要求施工,设计如无要求按下列表中规格确定确定合理的间距
镀锌钢管支架安装间距(m)

3、质量控制管理把握以下几点:
A、与风机盘管连接处的管道要设置单独的支架,冷冻水管道和冷凝水管道不 能共用同一支架
B、管道转弯处的支撑要设立支架,在转弯处支架定位后,剩余的长度里,按不超过最大间距的原则,尽量均匀地设置支架。
C、支架安装前要进行打磨和防锈防腐处理。用于支、吊架固定的膨胀螺栓必须生根牢固,无位移和松动现象
D、管道安装完成后,要进行支吊架校正,该增补支架的地方要增补;固定支架必须安装在设计规定的位置上,不得任意移动。
E、冷冻水管道与支架之间要用经过防腐处理的木托隔开,木托厚度同保温层厚度。在支架上固定管道,采用U型管卡。制作固定管卡时,卡圈必须与木托外径紧密吻合、紧固件大小与管径匹配,拧紧固定螺母后,管子要牢固不动。
附;支、吊架形式示意图
支、吊架形式一般选用国标03SR417-2“装配式管道吊挂支架安装图”、95R417-1“室内供暖管道支吊架安装图”进行,几种形式如图所示
a)支架
1 管道 2 木托 3 U型螺栓 4 支梁

(七)、管道安装
1、管道安装的工艺流程

2、质量控制管理把握以下几点:
A、支、吊架安装完毕,在管道安装前,要测量管道中心线及支架标高位置,不能有大的误差。开始管道安装就位。规范要求管径<DN50mm的管道及附件采用丝扣或配件连接。为便于施工,将起弯处水平管与弯头的接口做活口处理
B、水平管安装上架时要敲打、“望天”, 以确保管道安装内部的清洁、不堵塞。
C、与管道连接的阀门等附件安装时要按规范要求进行:
(1)、有方向要求的阀门如电动二通阀、过滤器、平衡阀等要按水流方向进行连接
(2)、阀门手柄和制动部位严禁垂直向下
(3)、金属波纹管避免打弯或拉伸安装
(4)、安装丝扣阀门时,保证螺纹完整无缺,紧固时用力要均匀,并以聚四氟乙烯生料带缠绕
(八)、室内管道*压打**及满水试验
试压介质一般采用自来水,用手动试压泵加压,先升压至试验压力0.8Mpa,保持
30分钟,如压降不超过0.02Mpa,则强度试验合格,降至工作压力0.5Mpa,保持
此压力8h进行系统的全面检查,无渗漏则严密性试验合格。
1)、主要工作程序

2)、试压的具体施工方法及技术要求
A、工程安装完成后一般以单元作为一个试压试验单位
对已安装完成的户内管路进行封闭。将不参与试验的室内、外管道隔离,在系统最高点设排气阀(手动)。在可能存留空气处增设排气支管和阀门。在系统低点设泄水阀,并接临时泄水管路至地漏。
B、对封闭好的试压对象进行全面检查:支吊架是否平稳牢固;管道的连接工作是否已结束并检验合格,接缝及其它应检查的部位未经涂漆和保温;管道的标高坡度要复查合格。试压用表都要经过检查。
C、 灌水及*压打**试压泵临时管路边接完毕之后,引入临时用水,关闭泄水阀门,打开进水及排气阀门往管路内灌水。当管路最高点阀门出水后,说明系统水满,并排尽空气,关闭进水阀及排气阀,启动加压泵,正式*压打**。要仔细检查管路,如有漏点或其他问题,及时泄水及时处理,没有问题后,再启动加压泵,正式*压打**。
D、稳压过程中,现场人员要巡查各管件、附件、接口等处,以无渗无漏为合格,若出现渗漏视具体情况进行泄水修理,处理完后重新灌水*压打**,直至达到设计要求。合格后,及时填好管道强度严密性试验记录,*压打**完毕后要及时泄水。
E、管道清洗:在管道试压合格后要进行管道冲洗。连续进行冲洗,流速不得低于1.5m/s,以排出口的水色和透明度与入口水目测一致,无污物为合格。
3)、满水试验具体施工方法和技术要求
满水试验是对安装的冷凝水管道排水是否通畅的检验办法,一般以户为单位进行。
采用的介质一般为自来水,灌水试验前先将冷凝水的汇总管的底端封死,灌水时从冷凝水管坡度最低端的风机盘管水盘灌入,待水盘水位达到满水盘时停止灌水。
检查户内各风机盘管水盘内水位高低,水盘内水位不得高于水盘或溢出水盘,检查管道有无下坠现象,如出现上述现象应先进行设备、支架调整,待无问题时将冷凝水的汇总管的底端封堵打开,检查排水畅通性和各风机盘管水盘积水情况,视情况再调整。
(九)、管道保温
质量控制管理把握以下几点:
保温必须在管道安装*压打**试验结束后进行
采用的保温厚度和防火等级必须与设计要求一致或符合规范要求,采用的胶粘剂和管材是同一厂家品牌
保温管的拼缝胶粘剂涂抹要均匀,拼缝向上,阀件处要单独进行保温
横向拼缝要一致,纵向拼缝要严密,与墙壁、木托连接处要粘连紧密
保温后的管道外观松紧适度、不得有拼缝错位、管道紧缩和拉伸现象
二、空调外网施工
(一)、空调外网管道施工工艺技术流程
1、空调直埋管线施工工艺技术流程图

2、空调架空管线施工工艺技术流程图

(二)、空调外网选材及施工环境要素
1、空调外网管材的选型:目前空调直埋管道一般选用无缝钢管焊接,保温采用聚氨酯发泡,保温外保护层采用玻璃钢或PE(PVC)塑胶套管,设计一般注明为成品直埋管;空调室外架空敷设管道采用焊接钢管或无缝钢管焊接或镀锌钢管丝接,保温采用橡塑保温板材,保温保护层采用薄镀锌钢板或铝板。
2、外网施工的环境要满足以下条件
A、施工现场已达到三通一平,图纸齐全。
B、到货的配管材料满足施工要求,施工所需机具、工具及消耗材料等配备齐全。
C、按施工平面布置图堆放材料,摆放施工机具,合理布置管道预制,临时设施。
D、对照图纸勘查管线施工区域的地下暗敷管线核查标注工作就绪,阀门检查井位置已确定;架空敷设管线的障碍物已清理就绪
E、与其他专业的交叉施工已做好沟通协调
(三)、空调外网直埋管道施工
1、空调直埋管道施工工艺
1)管沟测量放线及开挖开挖
A、根据设计图纸的位置和现场勘查的情况进行测量、放线、挖土、地沟垫层的处理等;
B、沟槽的开挖宽度应根据保温管道外壳至槽底边的距离确定,具体可参照表3.1.1中的规定进行
C、为了便于管道施工,挖沟时应将挖出来的土堆在沟边一侧,距沟边保持0.5~1m的距离,开挖好的沟底要求平整夯实,防止管道弯曲受力不均
D、管道下沟前,先检查沟底标高沟宽尺寸是否符合设计要求,检查保温层是否有损伤,若有局部损伤将损伤部位放在上面做好标记,便于统一处理。
E、管沟深度大于1.5m的直埋管沟开挖时为避免塌方,要进行放坡处理,放坡的尺度比例依据表3.1.2进行
2)、管道焊接:管道应先在沟边进行分段焊接,每段长度在25~35m范围内;沟内管道焊接时必须清理管腔,管道找平、找直。焊接处要挖出操作坑,其大小要便于焊接操作
3)、管道阀门检查井的施工:检查井尺寸要符合检查需要,预留的管道入孔要做好套管预留,检查井要做好防水处理,检查口做好防泥沙等杂物坠落的保护
4)、管道*压打**:根据施工段位控制要求,在段位施工结束后,要进行管道严密性*压打**试验,试验压力为工作压力的1.5倍、保压24h,不深不漏为合格
5)、空调直埋管道段位压力试验结束后,要及时进行管接口的保温处理,保温接头的保护层与管道的搭接不应小于10cm
6)、直埋管道回填:回填前应先检查各接口部位保温是否完成,回填时靠近管道的回填土应细小均匀,有细沙回填的不能有砖瓦及大的混凝土废弃物,回填结束后要按要求夯实整平地面
2、质量控制管理把握以下几点:
1)、管沟开挖尽量平直,沟底要平整,管沟的深度在不影响其他专业管线的前提下尽量按设计要求进行
2)、检查井砌建应考虑尽量避开成型道路,尺寸符合检查需要,井内阀部件安装时考虑检修方便便于开启关闭
3)、管道焊接质量要把握以下标准
A、管材焊接前要进行破口处理,焊缝外形尺寸应符合图纸和工艺文件的规定,焊缝高度不得低于母材表面,焊缝与母材应圆滑过渡。
B、焊接完毕的管道焊缝及热影响区表面应无裂纹、未熔合、未焊透、夹渣、弧坑和气孔等缺陷
C、分支管开口不宜在管道焊缝及其边缘上开孔,采用热加工方法加工坡口后,应除去坡口表面的氧化皮、熔渣及影响接头质量的表面层,并将凹凸不平处打磨平整。
4)、管道焊接前要检查、清理管腔内的泥土和砂石等杂物,每天焊接未完的管
口下班前及时封堵好
5)、主管与支管连接交叉施工时,尽量避免支管下翻连接主管;管道安装时不
能出现垂直的“U”型沉降段,供回水管道间距不得小于15cm
6)、管道切割下料时破除成型保温层长度不能大于15CM,接口部位保温层要封
闭严密。发泡要密实
7)、管沟回填时要注意成品保护,回填土颗粒要细小无建筑垃圾,必要时采取
二次回填
(四)、空调架空敷设管道施工
1、架空管架制作安装:
1)、按设计规定的安装位置、坐标,量出支架上的支座位置,安装支座基础,基础
的浇筑砌建要满足管体及流体承重需要
2)、待管架基础达到强度后,根据管架的外形、尺寸、重量,将已运至现场的管架
采用吊车、卷扬机、三木搭等不同方法将管架吊装就位,同时找正找直。
3)、依附于墙体采用预埋铁件和膨胀螺栓的支架要生根牢固,立式支架地脚螺栓连
接时要从四个方向对称地、均匀地拧紧螺栓。
2、架空管道安装
1)、管道上架前,对管架的垂直度、标高进行检查,有条件的进行复测,否则要详细查阅核算测量记录。
2)、确定复核支架安装牢固后,进行架设管道,管道和管件应在地面组装,长度以便于吊装为宜。管道可采用机械或人工进行吊装,已吊装尚未连接的管段要用支架上的卡子固定好。
3)、采用焊接连接的管道施工工艺要求参照直埋管施工3.2.3条进行,采用丝扣连接的管道,吊装后随即连接;采用焊接时,管道全部吊装完毕后再进行焊接,焊缝不允许设在托架和支座上,焊缝与支架间距应大于150~200mm。
4)、阀门、集气罐补偿器等附属设备按设计位置与管道连接好。管道安装完毕后找平调直使管道在一条线上。
5)、敷设完毕的架空空调管线按设计规定的压力充水进行强度及严密性试验,合格后办理验收手续。
6)、管道防腐保温应符合设计要求和施工规范规定,保护层和保温接触密实,注意做好保温层外的防雨、防潮等保护措施。
7)架空敷设的管道安装高度,如设计无规定时,符合下列规定(依保温层外表面积计算):人行道不小于2.5m;车行道不小于4.5m;跨越铁路距轨顶不小于6m。
三、中央空调机房设备管线施工
(一)、设备机房与设备基础
1、中央空调设备机房的设备布局一般设计图纸已经提供平面图,在进入设备机房施工前要仔细审核机房的空间平面是否满足设备布置需求,空间标高是否满足管线布置需要,向建设方提出满足机房施工的空间布局需要。
2、设备基础一般由我们施工单位提供满足设备布置的基础平面图,交由土建单位或建设单位另行安排施工,基础图纸的提供要充分考虑机组、循环泵、冷却塔、集分水器、水箱及定压补水装置、除砂器等过滤装置的基座尺寸,一般要求,设备基础要比设备基座本身长宽大10cm。基础标高参照机房地面±0,高度25-30cm为宜,基础混凝土采用C30。
3、设备房内要求有泄水池和排水泵,地面要有一定坡向的排水沟槽与泄水池连接;除此之外,设备房还要有照明、送排风系统等满足设备运行维护的必要设施,在机房土建施工阶段有必要向建设方提出。
4、基础交工验收时,要效验基础的位置、标高、水平度及平整度,不符合设备安装参数的要求整改。
5、空调机房的施工要考虑隔音减噪,对墙体、门窗的传音要有必要的措施。
(二)、设备的定位安装施工
1、空调主机的安装
1)、机组到货要进行开箱检查,核对设备名称、规格、型号是否与设计相符以及备品备件是否齐全,检查设备外观是否有损坏和锈蚀等情 况,技术文件是否齐全等;
2)、大型机组在吊装运输时,要制定专项方案,充分考虑设备和人身安全机组在吊装运输过程中重心不能倾斜,机身要有保护措施。
3)、整体安装的机组纵、横向水平度允许偏差要符合设备技术文件的规定与基础接触面要加减震装置,一般采用减震器或减震垫。
4)、机组位置、标高和管口方向要符合设计要求,地脚螺栓须拧紧,并有防松动措施。
5)、联排机组的坐向要整齐划一,接口方向、水平度、高度一致。
2、循环水泵安装
1)、检查基础和划线。水泵安装前复测基础的标高、中心线,将中心线标在基础上,
以检查预留孔或预埋地脚螺栓的准确度;
2)、水泵就位于基础前,将水泵底座表面的污秽物、泥土等杂物清除干净,将水泵和
基础中心线对准定位,每个地脚螺栓在预留孔洞中保持垂直;
3)、水泵安装时要加减震垫,安装完成要找正与找平,校对水平度、标高、中心线
符合要求后紧固螺栓,同时进一步核对水泵的水平度、平行度、同轴度,使其完全达到
设计要求。
3、冷却塔安装
安装前校验设备基础是否符合要求。安装时严格按照设计、施工规范及产品说明书要求
行。施工过程中注意冷却塔安装平稳,地脚螺栓的固定牢固;冷却塔的出水管及喷嘴的
方向和位置正确,布水均匀。
安装原则
A)、冷却塔安装位置必须考虑噪音对用户及周边环境影响
B)、冷却塔安装位置必须远离尘垢密集或有酸性气体存在之场地环境
C)、冷却塔安装位置必须远离烟囱或其它热源地区
2)、冷却塔安装位置必须预留一定的空间,以便配管与机房主机相连接
3)、冷却塔安装位置必须保持水平,同时基础与水盘支架必须保证紧固牢靠的连接
4)、冷却塔安装时,其入风口和周围障碍物必须保持适当的距离、高度,避免热回风及风量不足
5)、在组装冷却塔时,塔顶不准用气焊、电焊,防止火灾;若必须使用,则须按消防规则采取防范保护措施 ,准备好灭火器材,确保安全
a) 逆流型

b) 直交流型

4、组合式空调机组的安装
1)、认真核对设备技术文件和设备基础,确保基础尺寸与水平度符合要求
2)、空调机组各功能段的组装要符合设计规定的顺序和要求;各功能段的连接要紧密,整体要平直
3)、机组安装前要清扫干净,箱体内要无杂物、垃圾和积尘,机组下部的冷凝水排放管的水封高度要符合设计要求
4)、机组与基础之间设橡胶减振垫进行减振,连接水管处采用软接头进行减振,防止设备振动沿管道进行传递。
5、集分水器、水箱、定压补水装置、除砂器等过滤装置安装
1)、水箱安装前要检查水箱的制造质量,保证无漏点。安装后检查安装坐标、接口尺寸、焊接质量、除锈防腐质量、清除污染,做好灌水试验
2)、集分水器、定压补水装置、除砂器等过滤装置安装时要检查基础平整度,补水口、泄水口及排沙口的方位方向,四周有足够的盈余空间
3)、集分水器、定压补水装置、除砂器等过滤装置安装时要核查与各系统管路连接的位置和距离是否满足设计和应用需要
6、质量控制管理把握以下几点:
A、各种设备的规格参数要和设计一致,基础制作要符合设备需要和设计要求
B、各设备的安装必须要求标高、水平度要符合设备安装参数规定和设计要求
C、设备与基础间要有必要的减震装置,紧固设备的螺栓要拧紧,不得松动
D、各设备的接口方向不能颠倒或倾斜,水平度要符合要求
三、机房管道系统施工
空调机房内管道的布置直接影响系统的工作效果及观感质量,所以说管道布置的好坏是空调机房安装成功的关键。空调机房内管线的布置主要考虑以下几个原则
1、管道的布置首先要保证系统的功能,避免水阻或气阻,并根据小管避让大管、低压管避让高压管、有压管避让无压管的原则合理布置管路走向
2、管路布置时充分考虑水流开关、流量计及压力表、温度计等仪表的安装位置,保证仪表的使用功能,确保获得准确的参数读数
3、各设备及阀门等部件必须预留充分的操作及检修空间,以保证系统维护管理的方便
4、管道安装整体要求注意平直美观,增强机房观感
5、阀件安装位置要合理,有方向性要求的阀门(例如止回阀、截止阀、流量计、靶流开关等),按照水流方向进行安装,要注意不要将阀门装反,造成阀门失灵
施工质量控制管理把握以下几点:
1、管道布局要合理搭配、整体布局美观
2、管道焊接质量要有保证,管道与法兰焊接时水平度、垂直度要理想,与阀门的装配要牢固,与设备连接处的软接头要保证松紧适度、不能扭曲
3、管道的支吊架选型要充分考虑管道自重和介质重量,以及负载面的承重能力
4、管道焊接时避免焊渣进入管腔,管道与阀门等配件连接时,紧固螺栓要均匀对称拧紧
5、冷却塔配管大小按冷却塔体之接管尺寸进行配接,回水总管水平高度一定要低于水塔、水盘盛水最低点,以便冬季将管中水排尽。
6、管线焊接组配完成后要做两次防锈、防腐处理
(四)、机房管道系统管道冲洗试压
管道的冲洗试压是机房管道系统隐蔽前的最后两道工序,也是极其重要的一个环节,机房管道系统管道冲洗试压一般按下列步骤操作
1、清洗前要检查管路上是否有预留孔(如压力表接孔等)未进行必要的封堵措施,以免冲洗水流出污染其它专业的成品、半成品及原材料。阀门的启闭要满足冲洗的要求,进主机的阀门要关闭。
2、清洗时要注意排掉的水要接至就近的排水沟,机房内要准备好排污泵,以保证排泄和安全。排水管从管道末端接出,排水管截面积不能小于被冲洗管道截面积的60%。冲洗要以系统内可能达到的最大压力和流量进行,直到出口处的水色和透明度与入口处目测一致为合格。
注意;
试压保温完毕后,在系统联动试车前,还要对全系统进行一次系统整体冲洗,以保证系统内的清洁畅通。管道冲洗完毕,整个管路分系统进行压力试验,以检查管路的强度及严密性。一般采用清洁水进行试压,试验压力以图纸说明中所规定的压力为准。压力试验时所用的压力表必须使合格产品,并且压力试验管路要对该表进行必要的保护。关断阀门要严密。向管路内充灌水时,要打开管路各处的排气阀。水灌满后,关闭排气阀和进水阀,用手摇试压泵或电动试压泵加压,压力要逐渐升高,加压至试验压力的一半时,要停下来对管路进行检查,无问题时再继续加压。
到达试验压力以后,再重点检查焊缝、法兰、管件连接处,以确保工程质量。在规定的试验压力保持的时间内,压力降不超过0.02MPa为合格
(五)、机房管道系统防腐与保温
1管道防腐
1)、水管设备及吊支架等刷底漆前,要清除管道表面的灰尘、污垢及锈斑,保持干燥,必要时采取机械除锈;
2)、水管设备等在除锈后,刷防锈底漆二遍。
3)、吊支架在除锈后,刷防锈漆与调和漆各两遍。
2、管道保温
空调机房冷冻水、冷却水管道保温采用闭孔橡塑海绵;机房内的自来水管、空调补水管均采用闭孔橡塑海绵。
机房管道设备保温要注意的几点问题
a.保温前须将管道及设备表面的灰尘、锈蚀等清除。
b.橡塑海棉接触面及两端、与管道设备的接触面须用胶水粘接密封。
c.橡塑海棉端面涂胶水时,不得有灰尘。
d.胶合接缝要轻,推压,不要拉扯。
e.下料时,尺寸要准确。测量时,用相同厚度的细条来测量且不要拉伸细条。
f.板材切割时,要多留5mm的空间误差。
3、保温工艺
A、弯头的保温
a.量出内弯半径R1和用相同厚度的细条量出管道周长L.
b.在板材的水平和垂直方向上预留12mm的修剪长度,并在板材上以R1和R1+L/2划弧。
c.沿两弧线切下弧面,并以此为模板切第二个弧面。
d.在大弧面上涂胶水,由两端向中间粘合,压紧接口后,再把弯道口反过来,使内壁连接牢固。
e.弯道内接口涂胶水,架于弯道上,胶干化后粘合接触面。
f.修理弯道接面为正圆面。
B、法兰盘保温
a.量出装上保温材料后的直管直径和法兰直径;
b.在板材上以此两尺寸,作同心圆2个,切下两个以此2个同心圆所得的圆环,切身开圆环安于管材上。
c.用等厚度的细条量出法兰周长L,以L的两橡塑海棉环的间距这两个尺寸切一板材;接口涂胶水,干化后,整套入法兰外侧粘合,且板材与圆环、管材间均须涂胶水粘合。
d.建议此保温方法中的圆环在板材接触处用45°角粘合,此粘合方法更为美观。
C、阀门保温
a.量出阀门长度(包括两橡塑海棉圆环厚度)阀门颈直径
b.在橡塑材料板材上画出以上三个尺寸
c.涂胶、粘接保温
五、通风管道制作安装
(一)、室内金属风管施工制作施工工艺
1、材料要求
A、板材表面应平整,厚度应均匀,无凹凸明显的压伤现象,并且不得有裂缝、砂眼、结疤、刺边和锈蚀等情况。
B.选用材料的厚度应符合规范规定:(mm)
C.型钢应该注意等型,均匀,不应有裂缝,气泡、窝穴及其他影响质量的缺陷,特别注意现有角钢有不等边的情况。



2.风管制作作业条件
图纸已经熟悉,并且经过图纸会审。对建筑、结构和电气、暖卫施工图中的管路走向、坐标、标高与通风管道之间跨越交叉在图纸上出现的问题已经有解决方案。
材料表面油污应全部清除干净,以免铁锈或氧化物落于材料表面产生局部腐蚀。
必须有一个单独的加工场地,为了不破坏镀锌钢板外的保护膜,工作场地最好铺设木板或者橡胶板,保持场地清洁。
已进行了施工技术交底,对风管制作的尺寸,采用的技术标准、接口及法兰连接方法已经明确。并且已经作好施工交底记录。
3.工艺流程

1)、风管加工
根据风管长边尺寸进行合适的选料。按正确的放样进行制作。
风管翻边时,翻边应留有不小于6mm的余量,翻边不能遮住螺栓孔,咬口边要用剪刀
进行倒角或开角,且不开裂,形成弧形翻边。若翻边四角开裂,应采用锡焊或密封
胶填补,防止风管漏风
风管板材厚度小于1.2mm时可以采用联合角或按扣式咬口,大于1.2mm时采用焊接。
风管成型后与法兰连接采用铆接,铆钉距风管壁距离不得大于50mm,各铆钉间距不
得大于150mm。
矩形风管长边大于630mm(保温风管大于800mm),长边尺寸大于1250mm或低压风管
单边面积大于1.2m2,中高压风管大于1.0m2时必须采取加固措施。
圆形风管(不包括螺旋风管)直径大于等于800mm,且其管段长度大于1250mm或总表
面积大于4m2时必须采取加固措施。
风管边长≥630mm,L≥1250mm以上,不保温风管的加固框角铁可以比法兰角铁小1号。
2)、角铁法兰制作
法兰制作前角铁应调整(有些角铁不到90°应引起注意。目前发现弯曲角铁仍在使用)
否则会引起螺栓孔不成一条直线。风管法兰边长允许偏差内径1~3mm,平面0~2mm,对
角线0~3mm。
风管尺寸≤630mm时,铆钉采用直径4×10的镀锌铆钉;风管尺寸>630mm时,法兰
铆钉采用直径5×12的镀锌铆钉。
为了保证法兰平面的平整度符合规范要求,焊接可以在平台上进行,焊缝应牢固,焊
好的法兰按规定划线并均匀的分出螺孔位置(螺孔间距一般不大于150mm),用样冲定
点。为了方便安装,螺孔直径应比螺栓直径大1.5mm,并且螺孔互换性能良好。
中低压系统风管法兰的螺栓及铆钉孔的孔距不得大于150mm,高压系统风管不得大于
100mm。矩形风管法兰四角部位应设有螺孔。
法兰规格应符合下列规范规定:(mm)

法兰垫料的选用:一般排风、送风、暖通风管采用厚度为5mm的闭孔海绵或阻燃8501密封
胶。连接法兰的螺栓应均匀拧紧,其螺母应在同一侧。
3)、风管及部件的安装
A、风管及配件可拆卸的接口及调节阀门不得装设在墙内或楼板内。风管及配件安装前应清除内外杂物及污物并保持清洁。
靠墙或靠柱安装的水平、垂直风管宜采用悬臂支架或斜撑支架。不靠墙、柱安装的水平风管宜用托底吊架,垂直风管应采用抱箍支架,风管b>800mm应加双螺帽。并在转角处、顶端、末端设置防晃支架支架不得设置在风口、阀门、检查孔及自控机构处。吊架不宜直接固定在法兰片上。
矩形风管抱箍支架应紧贴风管。如保温风管,应留有保温厚度浸沥青的木块风管吊架应平直、螺纹应光洁、吊杆拼接可采用焊接。长度不应少于吊杆直径的六倍,并应在两侧焊接。
施工质量控制管理把握以下几点:
采用的风管制作板材和法兰制作型材要符合规范和设计要求
风管制作及部件制作的工艺质量要符合要求
成品管的保护工作
风管接头部位不得装设在墙内或楼板内,与风管连接的风阀部件要有单独支撑固定
风管连接口要严密,法兰不能错位安装,插条式连接要牢固严密安装后的风管布局要美观,支架、风管不能有倾斜现象
(二)、酚醛等复合风管施工制作施工工艺
1、风管制作流程

1)、放样:
A、矩形直风管放样。按风管制作任务单规定的组合方式计算放样尺寸。按计算的放样尺寸用钢直尺或钢卷尺在板材上丈量,用方铝合金靠尺和画笔在 板材上画出板材切断、V形槽线、45度斜坡线
B、T形矩形风管放样。T形矩形风管由两根矩形直管组成。按矩形直风管放样的方法,分别放样。主管在设计位量开孔,开孔尺寸为对应支管边长。用钢尺丈量,用画笔和方铝合金靠尺划出切断线、V形槽线、45度斜坡线
C、矩形弯管的放样(弯头,S形弯管)。矩形弯管一般由四块板组成。先按设计要求,在板材上放出侧样板,然后测量侧板弯曲边的长度,按侧板弯曲边长度,放内外弧板长方形样。画 出切断线、45度斜坡线、压弯区线
D、 矩形变径管的放样(靴形管)。矩形变径管一般由四块板组成。先按设计要求,在板材上对侧板放样,然后测量侧板变径边长度,按测量长度对上板放样。画出切断线45度斜坡线、压弯处线或V形槽线
2)、切割、压弯:
A、检查风管板材放样是否符合风管制作任务单的要求,划线是否正确,板材有否损坏
。检查刀具刀片安装是否牢固。检查刀片伸出高度是否符合要求
B、直按切边要求选择左45°单刀刨或右45°单刀刨。将板材放置在工作台上,方铝合金靠尺平行固定在恰当位置
C、角度切割时,要求工具的刀片安装时向左或向右倾斜45°,以便切出的“V”型槽口成90°,便于折成直角。切割时刀具要紧贴靠尺以保证切口平直并防止切割尺寸误差。
D、板材切断成单块风管板后,将风管板编号,以防不同风管的风管板搞错。
E 、扎压风管曲面时,扎压间距一般在30~70cm之间,扎压深度不宜超过5mm。板材压弯利用折弯
3)、成形:
A、用毛刷在板材切割面上涂刷胶粘剂。待涂胶不粘手时,将风管面板按设计要求粘合,并用刮板压平
B、检查板材接缝粘接是否达到质量标准,做好管段标记
4)、加固:
A、风管的加固有两种方法。一种是角加固,一种是平面加固。风管边长>400mm时采用平面加固;250≤边长≦400mm时采用角加固
B、平面加固是将加固支撑按需加强风管的边长用砂轮切割机下料,切断DN15镀锌管。在镀锌管两端,各放入60mm长圆木条。用夹钳将圆木条固定在镀锌管两端。按设计要求用钢尺在风管面确定加强点
C、风管角加固是在风管四角粘贴厚度0.75mm以上的镀锌直角垫片,直角垫片的宽度与风管板材厚度相等,边长不小于55mm
5)、风管连接:
A、在选用PVC及铝合金成形连接件时,应注意连接件壁厚,插接法兰件的壁厚应大于
等于1.5mm,管板厚度与法兰槽宽度应有0.1mm~0.5mm过盈量,插件面应涂满胶粘剂
B、主风管上直接开口连接支风管可采用90°连接件或其他专用连接件,连接件四角处
应涂抹密封胶,主风管与柔性风管的连接应注意将环状止口顶在复合板上,再扳边固
定
6)、风管吊装:
A、按系统编号和标记进行安装;检查安装部位风管的尺寸,法兰安装是否正确;风管
及法兰制作允许偏差是否符合规定;风管安装前应清除其内、外表面粉尘及管内杂物。
B、吊装风管,在风管下安装横担和防震垫,用平垫、弹垫、螺母固定横担
C、按设计要求安装连接风管、通风系统部件,对金属法兰和金属通风部件做绝热处理
施工质量控制管理把握以下几点
1、制作风管时为保证风管制作后的强度,在下料时粘合处有一边要保留20mm铝箔做护边
2、风管在粘合前需预组合,检查拼接缝处是否严密,尺寸是否符合要求。根据季节温度、湿度及胶粘剂的性能确定最佳粘合时间。粘接后,用角尺、钢卷尺检查、调整垂直度及对角线偏差应符合规定
3、做好现场板材和预制管的成品保护工作
4、连接和安装后,应检查粘接缝粘接缝,在粘接后应平整,不得有歪斜,错位、局部开裂,以及2mm以上的缝隙等缺陷
5、风管支吊架间距应符合规定
(三)、风管保温施工
1、风管保温具备的条件
1)、确认风管上方管道、电气、消防等专业施工基本结束,以免大量交叉作业破坏保温
2)、风管系统安装完毕,经自检质量合格,并向监理报验合格,办理完隐蔽工程检查记录。
3)、空调系统漏风量、透光测试合格
2、工艺要求
1)、按设计或规范要求选择保温材料
2)、下料要准确。切割面要平齐,在裁料时要使水平垂直面搭接处以短面两头顶在大梁上
3)、涂胶厚度要均匀,不得堆积、流淌,保温材料铺覆粘接紧密,无空鼓,接缝紧密无裸露
3、橡塑海绵保温工艺
1)、首先将风管表面擦拭干净,擦去表面的灰尘和积水并使其干燥
2)、根据风管尺寸裁剪保温材料,按长边压短边的规定下料
3)、在管外壁和橡塑海绵板上分别均匀刷胶,稍候片刻待其微干后将其粘合上
4)、用橡胶锤轻打闭孔橡塑海绵板,尤其是风管四角处,使其与风管粘牢
5)、对保温外观进行检查,如有不合适之处及时修补
4、铝箔玻璃棉板保温工艺
1)、首先将风管表面擦拭干净,擦去表面的灰尘和积水并使其干燥
2)、粘结保温钉,保温钉长度要大于保温棉厚度,粘接密度为风管侧面、下面12只/㎡,上面9只/㎡。钉与钉间距不大于450㎜,距风管边缘不大于75㎜。
3)、裁剪铝箔玻璃棉板,裁板时使用钢锯条,要使保温材料的长边夹住短边,小块的保温材料要尽量使用在风管的上水平面上
4)、铺覆铝箔玻璃棉板,将裁好的铝箔玻璃棉板轻轻贴在风管上,稍微用力使保温钉穿出玻璃棉板,经检查准确后,用保温钉压盖将其固定。压盖应松紧适度,均匀压紧
5)、粘铝箔胶带。玻璃棉板的拼缝要用铝箔胶带封严。胶带宽度平拼缝处为50㎜,风管转角处为80㎜。粘胶带时要用力均匀适度
6)、缠玻璃丝布,玻璃丝布的幅宽应为300~500㎜,缠绕时应使其互相搭接一半,使保温材料外表形成两层玻璃丝布缠绕
7)、刷防火漆。最后在玻璃布面刷防火漆两遍。刷漆时要顺玻璃丝布的缠绕方向涂刷,涂层应严密均匀,并注意采取必要的防护措施,以免污染其它部位
六、中央空调电气系统安装
(一)、机房配电箱、柜安装
1、机房配电箱柜安装是在机房设备及水系统安装完毕后进行,按图纸设计确定柜基础尺寸及具体位置,采用槽钢制作柜基础或提前预制混凝土基础。
2、 配电箱、柜安装要求牢固、平整,并与接地装置连接。柜安装的垂直度不小于1.5/1000mm。
3、所有的用电回路、设备线路测试绝缘阻值在安装完毕后后要进行测试,保证安全无问题4、箱、柜内元件应固定牢固,接线符合规范要求,回路编号标注准确,引出引入线路整齐,
4.柜内的工作零线和保护接地线应严格区分;表识正确
(二)、电缆桥架和管线安装
1、电缆桥架、管材的选用要依据设计图纸、敷设的电缆规格和数量选定规格
2、按图纸设计或现场布局确定桥架、管线布置,原则上要避开风、水系统管道进行安装
3、桥架下料时要消除毛刺,开孔、口度要符合实际需要,各类三通、变径、偏弯、角角度要正确
4、支、托吊架和固定卡要安全牢靠,各段桥架、管的连接要具有接地保护
(三)、电缆敷设
1、水源井潜水泵或室外冷却塔埋地电缆一般采用铠缆直接开沟敷设,机房用电缆一般采用YJV通用电缆或塑铜漆包电缆
2、电缆敷设前应对电缆进行详细检查,规格、型号、截面、电压等级均要符合设计要求,外观无扭曲、损坏现象。施工前,应对电缆进行绝缘摇测或耐压试验
3、电缆沿支架、托盘、桥架敷设时应根据施工图及现场情况决定具体敷设方式电缆敷设不应交叉,应排列整齐,敷设一根应即时卡固一根。
4、敷设时将电缆放置在的转盘式放线架上,沿水平方向弯直并逐渐拉放出去。无论水平敷设还是垂直敷设时,视电缆截面大小,每3~5米一人,协助电缆敷设直到电缆敷设到位。
5、电缆敷设应及时进行标识,标志牌上应注明线路编号、电缆型号、规格、起止点,电缆始端、终端、拐弯处、交叉处应挂标志牌,直线段每20米设标志牌。电缆敷设好后,要检查回路编号是否正确,完整做好相关资料。
(四)、末端系统的电气安装
1、末端系统的电气管线安装分明敷和暗敷两种,暗敷管线的开槽要符合电管的深度和高度,安装后不能有暴露,前面应平整无开裂现象,明敷管线要避开水管路,布局应美观,转角或拐弯处要设分线盒,线缆接口要用专用绝缘胶带封裹严密
2、用穿线钢丝穿线时用力要均匀,避免损坏电线线缆
3、风机盘管控制开关安装位置要符合设计要求,安装后要垂直美观、不倾斜,位置合理
4、与风机盘管、电动二通阀、控制开关的的接线要参照设备要求进行,接线完成后要及时进行通电检查

七、中央空调系统调试
(一)电气系统调试
1、整个电气系统的调试要分阶段进行,动力系统调试须在配电房通正式电后进行。
2、动力调试
A、电机试运转:在电机试运转之前进行电机绝缘电阻检查,确定定子、转子线圈之间及其对地的绝缘电阻符合规范要求后方可进行试运转。同时要记录电机的各项技术数据,在送电试运转时,先点动试验,检查电机转向是否正确及有无异常情况。电机需进行空载运转
B、负荷运转试验,要记录启动电流、各相运转电流、运转时间、轴承温度、定子和转子温度、环境温度,并做好电动机检查试运转记录。
C、主机组的调试一般要有设备厂家技术人员在场进行协同,以确保机组运转安全
3、调试准备工作
A、联动调试时由我们通知各专业分包队,并要求他们制订详细的人员计划及配合要点,经各方协调后,在我们的统一指挥下进行联动调试。
B、进行各线路的绝缘检查及配电箱和控制柜的接线检查,确保各送电回路符合送电要求;
C、检查空调机房各设备线路的绝缘检查及配电箱和控制柜的接线检查,确保送电回路符合送电要求;
D、对其它动力线路的绝缘及配电箱和控制柜的接线进行检查,确保送电回路符合要求;
调试步骤:
A、空调机房绝缘检查后,通知低压配电房可以送电,配电房电工确认可以送电后,合闸后挂上通电标识;
B、空调主电源柜受电后,分别对各冷水机组、冷冻泵、冷却泵送电
(二)设备及水系统调试
1、空调主机机试运转
1)、主机试运转调试一般要有厂家专业技术人员在场进行
2)、各保护继电器、安全装置的额定值要符合技术文件规定,其动作要灵敏、可靠
3)、制冷机组的负荷试运转要符合下列要求
A、按要求供给冷却水,进出水温度满足设计要求
B、启动运转的程序要符合设备技术文件的规定
C、运转中要无异常声响和震动,并检查压缩机轴承处的温升应正常
D、与设备连接的管道,其进、出口方向及位置要符合工艺流程和设计的要求
2、冷却塔试运转
A、检查电机电流及绝缘、接地等情况,调试电机正反转,使之符合正确旋向。
B、检查传动皮带松紧度,减速器打黄油,风车叶片角度调整
C、检查挡水器有无异物阻塞,散热片有无损坏,顺风板固定是否良好,浮球阀开关水位调整,水盘内杂物清除,出水网清除杂物
D、多组水塔并联组合时,调节连通管,确保各水塔水位保持同水平面高度
3、泵类试运转
水泵试运转要符合下列要求:
A、各固定连接部位不能有松动
B、转子及各运动部件运转要正常,不能有异常声响和摩擦现象
C、附属系统的运转要正常,管道连接要牢固无渗漏
D、各润滑点的润滑油温度,密封液和冷却水的温度均 要符合设备技术文件的规定,润滑油不能有渗漏和雾状 喷油现象
E、泵的安全保护和电控装置及各部分仪表均要灵敏、正确、可靠
F、泵在额定工况点连续试运转时间不得小于2小时
4、组合式空调机组试运转
A、检查设备组件是否完备无缺;电气系统、控制系统是否完好;
B、用手盘动叶轮,看有无卡阻、刮擦现象;
C、对设备进行点动试转,观察电机、叶轮旋转方向是否正确,看叶轮是否有刮擦现象,是否有震动及噪声;
D、如上述程序完成,且正常,则进行设备的试运转,在额定电压、转速下运转时间不少于2小时;
5、水流量、温度和水平衡调试
水流量、温度和水平衡调试运转最低不少于48h
A、检查水流量是否满足设计要求,水源或地源侧的供水情况和流量是否满足设计要求
B、检查水泵的扬程是否满足设计要求
C、检查冷冻水和冷却水的初始温度、换热温度是否满足设计、温度负荷是否正常
D、检查管网及末端各部位水力平衡度,并进行修正调整各项调试工作完成后如实填写调试报告,并对调试中出现的各种状况进行整改
6、末端风机盘管及水系统调试
A、风机盘管的档位控制正确,显示屏清晰
B、风机盘管运行无噪音或卡涩现象,电动二通阀启动灵活
C、检查水系统管路应无渗漏现象
D、与设备连接的软管与出风口出风无漏风现象、出风风速、温度正常各项调试工作完成后如实填写调试报告,并对调试中出现的各种状况进行整改