
为了更加形象、直观地学习并运用到实际的工作生活中,国内最大的电气产品销售与服务平台——电老虎网会定期整理分享实用的电路图给大家,欢迎大家点评。
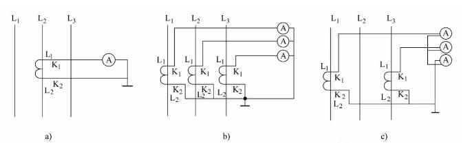
1、电流表与互感器组成的测量电路

2、电压互感器符号与接线图

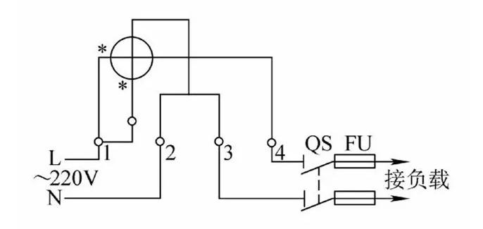
3、单相有功电能表测量电路
跳入式接线

顺入式接线

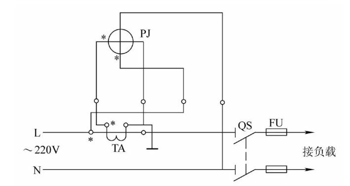
单相有功电能表带电流互感器的接线

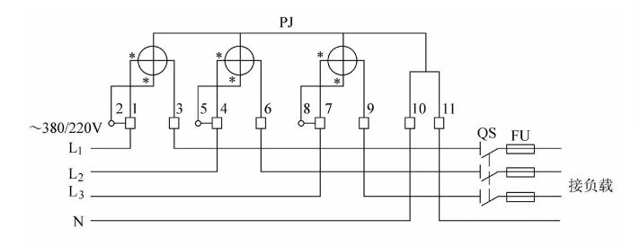
4、三相四线有功电能表直入式接线图

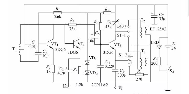
5、信号发生器电路原理图

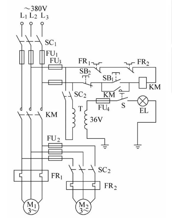
6、C620型车床电气控制电路

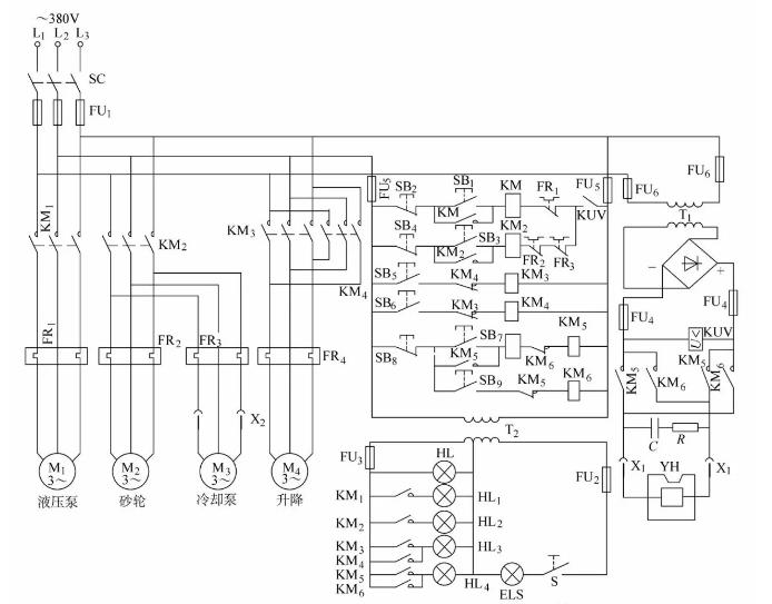
7、M7120型平面磨床控制电路

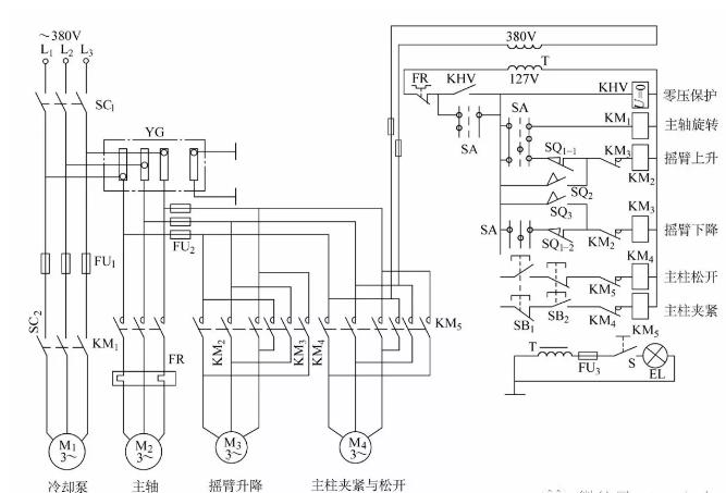
8、Z35型摇臂钻床控制电路

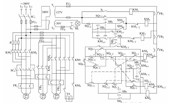
9、X62W型万能铣床控制电路

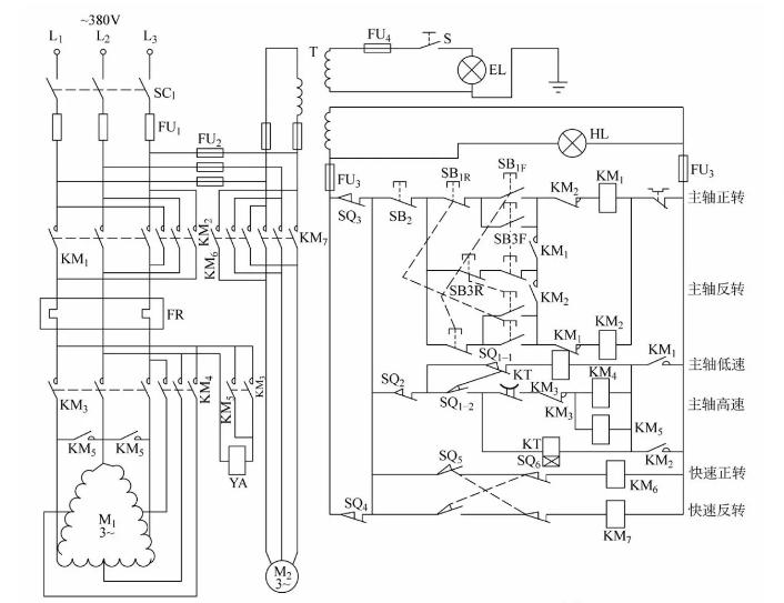
10、T68型卧式镗床控制电路

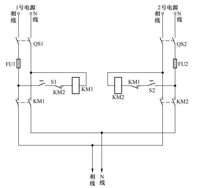
11、单相照明双路互备自投供电电路

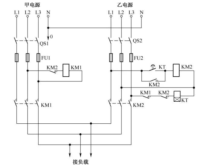
12、双路三相电源自投电路

还想继续学习,欢迎关注电老虎网头条号,查看往期分享。
