-
在前面的文章中,我介绍了一种判别振荡电路是否起振的方法(https://www.toutiao.com/i6546450841027478029/)瞬时极性法,今天再介绍一种非常有效的办法,它融合了三极管知识、电磁感应知识、振荡电路知识,仔细阅读之后你会受益匪浅的。
-
在介绍之前,有必要重新温故一下振荡电路、自感与互感电动势、同名端等有关知识,如果你对这些知识已经很熟悉了可以跳过不看。
-
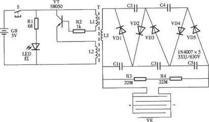
1.振荡电路:就是将直流电变成交流电的电路,它由放大电路、反馈电路、选頻电路(这个可以省略)组成;它的应用非常广泛,电蚊拍电路就是一个典型的振荡电路。左边是变压器反馈式振荡电路,右边是倍压整流电路。振荡电路属于发射极反馈电路。

电蚊拍电路
-
2自感、互感电动势:自感电动势就是通过线圈的电流发生变化时,在线圈本身产生的电动势,它总是阻碍电流的变化;互感电动势:就是两个同一磁路的线圈,当一个线圈内的电流发生变化时,在另一个线圈内产生电动势的现象,如变压器的初级L1、次级L2绕组。L1中的电流变化会产生自感电动势,与L2是互感。

自感电动势

互感电动势
-
3.同名端:同一磁路的两个绕组L1、L2的两组端头1、2,3、4,若分别在两个绕组的1、4端通入相同极性的电流,产生的磁路方向一致,或者若磁通变化时,在两组绕组的两个端头1、4产生的电动势极性相同,那么1、4这两个端头就是同名端,反之1、3或2、4就是异名端。

同名端情况之一

同名端情况之二
-
有了以上基础接着进行我们的研究
-
下图是一个非常典型的振荡电路,L1、L2是绕在同一磁环的两个绕组,两个黑点就是同名端,基极电流、集电极电流方向如图所示。当电路接通瞬间基极电流ib增加,则集电极电流Ic也是增加的(基极电流控制集电极电流),集电极电流Ic是通过初级绕组L1的电流,其变化时就会在L1中产生自感电动势,其方向上正+下负-,由于互感作用,在次级绕组L2两端产生右正+左负-的自感电动势,其方向与基极初始电流Ib方向一致,属于正反馈,电路具备起振条件。这就是电流变化分析法(直流通道也具备)。

振荡电路分析