PLC高手速成——从怎么学?到怎么用?
PLC从电机启停开始!
从怎么学×?到怎么用?√

最近一段时间,老有人私信董工(十年工控702),又让我讲一讲PLC的,有让我讲Labview的,也有问怎么做项目的。还有很多拜师的。始终是觉着很简单的问题,就觉着没必要讲,讲PLC的太多了,太简单了。
回头一想,就像楼主上初中,上高中老问别人英语怎么学一样。觉着还是有必要说一说。
先解释一下标题。
PLC高手速成?能不能速成?
当然是能了。零基础学一周时间,用个触摸屏,带个PLC, 搞定一个电机启停,总没问题吧。
你电机启停都搞定了,搞定个星三角没问题吧。
星三角都没问题了,搞定个软起没问题吧。
这些都没问题了,你搞定个4-20mA,0-10V的传感器信号采集没问题了吧。
有人说,有问题?看到4-20mA,0-10V 这种东西就晕。晕是因为只讲理论当然晕了。
就引出下面一个话题:
怎么学?到 怎么用?
当然是怎么用了,学了半天,你连个电机都起不来,你学什么学。重要的事说三遍:
怎么用?
怎么用?
怎么用?
PLC是拿来用的!
PLC是拿来用的!
PLC是拿来用的!
脱离了工况,学起来枯燥乏味,还学不会。学了就忘!
你一开始就给自己定位:PLC是做什么用的?我怎么用?我怎么用PLC做项目赚钱?
继续说0-10V的问题? 讲理论没几分钟就晕了。
给你个工控没多久你就学会了,你都不知道怎么会的。就是这样!
给你个工控:老板给你个任务:用PLC控制一个10KW电机启停,然后采集电机温度(4-20mA对应0-100度)。
老板说给你一年时间,那完了,你要受苦了。一看一年时间,先买本书?先学三个月再说!先学PLC原理,位,字节,字,浮点数,然后是命令,常开,常闭,然后是与或非,乱七八糟,你要有基础还行,没基础,完了。我突然想起来当年背单词了!还背音标。
老板说给你一周时间,出图!上程序,接线,周末下午动起来!你后天下午绝对能动起来!
怎么办?百度么。这个都用烂了。现学现卖,一周你如果搞不定,那你可能不适合做工控。
下面引用以前写过的一个例子,让电机动起来,我假如你是零基础!
直接具体化,我说一下我是怎么带一个刚毕业的本科生,半年成为一个电气高手的。秘诀就是从实践中来,向实践中去,别想那么多,先动起来。
在企业楼主负责研发部,招了一个本科生,学机械的,对电气控制很感兴趣,想做这一块。下面谈一谈怎么具体做的。以问答的形式来写会有意思一些,学生(S),我(I)
S:我从来没接触过电控,学PLC难不难?
I:知道电动机吗?电机是做什么用的?
S:知道。
I:那就好,知道电机怎么动的吗?
S:不知道。
I:那你就先用一个按钮,通过PLC控制一个电机开始学。给你画个图。

I: A开关一合,电机就转。现在很多场合还这么用,用手一合闸,电机就转。懂了吗?
S:懂了。
I:你敢去用手合闸吗?
S:不敢。
I:我也不敢。就是敢,也不方便。怎么办?给你画个图

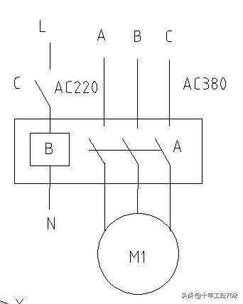
I:B是线圈,C一合,B得电(220V),A就闭合,A闭合,电机就转。用手合C就可以。
S:懂了。
I:A,B合起来叫接触器,有220V的,有36V的,就是用低压控制高压。B叫线圈,A叫B的主触点。给你看个图。


I:上面是接触器的图片(作者这有实物直接可以看到实物),下面是它的符号图。用一个小时饭一遍施耐德的接触器样本。
S:懂了。
I:老用手合C,一些工况就够用了,但220V还是不安全,怎么办,再降压。

I:再接一个24V线圈,E一合闸,C就闭合,C闭合,KM1得电,KM1得电,KM1触点就闭合,电机就转起来了。
S:懂了。
I:D和C合起来就中间继电器,D叫中间继电器线圈,C叫中间继电器触点。看一看实物。


I:扫盲完成,我自学电气的时候,就是上面这个思路,当然,比这个要快得多。下面介绍PLC。
I:为什么用PLC,用手合不就可以了吗?当然不是,一个电机可以,十个电机呢,星三角呢?你去车间接一下线感受感受,就知道为什么用PLC。用手去合E的时候也麻烦的时候,或者自动控制的时候就需要一个机器人来替你合闸,PLC就可以给你完成这个活。
I:现在很简单了,只要让PLC合闸,继电器得电就可以使电机得电。这就是PLCDO,或者有时候写做DQ。需要一个开关,或者按钮介入,这就是DI。

I:这就是PLC被发明的初衷,有100个DI,有100个DQ,就需要用到PLC。别的先不管,拿个1200PLC过来,先看懂接线图,接一个开关进去,接一个继电器进去。

。。。。。。
S:接好了。
I:检查一遍。
S:没问题了。
I:现在学习编程,打开博图界面(我们已经装了博图等200,300,1200,WInCC程序,这里不做重点),别管别的,把它当成CAD界面或者,WORD界面,其余功能和命令不用管,你只需要知道,你要写一个程序,一个开关(DI)输入,一个继电器(DQ)输出,让DI动作的时候点亮DQ即可(PLC DQ输出带LED灯,一般我们就叫点亮)。
下面我做给你看。
此处省略组态过程,很简单,看一遍就会。

I0.0闭合,Q0.0点亮,电机就转起来了。当然这个程序是有点问题的,但就像学CAD的时候,你画的第一条直线,第一个圆。
改进后的一键启停,两键启停自锁回路不做重点。
可能有较劲,这个程序有问题,初学者不敢这么写。随便一百度:电机怎么启停,回答你的一大堆!抄一个一键启停就动起来了。
S:这次看懂了,在熟悉熟悉。
I:你已经学会了用PLC了,学会用DI,DO了,就这么简单。
上面引用以前写过的一个小文! 很好的解决了电机启停的功能。
这是DI,DO,那温度怎么采集,百度,一天,照猫画虎!
早上干,下午你就能得到温度。
初中文化就够了,两线制,接线!
百度组态!不就是4-20mA吗,用三条指令,变成0-100度。搞定!
当你用WORD打出第一个字,你就基本学会WORD了,当你用CAD画出一条直线,一个圆,你就基本学会CAD了,当一用Pro/E 画出一个圆柱体的时候,你就基本学会PRO/E 了,就是这么个道理,从实践中来,向实践中去。你用一年时间学完看完一本PLC的书(毫不夸张的说,有个小孩问我用PLC把AB字符变成BA,我说你学这个你有可能一辈子都用不到),再用半年学电气,接触器,继电器,电机,到后面你基本也就告别电控了。
现在,用上述方法,我带的小孩,先接了一周的电控柜的线,认识电器件,用很短的时间学会了星三角,软起,变频器,伺服电机,我们有这个条件,有这样的项目,所以快。用PLC搞定了一个简单项目(一个月),学会了DI,DO,AI,AO,高速脉冲的采集。又用两-三个月时间参与搞定了另一个大项目,基本熟练应用PLC,并学会了西门子触摸屏,昆仑通泰触摸屏,解除了NI采集卡,PCI采集卡,用VB给石油大学写了个简单画面,上下位机OPC通讯,直接用VB控制一个1200PLC,有DI(按钮,开关,急停,滤油器温度热继电器报警,)DO(电机控制,电磁阀控制),AI(0-10V电位器给定电压),AO(比例阀,比例泵的控制),Count(流量计,转速扭矩传感器),我带着做的,现在已经可以独立做项目了,不用人带了。
就是这么简单,直接做项目,没有工况,自己假设工况,没有PLC,人软件自带模拟器,切记一上来就看书,一看一个月一年,有这个功夫就去了解一下主流PLC的样本,产品,如西门子PLC样本,随便一个就行,了解一下施耐德电气样本。
PLC从电机启停开始!!!
编写:十年工控702
LabVIEW项目篇QQ群:241388930
头条公众号:1628583166434318
*今条头日**二维码:
