0824-苹果手机拆机与原理图对比分析(系统基带篇)
承接前文,希望从系统的角度来加以说明,一方面可以迅速了解智能手机的大致结构与构成,另一方面通过框图分析能基本知道手机基带这个我们常说,但却理解并不深入的重要模块。再者,大家唱衰苹果好多年了,苹果是否真的不行了,我拿出了近些年的销量,数据说话。大神告诉我们,学习新东西,最为重要的是要避免盲人摸象,只知局部不识整体。因此,拿出手机整机系统框体,了解大致结构后,可以根据每个模块来深入研究:

在看另一半的元件分布图纸,与上文中的图纸构成整体,因本文有模块论述,因此分开了。

其次,可以看看点位图,通过对应点位图,基本大一点的模块都可以看清楚,更为重要的是通过点位图来学习其布局。PCB layout设计,布局更加需要学习。

然后,给出了苹果手机的历年销量图,截止到2016年Q2季度,没有到最新的,这份表单更为全面。基本趋势可以看出,整体速度是上升的,但是增速确实在下降,但体量依旧很大。这条曲线,让我想到了中国的GDP情况, 好像也是类似的曲线。改革开放前30年基本都是10%的增速,但现在基本6.8%左右,也有很多人唱衰,却没有考虑到中国第二大经济体的体量已经极为庞大,保持当前增速已经极为不容易了。

1 手机各个模块拆机手机各个功能模块的厂家介绍。

红色:海力士的16GB闪存芯片橙色:日本村田的339S0228 Wi-Fi芯片黄色:338S1251-AZ电源管理芯片绿色:博通的BCM5976触控芯片蓝色:M8协处理器(其实是NXP的LPC18B1UK)粉色:同样来自NXP的NFC芯片,具体型号是65V10 NSD425黑色:高通的WTR1625L射频芯片,全网通的另一大组成部分


海力士的闪存:SK Hynix H2JTDG8UD3MBR 128 Gb (16 GB) NAND flash高通的电源管理器:Qualcomm PM8018 RF power management ICTriquint TQM6M6224Apple 338S1216Broadcom BCM5976德州仪器 Texas Instruments 37C64G1Skyworks 77810

Skyworks 77355Avago A790720Avago A7900Apple 338S120L
2 射频前端模块的细节图iPhone 5S北美版射频前端模块:
· RF MicroDevices RF3763功率放大双工器(PAD) B5/8
· RF MicroDevices 1112天线调谐方案
· RF MicroDevices 1113天线调谐方案
· Skyworks SKY77572 Band 18/19/20功率放大器
· Skyworks SKY77810 2G/EDGE功率放大器
· Skyworks SKY77496 Band 13/17功率放大器
· Skyworks SKY73614 (不详)
· Avago A792503 Band 25/3功率放大器
· TriQuint TQF6414 Band 1/4双功率放大器
· 村田(Murata) 177切换/过滤模块
· 村田E50切换/过滤模块
· 村田AMG切换/过滤模块

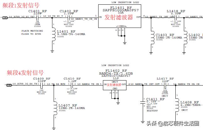
3 基带部分浅析基带部分比较难,并不太懂,因此通过以前收集整理的资料简要说明,如有错误,欢迎指正。基频是手机中最核心的部分,也是技术含量最高的部分,全球只有极少数厂家拥有此项技术,包括德州仪器、爱立信移动平台、高通、联发科、NXP、飞思卡尔、英飞凌、博通、展讯。 常见基带处理器负责数据处理与储存,主要组件为DSP、微控制器、内存(如SRAM、Flash)等单元,主要功能为基带编码/译码、声音编码及语音编码等。目前主流基带架构:DSP+ARM。目前的主流是将射频收发器(小信号部分)集成到手机基带中。随着数字射频技术的发展,射频部分被越来越多地集成到数字基带部分,电源管理则被更多地集成到模拟基带部分,而随着模拟基带和数字基带的集成越来越成为必然的趋势,射频可能最终将被完全集成到手机基带芯片中。德州仪器、英飞凌等厂商将基带和射频部分集成在一起,对于中高端应用则加上应用处理器。 基带芯片是用来合成即将的发射的基带信号,或对接收到的基带信号进行解码。具体地说,就是:发射时,把音频信号编译成用来发射的基带码;接收时,把收到的基带码解译为音频信号。 基带部分如下图所示,通过这张原理流程框图可以返回对照原理图部分,因此基带部分大致关系可以看出来。

对照上图的滤波器电路如下

天线开关模块电路

功率放大器

射频收发器模块电路

基带处理器模块电路

对照下图GSM手机发送信号流程图

这样对比看下来,是否会容易理解一些?