接近开关继电器控制电机启停 (用继电器控制软启动的电路图)

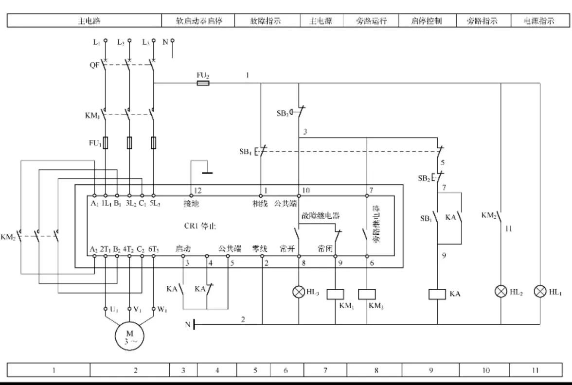
一、继电器控制启停的软启动器带进线和旁路接触器的控制电路

控制电路如图3-3所示

1、启动过程

软启动器外控继电器怎么接线,接近开关继电器控制电机启停

软启动器外控继电器怎么接线,接近开关继电器控制电机启停

2、停止过程

软启动器外控继电器怎么接线,接近开关继电器控制电机启停

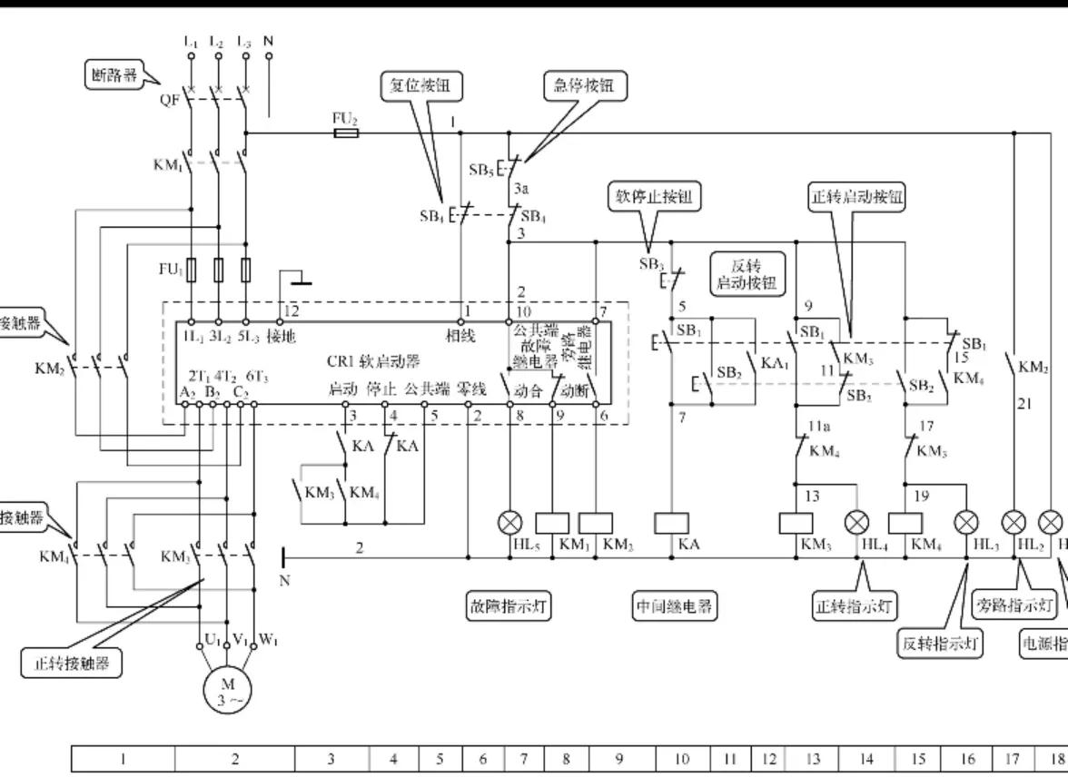
二、继电器接触器控制启停的软启动器带进线和旁路接触器的正、反转控制电路

控制电路如图3-4所示。合上断路器QF[2],电源指示灯HL1[18]亮,表示电源已接通;同时通过软启动器内故障继电器的动断触点⑩-⑨,使进线接触器KM1[8]得电→主触点[2]闭合,接通软启动器电源。

1、 正转启动

软启动器外控继电器怎么接线,接近开关继电器控制电机启停

软启动器外控继电器怎么接线,接近开关继电器控制电机启停

2、反转启动

软启动器外控继电器怎么接线,接近开关继电器控制电机启停

值得注意的是,由正转进入反转操作时,必须在电动机正转完全停止后才能进行反方向的启动。为了使KM3、KM4不能同时得电,在电路中对按钮SB1、SB2的触点及接触器KM3、KM4的触点进行互锁。

(3)停止过程

按下急停按钮SB3[9],中间接触器KA[10]失电释放,◎KA[3]断开、#KA[3]闭合。#KA[3]闭合,软启动器进入软停车工作,电动机M按设定参数(如斜坡时间、关断电压)开始软停止,电动机转速由快到慢逐渐降低,直至停机。软启动器内部的旁路继电器的◎(⑥-⑦)[9]断开,旁路接触器KM2[9]失电释放,主触点[1]断开。 当遇紧急情况需要紧急停车时,按下急停按钮SB5[7],KM2[9]、KA[10]、KM3[13](或KM4[15])失电释放,主触点[1、2]断开,电动机急停。当软启动器内部发生故障时,故障继电器的#(⑩-⑨)[7]断开,KM1 [7]失电释放,主触点断开,切断软启动器电源;同时故障继电器的◎(⑩-⑧)[7]闭合,故障指示灯HL5[7]亮。在故障排除后,按一下电源复位按钮SB4[6、7],即可正常操作。