煤炭矿井主要矿图绘制基本要求
目 次
前 言 III
1 范围 1
2 规范性引用文件 1
3 要求 2
3.1 基本要求 2
3.2 井上下对照图绘制基本要求 2
3.3 矿井水文地质图绘制基本要求 3
3.4 采掘工程平面图绘制基本要求 3
3.5 矿井通风系统图绘制基本要求 4
3.6 井下避灾路线图绘制基本要求 4
3.7 抽放瓦斯管路系统图绘制基本要求 4
3.8 井下传感器布置及安全监测系统图绘制基本要求 4
3.9 矿井通信联络系统图绘制基本要求 5
3.10 矿井人员定位系统图绘制基本要求 5
3.11 矿井安全监控系统断电控制图制基本要求 5
3.12 矿井供配电系统图绘制基本要求 5
3.13 井下电气设备布置图绘制基本要求 6
3.14 井下运输系统图绘制基本要求 6
3.15 压风自救系统图绘制基本要求 6
3.16 矿井排水系统示意图绘制基本要求 7
3.17 井下消防洒水及供水施救系统图绘制基本要求 7
4 主要图例及表格 8
4.1 井上井下对照图及水文地质图主要图例 8
4.2 采掘工程平面图主要图例 11
4.3 矿井通风系统图主要图例 11
4.4 井下避灾路线图主要图例 12
4.5 抽放瓦斯管路系统图主要图例 13
4.6 矿井安全监测监控装备图主要图例 13
4.7 矿井通信联络系统图主要图例 15
4.8 矿井人员定位系统图主要图例 15
4.9 井下运输系统图主要图例 15
4.10 压风自救系统图主要图例 17
4.11 矿井排水系统图主要图例 17
4.12 井下消防洒水及供水施救系统图主要图例 18
4.13 矿井井下供配电系统图主要图例 19
4.14 矿井地面供配电系统图主要图例 21
4.15 图例表格、图签、图框 22
4.16 图幅、矿区范围拐点坐标表 23
4.17 密闭、风门汇总表 24
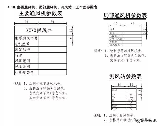
4.18 主要通风机、局部通风机、测风站、工作面参数表 25
4.19 井下电气设备布置图参数表 26
4.20 井下运输系统图参数表 27
前 言
根据安监总煤调《国家安全监管总局国家煤矿安监局关于进一步加强和规范煤矿图纸管理和监管监察工作的通知》(〔2014〕80号)要求,为了进一步规范我省煤炭矿井图纸管理,达到矿井图纸测绘及时、填绘准确、标注完善、管理规范的要求,为日常监管及抢险救灾工作提供规范、可靠的图纸资料,特编制《煤炭矿井主要矿图绘制基本要求》。
本要求在编制过程中,编制组进行了广泛的调研工作,认真总结了我省煤炭矿井主要矿图绘制过程中的经验,并借鉴了相关规范、标准,广泛征求了监管、设计、科研、高等院校、生产单位等多方面意见,经多次讨论、反复修改,最后经审查定稿。在此对相关领导、专家及技术人员一并感谢。
本要求未涉及的内容,国家法律、法规和标准有规定的,执行国家法律、法规和标准。
编制单位:国家安全生产监督管理总局
国家煤矿安全监察局
承办单位:XXX煤炭设计研究院
煤炭矿井主要矿图绘制基本要求
1 范围
本要求规定了煤炭矿井主要矿图绘制的基本要求。
本要求适用于井工开采煤矿主要矿图的绘制,井工开采的非煤矿山可参照执行。
2 规范性引用文件
下列文件对于本要求的应用是必不可少的。凡是注日期的引用文件,仅注日期的版本适用于本文件。凡是不注日期的引用文件,其最新版本(包括所有的修改单)适用于本文件。
GB/T 50593-2010 《煤炭矿井制图标准》
GB/T 18135-2008 《电气工程CAD制图规则》
GB 6988-2008 《电气制图标准》
GB 4728-2005 《电气图形符号国家标准》;
GB/T 50518-2010 《矿井通风安全装备标准》;
GB/T 50581-2010 《煤炭工业矿井监测监控系统装备配置标准》;
GB 50471-2008 《煤矿瓦斯抽采工程设计规范》;
GB/T 14479-1993 《传感器图用图形符号》
GB 50451-2008 《煤矿井下排水站及排水管路设计规范》
GB/T 50106-2010 《煤矿机械技术文件图形符号》
GB 50029-2014 《空气压缩机站设计规范》
GB/T 50106-2010 《给排水制图标准》
AQ 6201-2006 《煤矿安全监控系统通用技术要求》
AQ 1048-2007 《煤矿井下作业人员管理系统使用与管理规范》
AQ 6210-2007 《煤矿井下作业人员管理系统通用技术条件》
DB 51/T1412-2011 《煤矿井下人员定位系统安全技术规范》
MT/T 570-1996 《煤矿电气图专用图形符号》
《煤矿地质测量图例》煤炭工业出版社
《采矿工程设计手册》煤炭工业出版社
《煤矿安全规程》2011版(国家安全生产监督管理总局第37号令)
3 要求
3.1 基本要求
3.1.1 矿图必须做到准确、齐全、及时,符号运用正确、统一,图纸内容布置适当,根据实际变化及时填绘和标注。
3.1.2 图纸中必须有图框线、图签、图例等主要要素;图签栏内容须齐全,必须有业主或矿长及主要技术负责人的亲笔签字,并加盖本单位公章。
3.1.3矿图按准确、及时、完整、美观的原则进行绘制。达到线条均匀、圆滑,接头间无疙瘩,点线、虚线间隔大小一致,平行线间距相等,各种文字、数字注记规范,字隔、字向符合要求,内容齐全、完整、几何关系正确。计算机制图过程中图中不同要素应采用不同色彩进行区分。
3.1.4 井上下对照图及水文地质图比例要求原则为1:2000或1:5000,采掘工程平面图比例要求原则为1:2000。图纸资料至少能反映矿井及周边100m范围内的真实情况,首、计曲线及高程等注记必须与图纸比例相适应。井上下对照图及采掘工程平面图图中标示的采、掘工程必须能反映矿井正常生产期间至少3个月内的工程进展真实情况,如实填绘井巷位置及采掘进度。图纸中必须标注指北针。
3.1.5 高程精度要求:巷道底板高程和地面控制点高程精度取0.001m;井口、井底、钻孔孔口、采高、见煤高程及煤厚精度取0.01m,断层落差、煤仓高程精度取0.1m。
3.1.6 名称标注线:引线倾角45°,引线线宽0.1mm,标注线线宽0.3mm。
3.1.7 字体要求:除工作面编号及剖面线编号应采用黑体外,所有汉字、字母、数字均应采用仿宋体。
3.1.8 字体大小要求:
原则上井筒名称字高3.5mm;巷道名称、工作面编号、边界、露头、断层等字高3mm;工作面回采日期、钻孔编号注记字高2.5mm;煤厚、断层产状要素等字高为2mm;测点高程字高1.5mm;剖面线(勘探线)字高为6mm。实际制图中字高亦可根据图纸美观、协调程度进行相应调整。
3.1.9 图例及说明文字字高一般为3.0mm,图例应反映全图中所有元素,图例比例与图纸内各要素比例应一致,图例及说明文字具体字号及位置应根据图纸美观、协调程度进行调整。图中说明文字主要补充图纸难以表述清楚的内容及图中需强调的重要要素。
3.2 井上下对照图绘制基本要求
3.2.1 图纸必须严格按批准的矿权标注矿区范围(含拐点坐标、开采煤层、开采标高、有效期等信息),矿区范围需列表反映,坐标系为1980西安坐标系。
3.2.2 井上下对照图必须有准确的煤层露头线、地层界线、地层代号、地层产状、构造轴线、断层线、滑坡、溶洞、高程点、巷探工程点、钻探孔号、剖面线、井田边界、相邻矿井名称、河流、水库、泉、井;公路、输电(水、气)管线、城、镇及厂矿(村庄)名称、国家明令保护的文化古迹、公益和重要工业设施位置等注记,重要保护对象须用粗线条突出显示,并准确标注出采空区、主要积水区和采煤塌陷区范围。坐标网格、坐标值及首、计曲线等注记必须与图纸比例相适应。
3.3 矿井水文地质图绘制基本要求
图中要素除应包含井上下对照图中相关地质及地面要素外,还需重点突出以下水文地质要素:池塘、水库位置、名称及容量,河流、 溪(冲)沟观测点位置及流量,泉、井位置及观测涌水量,陷落柱、溶洞、暗河、落水洞分布位置及观测流量,废弃矿井及老窑井口位置及观测流量,矿井外排水井口的观测流量,井巷中主要涌水点编号及观测涌水量,已知或推测的老空积水区及容量。
3.4 采掘工程平面图绘制基本要求
3.4.1 采掘工程平面图比例尺应为1:2000;开采急倾斜煤层时,如果采掘工程平面图难以反映井下巷道实际情况时(一般煤层倾角大于60°时),需在采掘工程平面图对应方位同时绘制采掘工程立面图。
3.4.2 井田边界、保安煤柱及其它主要边界线应注明名称及批准文号;主要巷道应注明名称和月末工作面位置;斜巷应注明倾角、变坡点、长度等主要要素;巷道每隔50~l00mm注记底板高程。
3.4.3 回采工作面及采空区应注明工作面月末位置、平均采厚、煤层倾角、开采年度和煤层小柱状,丢煤区应注明丢煤区原因和煤量。
3.4.4 在采掘工程平面图中应明确注明发火区、积水区、煤与瓦斯突出区、瓦斯涌出异常点、突水点等重点危险区域或点的发生时间及处理情况等相关参数。
3.4.5 应如实标注清楚井田边界外至少l00m范围内邻近矿井的采掘工程、及井田范围内的老窑及其开采情况。
3.4.6 采掘工程平面图中应标注各主要钻孔、勘探线、煤层露头线、风氧化带、煤层薄化带、陷落柱和火成岩侵入区、煤厚点以及实测的主要地质构造及产状。
3.4.7 根据实际情况,加绘地面重要保护对象。
3.4.8 注明防水闸门、风门、密闭、防火门等主要设施,标注所有采掘巷道、硐室、老窑积水区、探水线、警戒线、禁采线,采空区范围以及火区范围等;煤与瓦斯突出矿井应补充标注突出区域与非突出区域。
3.4.9 井巷用双线条表示,两条线之间的宽度一般取2.0mm或1.5mm。两巷道上下重叠时,如上下一样宽或下巷道宽时,下面巷道宽于上面巷道,巷道帮与帮的间距0.3mm;如下面巷道窄于上面巷道,则下面巷道绘制成虚线,巷道帮与帮的间距0.3mm。
3.4.10 图中须有开采煤层底板等高线,煤层底板等高线原则上应按高程由上至下绘制,生产过程中矿山应根据采掘活动实际揭露煤层情况及时对煤层底板等高线进行修正。
3.4.11 多煤层联合开采的矿井除应分煤层绘制采掘工程平面图外,还须绘制综合采掘工程平面图。
3.5 矿井通风系统图绘制基本要求
3.5.1 根据采掘工程平(立)面图绘制。
3.5.2 示意图图幅宜采用A1或A2标准图纸绘制,图中除测风站需标注完整通风参数外,其余用风地点需在巷道上方标注风量 Q= m3/min,风速V= m/s。风量、风速单位在说明文字中进行描述,标注时可省略。
3.5.3 示意图所有井巷用双线(或一粗一细)绘制,巷道两线条之间宽度3.0mm,粗线线宽0.6mm,细线线宽0.15mm。
3.5.4 通风网路图一般绘制于通风系统图上,根据简易程度,可按A4或A3图幅绘制,但不绘制图框。节点编号与通风系统图一致,根据实际情况应尽量合理简化节点,减少绕线线路;网络图中不交汇的巷道交叉时用直径3mm的半圆形绕线绘制,网络图整体形状应为椭圆形。
3.5.5 图中应标注风流方向及各类通风设施(含密闭、风门、风桥等)、局部通风机、风筒、避难硐室/避难所的具体位置。
3.5.6 主要通风机型号及功能参数标注应以表格形式反映于风井附近,局部通风机型号及功能参数标注应以表格形式反映于局部通风机附近。
3.6 井下避灾路线图绘制基本要求
3.6.1 井下避灾路线图可采用采掘工程平面图或通风系统图绘制。
3.6.2 图中使用不同符号标示采掘工作面发生火灾、瓦斯/煤尘爆炸、水灾事故后的避灾路线。
3.6.3 图上应标注的主要内容有:各类通风设施(含密闭、风门、风桥、防爆门等)、风流方向、局部通风机、风筒、避难硐室/避难所、通讯电话等。
3.6.4 图中应说明避难硐室设计额定人数,未设置避难硐室的需说明不设置的批准文件及文号;需说明各类灾害避险原则。
3.7 抽放瓦斯管路系统图绘制基本要求
3.7.1 抽放瓦斯管路系统图可采用采掘工程平面图或通风系统图绘制。
3.7.2 主管、支管、干管等画在巷道中间,在巷道上方标志管道长度L= m。
3.7.3 图上应标注的主要内容有:各类通风设施(含密闭、风门、风桥等)、孔板流量计、闸阀、放水器、局部通风机、避难硐室/避难所、防爆门等。
3.7.4 图中应说明各主要抽放管路管径、流量及浓度。
3.8 井下传感器布置及安全监测监控系统图绘制基本要求
3.8.1 图中标明监测监控系统的型号、中心站安装位置、中心站设备配置、分站安装位置、分站编号、分站型号、传感器安装位置、声光报警器安装位置、断电器安装位置。
3.8.2 图中标明避难硐室的分站安装位置、分站编号、分站型号、传感器安装位置、传感器类型及传感器数量。
3.8.3 图中说明矿井瓦斯等级、煤层自然发火等级、煤尘爆炸危险倾向性,各地点甲烷传感器报警、断电、复电浓度值。
3.9 矿井通信联络系统图绘制基本要求
3.9.1 采用采掘工程平面图或通风系统图绘制,通信电缆线宽0.6mm,其它装置及设施线宽0.2mm。
3.9.2 图中标明通信联络系统交换机型号、分线盒型号、通信电缆的型号、电话机型号及安装位置。
3.9.3 图中标明避难硐室的电话机型号、数量及安装位置。
3.10 矿井人员定位系统图绘制基本要求
3.10.1 采用采掘工程平面图或通风系统图绘制,通信电缆线宽0.6mm,其它装置及设施线宽0.2mm。
3.10.2 图中标明人员定位系统的型号、分站型号、读卡器型号及安装位置。
3.10.3 图中标明避难硐室的人员定位系统分站型号、读卡器型号及安装位置。
3.11 矿井安全监控系统断电控制图制基本要求
3.11.1 图中标明安全监测监控系统的型号、甲烷传感器安装位置、传输电缆型号、馈电传感器的安装位置及型号。3.11.2 图中标明断电器的分站编号、型号、安装位置。
3.11.3 图中说明甲烷传感器的报警、断电、复电浓度值。
3.12 矿井供配电系统图绘制基本要求
3.12.1地面供配电系统图绘制基本要求
a)标明变电所(配电点)供电电源名称、线路型号及规格、线路敷设长度等。
b)标明高、低压配电装置内主要电气元件的主要技术参数。
c)标明变压器的型号、电压变比、容量、连接组别等主要技术参数。
d)标明户外型(户外断路器、户外隔离开关等)电气设备的主要技术参数。
e)标明高、低压回路用途及负荷容量等。
3.12.2 井下供配电系统图绘制基本要求
a)标明变电所(移动变电站)供电电源名称、线路型号及规格、线路敷设长度等。
b)标明高压配电装置设备型号、额定电流、过负荷保护整定值等技术参数。
c)标明低压配电控制装置设备型号、额定电流、过负荷保护整定值等技术参数。
d)标明终端用电设备所供设备名称及设备容量等。
e)图中示意表示“风电闭锁、瓦斯电闭锁”等闭锁关系。
f)图例符号线宽为0.25mm,电力线路线宽为0.5mm。
3.12.3 图中应重点说明变电所负荷情况,设备总安装容量,设备工作容量,设备总有功功率,设备总无功功率,设备总视在功率;供配电系统运行方式;井下供配电系统图还需说明井下局部通风机供电方式等内容。
3.13 井下电气设备布置图绘制基本要求
3.13.1 采用采掘工程平面图或通风系统图绘制。
3.13.2 以示意图方式画出井下电气设备的具体安装位置。
3.13.3 井下供配电系统较简单的矿井,用直径为2mm的黑点表示出电气设备安装的位置,用细实线引至图中空白处画个小方框,在小方框内标注出电气设备所在的机电硐室(配电点)名称,电气设备名称、型号规格及数量。
3.13.4 井下供配电系统较复杂的矿井,用直径为2mm的黑点表示出电气设备安装的位置,用细实线引至图中空白处画个小方框,在小方框内标注出电气设备所在的机电硐室(配电点)名称并编出序号,在图中空白处以明细表方式按序号和机电硐室(配电点)名称标注出电气设备名称、型号规格及数量。
3.13.5 保护接地装置的安装,用直径为2mm的黑点表示出接地装置的位置,用细实线引至图中空白处画个小方框,在小方框内标注出接地装置的名称,材料种类及规格。
3.13.6 图中应说明各保护接地装置接地电阻值。
3.14 井下运输系统图绘制基本要求
3.14.1 运输系统图在采掘工程平面布置图的基础上进行绘制。
3.14.2 该图面上绘制井下有轨道提升、车辆运输、带式输送机、刮板运输机、架空乘人器等运输设备及线路外,其它无关的设备、设施、巷道及地质要素等可以不画出。
3.14.3轨道用粗线绘制,单轨用单粗线绘制,*轨双**用双粗线绘制,不同轨型用线型、线宽区分。同类轨型的道岔和道轨用同样线型、线宽绘制。道岔用数字序号进行编号。道岔型号、分岔方式、转辙方式、数量在图中列表说明。
3.14.4 主要斜巷需单独绘制提升系统示意图,并注明巷道长度、设备型号、一次提升串车(罐笼、箕斗)数量、防跑车装置和跑车防护装置的型号、数量及位置,并说明是否与绞车联动、巷道斜长、倾角等参数。在主要斜坡道的重要岔口、重要设备位置、车场、变坡点等处标注巷道底板高程。
3.14.5各种运输设备、道岔的应列表表示。
3.15 压风自救系统图绘制基本要求
3.15.1 采用采掘工程平面图或通风系统图绘制,图中除供气管道外的其它装置及设施采用0.20mm的细线绘制,主管线宽0.7mm、支管线宽0.4mm。
3.15.2 图中标明空气压缩机型号、额定排气量及额定排气压力、配置电动机型号、功率及工作电压。
3.15.3 图中标明储气罐的型号、储气量及工作压力。
3.15.4 图中标明各种阀门的型号、公称直径和工作压力。
3.15.5 图中标明压风自救装置的位置、型号和数量。
3.15.6 图中标明每组自救装置或急救袋数量。
3.15.7 图中标明压风自救系统管路的管材、规格和长度。
3.15.8 图中标明避难硐室内自救系统装置的数量或每组的急救袋数量。
3.15.9 图中应说明空气压缩站设置地点、标高;储气罐出口管路上设置释压阀,释压阀的口径和释放压力等主要要素。
3.16 矿井排水系统示意图绘制基本要求
3.16.1 图中标明水泵型号、额定流量、额定扬程、台数,标明配置电动机的型号、功率、工作电压。
3.16.2 若采用喷射引流启动,图中应标明射流泵的型号及技术参数;若采用潜水泵灌水启动,应标明潜水泵的相关技术参数。
3.16.3 图中标明阀门的型号、公称直径、工作压力。
3.16.4 图中标明工作和备用排水管路的管材及规格。
3.16.5 图中标明闸阀在排水管路的设置位置。
3.16.6 图中标明敷设有排水管路的巷道名称。
3.16.7 图中标明排水管路出水口标高。
3.16.8 图中标明水仓与泵房间,配水巷间的控制闸门。
3.16.9 图中应重点说明矿井水文地质类型,最大涌水量、正常涌水量,单位m3/h,主副水仓的有效容量,泵房内设置的工作水泵、备用水泵、检修水泵,如有预留水泵则说明水泵的预留情况。
3.17 井下消防洒水及供水施救系统图绘制基本要求
3.17.1 采用采掘工程平面图或通风系统图绘制。
3.17.2 图中除供水管路外的其它装置及设施采用0.2mm的细线绘制。
3.17.3 井下供水施救系统管道与井下消防洒水系统管道采用不同管道分别供水时,应分系统绘制。
3.17.4 图中标明井下消防洒水及供水施救系统的三通与阀门、消火栓的设置位置和间隔距离。
3.17.5 图中标明井下消防洒水及供水施救系统的空气净化水幕和隔爆装置的设置位置。
3.17.6 图中标明管道型号和长度。
3.17.7 在绘制井下消防洒水及供水施救系统图时应在图中的适当位置(一般在主要进水井口附近)绘制出高位贮水池以及水池主要配管及阀门示意图,并在示意图附近注明采用水池的个数、有效容积及设置标高(池底标高)等参数。
3.17.8 如井下消防洒水及供水施救系统采用动压供水装置,则应在图中相应位置标注出动压供水装置的示意图(如加压水泵、水箱或水仓的示意图),以及动压供水装置之间的接管和安装阀门示意图,并在示意图旁标注相应的技术参数(设备型号、流量和动压供水压力等)。
4 主要图例及表格



































