今天给大家分享的这份 工程技术管理策划书 ,2022年最新版,共34页21章内容;包含了 工程概述、项目管理目标、技术管理体系、施工总平面布置图、临时工程计划、主要技术措施、施组方案编制、双优化创效计划、技术交底 等等;图文结合,通俗易懂,每一项工程计算管理计划内容展示都非常详细,非常值得工程人参考借鉴!
完整版在文末

目录:


工程概述


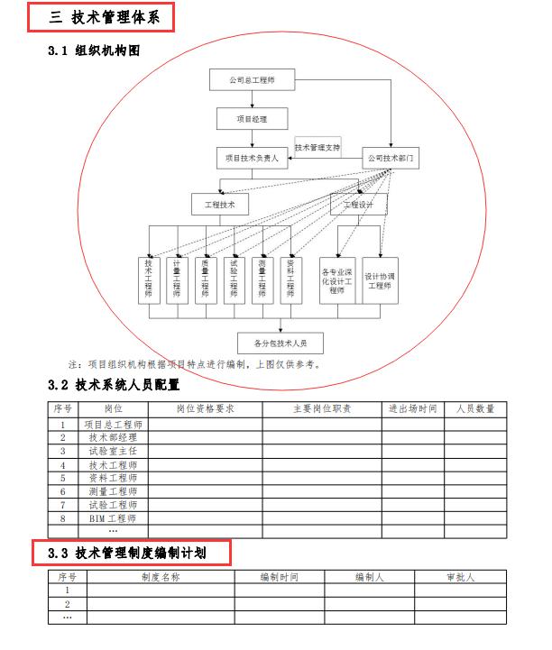
技术管理体系

施工总平面布置图

临时工程计划


主要技术措施计划

主要技术措施计划

中建八局十项新技术


工作分工表

完整版

今天给大家分享的这份 工程技术管理策划书 ,2022年最新版,共34页21章内容;包含了 工程概述、项目管理目标、技术管理体系、施工总平面布置图、临时工程计划、主要技术措施、施组方案编制、双优化创效计划、技术交底 等等;图文结合,通俗易懂,每一项工程计算管理计划内容展示都非常详细,非常值得工程人参考借鉴!
完整版在文末














