日常最离不开的恐怕就是这电池这玩意了,电子表、遥控器,电动车,手机………………
什么干电池、镍铬镍氢、铅酸电池…… 不是咱今儿的重点。
---------------今日的猪脚--锂电池-------------------
一次性锂电池咱们用得不多,也就不再讨论范围了。
可反复充电的,常见的有 :(** 循环寿命与放电倍率、充电电压、放电浓度密切相关)
磷酸铁锂 典型工作电压范围:2.5-3.6V ,标称值3.3V 能量密度90-120W/Kg ,循环寿命:1000-2000次
锰酸锂 典型工作电压范围:3-4.2V ,标称值3.7/3.8V 能量密度100-150W/Kg ,循环寿命:300-700次
钴酸锂 典型工作电压范围:3-4.2V ,标称值3.6V 能量密度100-240W/Kg ,循环寿命:500-1000次
镍钴锰酸锂 典型工作电压范围:3-4.2V ,标称值3.7V 能量密度100-220W/Kg ,循环寿命:1000-2000次
镍钴铝酸锂 典型工作电压范围:3-4.2V ,标称值3.6V 能量密度200-260W/Kg ,循环寿命:500次
钛酸锂 典型工作电压范围:1.8-2.85V ,标称值2.4V 能量密度50-80W/Kg ,循环寿命:3000-7000次
陌生吧。。。 看不明白吧。。别管它,这不是重点, 咱知道常见的有这么几种就好。
我们听到最多的还是18650、21700,聚合物、三元、磷酸铁锂 这样的词。目前使用上较多的是镍钴锰酸锂,也就是我们常听到三元锂电池。而所谓的18650或是21700只是描述的它的封装形式。而磷酸铁锂这货由于安全性较其它几种较强,曾经或是以后仍有较大的可能成为电动车电池的主力。
相比于前面提到的铅酸电池,锂电池能量密度要高很多,意味着更轻的重量的得小的体积。体积下,锂电池通常只用铅酸电池1/5-1/6的重量,正常充放电下,寿命比铅酸电池长,相比于镍铬电池,它没有记忆效应;自放电极低,温度适用范围大,通常可以-20--60度环境下使用,甚至有特殊的-40度使用的电池。
满满的优点…… 想多了。这货缺点也不少。
1,通常安全性较铅酸差太多,有发生爆炸或燃烧的可能。
2,过充或是过放都会严重损坏电池的性能,甚至让电池直接报废。
3,多串多并使用时,不仅需要分容配组,还需要有电压的均衡控制。
4,贵, 当然这个是相对的。随着工艺的成熟、产量的提升,价格也是越来越容易为人所接受,所以,咱们现在看到的电动车,基本上都使用锂电池了。
-----------------今天的重点来了--锂电池组为什么需要均衡--------------------------------
我们来看个示意图先。(为了更容易理解,夸大了这个电压差,)

6串一组电池
接下来看看常规的保护板是如何工作的。

常见的保护板工作原理示意
上图是两种保护板示意图,不要在意MOS管是P给还是N, 这个不重要。。
我们只要知道 , 充电时,整组电池中,只要有一只电压达到上限值(不同的电池值不同,这里我们以4.2来例)4.2V,保护板将驱动MOS管关闭整组电池的充电,它并不会管其它几节现在是不是充满了。
而在放电时,只要有一只电压达到下限(同样的,举个例子2.9V),保护板也会在这个时间关闭整组的输出,
以我们上面的6串一组的图为例来说,充电时,第4节充到4.2V了, 保护板关闭充电通路,整组电池不再充电,而这时,可能第一节电池只充到了3.5V。
再来看放电时的情况,由于第一节初始的电压较低,这样在放电时,它的电压也是第一个下降到下限值,从而触发保护板关闭整组的输出。
这时实际放出的电量仅是第一节的从3.5V,放到2.9V的电容量。
这*体下**会到电池容量下降了吧,这还没完,在你接下来的多次充电循环中,这个过程将周而复始,第一节电池将长期处在饿着的状态,它的寿命将更快速下降。于是,你的电池组挂蛋了。。。 这样你明白了为什么标称最少1000次循环的电池几百次后就废了吧。。。
为了解决这个问题, 均衡板出来了。它有这样的(用431或是DW01这类芯片做)

放电式均衡板
也就这样的(用BM3451芯片来做的)

BM3451均衡板
有标称50mA的, 100mA的, 更有标称1.5A的。。。反正脸皮有多厚这个值可以随便多大。
它有用吗? 必须有。 但有一个前提条件,你的电池本身的一致性要足够好。
同样以上面的6连板示意图为例来说明,(BM3451数据表如下)

以这个用于4.2V电池的为例
看到什么了? 平衡启动电压开启点4.19V。 这意味着,如果是6串板示意图中的电池状况来看,当第4节电池充到4.19V的时候,BM3451才打开旁路电阻, 让部分电流绕过第4节(这部分电池不给第4节充电)给其它电池充电,这个电流的值就看你配置的电阻的大小了。常见的是50mA(为啥不会更大? 你想,你想,你再想想, 电流经过电阻会发热不? 电流越大,电阻的发热也越严重,比如有这种电流宣称1.5A的,你计算下它的发热功率会吓一跳,4.19*1.5A = 6.285W ,如果6串中有3串开启了这种均衡,发热功率近20W, 你的电池包。。。 它可能得着火了。),也就是在给整组电池充电时第4节相比其它电流少充入50mA的电流,然而,对于第1节电池来讲,如果容量是2200mAH电池,在充到3.5V时,大约充入40%电量,还需要持续充入 1320mAH才能充满。但这个时候,这种均衡板可并不是只对第1节在充电,只是第1节的充电电流比第4节多50mA .所以, 第4节会很快充到4.2V。在保护板会触发保护,关闭整组电池的充电。你的第一节电池。它的充电也就停止在了3.5V。
看……。 它并没有用! 错啦。。。得看用在哪,如果电池的一致性较好,只差一点点,这玩意还是有点点用的。不过,我相信,大多数人买来的电池都不会是松下呀这样的原装且同批次还配组过的。这种情况下,上面的这种均衡板,基本无用。
-------绝症?当然不是------------------
后来,出来一种带主控的均衡板,价格不便宜, 它可以控制均衡电路部分,从你开始充电伊始就开始均衡,这样带来了实际的那条改变,基本上,只要是同批次的电池,在这种电池的保护下,可以得到较好的均衡。

带主控的均衡板
你要说它有啥缺点, 不多,就两个,一是贵,二是电池差别大的话,这货也没用。当然, 这两毛病对有钱的你来讲也不是啥问题, 买好一点的电池呗。
接下来要讲的,是给随手收电池的普通人的哈, 土豪们手头要有这种看不上的电池,多多赞助我些, 我来测试新的双层式电池管理板。
上面的例子, 我们看到的是放电式的均衡电路,它一般只能用于小电流,且只工作在充电状态下。
与这相对应的,还有主动均衡电路(也叫能量转移式),这类电路通常可以工作在充电和放电中,与放电式不同的是,这类电路是把电量多的电池上的电量转移到电压低的电池上。

第一种,飞渡电容式能量转移,使用开关通过电容转移能量

第二种,DCDC式,相当于在整组充电的同时给单节补充

第三种,多绕组变压器法,相当于给每个电流单独一个充电电路

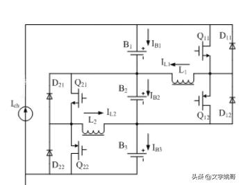
第四种,相邻电池能量转移法,使用电感储能把两个相邻电池电压均衡到一致
咱们来看看以上几种的特性:
第一种,电路结构简单,效率高,不过,均衡电流不好控制,还是以我们上图的6串板为例,当电容并在第4节,再经过开关转换到第一节时,由于压差大,电流会较大,可能超过电池许可的充电电流值,而当电压差较小时,它的均衡特性又会变得较差。其二,这种也是基于不同电池之间的充电来的完成均衡,这外充放电过程实际上还是在消耗电池的充放电循环寿命(当然,实际上比不均衡仍然要好太多)
第二种,在充电的过程中, 主充电电流由主充电部分提供,电压偏低的部分由并在电池上的DC部分补充,这个电路除不能在放电时均衡外,效果极好,无损电池循环寿命。
第三种,这个电路有没有眼熟的感觉? 玩过航模的, A9充电器就是这个主电路结构形式,除了成本高,不能在放电过程中均衡外,跟第二种一样,它的均衡无损电池循环寿命。
第四种,这个电路相比第一种,实现了均衡电流的简单可控,特别是压差较大时,对电池进行均衡不会因电流过大损伤电池,但它跟第一种毛病一样,均衡的过程实际上也是在消耗电池的循环寿命。(当然,一样比不均衡的要好太多),与第一种相比, 这个还有个优势,便宜(应该算是优势吧)。
各们看官,有没有发现少了点什么 ?
对, 少了一个无损均衡且还可以在放电过程中均衡的电路。
这也是咱们目前正在开发测试的电路。请留意后续文章。今日儿,咱先讲讲这些基本结构。
-------插个广告:-----
既然有又便宜又好用的,那这货有成品不?必须有呀。看这里。

淘宝上的8S 1.5A的主动均衡板
啥。。。。 太贵了。。。。。。
来来来, 去淘宝搜 : 文宇 双向 均衡板。找着这个图片,点进去,旺我,告诉我从头条/公众号看到我,或是帮我转发了我的文章,截图给我,优惠到6S均衡板25元/片。

文宇创新6S 1.5A双向锂电池主动均衡板 可任意级联 BMS
相比常规的类似电路,老姚给这货加上了电池中线断线保护,增加了涓流/正常均衡指示。
文宇6S双向主动均衡板,适合于2S-6S应用 ,对于非严格要求电压一致性的地方,还可以多板级联使用,工作电压,适合于2-4.5V的锂电池,最大均衡电流1.5A (随压差调节,当压差过大时,会自动进入涓流充电模式),起始工作点是相邻电池压差大于0.1V,当均衡到相邻电池压差小于30mV时自动停止。
写着写着到晚上9点了。。。不早了,朋友们,晚安先!.
明儿继续更新 电池点焊机的相关内容。