关于PWM话题,很多电源工程师工作中会遇到不同的问题。其实找到问题的根源,才能对症下药。下面给大家分享几篇不错的文章,供大家学习~
SPWM波控制逆变器双闭环PID调节器的建模与仿真
随着电力行业的快速发展, 逆变器 的应用越来越广泛,逆变器的好坏会直接影响整个系统的逆变性能和带载能力。逆变器的控制目标是提高逆变器输出电压的稳态和动态性能,稳态性能主要是指输出电压的稳态精度和提高带不平衡负载的能力;动态性能主要是指输出电压的THD(Total Hannonic Distortion)和负载突变时的动态响应水平。
在这些指标中对输出电压的THD要求比较高,对于三相逆变器,一般要求阻性负载满载时THD小于2%,非线性满载(整流性负载)的THD小于5%.这些指标与逆变器的控制策略息息相关。文中主要介绍如何建立电压双环 SPWM 逆变器的数学模型,并采用电压有效值外环和电压瞬时值内环进行控制。针对UPS单模块10 kVA单相电压型SPWM逆变器进行建模仿真。通过仿真,验证了控制思路的正确性以及存该控制策略下的 逆变器 所具有的鲁棒性强,动态响应快,THD低等优点。并以仿真为先导,将其思想移植到具体开发中,达到预期效果。
1 三电平逆变器单相控制模型的建立
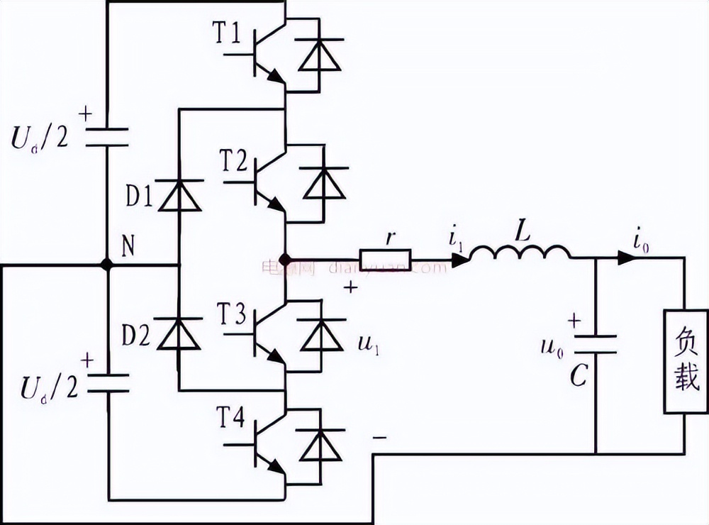
带LC滤波器的单相 逆变器 的主电路结构如图1所示。图1中L为输出滤波电感,C为滤波电容,T1,T2,T3,T4分别是用来驱动IGBT的三电平的SPWM波,U0为输出负载两端的电压。在建立控制系统的仿真模型时,需要采集负载两端的电压与实际要求的电乐值做比较,然后通过调节器可以得到所需要调节的值。在此仿真模型中,驱动波形采用的是三电平的SPWM波形,具体的产生原理在这不做详细描述。在Matlah的Simlink库中 SPWM 波的产生如图2所示,这里调制比设为0.8。

图1 三电平逆变器单相主电路

图2 四相SPWM产生电路
在B1,B2,B3,B4端口用模拟示波器观察其波形,结果如图3所示。

图3 四相SPWM驱动波形
2 双环控制的选取
在逆变控制系统中,采用输出电压有效值反馈的方法进行控制,这种方法通过将输出电压有效值与实际所要求的电压有效值进行比较,误差信号与正弦信号相乘的结果作为SPWM的调制信号。这种方法的输出波形稳压精度较高,稳定性好,但最大的缺陷在于逆变器的动态响应很差,完全依靠 逆变器 的自然特性,输出电压的波形质量无法控制。当负载为非线性负载时,由于逆变器输出阻抗的影响,输出电压波形的THD比较大。为解决以上的缺陷,引入内环电压瞬时环,当负载发生变化时,采样回来的输出电压会在电压瞬时环的控制下,保持良好的动态响应,控制框图如图4所示。

图4 双环控制框图
在图4中,输入信号U为系统所要求的信号,U为系统输出信号。本系统将PID调节器1设置为电压瞬时值内环,将PID调节器2设置为电压均值外环……
原文链接:https://www.dianyuan.com/article/20403.html
用单片机产生SPWM波控制UPS电源逆变系统解析方案
1 引言
随着信息技术的不断发展和计算机应用的日益普及,高新技术设备对供电质量的要求越来越高,很多设备都要求电源能够持续提供恒频恒压、无崎变的纯正弦波交流电,不间断电源UPS就是用来给这些设备供电的。UPS一般采用正弦脉宽调制(SPWM)的控制方法将直流电 逆变 成正弦波交流电。
目前, SPWM 控制波形的产生一般有三种方式:1、用分立元件电路产生,主要由三角波发生器、正弦波发生器和比较器组成。分立元件电路复杂,调试困难,成本高,可靠性差,因此一般很少采用。2、用专用集成芯片产生,专用集成芯片功能强大,输出波形质量高,应用比较广泛。3、用单片机实现,现在许多单片机都具有产生SPWM波的功能,采用单片机可使电路简单可靠,而且还方便对系统其他数据参数的监控、显示和处理,使整个系统的控制非常的方便。本文就是采用PIC16F73 单片机 产生SPWM波来控制UPS电源中的逆变系统的。
2 硬件电路设计
系统总体硬件框图如图1所示:电网输入交流电经整流滤波电路后,变成直流电压,送入功率因数校正模块(PFC),进行功率因数校正,并同时进行直流电压调整,升压到360V。另一方面,蓄电池输出的48V直流电压经过蓄电池升压电路后得到345V的直流高压,这两路直流高压通过二极管并联起来,供给桥式 逆变 电路。正常工作时,由市电整流所得直流给逆变器供电,而当市电异常时,则自动切换到蓄电池供电。直流电经过桥式逆变电路逆变后,再经输出滤波变成220V、50HZ纯正弦波交流电,供给负载。

控制电路以Microchip公司的PIC16F73单片机为核心。PIC单片机是采用RISC结构的高性价比嵌入式控制器,采取数据总线和地址总线分离的Harvard双总线结构,具有很高的流水处理速度。
PIC16F73最高时钟频率为20MHZ,每条指令执行周期200ns,由于大多数指令执行时间为一个周期,因此速度相当快。其内含192字节的RAM ,4K程序存储器、5路A/D转换及2路PWM波发生器,应用时外围电路极其简单,是理想的单相逆变电源数字控制器。
单片机通过内部软件产生一路SPWM控制信号,然后经过逻辑门变换电路变换成 逆变 全桥所需的四路驱动信号,再经专用驱动芯片TLP250隔离放大后,分别加到逆变全桥四个IGBT的栅极,进行驱动控制。
为了提高输出电压的稳定性,本系统中采用了电压反馈闭环。输出电压经电阻分压取样后,由运算放大电路将电平转换为单片机A/D转换口所能接受的0~5V电压信号,送入单片机A/D转换口。软件在运行过程中,会每隔一段时间进行一次A/D转换,得到反馈电压值,调整SPWM信号的脉宽,保证输出电压的稳定。
3 软件设计
PIC16F73单片机内部含有两个CCP模块,都可以用来产生PWM波。对于PWM信号来说,周期和脉宽是两个必不可少的参数,PIC16F73单片机将PWM周期储存在PR2寄存器中,而将PWM信号高电平时间值即脉宽值储存在CCPR1L或CCPR2L寄存器中。内部定时器在计数过程中不断与这两个寄存器的值相比较,达到设定时间时输出电平产生相应的变化,从而控制PWM信号的周期和占空比。
SPWM信号要求脉宽按正弦规律变化,因此每一个PWM周期脉宽都要改变,由单片机产生 SPWM 波的基本思想就是在初始化时将PWM周期值设定,然后用定时器定时,每个周期产生一次中断,来调整脉宽,从而得到脉宽不断变化的SPWM波。但实际上,SPWM频率一般都很高,周期很短,要在每一个周期内都完成脉宽的调整比较困难。本系统中,SPWM周期为20KHZ,设置每六个周期改变一次脉宽,实际输出SPWM信号经滤波后所得正弦波如图6所示,波形光滑无畸变,满足精度要求。
在软件设计中,将CCP2模块作为PWM输出口,CCP1模块采用比较功能, 单片机 时钟为20MHZ,计时步阶0.2us。首先建立正弦表,在一个完整正弦周期中,采样64个点,采样点正弦值与正弦波峰值的比值就是该点SPWM信号的占空比。然后根据SPWM周期计算出各点的脉宽值,转换成计时步阶,做成正弦表,供CCP1中断子程序调用。这64个点之间的时间间隔也转换成计时步阶储存到 CCPR1H和CCPR1L寄存器中,程序运行过程中, 计数器TIMER1不断和这个寄存器的值相比较,达到设定值时CCP1产生中断,TIMER1重新计时。中断服务子程序用来修改SPWM信号的占空比,其流程图如图2所示。

主程序为一个无穷循环,等待中断发生。本程序*共中**用到了三个中断:CCP1比较中断,用来调整SPWM脉宽,中断周期为306us;T0定时中断,每隔一段固定的时间进行一次输出电压反馈采样值的A/D转换,在单片机初始化时,将T0的中断周期设为153us,产生一次中断后,将周期改为306us;A/D转换中断,A/D转换完成产生中断,处理转换值,中断周期为20us。在程序开始运行后,首先发生CCP1中断,使单片机按正弦表的第一个脉宽值输出SPWM波,153us后,产生T0中断,进行A/D转换,并将T0中断周期改306us。 20us后转换完成,产生A/D中断。然后又是CCP1中断,读取A/D转换值和正弦表来调整脉宽。这样周而复始,产生连续不断的SPWM控制信号。中断循环结构如图4所示……
原文链接:https://www.dianyuan.com/article/20060.html
工程师技术解析:三相PWM逆变器的主电源电路设计
随着电力电子技术的发展, 逆变器的应用已深入到各个领域, 一般均要求逆变器具有高质量的输出波形。逆变器输出波形质量主要包括两个方面, 即稳态精度和动态性能。因此, 研究既具有结构和控制简单, 又具有优良动、静态性能的逆变器控制方案, 一直是电力电子领域研究的热点问题。
随着国民经济的高速发展和国内外能源供应的紧张, 电能的开发和利用显得更为重要。目前, 国内外都在大力开发新能源, 如太阳能发电、风力发电、潮汐发电等。一般情况下, 这些新型发电装置输出不稳定的直流电, 不能直接提供给需要交流电的用户使用。为此, 需要将直流电变换成交流电, 需要时可并入市电电网。这种DC- AC 变换需要逆变技术来完成。因此, 逆变技术在新能源的开发和利用领域有着重要的地位。
脉宽调制逆变技术
1. 1 PWM 的基本原理
1. 1. 1 PWM( Pulse Width Modulat ion) 脉宽调制型逆变电路定义: 是靠改变脉冲宽度来控制输出电压, 通过改变调制周期来控制其输出频率的电路。
1. 1. 2 脉宽调制的分类: 1、以调制脉冲的极性分,可分为单极性调制和双极性调制两种;2、以载频信号与参考信号频率之间的关系分, 可分为同步调制和异步调制两种。
1. 1. 3 ( PWM) 逆变电路的特点: 可以得到相当接近正弦波的输出电压和电流, 所以也称为正弦波脉宽调制SPWM( Sinuso idal PWM) .
1. 1. 4 SPWM 控制方式: 就是对逆变电路开关器件的通断进行控制, 使输出端得到一系列幅值相等而宽度不等的脉冲, 用这些脉冲来代替正弦波所需要的波形。按一定的规则对各脉冲的宽度进行调制,既可改变逆变电路输出电压的大小, 也可改变输出频率。
1. 2 PWM 电路的调制控制方式
1. 2. 1 载波比的定义: 在PWM 变频电路中,载波频率f c 与调制信号频率f r 之比称为载波比, 即N= f c/ ff .
1. 2. 2 PWM 逆变电路的控制方式: 根据载波和调制信号波是否同步, 有异步调制和同步调制两种控制方式: 一、异步调制控制方式。当载波比不是3 的整数倍时, 载波与调制信号波就存在不同步的调制。二、同步调制控制方式。在三相逆变电路中当载波比为3 的整数倍时, 载波与调制信号波能同步调制。
主电路的设计
本设计采用AC – DC – AC 方案。采用SPWM调制方式。图1 为系统主电路和控制电路框图。交流输入电压经过不控整流后得到一个直流电压, 再经过全桥逆变电路得到交流输出电压。为保证系统可靠运行, 防止主电路对控制电路的干扰, 采用主、控电路完全隔离的方法, 即驱动信号用光耦隔离, 反馈信号用变压器隔离, 辅助电源用变压器隔离。

2. 1 整流电路的设计
本设计运用的是三相桥式不可控整流电路。在交- 直- 交变频器、不间断电源、开关电源等应用场合中, 大都采用不可控整流电路经电容滤波后提供直接电源, 供后级的变换器、逆变器等使用。由于电路中的电力电子器件采用整流二极管, 故也称这类电路为二极管整流电路。其电路图如下所示……
原文链接:https://www.dianyuan.com/article/19607.html
基于DSP控制的双PWM风电并网换流器的设计实例
摘要: 基于UC3842高性能电流模式PWM 芯片,提出一种医疗开关电源设计方案。 该设计AC-DC给医疗设备供电,采用单端反激式结构,实现90-264Vac供电,12V的直流输出,具有瞬态响应快、电磁兼容好、 输出电压精度高等优点,能够很好地满足医疗设备供电需求。
0 引言
医疗电源是对安规及EMI、EMC比较高的设备,作为绿色开关电源,将在21世纪给人类社会带来巨大的变化。性能优良的医疗设备系统离不开性能优良的控制模块,而控制模块的性能在很大程度上取决于供电电源的性能,所以高质量的供电电源系统在整个医疗系统中占有相当重要的位置。本文基于UC3842高性能电流模式PWM发生器控制的开关电源适合应用于此类系统。 本设计通过小型高频变压器实现输出和输入的完全隔离,不仅提高了电源的效率,简化了外围电路,也降低了电源的成本和体积。 电源输出电压稳定,波纹小,不间断性能可靠同时又不会对其他设备产生辐射和传导干扰。
1 单端反激式变换电路的基本结构
单端反激式变换的典型结构如图一所示。 单端是指变压器的磁心仅工作在磁滞回线的一侧; 反激是指当开关管导通时,在初级线圈中储存能量,而次级线圈不通, 当开关管关闭的时候,初级线圈中的能量通过次级线圈释放给负载。这是一种成本低的调整器,可以做到输入输出部分的完全隔离,有较好的电压调整率。

图一 单端反激式变换器
2 UC3842 芯片的性能特点
UC3842芯片是Unit rode公司的产品,是一种高性能的单端输出式电流控制型脉宽调制器芯片, 其原理框图如图二所示。由5V基准电压源、控制占空比调定的振荡器、电流测定比较器、PWM锁存器、高增益E/A误差放大器和适用于驱动功率MOSFET 的大电流推挽输出电路等组成。 其主要特点是:
①外接元件少,外围电路简单,价格便宜;
②无需输入变压器,起动电流小(小于1mA);
③具有精密的电压基准源(±1%);
④大电流(1A)PWM输出级,可直接驱动功率MOS管;
⑤有欠电压*锁封**和过电流保护功能;
⑥工作频率可达500kHz。

图二 VC3842原理框图
UC3842芯片能同时满足较好的电气性能和较低的成本,因而被广泛地用于20~80W的小功率开关电源。图二中8脚是其内部基准电压(5V); 7脚是其电源端,芯片工作的开启电压为16V,欠压锁定电压为10V; 4脚接振荡电路,产生所需频率的锯齿波RT接在4、8脚之间,CT接在4脚和地之间。1和2脚为补偿端和内部电压比较器的反相输入端,从3脚引入的电流反馈信号与1 脚的电压误差信号比较,产生一个PWM(脉宽调制)波,从6脚(输出端)输出该信号,控制功率器件的通断。3脚为电流检测输入端。由于电流比较器输入端设置了1V的电流钳位,当电流过大而使电流检测电阻R9(如图三所示)上的电压超过1V(即3脚电平大于1V) 时,将关断PWM脉冲,从而达到过流保护的目的。
3 开关电源的电路设计
本文用UC3842为核心控制部件,设计了90—264Vac输入、 DC12 V输出的单端反激式开关稳压电源。 开关电源控制电路是一个电压、电流双闭环控制系统。 变换器的幅频特性由双极点变成单极点,因此增益带宽乘积得到了提高,稳定幅度大,具有良好的频率响应特性。主要的功能模块包括:EMI/EMC电路、启动电路、反馈电路、保护电路、整流电路。以下对各个模块的原理和功能进行分析, 开关电源电路原理图如图三所示。

图三 开关电源原理图
3.1 EMI/EMC电路

图四 电磁滤波器电路图
如图四所示,共模电感L1的差值电感与电容CX1及CX2构成了一个π型滤波器。 这种滤波器对差模干扰有较好的衰减。 除了共模电感以外,图四中的电容CY1及CY2也是用来滤除共模干扰的。 共模滤波的衰减在低频时主要由电感器起作用,而在高频时大部分由电容CY1及CY2起作用。 MOV1是为了防止雷击,能够吸收5000Vac瞬间雷击。
3.2 启动电路
如图三所示,电源通过启动电阻R1给电容C4充电。 当C4电压达到UC3842的启动电压门槛值时,UC3842开始工作并提供驱动脉冲,由6端输出推动开关管工作。随着UC3842的启动, R1的工作也就基本结束,余下的任务交给反馈绕组,由反馈绕组产生电压经过D7和Z3、R8、Z1来为UC3842供电。
3.3 过流、短路保护电路
如图三所示,当负载电流超过额定值时,场效应电流增加,R9上的电压反馈至CSEN(3脚),通过内部电流检测比较器输出复位信号,最后导致开关管关闭。只有在下一个基准脉冲到来时,才可能重新开启开关管,而不可能出现开关管电流在恒流值左右振荡的情况。 当出现输出短路时, 输出电压会下降, 同时为UC3842供电的反馈绕组也会出现输出电压下降。 当输入电压低于87Vac时,UC3842停止工作,没有触发脉冲输出,使场效应管截止。短路现象消失后,电源重新启动,自动恢复正常工作。这就是俗称的电路“打嗝”现象。
3.4 精密反馈电路
当开关管导通时, 整流电压加在变压器初级绕组上的电能变成磁能储存在变压器中,开关管截止后,能量通过次级绕组释放到负载上。由公式: U0=(Ton/(n Toff))E可以得出,输出电压和开关管的导通时间及输入电压成正比,与初、 次级绕组的匝数比及开关管的截止时间成反比。 反馈电路采用精密稳压器TL431和线性光耦PC817。 利用TL431可调式精密稳压器构成误差电压放大器,再通过线性光耦对输出进行精确的调整。如图三,输出电压经Z2、R15分压后得到的取样电压,与 TL431中的2.5V基准电压进行比较。
当输出电压出现正误差,取样电压大于2.5V,TL431的稳压值降低,光耦PC1控制端电流增大,UC3842的反馈端(VFB) 电压值增大,输出端的脉冲信号占空比降低,开关管的导通时间减少,输出电压降低;反之,如果输出电压出现负误差,UC3842的输出脉冲占空比增大,输出电压增高,达到稳压目的。同时,整个电源系统的输入、输出被隔离,UC3842受到的干扰减少。在对电压精度要求高的场合,会把电压反馈信号从补偿端(CMOP)输入,不用UC3842 的内部放大器。因此反馈信号的传输缩短了一个放大器的传输时间,使电源的动态响应更快。
3.5 整流滤波电路
输出整流滤波电路直接影响到电压波纹的大小,影响输出电压的性能。开关电源输出端对纹波幅值的影响主要有以下几个方面:
(1)输入电源的噪声。解决的方案是在电源输入端加电容C1x及电感L1,以滤除此噪声干扰。
(2)高频信号噪声,开关电源中高频噪声主要是由高频变压器和功率管器件产生。对于这类高频噪声的解决方案是在输出端采用C9、L2、C11构成π型滤波的方式。滤波电感采用150μH的电感,可滤除高频噪声。
(3)采用肖特基二极管D8整流。基于它低压、功耗低、大电流的特点,有利于提高电源的效率; 其反向恢复时间短,有利于减少高频噪声。
(4)为了减少共模噪声,在输出地和输入地之间接电容C13。
3.6 导通时序
如图五所示,在负载不同的时候,其时序电路是不一样的。在满载时绝大多数始终周期是导通的,也就是导通的频率高,中等负载会跳过一部分始终周期,而轻载时要跳过大部分的始终电路,只有少数始终周期是导通的,这样导通周期的频率是很低的。图五中,U0是输出电压,CLK是UC3842的基准脉冲,D是 UC3842的输出脉冲,Id是流过开关管的电流,Ud是变压器初级绕组下端(开关管MOSFET 漏级)的电压。

图五 负载不同时的波形
4 实验结果
该开关电源的性能,按上述应用电路进行了测试, 动态负载响应快,具有良好电磁兼容性能并能通过美国的FCC CASEA标准。不同输入电压和不同负载时,输出电压如图六所示……
原文链接:https://www.dianyuan.com/article/18364.html
使用SPWM控制技术的全数字单相变频器的设计及实现方法
常见的AC/DC/AC变频器,是对输出部分进行变频、变压调节,而且在多种逆变控制技术中,应用最广泛的一种逆变控制技术是正弦脉宽调制(SPWM)技术。在变频调速系统中,应用DSP作为控制芯片以实现数字化控制,它既提高了系统可靠性,又使系统的控制精度高、实时性强、硬件简单、软件编程容易,是变频调速系统中最有发展前景的研究方向之一。本文介绍了基于DSPTMS320LF2407A并使用SPWM控制技术的全数字单相变频器的设计及实现方法,最后给出了实验波形。
1 TMS320LF2407A芯片简介
TMS320LF2407A是TI公司专为电机控制而设计的单片DSP控制器。它具有高性能的C2XLP内核,采用改进的哈佛结构,四级流水线操作,它不仅具备强大高速的运算能力,而且内部集成了丰富的电机控制外围部件,如事件管理器EVA、EVB各包括3个独立的双向定时器;支持产生可编程的死区控制PWM输出;4个捕获口中的2个可直接连接来自光电编码器的正交编码脉冲;2个独立的10位8路A/D转换器可同时并行完成两个模拟输入的转换;片内的串行通信接口可用于与上位机通信;片内串行外设口用于与外设之间通信;40个可独立编程的复用I/O口可以选配成键盘输入和示波器显示的输入/输出口。这些为实现交流电机变频调速控制提供了极大的便利。
2 系统总体方案及硬件电路
图1为系统硬件框图。在本系统中,以TMS320LF2407A为主要控制芯片,逆变器采用SPWM调制控制方式实现变频控制算法,系统硬件由主电路、显示电路、键盘输入电路以及检测与保护电路等组成。DSP首先从键盘采集需要的频率信号,接着通过运算产生相应的SPWM信号,通过光耦传给驱动电路再控制逆变桥中的功率管导通与关断,同时采集主电路中的有关信号并判断有无故障输出。若有故障则关断DSP的SPWM输出,从而关断主电路。

2.1 主电路组成
图2为系统的主电路,由整流电路、滤波电路和逆变电路3部分组成。整流电路为三相不可控整流桥,由它将380 V、50 Hz交流电整流变换成脉动直流电。电路中采用滤波电容进行滤波,滤去电压纹波,同时滤波电容还在整流电路与逆变器之间起去耦作用,以消除相互干扰。整流后的直流电压平均值为UO=1.35U2≈1.4U2=540 V。U2为交流侧电压有效值。考虑到输入三相电有10%的波动,所以UO=500~560 V。
主电路图中的功率器件G1、G2、G3、G4表示是IGBT器件,其型号是MG50Q2YS40,耐压值为1 200 V,控制电压为土20 V,电流为50 A。R1为限流电阻,防止冲击电流对IGBT的损害。L1、L3为共模滤波器,HL1、HL2为电流霍尔元件,其作用为检测主电路的电流值,作为保护电路的输入信号;另外还用到电压霍尔元件,检测电压值,作为保护电路的输入信号和电压反馈信号,组成电压负反馈。采用SPWM技术控制的4个IGBT进行逆变,输出的交流电经过变压器变压后,再用LC滤波器进行滤波,输出220 V频率可变的交流电。

2.2 驱动与保护电路
图3为驱动电路原理。本系统逆变电路功率器件采用IGBT芯片,因此驱动电路选用4片三菱公司生产的驱动模块M57962L。该驱动模块为混合集成电路,将IGBT的驱动和过流保护集于一体。图3中M57962L的13脚接DSP的PWMl(其他3片M57962L分别接PWM2、PWM3、PWM4),14脚接地,1、6脚分别接电源。另外,M57962L采用的是低电压驱动,即只有13脚输入负电位时才能驱动M57962L。这样做的优点在于防止出现干扰,当出现干扰波形时,采用低电平驱动的M57962L不能驱动。另外在关断过程中,如果电压变化过大,则会产生擎住现象,使IGBT失控,引起上下桥臂直通,因此,采用RC缓冲电路来抑制过电压和电压变化率du/dt。

3 系统的数字实现
系统逆变器部分采用SPWM规则采样算法,其基本思想是使输出的脉冲按正弦规律变化,这样降低输出电压中的谐波分量,使输出电压更接近于正弦波。为了便于数字实现,用规则采样法生成SPWM脉冲序列,其原理如图4所示。因为三角载波频率比正弦波频率高很多,所以将三角载波uc的一个周期内的正弦调制波ut看作不变,这样在一个三角波周期,只需在B点取样一次,便可使生成的SPWM脉冲中点与对应三角波的中点(A点)重合,从而使SPWM脉冲的计算大为简化。设uc的幅值为1,正弦调制信号ut=Msinωtt,其中O≤M<1(M为调制度)。由于△ABC~△EDA,故有:


正弦函数值采用查表的方式求出。另外在每段的同步调制中取N为3的倍数。
软件程序设计是逆变控制电路设计的核心。本系统软件主要包括:主程序、中断服务程序、PI调节程序、显示程序等。图5为主程序流程,图6为中断程序流程。在主程序中,完成DSP系统及外部设备初始化,I/O控制信号管理及正弦波信号产生和处理等。在中断程序中,完成电流、电压检测,PI调节计算,计算恒压频比下的调制度M和频率值,正弦波处理并给比较器CMPRl赋值等……
原文链接:https://www.dianyuan.com/article/17225.html
SPWM控制技术中全数字单相变频器的设计及实现方法
本文介绍了基于DSPTMS320LF2407A并使用SPWM控制技术的全数字单相变频器的设计及实现方法,最后给出了实验波形。
常见的AC/DC/AC变频器,是对输出部分进行变频、变压调节,而且在多种逆变控制技术中,应用最广泛的一种逆变控制技术是正弦脉宽调制(SPWM)技术。在变频调速系统中,应用DSP作为控制芯片以实现数字化控制,它既提高了系统可靠性,又使系统的控制精度高、实时性强、硬件简单、软件编程容易,是变频调速系统中最有发展前景的研究方向之一。
1 TMS320LF2407A芯片简介
TMS320LF2407A是TI公司专为电机控制而设计的单片DSP控制器。它具有高性能的C2XLP内核,采用改进的哈佛结构,四级流水线操作,它不仅具备强大高速的运算能力,而且内部集成了丰富的电机控制外围部件,如事件管理器EVA、EVB各包括3个独立的双向定时器;支持产生可编程的死区控制PWM输出;4个捕获口中的2个可直接连接来自光电编码器的正交编码脉冲;2个独立的10位8路A/D转换器可同时并行完成两个模拟输入的转换;片内的串行通信接口可用于与上位机通信;片内串行外设口用于与外设之间通信;40个可独立编程的复用I/O口可以选配成键盘输入和示波器显示的输入/输出口。这些为实现交流电机变频调速控制提供了极大的便利。
2 系统总体方案及硬件电路
图1为系统硬件框图。在本系统中,以TMS320LF2407A为主要控制芯片,逆变器采用SPWM调制控制方式实现变频控制算法,系统硬件由主电路、显示电路、键盘输入电路以及检测与保护电路等组成。DSP首先从键盘采集需要的频率信号,接着通过运算产生相应的SPWM信号,通过光耦传给驱动电路再控制逆变桥中的功率管导通与关断,同时采集主电路中的有关信号并判断有无故障输出。若有故障则关断DSP的SPWM输出,从而关断主电路。

2.1 主电路组成
图2为系统的主电路,由整流电路、滤波电路和逆变电路3部分组成。整流电路为三相不可控整流桥,由它将380 V、50 Hz交流电整流变换成脉动直流电。电路中采用滤波电容进行滤波,滤去电压纹波,同时滤波电容还在整流电路与逆变器之间起去耦作用,以消除相互干扰。整流后的直流电压平均值为UO=1.35U2≈1.4U2=540 V。U2为交流侧电压有效值。考虑到输入三相电有10%的波动,所以UO=500~560 V。主电路图中的功率器件G1、G2、G3、G4表示是IGBT器件,其型号是MG50Q2YS40,耐压值为1 200 V,控制电压为土20 V,电流为50 A。
R1为限流电阻,防止冲击电流对IGBT的损害。L1、L3为共模滤波器,HL1、HL2为电流霍尔元件,其作用为检测主电路的电流值,作为保护电路的输入信号;另外还用到电压霍尔元件,检测电压值,作为保护电路的输入信号和电压反馈信号,组成电压负反馈。采用SPWM技术控制的4个IGBT进行逆变,输出的交流电经过变压器变压后,再用LC滤波器进行滤波,输出220 V频率可变的交流电。

2.2 驱动与保护电路
图3为驱动电路原理。本系统逆变电路功率器件采用IGBT芯片,因此驱动电路选用4片三菱公司生产的驱动模块M57962L。该驱动模块为混合集成电路,将IGBT的驱动和过流保护集于一体。图3中M57962L的13脚接DSP的PWMl(其他3片M57962L分别接PWM2、PWM3、PWM4),14脚接地,1、6脚分别接电源。另外,M57962L采用的是低电压驱动,即只有13脚输入负电位时才能驱动M57962L。这样做的优点在于防止出现干扰,当出现干扰波形时,采用低电平驱动的M57962L不能驱动。另外在关断过程中,如果电压变化过大,则会产生擎住现象,使IGBT失控,引起上下桥臂直通,因此,采用RC缓冲电路来抑制过电压和电压变化率du/dt。

3 系统的数字实现
系统逆变器部分采用SPWM规则采样算法,其基本思想是使输出的脉冲按正弦规律变化,这样降低输出电压中的谐波分量,使输出电压更接近于正弦波。为了便于数字实现,用规则采样法生成SPWM脉冲序列,其原理如图4所示。因为三角载波频率比正弦波频率高很多,所以将三角载波uc的一个周期内的正弦调制波ut看作不变,这样在一个三角波周期,只需在B点取样一次,便可使生成的SPWM脉冲中点与对应三角波的中点(A点)重合,从而使SPWM脉冲的计算大为简化。设uc的幅值为1,正弦调制信号ut=Msinωtt,其中O≤M<1(M为调制度)。由于△ABC~△EDA,故有……
原文链接:https://www.dianyuan.com/article/17209.html
意犹未尽,查看更多精彩文章→→https://www.dianyuan.com/eestar/
更多精彩内容→→
六篇PWM文章献给2023年爱学习的你
关于PWM,七篇文章帮你快速上手
这样理解PWM就对了!
应用方案实例解析关于PWM,六篇文章足矣
换个角度学习PWM,豁然开朗许多
读懂这八篇文章,想不懂PWM都难
学了那么多年的单片机,你真的学会了吗?