
锅炉安装
一、锅炉本体安装
1.示意图和安装照片
锅炉示意图和锅炉安装照片分别见图9-1和图9-2。

图9-1 锅炉示意

图9-2 锅炉安装照片
2.注意事项
①非承压锅炉,应严格按设计或产品说明书的要求施工。锅筒顶部必须敞口或装设大气连通管,连通管上不得安装阀门。
②锅炉本体管道及管件焊接的焊缝无损探伤的检测结果应符合相关要求。
3.施工做法详解
工艺流程:锅炉水平运输→撤出滚杠使锅炉就位→锅炉找平及找标高→炉底风室的密封要求。
(1)锅炉水平运输
①运输前应先选好路线,确定锚点位置,稳好卷扬机,铺好道木。
②用千斤顶将锅炉前端(先进锅炉房的一端)顶起放进滚杠,用卷扬机牵引前进,在前进过程中,随时倒滚杠和道木。道木必须高于锅炉基础,保护基础不受损坏。
(2)当锅炉运到基础上以后,不撤滚杠先进行找正
具体操作应符合以下要求。
①锅炉炉排前轴中心线应与基础前轴中心基准线相吻合,允许偏差±2mm。
②锅炉纵向中心线与基础纵向中心基准线相吻合,或锅炉支架纵向中心线与条形基础纵向中心基准线相吻合,允许偏差±10mm。
(3)撤出滚杠使锅炉就位
①撤滚杠时用道木或木方将锅炉一端垫好。用两个千斤顶将锅炉的另一端顶起,撤出滚杠,落下千斤顶,使锅炉一端落在基础上。再用千斤顶将锅炉另一端顶起,撤出剩余的滚杠和木方,落下千斤顶使锅炉全部落到基础上。如不能直接落到基础上,应再垫木方逐步使锅炉平稳地落到基础上。
②锅炉就位后应进行校正:因为锅炉就位过程中可能产生位移,所以用千斤顶校正,达到允许偏差以内。
(4)锅炉找平及找标高
①锅炉纵向找平。用水平尺(水平尺长度不小于600mm)放在炉排的纵排面上,检查炉排面的纵向水平度,检查点最少为炉排前后两处。要求炉排面纵向应水平或护排面略坡向炉膛后部,最大倾斜度不超过10mm。
当锅炉纵向不平时,可用千斤顶将过低的一端顶起,在锅炉的支架下垫以适当厚度的钢板,使锅炉的水平度达到要求。垫铁的间距一般为500~1000mm。
②锅炉横向找平。用水平尺(长度不小于600mm)放在炉排的横排面上,检查炉排面的横向水平度,检查点最少为炉排前后两处,炉排的横向倾斜度不得大于5mm(炉排的横向倾斜过大会导致炉排跑偏)。
当炉排横向不平时,用千斤顶将锅炉一侧支架同时顶起,在支架下垫以适当厚度的钢板。垫铁的间距一般为500~1000mm。
③锅炉标高确定。在锅炉进行纵、横向找平时同时兼顾标高的确定,标高的允许偏差为±5mm。
(5)炉底风室的密封要求
①锅炉由炉底送风的风室及锅炉底座与基础之间必须使用水泥砂浆堵严,并在支架的内侧与基础之间用水泥浆抹成斜坡。
②锅炉支架的底座与基础之间的密封砖应砌筑严密,墙的两侧抹水泥砂浆。
③当锅炉安装完毕后,基础的预留孔洞应砌好并用水泥砂浆抹严。
4.施工总结
①以天然气为燃料的锅炉,其天然气释放管或大气排放管不得直接通向大气,应通向贮存或处理装置。
②锅炉本体安装应按设计或产品说明书要求布置坡度并坡向排污阀。
③安装时,应避免设备、安装材料集中堆放在楼板上。利用建筑柱、梁起吊设备时,必须事先核实梁、柱的承载能力。
二、省煤器安装
1.示意图和现场照片
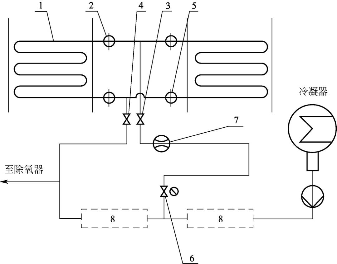
省煤器示意图和现场照片分别见图9-3和图9-4。

图9-3 省煤器示意
注:1—低压省煤器本体;2—进口集箱;3—进口阀门;4—出口阀门;5—出口集箱;6—电调阀;7—流量计;8—回热加热系统(低压部分)

图9-4 省煤器现场照片
2.注意事项
①当烟道为现场制作时,支架可按基础图找平找正;当烟道为成品组件时,应等省煤器就位后,按照实际烟道位置尺寸找平找正。
②冬季施工时要有防冻措施,防止设备及管道冻坏。
3.施工做法详解
工艺流程:省煤器支架安装→省煤器安装→灌注混凝土。
(1)整装锅炉的省煤器均为整体组件出厂,因而安装比较简单。安装前要认真检查省煤器管周围嵌填的石棉绳是否牢固严密,外壳箱板是否平整,肋片有无损坏。铸铁省煤器破损的肋片数不应大于总肋片数的5%,有破损肋片的根数不应大于总根数的10%,符合要求后才能进行安装。
(2)省煤器支架安装
①清理地脚螺栓孔,将孔内的杂物清理干净,并用水冲洗。
②给支架上好地脚螺栓,放在清理好预留孔的基础上,再调整支架的位置、标高和水平度。
③当烟道为现场制作时,支架可按基础图找平找正;当烟道为成品组件时,应等省煤器就位后,再按照实际烟道位置尺寸找平找正。
(3)省煤器安装
①安装前应进行水压试验,试验压力为1.25P+0.5MPa(P为锅炉工作压力:对蒸汽锅炉指锅筒工作压力,对热水锅炉指锅炉额定出水压力)。在试验压力下,10min内压力降不超过0.02MPa,然后降至工作压力进行检查,以压力不下降、无渗漏为合格;同时进行省煤器安全阀的调整,安全阀的开启压力应为省煤器工作压力的1.1倍或为锅炉工作压力的1.1倍。
②用三脚桅杆或其他吊装设备将省煤器安装在支架上,并检查省煤器的进口位置、标高是否与锅炉烟气出口相符合,以及两口的距离和螺栓孔是否相符合。通过调整支架的位置和标高,达到烟道安装的要求。
③一切妥当后将省煤器下部槽钢与支架焊在一起。
(4)灌注混凝土
支架的位置及标高找好后灌注混凝土,混凝土的强度等级应比基础强度等级高一级,并应捣实和养护(拌混凝土时最好用豆石)。
(5)当混凝土强度达到75%以上时,将地脚螺栓拧紧。
4.施工总结
①铸铁省煤器破损肋片数不应大于总肋片数的5%,有破损肋片的根数不应大于总根数的10%。
②省煤器的出口(或入口处)应按设计或锅炉图纸要求安装阀门和管道。
三、液压传动装置安装
1.示意图和照片
液压传动装置示意图和照片分别见图9-5和图9-6。

图9-5 液压传动装置示意

图9-6 液压传动装置照片
2.注意事项
①非承压锅炉,应严格按设计或产品说明书的要求施工。锅筒顶部必须敞口或装设大气连通管,连通管上不得安装阀门。
②以天然气为燃料的锅炉,其天然气释放管或大气排放管不得直接通向大气,应通向贮存或处理装置。
3.施工做法详解
工艺流程:预埋板处理→液压箱安装→安装地下油管→安装高压软管→安装高压铜管。
(1)对预埋板进行清理和除锈
(2)检查和调整使铰链架纵横中心线与滑轨纵横中心相符,以保证铰链架的前后位置有较大的调节量,调整后将铰链架的固定螺栓稍加紧固。
(3)把液压缸的活塞杆全部拉出(最大行程),并将活塞杆的长拉脚与摆轮连接好,然后把活塞缸与铰链架连接好。再按照摆轮的位置和图纸的要求把滑轨的位置找正焊牢,最后认真检查调整铰链的位置并将螺栓拧紧。
(4)液压箱安装
按设计位置放好,液压箱内要清洗干净。箱内应加入滤清机械油,冬天采用10号机械油,夏天采用20号机械油。
(5)安装地下油管
地下油管采用无缝钢管,在现场煨弯和焊接管接头。钢管内应除锈,清理干净。
(6)安装高压软管
应安装在油缸与地下油管之间。安装时应将丝头和管接头内铁屑、毛刺清除干净,丝头连接处用聚四氟乙烯薄膜或麻丝白铅油作填料,最后安装高压软管。
(7)安装高压铜管
先将管接头分别装在油箱和地下油管的管口上,按实际距离将铜管截断,然后退火煨弯,两端穿好锁母,用扩口工具扩口,最后安装好铜管,拧紧锁母。
(8)电气部分安装
先将行程撞块和行程开关架装好,再装行程开关。行程开关架安装要牢固。上行程开关的位置,应在摆轮拨爪略超过棘轮槽为适宜,下行程开关的位置应定在能使炉排前进800mm或活塞不到缸底为宜。定位时可打开摆轮的前盖直观定位。最后进行电气配管、穿线、压线及油泵电动机接线。
(9)油管路的清洗和试压
①把高压软管与油缸相接的一端断开,放在空油桶内,然后启动油泵,调节溢流阀调压手轮,逆时针旋转使油压维持在0.2MPa,再通过人工方法控制行程开关,使两条油管都得到冲洗。冲洗的时间为15~20min,每条油管至少冲洗2~3次。冲洗完毕后把高压软管与油缸装好。
②油管试压:利用液压箱的油泵即可。启动油泵,通过调节溢流阀的手轮,使油压逐步升到3.0MPa,在此压力下活塞动作一个行程,以油管、接头和液压缸均无泄漏为合格,并立即把油压调到炉排的正常工作压力。因油压长时间超载会使电机烧毁。
炉排正常工作时,油泵工作压力如下:
1~2t/h链条炉,油压力为0.6~1.2MPa;
4t/h链条炉,油压力为0.8~1.5MPa。
(10)摆轮内部应擦洗后加入适量的20号机油,上下铰链油杯中应注满黄油。
(11)液压传动装置冲洗、试压应做记录。
4.施工总结
①设备安装时,应避免设备、安装材料集中堆放在楼板上。利用建筑柱、梁起吊设备时,必须事先核实梁、柱的承载能力。
②锅炉设备安装完工后应做好妥善的防护措施,防止进行地面施工时,土建施工人员损坏地下管道及已安装好的设备,土建人员进行建筑工程的修补、喷浆、装饰时损坏已安装好的设备、仪表。
③锅炉及辅助设备、管道及其支吊架,不得成为其他的受力点,承受其他的荷载。
辅助设备安装
一、除尘器安装
1.示意图和安装照片
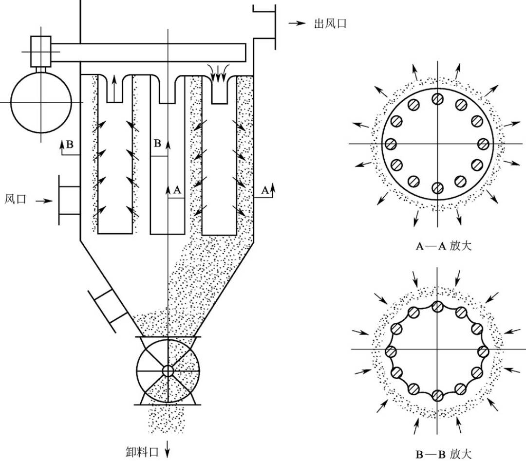
袋式除尘器工作原理示意图和安装照片分别见图9-7和图9-8。

图9-7 袋式除尘器工作原理示意

图9-8 袋式除尘器安装照片
2.注意事项
①因除污器重量较大,应安装在专用支架上。
②移动的电气设备的供电线,应使用橡套电缆,穿过行车道时,套管埋地敷设,破损电缆严禁使用。严禁个人乱拉、乱接照明灯或其他电器。
3.施工做法详解
工艺流程:安装除尘器支架→安装除尘器→烟道安装→锁气器安装。
(1)安装前首先检查除尘器与引风机的旋转方向是否一致,安装位置是否便于清灰和运灰。除尘器落灰口距地面高度一般为0.6~1.0m。检查除尘器内壁耐磨涂料有无脱落。
(2)安装除尘器支架
将地脚螺栓安装在支架上,再把支架放在画好基准线的基础上。
(3)安装除尘器
支架安装好后,吊装除尘器,紧好除尘器与支架连接的螺栓。吊装时根据情况(立式或卧式)可分段安装,也可整体安装。除尘器的蜗壳与锥形体连接的法兰要连接严密,用ϕ10石棉扭绳作垫料,垫料应加在连接螺栓的内侧。
(4)烟道安装
先从省煤器的出口或锅炉后烟箱的出口安装烟道和除尘器的扩散管。烟道之间的法兰连接用ϕ10的石棉扭绳作垫料,垫料应加在连接螺栓的内侧,连接要严密。烟道与引风机连接时,应采用软接头,不可将烟道重量压在风机上。烟道安装后,检查扩散管的法兰与除尘器的进口法兰位置是否正确。
(5)检查除尘器的垂直度和水平度
除尘器的垂直度和水平度允许偏差为1/1000,找正后进行地脚螺栓孔灌浆,混凝土强度达75%以上时,将地脚螺栓拧紧。
(6)锁气器安装
锁气器是除尘器的重要部件,是确保除尘器效果的关键部件之一,因此锁气器的连接处和舌形板接触要严密,配重或挂环要合适。
(7)除尘器应按图纸位置安装,安装好后再安装烟道。设计无要求时,弯头(虾米腰)的弯曲半径不应小于管径的1.5倍;不得大于20°。
4.施工总结
①各种设备的主要操作通道的净距如设计不明确时不应小于1.5m,辅助的操作通道净距不应小于0.8m。
②设备起吊与安装过程,应严格遵守吊装中各项安全规定。
③除污器应装有旁通管(绕行管),以便在系统需要时,对除污器进行必要的检修。
二、风机安装
1.示意图和安装照片
风机安装示意图和照片分别见图9-9和图9-10。

图9-9 风机安装示意

图9-10 风机安装照片
2.注意事项
①各种罐体安装后,在未与管道连接前,均须用堵胆临时封闭。
②各类容器、罐安装过程中,仅仅就位、找正,在尚未固定前,要设专人负责,严防工种交叉作业时不慎将容器或罐碰倒。
③零件分类装箱保管,不得随意堆放,设备要用木方垫平以防变形。
④试运转中,风机叶轮的切线方向及联轴器的附近不得站人。
3.施工做法详解
工艺流程:地脚螺栓孔灌浆→风机找平找正→风管安装→安装冷却水管。
(1)地脚螺栓孔灌浆
基础验收合格,安装垫铁后,将送风机吊装就位(带地脚螺栓),找正找平后进行地脚螺栓孔灌浆。待混凝土强度达到75%以上时,然后再复查风机是否水平,地脚螺栓紧固后进行二次灌浆。混凝土的强度等级应比基础强度等级高一级,灌注捣固时地脚螺栓不得歪斜,灌注后要养护。
(2)风机找平找正要求
①机壳安装应垂直;风机坐标安装允许偏差为10mm,标高允许偏差为±5mm。
②纵向水平度为0.2/1000,横向水平度为0.3/1000。
风机轴与电动机轴不同心,径向位移不大于0.05mm。
如用皮带轮连接时,风机和电动机的两皮带轮的平行度允许偏差应小于1.5mm。两皮带轮槽应对正,允许偏差小于1mm。
(3)风管安装
①砖砌地下风道,风道内壁用水泥砂浆抹平,表面严密、光滑;风机出口与风管之间、风管与地下风道之间要连接严密,以免漏风。
②安装烟道时,应使之自然吻合,不得强行连接,更不允许将烟道重量压在风机上。当采用钢板风道时,风道法兰连接要严密。应设置安装防护装置。
③安装调节风门时,应注意不要装反,应标明开、关方向。
④安装调节风门后试拨转动,检查是否灵活,定位是否可靠。
(4)安装冷却水管
冷却水管应干净畅通。排水管应安装漏斗以利于直接观察出水的大小,出水大小可用阀门调整。安装后应按要求进行水压试验,若无规定时,试验压力不低于0.4MPa。其他要求可参考给水管安装要求。
(5)轴承箱清洗加油。
(6)安装安全罩,安全罩的螺栓应拧紧。
(7)风机试运行
试运行前用手转动风机,检查是否灵活。试运转时关闭调节阀门,接通电源,进行点试,检查风机转向是否正确,有无摩擦和振动现象。启动后再稍开调节门,调节门的开度应使电动机的电流不超过额定电流。运转时检查电动机和轴承温升是否正常。风机试运行不小于2h,并做好运行记录。
①风机试运转,轴承温升应符合下列规定:
a.滑动轴承温度最高不得超过60℃;
b.滚动轴承温度最高不得超过80℃。
②轴承径向单振幅应符合下列规定:
a.风机转速小于1000r/min时,不应超过0.10mm;
b.风机转速为1000~1450r/min时,不应超过0.08mm。
4.施工总结
①鼓、引风机若露天安装,应在尚未安装保护及防雨罩之前,用塑料布或油毡盖好、压住。
②风机试运转之前,先清理周围场地,拆除脚手架及临时设施,装好充足照明。机壳及各连接系统内不得有人操作或堆放物件。
③导致风、烟道跑风的原因。主要是填料加得不正确,石棉绳加在法兰连接螺栓的外边,造成螺栓孔漏风,或靠墙和距地面近的螺栓拧得不紧,造成接口漏风。应将法兰填料加在法兰连接的内侧。
三、管道阀门和仪表安装
1.示意图和安装照片
减压装置安装形式示意图和仪器安装照片分别见图9-11和图9-12。

图9-11 减压装置安装形式示意

图9-12 仪器安装照片
2.注意事项
①管道连接的法兰、焊缝和连接管件以及管道上的仪表、阀门的安装位置应便于检修,并不得紧贴墙壁、楼板或管架。
②各种设备的主要操作通道的净距如设计不明确时不应小于1.5m,辅助的操作通道净距不应小于0.8m。
③管道连接的法兰、焊缝和连接管件以及管道上的仪表、阀门的安装位置应便于检修,并不得紧贴墙壁、楼板或管架。
3.施工做法详解
工艺流程:减压阀安装→弹簧管压力表安装→电接点压力表安装同弹簧管式压力表。
(1)减压阀安装
①蒸汽系统的减压阀组前,应装设疏水阀。如系统中介质带渣物时,应在阀组前设置过滤器。
②为了便于减压阀的调整工作,减压阀组前后应设置压力表。为了防止减压阀后的压力超过容许限度,阀组后应设置安全阀。
③减压阀有方向性,安装时注意勿将方向装反,并应使其垂直地安装在水平管道上。波纹管式减压阀用于蒸汽时,波纹管应向下安装;用于空气时,需将阀门反向安装。
④当减压阀安装在离地面1.2m左右处时,应沿墙敷设;如设在离地面3m左右处,应设永久性操作台。
⑤减压阀安装时,对于带有均压管的鼓膜式减压阀,均压管应装于低压管一侧。
⑥减压阀安装完后,应按照使用压力调试,并作出调试后的标志。调整弹簧式减压阀时,应先将减压阀两侧的球阀关闭(此时旁通管也应处于关闭状态),然后将减压阀上手轮旋紧,下手轮旋开,使弹簧处于完全松弛状态,从注水小孔处把水注满,防止蒸汽将活塞的胶皮环损坏。打开前面的球形阀(按蒸汽流动的方向顺序打开),旋松手轮,缓缓地旋紧下手轮,在旋下手轮的同时,注意观察阀后的压力表,当达到要求读数时,打开阀后的球形阀,再作进一步的校准。
(2)弹簧管压力表安装
①工作压力小于1.25MPa的锅炉,压力表精度不应低于2.5级。
②出厂时间超过半年的压力表,应当由计量部门重新校验,合格后方可进行安装。
③表盘刻度为工作压力的1.5~3倍(宜选用2倍工作压力),锅炉本体的压力表公称直径不应小于1.50mm,表体位置端正,便于观察。
④压力表必须安装在便于观察和吹洗的地方,并防止受高温、冰冻及振动的影响,同时要有足够的照明。
⑤压力表必须设有存水弯。存水弯管采用钢管煨制时,内径不应小于10mm;采用铜管煨制时,内径不应小于6mm。
⑥压力表与存水弯管之间应安装三通旋塞。
⑦压力表应当垂直安装,垫片要规整,垫片表面应涂机油石墨,螺纹部分涂白铅油,连接要严密。安装完后在表盘上或表壳上划出明显的标志,标出最高工作压力。
(3)电接点压力表安装同弹簧管式压力表
电接点压力表安装要求如下。
①报警。把上限指针定位在最高工作压力刻度位置,当活动指针随着压力增高与上限指针接触时,与电铃接通进行报警。
②自控停机。把上限指针定在最高工作压力刻度上,把下限指针定在最低工作压力刻度上,当压力增高使活动指针与上限指针相接触时可自动停机。停机后压力逐渐下降,降至活动指针与下限指针接触时能自动启动使锅炉继续运行。
③应定期进行试验。检查压力表的灵敏度,有问题应及时采取措施。
4.施工总结
①测量液体压力的,在工艺管道的下半部与管道水平中心线成0°~45°夹角范围内。
②测量蒸汽压力的,在工艺管道的上半部或下半部与管道水平中心线成0°~45°夹角范围内。
③测量气体压力的,在工艺管道的上半部。
④连接锅炉及辅助设备的工艺管道安装完毕后,必须进行系统的水压试验,试验压力为系统中大工作压力的1.5倍。在试验压力10min内压力降不超过0.05MPa,然后降至工作压力进行检查,不渗不漏为合格。