图中出现的电气符号解析
QS刀开关(隔离开关)
QF断路器
FU熔断器
SB按钮开关
KM接触器
KH热继电器
3~三相异步电动机
点动电路图

合上刀开关QS,按下启动开关SB,接触器(KM)线圈得电,接触器主触点吸合,电机得电开始动作,松开启动按钮,接触器线圈失电,接触器主触点复位,电机停止动作。
自锁电路图

合上刀开关QS,按下启动按钮SB1,接触器(KM)线圈得电吸合,接触器常开触点变为常闭,此时如果松开启动按钮SB1,电流会经过SB2过KM常开点(得电后变常闭点)依然在给接触器线圈电,所以线圈依然不会失电,即使松开启动按钮,电机依然正常运作,这是自锁,如果想停止电机,按下SB2,断开电流流经过的路径即可。
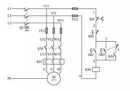
点动与自锁混合控制电路

合上断路器QF,按下启动开关SB1,接触器线圈得电,接触器触点由常开变为常闭,此时即便松开启动开关SB1,电流还是会通过路径1—2—3—5—4流到接触器线圈,接触器自锁;
当按下按钮SB3,因为“5”处接线时接到了SB3的常闭点,所以按下SB3以后会先断开自锁电路,未松开SB3时电流流经路径为1—2—3—4,如果松开,则接触器线圈失电,这是点动电路。
欢迎大家讨论私聊,多多交流[玫瑰][玫瑰]也恳请大家看完以后别忘了点赞支持一下,祝您生活愉快[送心]
#知识创作人第七季#