来源:热控圈
第一部分
所谓“一次调频”一般是指由发电机的调速器进行的,而“二次调频”是指当“一次调频”不能满足要求时由发电机的调频器所进行的频率调整反应机组转速变化而相应调整原动机阀门开度的调节是通过调速系统实现的,称为频率的一次调整。
反应系统频率变化而相应调整原动机阀门开度的调节是通过调频器实现的,称为频率的二次调整。
一次调频:
各机组并网运行时,受外界负荷变动影响,电网频率发生变化,这时,各机组的调节系统参与调节作用,改变各机组所带的负荷,使之与外界负荷相平衡.同时,还尽力减少电网频率的变化,这一过程即为一次调频.
二次调频:
一次调频是有差调节,不能维持电网频率不变,只能缓和电网频率的改变程度.所以还需要利用同步器增、减速某些机组的负荷,以恢复电网频率,这一过程称为二次调频。
只有经过二次调频后,电网频率才能精确地保持恒定值。二次调频目前有两种方法:
1,由调总下令各厂调整负荷。
2,机组采用AGC方式,实现机组负荷自动调度
简单的说,一次调频是汽轮机调速系统要据电网频率的变化,自发的进行调整机组负荷以恢复电网频率,二次调频是人为根据电网频率高低来调整机组负荷。
一次调频与二次调频
电网调频的基本概念
电力系统运行的主要任务之一是对电网频率进行控制—控制电网频率在50Hz附近的一个允许范围内。电网频率偏离额定值50Hz的原因是能源侧(水电、火电、核电……)的供电功率与负荷侧的用电功率之间的平衡被破坏而引起的。负荷的用电功率是经常在变化的,因此,电网的频率控制的实质是:根据电网频率偏离50Hz的方向和数值,实时在线地通过发电机组的调速系统和电网自动发电控制系统(AGC),调节能源侧的供电功率以适应负荷侧用电功率的变化,达到电网发/用电功率的平衡,从而使电网频通过发电机组调速系统的自身频率/功率特性对电网的控制,通常称之为一次调频。它主要是由发电机组调速系统的静态特性F=f(P)和动态特性(PID调节规律)来实现的;
电网AGC则是从电网的宏观控制上、经济运行及电网交换功率控制等因素上,向有关机组调速系统下达相应机组的目标(计划)功率值,从而产生电网范围内的功率/频率控制(LFC),称之为二次调频。率恢复到50Hz附近的一个允许范围内。
发电机组调速系统一次调频静态特性机组原始工况:静特性曲线1(Pc1)上A点:机组目标功率:Pc1;机组实际功率:P1;机组频率:f1;调速系统调差系数(速度变动率):ep。
电网发生功率缺额,折算到讨论的机组:功率缺额:P3-P1;
一次调频 作用:电网功率缺额,引起电网频率降低,如果不进行调节,则按静特性曲线1(Pc1),频率应降至f3,各机组根据频率偏差进行一次调频,与电网负荷
静态频率自调节作用一起,使讨论的机组增发了功率ΔPf=P2-P1,电网频率为f2(静特性曲线2(Pc1)上B点)。即讨论的机组与电网其它机组一起进行了一次调频,但电网频率为f2,不可能恢复到扰动前的f1。
二次调频作用:若电网二次调频将讨论的机组的目标功率由Pc1修正为Pc2,则机组调速系统静特性由特性曲线1(Pc1)变为特性曲线2(Pc2)。最后的调节结果为特性曲线2(Pc2)上C点:调速系统调差系数(速度变动率)ep、机组目标功率Pc2、机组实际功率P3、机组频率f1;电网的功率缺额得以补偿,系统频率也恢复到扰动前的数值f1。显然,电网负荷频率自调节作用(一次调频)仅在调节过程中起作用。
综上所述,电网在负荷扰动后,电网频率产生偏差,各机组的调速系统根据频率偏差Δf和(功率)调差系数ep进行一次调频,在较快的时间(8秒~15秒)内弥补了系统部分功率差值;在一次调频的基础上,电网自动发电控制(AGC,二次调频),修正相关机组的目标功率值Pc,通过调速系统的P
一次调频主要性能指标如下:
1.速度变动率即永态转差系数bp范围为0~10%,实际值与设定值的相对偏差小于5%。
2.永态转差特性曲线的非线性度误差小于5%。
3.调速系统的迟缓率即转速死区小于0.04%。
0.001±4.机组参与一次调频的死区范围为 0.500±Hz~ Hz。分辨率0.001Hz
第二部分
我们知道电能是不能储存的,供电和用电的平衡是非常重要的,而电网频率是反映这一状况的重要指标;目前我国电网的额定频率为50Hz;简单来说,如果电网频率高于50Hz说明发电量高于用电量,反之,则说明发电量低于需要的电量。发、供电的不平衡会造成电网频率的波动。一次调频的基本原理就是机组直接接受电网频率的偏差信号,通过改变机组的实际负荷,达到稳定电网频率的目的;一次调频的主要目的在于快速消除整个电网小幅度的负荷扰动,因此控制回路的设计必须遵循两个原则:快速与安全。
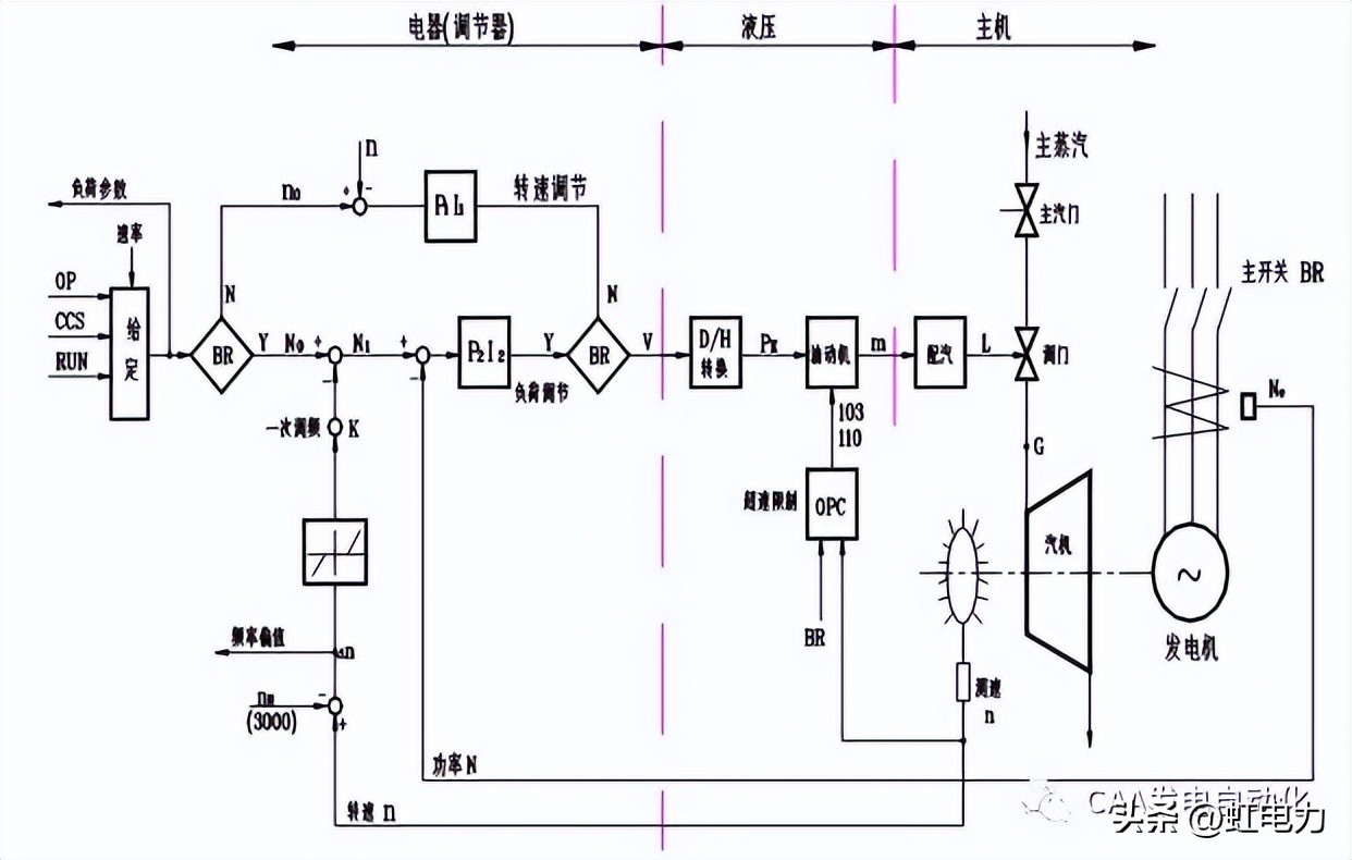
1 DEH频率调节原理:
在电液调节系统中,速度不等率的数值和形状,都可以采用电路或数字的形式任意设定。在机组单机运行时,电液调节系统往往采用无差调节系统,转速控制完全由PID调节规律来实现,因此没有速度不等率的问题。下面仅讨论并网运行时的调频问题。

图1 DEH调节原理图
升速、并网、甩负荷转速调节由P1I1调节器完成,实现无差调节。并网后为负荷调节,由一次调频和功率P2 I2调节两个回路组成。
如果一次调频回路不投入,而只投功率回路,系统为定功率运行。
如果功率回路不投入,而只投一次调频回路,系统为有差频率运行。
一次调频和功率都投入,则系统为功频调节系统。
DEH系统各主要环节传递函数如图2,其对应的参数见下表:其中表内未填写的参数见汽轮机参数试验报告和发电机参数试验报告。

图2 DEH调节系统传递函数
DEH控制系统环节参数表
调速系统各环节参数表
|
序 |
名称 |
符号 |
单位 |
机组容量(MW) |
|
1 |
转速调节器增益 |
K1 |
||
|
2 |
转速调节器时间常数 |
T1 |
秒 |
|
|
3 |
功率调节器增益 |
K2 |
||
|
4 |
功率调节器时间常数 |
T2 |
秒 |
|
|
5 |
伺服系统增益 |
KM |
||
|
6 |
油动机时间常数 |
TM |
秒 |
|
|
7 |
油动机开启时间常数 |
Tup |
秒 |
|
|
8 |
油动机快关时间常数 |
Tdown |
秒 |
|
|
9 |
蒸汽室时间常数 |
TV |
秒 |
|
|
10 |
高压缸功率系数 |
CH |
||
|
11 |
中、低压缸功率系数 |
CL |
||
|
12 |
再热器时间常数 |
TR |
秒 |
|
|
13 |
转子时间常数 |
Ta |
秒 |
|
|
14 |
汽轮机空载流量系数 |
α |
% |
|
|
15 |
电机同步功率时间常数 |
Te |
秒 |
|
|
16 |
异步功率阻尼系数 |
CD |
||
|
17 |
调速系统不等率 |
δ |
% |
4.5 |
|
18 |
一次调频死区 |
Δ |
rpm |
2 |
|
19 |
一次调频转速降范围 |
Δnk |
rpm |
12 |
|
20 |
一次调频加负荷范围 |
Xk |
MW |
24 |
2 协调方式下一次调频作用原理
某机组在协调方式下一次调频控制功能原理如下图3所示,在未投入协调控制方式时由DEH实现一次调频,与DCS系统相比,DEH系统响应快,由DEH系统来承担一次调频任务比较合适。而在投入协调控制功能后由DCS和DEH共同完成一次调频功能;同时必须注意,在DEH调频时的DEH与CCS系统接口设计,应当按照如图一的方法,否则由于CCS的功率大闭环作用,使DEH的调频作用被抵消。

图3 协调方式下一次调频作用原理图
第三部分
导读
本文介绍了电力生产过程中一次调频出现的实际问题,具体分析了各种不利因素对机组调频的影响;并结合实际生产过程中出现的问题,分析发电机组调频能力受限的原因,给出了典型的控制技术方案,对同类型的问题具有一定的借鉴意义。
1 引言
随着特高压输电及风电、太阳能等新能源建设的快速发展,区域电网结构变得也越来越复杂,电网的安全稳定运行技术要求也越来越高。
众所周知,风电与太阳能等新能源发电的可预测性相对较差,且风力发电的高峰负荷大多出现在用电量的波谷处,同时新能源发电的可控性也相对较差,一次调频贡献能力有限,对电网的调整来说,风电并网负荷越高,电网调节越难。
如何在保证电网快速发展的同时,保证电网频率、电压等技术指标,也将会成为一个重要的技术难题。
2 一次调频的性能指标
2.1基本概念
在电网实际运行中,当电量消耗与电量供给不匹配时,即可引起电网频率出现变化较小、变动周期较短的微小分量,这种频率扰动主要
靠汽轮发电机组本身的调节系统直接自动调整汽轮机调门完成电网负荷补偿,修正电网频率的波动,这个过程即为发电机组的一次调频。
发电机组汽轮机电液控制系统即 DEH 系统中一次调频功能通常是将汽轮机转速与额定转速的差值直接转化为功率信号补偿或流量补偿, 控制结构原理图如图 1 所示。
在我国电网额定频率为 50Hz,汽轮机额定转速为 3000rpm,额定频率与实际频率差值(有时额定转速与汽轮机实际转速的差值代替频率差值)经函数变换后生成一次调频补偿因子,一次调频功能投入, 直接与功率或流量信号叠加,控制汽轮机的调门开度,一次调频切除时,调频补偿因子系数为零,不参与系统控制。
2.2基本技术要求
发电机组的一次调频指标主要包括:不等率、调频死区、快速性、补偿幅度、稳定时间等。不同区域的电网公司对各个技术指标要求也不尽相同。下面以国家电网公司 2011 年下发的《火力发电机组一次调频试验导则》 中的具体要求为例,说明各个技术指标的具体要求。
1)转速不等率:
火电机组转速不等率应为4%~5%,该技术指标不计算调频死区影响部分。该指标一般作为逻辑组态参考应用,机组
实际不等率需根据一次调频实际动作进行动态计算。
2) 调频死区:
机组参与一次调频死区应不大于|±0.033| Hz 或|±2| r/min。
3)快速性:
机组参与一次调频的响应时间应小于 3s。燃煤机组达到 75%目标负荷的时间应不大于 15s,达到 90%目标负荷的时间应不大于30s。对于高压油电液调节机组响应时间一般在1-2s。电网频率波动越频,该技术指标月重要。
4)稳定时间:
机组参与一次调频的稳定时间应小于 1min。该技术指标对于发电机组及电网稳定运行都十分重要。
5)补偿幅度,
机组参与一次调频的调频负荷变化幅度不应设置下限;一次调频的调频负荷变化幅度上限可以加以限制,但限制幅度不应过小,规定如下:
a) 250MW>Po 的火电机组,限制幅度≥10%Po;
b) 350MW≥Po≥250MW 的火电机组,限制幅度≥8% Po;
c) 500MW≥Po>350MW 的火电机组,限制幅度≥7% Po;
d) Po>500MW 的火电机组,限制幅度≥6%Po。
另外,额定负荷运行的机组,应参与一次调频,增负荷方向最大调频负荷增量幅度不小于 5%Po。
3 火力发电机组一次调频运行中主要问题及原因分析
一次调频的性能指标直接影响发电机组的涉网调频贡献能力,对电网的稳定运行起到十分重要的作用。
但在机组实际运行过程中,由于运行工况、现场设备等原因,机组一次调频功能往往受到较大影响,下面简单列举一下,常见的一次调频存在问题。
3.1一次调频响应时间过长
个别机组在一次调频试验时,负荷响应大于技术要求的 3s 开始动作,有的甚至长达 5-10s开始响应调频指令,这类机组一次调频的性能对电网调频一般起不到正常的补偿作用,反而可能引起反向补偿。
由于现在机组 DCS 和 DEH 系统的运行周期为 ms 级运算,一次调频指令产生的延时一般可以忽略不计,整个控制系统的延迟主要由信
号的传递通道延迟或现场执行机构的物理延迟引起。
如因信号传递通道引起,一般修改应在DEH 设备厂家的同意情况下,指导进行修改调整;如因现场执行机构的物理延迟则需要同其他专业协调解决。
3.2逻辑组态中投入范围设置不合理
投入条件设置不恰当,如某 330MW 机组,目的实现一次调频在 180MW---330MW 区间投入 , 调 频 补 偿 负 荷 额 定 设 置 为-26.4MW---+26.4MW,超出范围自动退出一次调频功能,组态设置如图 2 所示。

该投入范围功能块逻辑组态,利用 ALM 功能块,当输入机组负荷超出设定高低限时,输出值为 0,一次调频投入条件自动切除调频投入,保 证 了 机 组 生 产 过 程 中 负 荷 超 出180MW---330MW 区间一次调频自动退出,但是在两个限幅点左右,如在 183MW 负荷点,机组一次调频减 4MW 负荷时,机组负荷小于180MW,调频退出瞬间,机组负荷指令又增大,机组升负荷大于 180MW,调频又投入,调频指令起作用,机组又减负荷,如此反复,出现一次调频频繁投入退出。类似于此类组态设置的调频投入方式,在限幅点往往会引起机组负荷频繁晃动,影响机组安全运行。
3.3一次调频与 AGC 调节相互影响
在机组运行过程中,无论何种工况,为了保证大电网的频率稳定性, 一次调频应优先动作。
目前,机组投入 AGC 运行的越来越多,尤其” R”模式下,负荷指令变化比较快,一次调频动作时,如果负荷指令没有一次调频优先动作方案设计应用,则会出现负荷指令和一次调频指令正向叠加或反向削弱。
正向叠加即一次调频指令增负荷时机组负荷指令恰好也是升负荷(或一次调频指令和机组负荷指令都是减负荷指令),这种情况,相当于增大了一次调频指令,机组负荷调整幅度也大。
而出现反向削弱的情况则是一次调频指令与机组负荷指令相反,这样势必削弱机组一次调频性能。
3.4机组运行方式
机组出于保证运行参数(主蒸汽温度、压力)稳定的考虑,协调控制采用了 TF 的运行模式(所谓 TF 模式,即机跟炉的调节模式, DCS系统通过改变汽机调门的开度来调节主汽压力,以确保压力稳定,调门开度主要决定于主汽压力)。
以 TF 模式运行的机组,汽机调门在一次调频动作过程中同时承担着调节功率和调节主汽压力的责任,难以同时实现两个控制目标,功率调节的时间非常短暂,对电网的调节贡献电量非常有限。
另外机组抽气供热时,由于需要保证抽气参数,机组负荷可调度区间减小,机组负荷调整能力有所减弱,因此,机组一次调频也会受到相应的影响。
3.5阀门流量曲线不线性
大部分机组运行时汽机采用顺序阀的阀位控制模式。处于功率调节状态的阀组,在开度20%-60%之间是线性行程,开度在此范围之外均
为非线性行程。
当系统发生频率扰动时,如果汽机处于阀门切换过程或阀位行程模拟不准确,都会影响机组一次调频效果。
3.6煤质的影响
目前大部分机组在协调控制方式下运行,在一次调频动态调整过程中,锅炉主控会自动调整燃料完成蒸汽压力变化的补偿,而如果入炉煤质较差,锅炉的动态调整过程势必增长,影响机组稳定,尤其对于直流锅炉表现更明显。
3.7热力系统辅机设备状态
各个辅机设备正常运行出力,是整个机组良好运行的基础。现在电网要求发电机组全程进行一次调频投入运行,尤其强调在额定负荷处, 要求有负荷上调 5%出力的能力。
对于增容机组来说,一般对主机系统进行技术改进,但往往忽略对于辅机出力的改进,因此在高负荷阶段辅机的设备状态往往对机组整体性能有着较大的影响。
3.8数据传输精度
目前,多个区域已经进行一次调频实际动作扰动合格率考核,由于机组一次调频实际动作量比较小,因此在系统计算时,小的偏差对计算结果影响也比较明显,提高一次调频的数据精度是提高机组一次调频合格率的有效途径之一。
一是机组数据本身采集精度,如机组转速、 负荷功率、蒸汽压力等;
二是数据远传至调度考核系统过程中的数据偏差处理,在实际生产过程中,由于 AGC 的考核实施较早,大多该系统的数据进行的了两侧校核修正,而对于PMU 上传数据则重视程度还不够。
4 发电机组一次调频控制优化方案
目前大部分发电机组的一次调频设计采用DEH+DCS联合调频控制方案,利用DEH侧调频指令直接叠加到机组阀门控制指令上,实现一
次调频动作的快速性,保证电网频率波动时,发电机组可以快速增减出力,补偿电网调频所需负荷;利用DCS侧控制方案保证机组一次调频补偿幅度,二者相互配合,提升机组的一次调频性能。
4.1DEH 侧一次调频控制方案
DEH 侧一次调频功能对负荷的修正直接叠加到流量指令上,即根据调节量直接开大或关小调门,调整汽轮机的进汽量,快速稳定电网
频率。功率回路投入时,负荷设定值同时增加一次调频指令,在提高机组一次调频快速动作的同时保证负荷不出现反调现象。

4.2DCS 侧一次调频控制方案
协调投入方式下, DCS 切除汽机主控回路时,一次调频功能由 DEH 实现。DCS 投入汽机主控回路时,一次调频指令叠加到负荷设定值上(未直接添加到去 DEH 的流量指令上),提高机组一次调频的精确性及稳定性。

5 结论
一次调频是发电机组重要涉网性能之一,也是电网稳定运行的重要技术手段,其实现主要依靠每台发电机组的调频能力的叠加,在保证机组安全运行的前提下,有效提升发电机组一次调频性能必将成为网源协调发展的一个重要技术课题。
第四部分




































































































































































第五部分
机 组一次调频回路接收发电机频率信号,经一次调频曲线后加入到机组的负荷设定值中,但一次调频的输出值受到机组运行中变负荷幅度的限制,在接近负荷高、低限时的一次调频量值响应减小。当一次调频发生,汽轮机的调门开度改变时,机组变化的功率同时叠加到机组的协调控制系统的负荷设定回路。以便和汽轮机本身的一次调频功能相适应。一方保证汽轮机主控设定负荷与反馈的实发功率信号的平衡,汽轮机主控的反向调节作用不会抵消一次调频的作用;另一方面,一次调频动作的量值同时作用于锅炉主控,迅速改变煤量以改变压力的失衡。一次调频功能有一个不灵敏区,当电网频率在该不灵敏区时,一次调频输出量值为“0”。需要注意的是,汽轮机本身的一次调频功能与协调系统中的一次调频设置相一致,不产生相互的干扰。
在 我国各电网对机组一次调频能力的要求有所不同,但基本上要求一次调频动作3S后,负荷有明显的变化,15S后变化的负荷达到一次调频量值的90%,1min后变化的负荷基本稳定。这些要求对蓄热较少的超临界直流炉来讲比汽包炉和流化床机组要困难,必须提高锅炉对主蒸汽压力的响应速率。
需 要注意的是:通常的一次调频动作包括DEH方式和CCS+DEH方式两种,在汽轮机DEH方式下,一次调频的量值直接叠加在汽轮机的流量指令上,此时为保证动作量值的稳定,需要增加机前压力对动作量值的修正;而CCS+DEH方式投入时,协调的汽轮机主控对增加的一次调频量进行闭环调节,此时对汽轮机流量的叠加需要一定的弱化,否则会出现动作初期的超调。此外,汽轮机主控存在的压力回路修正应当进行相应的闭锁,不对一次调频分量进行修正。
来源:CAA发电自动化 电力圈